Поиск подшипника
Статьи
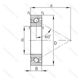
BSB060120-T — Шариковый упорный однорядный подшипник, модификация основного исполнения BSB060120, производство FAG.
Размер подшипника: 60x120x22 мм.
Textile laminated phenolic resin. outer ring guided. the cage is suitable for long-term operation at temperatures up to 100°c.
Международная стандартизации ISO
BSB060120T
В наличии
| Обозначение | Конструктивные изменения |
|---|---|
| BSB060120DUH P3/SRIY | Operating Temperature Range (Continuous) -30°C / 150°C. Maximum Temperature For Short-Term Exposure Is 175°C. Дуплексная пара подшипников. Универсальная установка. Высокий преднатяг.. Класс точности ниже. чем P2. но выше. чем P4. |
| BSB060120DUH P3 | Дуплексная пара подшипников. Высокий преднатяг. Класс точности ниже. чем P2. но выше. чем P4. |
| BSB060120QUH P3/SRIY | Operating Temperature Range (Continuous) -30°C / 150°C. Maximum Temperature For Short-Term Exposure Is 175°C. Класс точности ниже. чем P2. но выше. чем P4. Комплект из четырех штук. Универсальная установка. Усиленный преднатяг. |
| BSB060120QBHP3 | Класс точности ниже. чем P2. но выше. чем P4. Set Of 4 Bearings O-Arrangement. Heavy Preload. |
| BSB060120QUH | Комплект из четырех штук. Универсальная установка. Усиленный преднатяг. |
Модификации шарикового подшипника BSB060120-T — это измененное основное конструктивное исполнение BSB060120, основные размеры (60x120x22) не отличаются.
| Обозначение | Конструктивные особенности | Внутренний (d) | Наружный (D) | Ширина (B) |
|---|---|---|---|---|
| NUP213 60ECJ/C3VB134 | Однорядный цилиндрический роликовый подшипник. Внутренний зазор больше нормального. Сепаратор из штампованной стали. Центрирование роликов. Незакаленный. Оптимизированная внутренняя конструкция предусматривает увеличенное количество роликов и/или ролики большего размера с улучшенными условиями контакта торцов роликов с бортами внутреннего кольца. Chamfer Dimension At Large Inner Ring Side Face 1mm. | 60.00 | 120.00 | 23.00 |
| 8-11212 К | Шариковый радиальный двухрядный подшипник. | 60.00 | 120.00 | 23.00 |
| 11212 | Шариковый радиальный двухрядный подшипник. | 60.00 | 120.00 | 23.00 |
| 11212-К | Шариковый радиальный двухрядный подшипник. «Замок» (скос) на внутреннем кольце плюс массивный сепаратор из текстолита. | 60.00 | 120.00 | 23.00 |
| 2ВО-11212 К | Шариковый радиальный двухрядный подшипник. | 60.00 | 120.00 | 23.00 |
| 1213-K-TVH-C3 + H213 | Шариковый сферический двухрядный подшипник. Внутренний зазор больше нормального. Коническое отверстие. Конусность 1/12. Твердая клетка из полиамида. | 60.00 | 120.00 | 23.00 |
| 1213 KTN9+H213 | Шариковый сферический двухрядный подшипник. | 60.00 | 120.00 | 23.00 |
Способы доставки
Отправка через ведущие транспортные и курьерские компании: ПЭК, Деловые Линии, СДЭК, Байкал-Сервис, Энергия, КИТ, ЖелДорЭкспедиция.
Самовывоз возможен напрямую со склада в Москве.
Сроки доставки
Срок зависит от региона и выбранной транспортной компании. Все заказы комплектуются и отправляются в кратчайшие сроки со склада в Москве.
Надёжность и сохранность
Вся продукция упаковывается с учётом требований транспортировки. Мы гарантируем, что подшипники и комплектующие прибудут к заказчику в полной сохранности.
Доставка в страны ЕАЭС
Мы работаем с проверенными логистическими партнёрами, что позволяет оперативно доставлять заказы в Беларусь, Казахстан, Армению и другие страны ЕАЭС.
Варианты оплаты:
Минимальная сумма заказа и скидки:
Документы и гарантии:
Да, конечно! Наши технические специалисты готовы помочь вам с подбором точного аналога или замены подшипника. Просто позвоните нам по телефону +7 (495) 104-99-04 или напишите на почту zakaz@podsnab.ru.
Для оперативной консультации подготовьте, пожалуйста, имеющиеся данные: маркировку, размеры, тип оборудования или артикул старого подшипника.
Да, конечно! Мы высоко ценим долгосрочное сотрудничество и доверие клиентов по всей России. Для постоянных клиентов действует персональная система скидок.
Условия формируются индивидуально и зависят от:
Чтобы узнать свои условия и получить максимально выгодное предложение, свяжитесь с персональным менеджером или напишите нам на почту zakaz@podsnab.ru.
Вы можете оформить заказ несколькими способами:
Для оформления заказа от юридического лица свяжитесь с нашим отделом по работе с корпоративными клиентами по телефону +7 (495) 104-99-04 или напишите на email zakaz@podsnab.ru, прикрепив реквизиты вашей организации.
Мы оперативно подготовим коммерческое предложение и выставим счет.
Возврат товара надлежащего качества возможен в течение 10 дней с момента получения, если товар не был в употреблении, сохранен товарный вид, упаковка не вскрывалась и присутствуют все сопроводительные документы.
Возврат денежных средств осуществляется в течение 10 рабочих дней после проверки товара складом.
В соответствии с законодательством возврату не подлежат подшипники надлежащего качества, если отсутствует оригинальная упаковка или имеются следы монтажа.
В случае выявления брака или гарантийного случая мы гарантируем возврат или обмен товара.
Да, гарантийный срок хранения устанавливается заводом-изготовителем и в среднем составляет 2 года при соблюдении условий хранения: сухое помещение, оригинальная упаковка и смазка.
Точный срок для конкретного типа подшипника уточняйте у наших менеджеров.
Пн–Пт: с 8:00 до 17:00 (МСК).
Сб–Вс: выходные дни.
Заказы на сайте принимаются круглосуточно. Заявки, поступившие после окончания рабочего дня, обрабатываются на следующий рабочий день.
Минимальная сумма заказа для доставки составляет 3000 рублей. Самовывоз со склада возможен на любую сумму при наличии товара.
ООО «УралТехГрупп»
ИНН: 7415093830
КПП: 772401001
ОГРН: 1167456069021
Банк: ПАО Сбербанк
Р/с: 40702810838000475273
К/с: 30101810400000000225
БИК: 044525225
У подшипника BSB060120-T пока нет отзывов. Вы можете стать первым покупателем, поделившимся своим мнением.