Поиск подшипника
Статьи
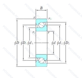
SAC3572B — Шариковый упорный однорядный подшипник, модификация основного исполнения SAC3572, производство KOYO.
Размер подшипника: 35x72x15 мм.
Коррозионностойкая (нержавеющая) сталь, с покрытием ATC-Armoloy, конический роликовый подшипник. угол контакта 20 градусов.
Международная стандартизации ISO
SAC3572B
В наличии
| Обозначение | Гост | Конструктивные особенности |
|---|---|---|
| 35TAB07 | ISO | Шариковый упорный однорядный подшипник. |
| 35TAB07-2LR | ISO | Шариковый упорный однорядный подшипник. |
| 35TAB07-2NK | ISO | Шариковый упорный однорядный подшипник. |
| 35TAC72BDDG | ISO | Шариковый упорный однорядный подшипник. |
| 35TAC72B | ISO | Шариковый упорный однорядный подшипник. |
| BSD 3572 CG-2RZ | ISO | Шарикоподшипник. С уплотнением и низким коэффициентом трения с обеих сторон. Уплотнение состоит из шайбы из листовой стали с вулканизированной резиной. Резьбовой винт со стопором и защелкой. |
| BSD 3572 CG | ISO | Резьбовой винт со стопором и защелкой. |
| BS 35/72/S 7P62U | ISO | Шариковый упорный однорядный подшипник. |
| BS 35/72 7P62U | ISO | Шариковый упорный однорядный подшипник. |
Аналог шарикового подшипника SAC3572B — это подшипник такого же размера dx35,Dx72,Bx15, типа и конструкции.
| Обозначение | Конструктивные особенности | Внутренний (d) | Наружный (D) | Ширина (B) |
|---|---|---|---|---|
| 36-160107 Ш1 | Шариковый радиальный однорядный подшипник. Нормы шумности. | 35.00 | 72.00 | 14.00 |
| 6-160107 АУШ | Шариковый радиальный однорядный подшипник. Дополнительные технические требования. Повышенная грузоподъемность. Нормы шумности. | 35.00 | 72.00 | 14.00 |
| 6-160107 АУL19Ш1 | Шариковый радиальный однорядный подшипник. Lubricant. Mobil Oil Co.. Mobil 28 Grease. MIL-G-81322 High/Low Temperature -62°C/+176°C. Дополнительные технические требования. Повышенная грузоподъемность. Нормы шумности. | 35.00 | 72.00 | 14.00 |
| 6-160107 АУW24Ш1 | Шариковый радиальный однорядный подшипник. Дополнительные технические требования. Повышенная грузоподъемность. Нормы шумности. Смазка пластичная Shell Alvania Greases G2. | 35.00 | 72.00 | 14.00 |
| 6-160107 АШ | Шариковый радиальный однорядный подшипник. Повышенная грузоподъемность. Нормы шумности. | 35.00 | 72.00 | 14.00 |
| 6-160107 АW24Ш1 | Шариковый радиальный однорядный подшипник. Повышенная грузоподъемность. Нормы шумности. Смазка пластичная Shell Alvania Greases G2. | 35.00 | 72.00 | 14.00 |
| 76-160107 АШ1 | Шариковый радиальный однорядный подшипник. Повышенная грузоподъемность. Нормы шумности. | 35.00 | 72.00 | 14.00 |
| 76-160107 АL19Ш1 | Шариковый радиальный однорядный подшипник. Lubricant. Mobil Oil Co.. Mobil 28 Grease. MIL-G-81322 High/Low Temperature -62°C/+176°C. Повышенная грузоподъемность. Нормы шумности. | 35.00 | 72.00 | 14.00 |
| 76-160107 АW38Ш1 | Шариковый радиальный однорядный подшипник. Детали из вакуумированной стали.. Повышенная грузоподъемность. Нормы шумности. | 35.00 | 72.00 | 14.00 |
| 6207h2 | Шариковый радиальный однорядный подшипник. ISO Tolerance Class ABEC.9. | 35.00 | 72.00 | 16.00 |
| 6-7207 А | Роликовый радиальный-упорный однорядный подшипник. Повышенная грузоподъемность. | 35.00 | 72.00 | 15.00 |
| SC07A04 | Шариковый радиальный однорядный подшипник. Уплотнение из полиакрила. | 35.00 | 72.00 | 16.00 |
| SC07B47 | Шариковый радиальный однорядный подшипник. Угол контакта 40°. | 35.00 | 72.00 | 14.00 |
| TM-SC07A87CS32PX11 | Шариковый радиальный однорядный подшипник. Механически обработанный сепаратор. Уплотнение из полиакрила. Модификация фаски. | 35.00 | 72.00 | 15.00 |
| EC1-SC07B37 | Шариковый радиальный однорядный подшипник. Механически обработанный сепаратор. Угол контакта 40°. Подшипник с компенсацией теплового расширения для общего применения. | 35.00 | 72.00 | 14.00 |
Способы доставки
Отправка через ведущие транспортные и курьерские компании: ПЭК, Деловые Линии, СДЭК, Байкал-Сервис, Энергия, КИТ, ЖелДорЭкспедиция.
Самовывоз возможен напрямую со склада в Москве.
Сроки доставки
Срок зависит от региона и выбранной транспортной компании. Все заказы комплектуются и отправляются в кратчайшие сроки со склада в Москве.
Надёжность и сохранность
Вся продукция упаковывается с учётом требований транспортировки. Мы гарантируем, что подшипники и комплектующие прибудут к заказчику в полной сохранности.
Доставка в страны ЕАЭС
Мы работаем с проверенными логистическими партнёрами, что позволяет оперативно доставлять заказы в Беларусь, Казахстан, Армению и другие страны ЕАЭС.
Варианты оплаты:
Минимальная сумма заказа и скидки:
Документы и гарантии:
Да, конечно! Наши технические специалисты готовы помочь вам с подбором точного аналога или замены подшипника. Просто позвоните нам по телефону +7 (495) 104-99-04 или напишите на почту zakaz@podsnab.ru.
Для оперативной консультации подготовьте, пожалуйста, имеющиеся данные: маркировку, размеры, тип оборудования или артикул старого подшипника.
Да, конечно! Мы высоко ценим долгосрочное сотрудничество и доверие клиентов по всей России. Для постоянных клиентов действует персональная система скидок.
Условия формируются индивидуально и зависят от:
Чтобы узнать свои условия и получить максимально выгодное предложение, свяжитесь с персональным менеджером или напишите нам на почту zakaz@podsnab.ru.
Вы можете оформить заказ несколькими способами:
Для оформления заказа от юридического лица свяжитесь с нашим отделом по работе с корпоративными клиентами по телефону +7 (495) 104-99-04 или напишите на email zakaz@podsnab.ru, прикрепив реквизиты вашей организации.
Мы оперативно подготовим коммерческое предложение и выставим счет.
Возврат товара надлежащего качества возможен в течение 10 дней с момента получения, если товар не был в употреблении, сохранен товарный вид, упаковка не вскрывалась и присутствуют все сопроводительные документы.
Возврат денежных средств осуществляется в течение 10 рабочих дней после проверки товара складом.
В соответствии с законодательством возврату не подлежат подшипники надлежащего качества, если отсутствует оригинальная упаковка или имеются следы монтажа.
В случае выявления брака или гарантийного случая мы гарантируем возврат или обмен товара.
Да, гарантийный срок хранения устанавливается заводом-изготовителем и в среднем составляет 2 года при соблюдении условий хранения: сухое помещение, оригинальная упаковка и смазка.
Точный срок для конкретного типа подшипника уточняйте у наших менеджеров.
Пн–Пт: с 8:00 до 17:00 (МСК).
Сб–Вс: выходные дни.
Заказы на сайте принимаются круглосуточно. Заявки, поступившие после окончания рабочего дня, обрабатываются на следующий рабочий день.
Минимальная сумма заказа для доставки составляет 3000 рублей. Самовывоз со склада возможен на любую сумму при наличии товара.
ООО «УралТехГрупп»
ИНН: 7415093830
КПП: 772401001
ОГРН: 1167456069021
Банк: ПАО Сбербанк
Р/с: 40702810838000475273
К/с: 30101810400000000225
БИК: 044525225
У подшипника SAC3572B пока нет отзывов. Вы можете стать первым покупателем, поделившимся своим мнением.