Поиск подшипника
Статьи
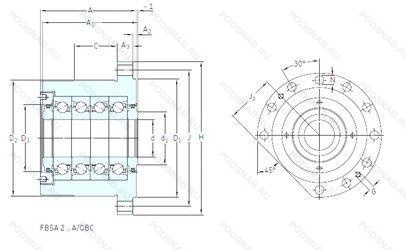
BSQU 240/1 TDT — Шариковый упорный четырехрядный подшипник, модификация основного исполнения 240, производство SNFA.
Четыре подшипника расположены тандемно спиной к спине, number of carriages per rail track.
Международная стандартизации ISO
BSQU2401TDT
В наличии
| Обозначение | Конструктивные изменения |
|---|---|
| 240W | Максимальная грузоподъемность. |
| 240TAC29D+L | Одно механическое уплотнение. |
| BSDU 240 DD | Два уплотнения из PTFE. |
| BSDU 240 FF | Металлическое уплотнение с двух сторон. |
| NJ 240 ECML | Однорядный цилиндрический роликовый подшипник. |
| BS 240/S 7P62U | Запечатанная версия кулачкового ролика. Высокая осевая жесткость и грузоподъемность.. |
| BS 240 7P62U | Высокая осевая жесткость и грузоподъемность.. |
| NJ 240 ECM | Однорядный цилиндрический роликовый подшипник. |
| BSQU 240 TFT | Four Bearings Arranged Tandem Face-To-Face >>. |
| BSQU 240 TDT | Четыре подшипника расположены тандемно спиной к спине. |
| BSQU 240/1 TFT | Number Of Carriages Per Rail Track. Four Bearings Arranged Tandem Face-To-Face >>. |
| GE 240 HCR-2RS | Контактные уплотнения типа RS с обеих сторон игольчатого роликоподшипника. Антизадирная пластичная смазка. |
| GE 240 ECR-2RS | Контактные уплотнения типа RS с обеих сторон игольчатого роликоподшипника. Антизадирная пластичная смазка. |
| GE 240 HS-2RS | Контактные уплотнения типа RS с обеих сторон игольчатого роликоподшипника. Антизадирная пластичная смазка. High Speed Design. |
| GE 240GS | Подшипник с предварительным натягом и цилиндрическим наружним кольцом. |
| GE 240GS-2RS | Резиновые уплотнения с каждой стороны подшипника. Подшипник с предварительным натягом и цилиндрическим наружним кольцом. |
| GAC 240 CP | 10 Piece Packaging. |
| GAC 240 S | Запечатанная версия кулачкового ролика. |
| GE 240 CP | 10 Piece Packaging. |
| GEG 240 ET 2RS | Резиновые уплотнения с каждой стороны подшипника. Сквозная закалка и шлифовка стали с переломом в одной точке. |
| GX 240 CP | 10 Piece Packaging. |
| GE 240 ESX-2LS | Контактное уплотнение с обеих сторон подшипника. |
| GE 240 ES-2LS | Контактное уплотнение с обеих сторон подшипника. Разъемное наружное кольцо со смазочными отверстиями. |
| GE 240 TXA-2LS | Контактное уплотнение с обеих сторон подшипника. Machined One-Piece Retainer Made From Special Material. Working Temperature -50°C/+260°C. |
| GEP 240 FS | Подшипниковый вкладыш с маслоотражательными уплотнениями. |
Модификации шарикового подшипника BSQU 240/1 TDT — это измененное основное конструктивное исполнение 240, основные размеры не отличаются.
Способы доставки
Отправка через ведущие транспортные и курьерские компании: ПЭК, Деловые Линии, СДЭК, Байкал-Сервис, Энергия, КИТ, ЖелДорЭкспедиция.
Самовывоз возможен напрямую со склада в Москве.
Сроки доставки
Срок зависит от региона и выбранной транспортной компании. Все заказы комплектуются и отправляются в кратчайшие сроки со склада в Москве.
Надёжность и сохранность
Вся продукция упаковывается с учётом требований транспортировки. Мы гарантируем, что подшипники и комплектующие прибудут к заказчику в полной сохранности.
Доставка в страны ЕАЭС
Мы работаем с проверенными логистическими партнёрами, что позволяет оперативно доставлять заказы в Беларусь, Казахстан, Армению и другие страны ЕАЭС.
Варианты оплаты:
Минимальная сумма заказа и скидки:
Документы и гарантии:
Да, конечно! Наши технические специалисты готовы помочь вам с подбором точного аналога или замены подшипника. Просто позвоните нам по телефону +7 (495) 104-99-04 или напишите на почту zakaz@podsnab.ru.
Для оперативной консультации подготовьте, пожалуйста, имеющиеся данные: маркировку, размеры, тип оборудования или артикул старого подшипника.
Да, конечно! Мы высоко ценим долгосрочное сотрудничество и доверие клиентов по всей России. Для постоянных клиентов действует персональная система скидок.
Условия формируются индивидуально и зависят от:
Чтобы узнать свои условия и получить максимально выгодное предложение, свяжитесь с персональным менеджером или напишите нам на почту zakaz@podsnab.ru.
Вы можете оформить заказ несколькими способами:
Для оформления заказа от юридического лица свяжитесь с нашим отделом по работе с корпоративными клиентами по телефону +7 (495) 104-99-04 или напишите на email zakaz@podsnab.ru, прикрепив реквизиты вашей организации.
Мы оперативно подготовим коммерческое предложение и выставим счет.
Возврат товара надлежащего качества возможен в течение 10 дней с момента получения, если товар не был в употреблении, сохранен товарный вид, упаковка не вскрывалась и присутствуют все сопроводительные документы.
Возврат денежных средств осуществляется в течение 10 рабочих дней после проверки товара складом.
В соответствии с законодательством возврату не подлежат подшипники надлежащего качества, если отсутствует оригинальная упаковка или имеются следы монтажа.
В случае выявления брака или гарантийного случая мы гарантируем возврат или обмен товара.
Да, гарантийный срок хранения устанавливается заводом-изготовителем и в среднем составляет 2 года при соблюдении условий хранения: сухое помещение, оригинальная упаковка и смазка.
Точный срок для конкретного типа подшипника уточняйте у наших менеджеров.
Пн–Пт: с 8:00 до 17:00 (МСК).
Сб–Вс: выходные дни.
Заказы на сайте принимаются круглосуточно. Заявки, поступившие после окончания рабочего дня, обрабатываются на следующий рабочий день.
Минимальная сумма заказа для доставки составляет 3000 рублей. Самовывоз со склада возможен на любую сумму при наличии товара.
ООО «УралТехГрупп»
ИНН: 7415093830
КПП: 772401001
ОГРН: 1167456069021
Банк: ПАО Сбербанк
Р/с: 40702810838000475273
К/с: 30101810400000000225
БИК: 044525225
У подшипника BSQU 240/1 TDT пока нет отзывов. Вы можете стать первым покупателем, поделившимся своим мнением.