Поиск подшипника
Статьи
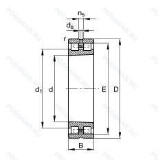
NN3028-AS-K-M-SP — Подшипник роликовый цилиндрический двухрядный, модификация основного исполнения NN3028, выпускается производителями: FAG, INA.
Размер подшипника: 140x210x53 мм.
Двухрядный цилиндрический роликоподшипник, подшипник супер точный, смазка aeroshell 7. диапазон от –10°c до 110°c, коническое отверстие. конус 1/12, латунный сепаратор. центрированный по роликам.
Международная стандартизации ISO
NN3028ASKMSP
В наличии
| Обозначение | Конструктивные изменения |
|---|---|
| NN3028K P41 | Коническое отверстие. Конусность 1/12. Комбинация P4 и C1, радиальный зазор и пониженный уровень вибрации. |
| NN3028KM/SP | Точность размеров примерно соответствует классу точности Р5. биения — классу точности Р4. Type Of Model. |
| NN3028K | Коническое внутреннее отверстие. Двухрядный цилиндрический роликовый подшипник. |
| NN3028ASK.M.SP.J26C | Канавка для смазки и три отверстия во внешнем кольце подшипника. Коническое отверстие. конус 1/12. Цилиндрические роликоподшипники. Взаимозаменяемые детали. Латунный сепаратор. Центрированный по роликам. Подшипник супер точный. Marking Of The Largest Radial Runout Deviation On The Inner Ring And Outer Ring. |
| NN3028K P51 | Коническое отверстие. Конусность 1/12. Сочетание P5 (размерная точность и точность хода в соответствии с классом допуска ISO 5 (лучше. чем P6)) и C1 (радиальный зазор и сниженный уровень вибрации). |
| NN3028KM P51 | Сочетание P5 (размерная точность и точность хода в соответствии с классом допуска ISO 5 (лучше. чем P6)) и C1 (радиальный зазор и сниженный уровень вибрации). Type Of Model. |
| NN3028KM/SPC2W33 | Канавка для смазки и три отверстия во внешнем кольце подшипника. Внутренний зазор подшипника меньше нормального. Точность размеров примерно соответствует классу точности Р5. биения — классу точности Р4. Type Of Model. |
| NN3028/SPW33 | Канавка для смазки и три отверстия во внешнем кольце подшипника. Точность размеров примерно соответствует классу точности Р5. биения — классу точности Р4. Двухрядный цилиндрический роликовый подшипник. |
| NN3028 | Канавка под стопорное кольцо на наружном кольце подшипника. Двухрядный цилиндрический роликовый подшипник. Основное конструктивное исполнение. |
| NN3028CC1 P5 | Размерная и рабочая точность соответствует классу допуска ISO 5. Для невзаимозаменяемых цилиндрических роликоподшипников. Зазор менее СС2. |
| NN3028K/SPW33 | Канавка для смазки и три отверстия во внешнем кольце подшипника. Коническое отверстие. конус 1/12. Точность размеров примерно соответствует классу точности Р5. биения — классу точности Р4. Двухрядный цилиндрический роликовый подшипник. |
| NN3028-AS-K-M-SP-C3 | Внутренний зазор больше нормального. Коническое отверстие. конус 1/12. Латунный сепаратор. Центрированный по роликам. Подшипник супер точный. Смазка Aeroshell 7. Диапазон от –10°C до 110°C.. |
| NN3028W33M2KC1NAP4 | Канавка для смазки и три отверстия во внешнем кольце подшипника. Коническое отверстие. конус 1/12. Класс точности 4. Латунный сепаратор из двух частей с механической обработкой. Неизменяемый радиальный внутренний зазор для цилиндрического роликоподшипника. |
| NN3028MB KRE44 CC1 P5 | Обработанный латунный сепаратор. Центрированное внутреннее кольцо. Размерная и рабочая точность соответствует классу допуска ISO 5. Коническое отверстие. Для невзаимозаменяемых цилиндрических роликоподшипников. Зазор менее СС2. Наружное кольцо с обработанной смазочной канавкой и отверстиями (только для двурядных). |
| NN3028-AS-K-M-SP-J15Q | Коническое отверстие. конус 1/12. Латунный сепаратор. Центрированный по роликам. Подшипник супер точный. Смазка Aeroshell 7. Диапазон от –10°C до 110°C.. Характеристики маркировки измеряемых величин. |
| NN3028-AS-K-M-UP | Коническое отверстие. конус 1/12. Латунный сепаратор. Центрированный по роликам. Специальный класс допуска для подшипников шпинделя станков точность размеров приблизительно соответствует классу допуска ISO 4. а точность хода лучше. чем класс ISO 4. Смазка Aeroshell 7. Диапазон от –10°C до 110°C.. |
| NN3028M2 K C1NA | Коническое отверстие. конус 1/12. Латунный сепаратор из двух частей с механической обработкой. Неизменяемый радиальный внутренний зазор для цилиндрического роликоподшипника. |
| NN3028KMBKRCC1P5 | Коническое отверстие. конус 1/12. Механически обработанный латунный сепаратор. клёпаный. центрируемый по внутреннему кольцу. Размерная и рабочая точность соответствует классу допуска ISO 5. Коническое отверстие. Для невзаимозаменяемых цилиндрических роликоподшипников. Зазор менее СС2. |
| NN3028K.W33.M.SP | Канавка для смазки и три отверстия во внешнем кольце подшипника. Коническое отверстие. конус 1/12. Machined Brass Cage Located On Rolling Elements. Точность размеров примерно соответствует классу точности Р5. биения — классу точности Р4. |
| NN3028AS.M.SP | Латунный сепаратор. Центрированный по роликам. Подшипник супер точный. Смазка Aeroshell 7. Диапазон от –10°C до 110°C.. |
| NN3028K/SP | Коническое отверстие. конус 1/12. Точность размеров примерно соответствует классу точности Р5. биения — классу точности Р4. |
| NN3028M2 K C1NA P4 | Коническое отверстие. конус 1/12. Класс точности Р4 по ISO (точнее. чем P5) - Abec.7. Латунный сепаратор из двух частей с механической обработкой. Неизменяемый радиальный внутренний зазор для цилиндрического роликоподшипника. |
| NN3028MB | сепаратор из латуни. центрированный по внутреннему кольцу. |
| NN3028/W33 | Канавка для смазки и три отверстия во внешнем кольце подшипника. |
| NN3028K/W33 | Канавка для смазки и три отверстия во внешнем кольце подшипника. Коническое отверстие. Конусность 1/12. |
Модификации цилиндрического роликового подшипника NN3028-AS-K-M-SP — это измененное основное конструктивное исполнение NN3028, основные размеры (140x210x53) не отличаются.
| Обозначение | Гост | Конструктивные особенности |
|---|---|---|
| NNU3028W C3 P6 FY | ISO | Внутренний зазор больше нормального. Подшипник без смазочных отверстий в наружном кольце. Обработанный латунный сепаратор. Размерные и геометрические допуски соответствуют классу точности P6. |
Аналог цилиндрического роликового подшипника NN3028-AS-K-M-SP — это подшипник такого же размера dx140,Dx210,Bx53, типа и конструкции.
| Обозначение | Конструктивные особенности | Внутренний (d) | Наружный (D) | Ширина (B) |
|---|---|---|---|---|
| 4-3182128 ЛК | Роликовый радиальный двухрядный подшипник. Сепаратор из латуни.. | 140.00 | 210.00 | 53.00 |
| 23028RH | Роликовый радиальный сферический двухрядный подшипник. Выпуклые симметричные ролики и штампованный сепаратор. | 140.00 | 210.00 | 53.00 |
| 23028-K-MB-W33+AHX3028 | Роликовый радиальный сферический двухрядный подшипник. Канавка для смазки и три отверстия во внешнем кольце подшипника. Коническое отверстие. Конусность 1/12. сепаратор из латуни. центрированный по внутреннему кольцу. | 140.00 | 210.00 | 53.00 |
| 23028B | Роликовый радиальный сферический двухрядный подшипник. Конический роликовый подшипник. Угол контакта 20 градусов. | 140.00 | 210.00 | 53.00 |
| 23028-2CS5/VT143 | Роликовый радиальный сферический двухрядный подшипник. Контактное уплотнение из листовой стали, усиленное гидрогенизированным акрилонитрил-бутадиеновым каучуком (HNBR) с обеих сторон. Свободное пространство в подшипнике на 70–100 % заполнено высокотемпературной смазкой.. Заполнение пластичной смазкой SKF LGEP 2 на 25–35 %. | 140.00 | 210.00 | 53.00 |
| 23028 KCW33+AH3028 | Роликовый радиальный сферический двухрядный подшипник. Кольцевая канавка и три отверстия для смазывания в наружном кольце подшипника. Коническое внутреннее отверстие. | 140.00 | 210.00 | 53.00 |
| 23028 KCW33+H3028 | Роликовый радиальный сферический двухрядный подшипник. Кольцевая канавка и три отверстия для смазывания в наружном кольце подшипника. Коническое внутреннее отверстие. | 140.00 | 210.00 | 53.00 |
| 23028-E1-K-TVPB+AHX3028G | Роликовый радиальный сферический двухрядный подшипник. Коническое отверстие. Конусность 1/12. Конструкция с увеличенной грузоподьемностью. Твердый оконный сепаратор из полиамида. армированного стекловолокном. Направляющие на внутреннем кольце. | 140.00 | 210.00 | 53.00 |
| NCF 3028 CV | Роликовый радиальный цилиндрический однорядный подшипник. Полноразмерный цилиндрический роликоподшипник с модифицированной внутренней конструкцией. Однорядный без сепараторный цилиндрический роликовый подшипник. | 140.00 | 210.00 | 53.00 |
| 23028AX | Роликовый радиальный сферический двухрядный подшипник. Поверхность контакта скольжения сталь / сталь. | 140.00 | 210.00 | 53.00 |
| 23028EK | Сферический роликовый радиальный подшипник. | 140.00 | 210.00 | 53.00 |
| AR140-29 | Роликовый радиальный-упорный двухрядный подшипник. 1.13/16. | 140.00 | 210.00 | 53.00 |
| 6-3182128 Л | Роликовый радиальный двухрядный подшипник. Сепаратор из латуни.. | 140.00 | 210.00 | 53.00 |
| 5-3182128 Л | Роликовый радиальный двухрядный подшипник. Сепаратор из латуни.. | 140.00 | 210.00 | 53.00 |
| 5-3182128 ЛК | Роликовый радиальный двухрядный подшипник. Сепаратор из латуни.. | 140.00 | 210.00 | 53.00 |
Способы доставки
Отправка через ведущие транспортные и курьерские компании: ПЭК, Деловые Линии, СДЭК, Байкал-Сервис, Энергия, КИТ, ЖелДорЭкспедиция.
Самовывоз возможен напрямую со склада в Москве.
Сроки доставки
Срок зависит от региона и выбранной транспортной компании. Все заказы комплектуются и отправляются в кратчайшие сроки со склада в Москве.
Надёжность и сохранность
Вся продукция упаковывается с учётом требований транспортировки. Мы гарантируем, что подшипники и комплектующие прибудут к заказчику в полной сохранности.
Доставка в страны ЕАЭС
Мы работаем с проверенными логистическими партнёрами, что позволяет оперативно доставлять заказы в Беларусь, Казахстан, Армению и другие страны ЕАЭС.
Варианты оплаты:
Минимальная сумма заказа и скидки:
Документы и гарантии:
Да, конечно! Наши технические специалисты готовы помочь вам с подбором точного аналога или замены подшипника. Просто позвоните нам по телефону +7 (495) 104-99-04 или напишите на почту zakaz@podsnab.ru.
Для оперативной консультации подготовьте, пожалуйста, имеющиеся данные: маркировку, размеры, тип оборудования или артикул старого подшипника.
Да, конечно! Мы высоко ценим долгосрочное сотрудничество и доверие клиентов по всей России. Для постоянных клиентов действует персональная система скидок.
Условия формируются индивидуально и зависят от:
Чтобы узнать свои условия и получить максимально выгодное предложение, свяжитесь с персональным менеджером или напишите нам на почту zakaz@podsnab.ru.
Вы можете оформить заказ несколькими способами:
Для оформления заказа от юридического лица свяжитесь с нашим отделом по работе с корпоративными клиентами по телефону +7 (495) 104-99-04 или напишите на email zakaz@podsnab.ru, прикрепив реквизиты вашей организации.
Мы оперативно подготовим коммерческое предложение и выставим счет.
Возврат товара надлежащего качества возможен в течение 10 дней с момента получения, если товар не был в употреблении, сохранен товарный вид, упаковка не вскрывалась и присутствуют все сопроводительные документы.
Возврат денежных средств осуществляется в течение 10 рабочих дней после проверки товара складом.
В соответствии с законодательством возврату не подлежат подшипники надлежащего качества, если отсутствует оригинальная упаковка или имеются следы монтажа.
В случае выявления брака или гарантийного случая мы гарантируем возврат или обмен товара.
Да, гарантийный срок хранения устанавливается заводом-изготовителем и в среднем составляет 2 года при соблюдении условий хранения: сухое помещение, оригинальная упаковка и смазка.
Точный срок для конкретного типа подшипника уточняйте у наших менеджеров.
Пн–Пт: с 8:00 до 17:00 (МСК).
Сб–Вс: выходные дни.
Заказы на сайте принимаются круглосуточно. Заявки, поступившие после окончания рабочего дня, обрабатываются на следующий рабочий день.
Минимальная сумма заказа для доставки составляет 3000 рублей. Самовывоз со склада возможен на любую сумму при наличии товара.
ООО «УралТехГрупп»
ИНН: 7415093830
КПП: 772401001
ОГРН: 1167456069021
Банк: ПАО Сбербанк
Р/с: 40702810838000475273
К/с: 30101810400000000225
БИК: 044525225
У подшипника NN3028-AS-K-M-SP пока нет отзывов. Вы можете стать первым покупателем, поделившимся своим мнением.