Поиск подшипника
Статьи
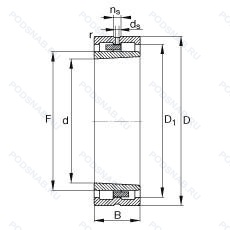
NNU4936-S-K-M-SP — Подшипник роликовый цилиндрический двухрядный, модификация основного исполнения NNU4936, производство FAG.
Размер подшипника: 180x250x69 мм.
Двухрядный цилиндрический роликоподшипник. Коническое отверстие позволяет регулировать внутренний зазор. Имеются масляная канавка и масляное отверстие в центре наружного кольца, точность размеров примерно соответствует классу точности р5. биения — классу точности р4, канавка для смазки и три отверстия во внешнем кольце подшипника, коническое отверстие. конус 1/12, латунный сепаратор. центрированный по роликам.
Аналоги: NNU4936BK/SPW33 SKF.
Международная стандартизации ISO
NNU4936SKMSP
В наличии
| Обозначение | Конструктивные изменения |
|---|---|
| NNU4936BM/SP | Стандартная конструкция с латунным сепаратором двухконтактного типа. Механически обработанный латунный сепаратор. клёпаный. центрируемый по роликам. Точность размеров примерно соответствует классу точности Р5. биения — классу точности Р4. |
| NNU4936AS.M.SP | Латунный сепаратор. Центрированный по роликам. Подшипник супер точный. Смазка Aeroshell 7. Диапазон от –10°C до 110°C.. |
| NNU4936B/P53 | Стандартная конструкция с латунным сепаратором двухконтактного типа. Комбинация P5 = (Размерная и рабочая точность соответствует классу 5 допусков ISO) и С3 = (Внутренний зазор больше обычного). |
| NNU4936B/SPC3W33 | Внутренний зазор больше нормального. Канавка для смазки и три отверстия во внешнем кольце подшипника. Стандартная конструкция с латунным сепаратором двухконтактного типа. Точность размеров примерно соответствует классу точности Р5. биения — классу точности Р4. |
| NNU4936B/SPW33 | Канавка для смазки и три отверстия во внешнем кольце подшипника. Стандартная конструкция с латунным сепаратором двухконтактного типа. Точность размеров примерно соответствует классу точности Р5. биения — классу точности Р4. Двухрядный цилиндрический роликовый подшипник. |
| NNU4936BK/SPW33 | Канавка для смазки и три отверстия во внешнем кольце подшипника. Специальный класс точности для станочных подшипников. Точность размеров приблизительно до P5. Точность хода приблизительно P4. Двухрядный цилиндрический роликовый подшипник. Игольчатый роликовый подшипник со штампованным наружным кольцом с закрытым торцом. |
| NNU4936-S-M-SP | Канавка для смазки и три отверстия во внешнем кольце подшипника. Латунный сепаратор. Центрированный по роликам. Точность размеров примерно соответствует классу точности Р5. биения — классу точности Р4. |
| NNU4936M | Механически обработанный латунный сепаратор. клёпаный. центрируемый по роликам. |
| NNU4936M NA P53 | Machined Brass Cage Located On Rolling Elements. Радиальный зазор. Незаменяемые элементы. Комбинация P5 = (Размерная и рабочая точность соответствует классу 5 допусков ISO) и С3 = (Внутренний зазор больше обычного). |
| NNU4936M NA C3 | Внутренний зазор больше нормального. Механически обработанный латунный сепаратор .Расположенный на элементах качения. Радиальный зазор. Незаменяемые элементы. |
| NNU4936K | Коническое отверстие. конус 1/12. Двухрядный цилиндрический роликовый подшипник. |
| NNU4936K/P52NA | Коническое отверстие. конус 1/12. Combination of P5 (Dimensional And Running Accuracy To ISO Tolerance Class 5 (Better Than P6)) And C2 (Bearing Internal Clearance Smaller Than Normal). Нет особого значения для цилиндрического подшипника. |
| NNU4936 MNAW33P51 | Канавка для смазки и три отверстия во внешнем кольце подшипника. Механически обработанный латунный сепаратор .Расположенный на элементах качения. Сочетание P5 (размерная точность и точность хода в соответствии с классом допуска ISO 5 (лучше. чем P6)) и C1 (радиальный зазор и сниженный уровень вибрации). |
| NNU4936M P51 NA W33 | Канавка для смазки и три отверстия во внешнем кольце подшипника. Механически обработанный латунный сепаратор .Расположенный на элементах качения. Радиальный зазор для подшипников с невзаимозаменяемыми кольцами (Обозначает всегда после символа радиального зазора. например. NU215P63 NA). Сочетание P5 (размерная точность и точность хода в соответствии с классом допуска ISO 5 (лучше. чем P6)) и C1 (радиальный зазор и сниженный уровень вибрации). |
| NNU4936MB E44 CC1 P5 | Механически обработанный латунный сепаратор. клёпаный. центрируемый по внутреннему кольцу. Размерная и рабочая точность соответствует классу допуска ISO 5. Для невзаимозаменяемых цилиндрических роликоподшипников. Зазор менее СС2. Наружное кольцо с обработанной смазочной канавкой и отверстиями (только для двурядных). |
| NNU4936-S-M-SP-C2 | Канавка для смазки и три отверстия во внешнем кольце подшипника. Внутренний зазор подшипника меньше нормального. Латунный сепаратор. Центрированный по роликам. Точность размеров примерно соответствует классу точности Р5. биения — классу точности Р4. |
| NNU4936S.M.SP.C3 | Канавка для смазки и три отверстия во внешнем кольце подшипника. Внутренний зазор больше нормального. Латунный сепаратор. Центрированный по роликам. Точность размеров примерно соответствует классу точности Р5. биения — классу точности Р4. |
| NNU4936BM/P51 | Стандартная конструкция с латунным сепаратором двухконтактного типа. Механически обработанный латунный сепаратор. клёпаный. центрируемый по роликам. Сочетание P5 (размерная точность и точность хода в соответствии с классом допуска ISO 5 (лучше. чем P6)) и C1 (радиальный зазор и сниженный уровень вибрации). |
| NNU4936KM NA W33 P51 | Канавка для смазки и три отверстия во внешнем кольце подшипника. Нет особого значения для цилиндрического подшипника. Сочетание P5 (размерная точность и точность хода в соответствии с классом допуска ISO 5 (лучше. чем P6)) и C1 (радиальный зазор и сниженный уровень вибрации). Type Of Model. |
| NNU4936BK P4 W33 | Канавка для смазки и три отверстия во внешнем кольце подшипника. Класс точности Р4 по ISO (точнее. чем P5) - Abec.7. Игольчатый роликовый подшипник со штампованным наружным кольцом с закрытым торцом. |
| NNU4936MB | сепаратор из латуни. центрированный по внутреннему кольцу. |
| NNU4936 V | Бессепараторный подшипник. Двухрядный цилиндрический роликовый подшипник. |
| NNU4936K V | Коническое внутреннее отверстие. Бессепараторный подшипник. Двухрядный цилиндрический роликовый подшипник. |
| NNU4936K/W33 | Канавка для смазки и три отверстия во внешнем кольце подшипника. Коническое отверстие. Конусность 1/12. |
| NNU4936/W33 | Канавка для смазки и три отверстия во внешнем кольце подшипника. |
Модификации цилиндрического роликового подшипника NNU4936-S-K-M-SP — это измененное основное конструктивное исполнение NNU4936, основные размеры (180x250x69) не отличаются.
| Обозначение | Гост | Конструктивные особенности |
|---|---|---|
| SL01-4936 | ISO | Подшипник роликовый цилиндрический двухрядный. |
| NNCL4936V | ISO | Бессепараторный подшипник. |
| NNCL4836-VX | ISO | Подшипник без сепаратора. С полным комплектом тел качения. |
| NNC4936V | ISO | Бессепараторный подшипник. |
| SL18-4936BR A C3 | ISO | Внутренний зазор больше нормального. Особенность внутренней конструкции. Чёрный цвет. |
| NNCL4936CV | ISO | Внутренние изменения в конструкции. Полноразмерный цилиндрический роликоподшипник с модифицированной внутренней конструкцией. |
| NNC4936CV | ISO | Внутренние изменения в конструкции. Полноразмерный цилиндрический роликоподшипник с модифицированной внутренней конструкцией. |
| SL024836-A-C3 | ISO | Внутренний зазор больше нормального. Особенность внутренней конструкции. |
| SL024936-A-C2 | ISO | Радиальный внутренний зазор меньше нормального. Особенность внутренней конструкции. |
| SL024936-A-C3 | ISO | Внутренний зазор больше нормального. Особенность внутренней конструкции. |
| SL18-4936A | ISO | Особенность внутренней конструкции. |
| SL024936-BR-A-C3 | ISO | Внутренний зазор больше нормального. Особенность внутренней конструкции. Чёрный цвет. |
| NU4936P51 | ISO | Сочетание P5 (размерная точность и точность хода в соответствии с классом допуска ISO 5 (лучше. чем P6)) и C1 (радиальный зазор и сниженный уровень вибрации). |
| SL014936-A-C3 | ISO | Внутренний зазор больше нормального. Особенность внутренней конструкции. |
| SL024936-A-BR-C3 | ISO | Внутренний зазор больше нормального. Особенность внутренней конструкции. Чёрный цвет. |
| SL02-4936 | ISO | Подшипник роликовый цилиндрический двухрядный. |
| SL01-4936A | ISO | Особенность внутренней конструкции. |
| SL02-4936A | ISO | Особенность внутренней конструкции. |
| SL024836-A | ISO | Особенность внутренней конструкции. |
Аналог цилиндрического роликового подшипника NNU4936-S-K-M-SP — это подшипник такого же размера dx180,Dx250,Bx69, типа и конструкции.
| Обозначение | Конструктивные особенности | Внутренний (d) | Наружный (D) | Ширина (B) |
|---|---|---|---|---|
| 305455B | Подшипник шариковый двухрядный радиально-упорный. Внутренние изменения в конструкции. | 180.00 | 250.00 | 70.00 |
| NA4936 | Роликовый игольчатый подшипник. Изменения внутренней конструкции. Игольчатый роликовый подшипник с размерами по ISO 15. Канавка под стопорное кольцо на наружном кольце подшипника. | 180.00 | 250.00 | 69.00 |
| RS-4936E4 | Роликовый радиальный двухрядный подшипник. Канавка для смазки и три отверстия во внешнем кольце подшипника. | 180.00 | 250.00 | 69.00 |
| RSF-4936E4 | Роликовый радиальный двухрядный подшипник. Канавка для смазки и три отверстия во внешнем кольце подшипника. | 180.00 | 250.00 | 69.00 |
| NNCF 4936 CV | Роликовый радиальный цилиндрический двухрядный подшипник. Полноразмерный цилиндрический роликоподшипник с модифицированной внутренней конструкцией. | 180.00 | 250.00 | 69.00 |
| NN4936 | Роликовый радиальный двухрядный подшипник. Канавка под стопорное кольцо на наружном кольце подшипника. Двухрядный цилиндрический роликовый подшипник. | 180.00 | 250.00 | 69.00 |
| NN4936K | Роликовый радиальный двухрядный подшипник. Коническое внутреннее отверстие. Двухрядный цилиндрический роликовый подшипник. | 180.00 | 250.00 | 69.00 |
| NNU 4936 K/SPW33 | Роликовый радиальный двухрядный подшипник. Коническое отверстие. Конусность 1/12. | 180.00 | 250.00 | 69.00 |
| DC4936VW | Роликовый радиальный двухрядный подшипник. | 180.00 | 250.00 | 69.00 |
| RB4936 | Роликовый радиальный двухрядный подшипник. | 180.00 | 250.00 | 69.00 |
| RC4936 | Роликовый радиальный двухрядный подшипник. | 180.00 | 250.00 | 69.00 |
| 305288 DA | Шариковый радиально-упорный подшипник. Lubricant. MIL-L-6085A2. | 180.00 | 250.00 | 70.00 |
| DE3609 | Шариковый радиально-упорный двухрядный подшипник. | 180.00 | 250.00 | 70.00 |
| 6-4162936 | Роликовый радиальный двухрядный подшипник. | 180.00 | 250.00 | 69.00 |
| 742936/GNP4 | Шариковый упорный двухрядный подшипник. | 180.00 | 250.00 | 69.00 |
Способы доставки
Отправка через ведущие транспортные и курьерские компании: ПЭК, Деловые Линии, СДЭК, Байкал-Сервис, Энергия, КИТ, ЖелДорЭкспедиция.
Самовывоз возможен напрямую со склада в Москве.
Сроки доставки
Срок зависит от региона и выбранной транспортной компании. Все заказы комплектуются и отправляются в кратчайшие сроки со склада в Москве.
Надёжность и сохранность
Вся продукция упаковывается с учётом требований транспортировки. Мы гарантируем, что подшипники и комплектующие прибудут к заказчику в полной сохранности.
Доставка в страны ЕАЭС
Мы работаем с проверенными логистическими партнёрами, что позволяет оперативно доставлять заказы в Беларусь, Казахстан, Армению и другие страны ЕАЭС.
Варианты оплаты:
Минимальная сумма заказа и скидки:
Документы и гарантии:
Да, конечно! Наши технические специалисты готовы помочь вам с подбором точного аналога или замены подшипника. Просто позвоните нам по телефону +7 (495) 104-99-04 или напишите на почту zakaz@podsnab.ru.
Для оперативной консультации подготовьте, пожалуйста, имеющиеся данные: маркировку, размеры, тип оборудования или артикул старого подшипника.
Да, конечно! Мы высоко ценим долгосрочное сотрудничество и доверие клиентов по всей России. Для постоянных клиентов действует персональная система скидок.
Условия формируются индивидуально и зависят от:
Чтобы узнать свои условия и получить максимально выгодное предложение, свяжитесь с персональным менеджером или напишите нам на почту zakaz@podsnab.ru.
Вы можете оформить заказ несколькими способами:
Для оформления заказа от юридического лица свяжитесь с нашим отделом по работе с корпоративными клиентами по телефону +7 (495) 104-99-04 или напишите на email zakaz@podsnab.ru, прикрепив реквизиты вашей организации.
Мы оперативно подготовим коммерческое предложение и выставим счет.
Возврат товара надлежащего качества возможен в течение 10 дней с момента получения, если товар не был в употреблении, сохранен товарный вид, упаковка не вскрывалась и присутствуют все сопроводительные документы.
Возврат денежных средств осуществляется в течение 10 рабочих дней после проверки товара складом.
В соответствии с законодательством возврату не подлежат подшипники надлежащего качества, если отсутствует оригинальная упаковка или имеются следы монтажа.
В случае выявления брака или гарантийного случая мы гарантируем возврат или обмен товара.
Да, гарантийный срок хранения устанавливается заводом-изготовителем и в среднем составляет 2 года при соблюдении условий хранения: сухое помещение, оригинальная упаковка и смазка.
Точный срок для конкретного типа подшипника уточняйте у наших менеджеров.
Пн–Пт: с 8:00 до 17:00 (МСК).
Сб–Вс: выходные дни.
Заказы на сайте принимаются круглосуточно. Заявки, поступившие после окончания рабочего дня, обрабатываются на следующий рабочий день.
Минимальная сумма заказа для доставки составляет 3000 рублей. Самовывоз со склада возможен на любую сумму при наличии товара.
ООО «УралТехГрупп»
ИНН: 7415093830
КПП: 772401001
ОГРН: 1167456069021
Банк: ПАО Сбербанк
Р/с: 40702810838000475273
К/с: 30101810400000000225
БИК: 044525225
У подшипника NNU4936-S-K-M-SP пока нет отзывов. Вы можете стать первым покупателем, поделившимся своим мнением.