Поиск подшипника
Статьи
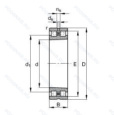
NN3088ASK.M.SP — Подшипник роликовый цилиндрический двухрядный, модификация основного исполнения NN3088, выпускается производителями: FAG, INA.
Размер подшипника: 440x650x157 мм.
Двухрядный цилиндрический роликоподшипник, подшипник супер точный, канавка для смазки и три отверстия во внешнем кольце подшипника, коническое отверстие. конус 1/12, цилиндрические роликоподшипники. взаимозаменяемые детали, латунный сепаратор. центрированный по роликам.
Международная стандартизации ISO
NN3088ASKMSP
В наличии
| Обозначение | Конструктивные изменения |
|---|---|
| NN3088K CC1 P4 | Коническое отверстие. конус 1/12. Точность размеров и хода по классу точности 4 по ISO (более точная. чем P5) - Abec7. Для невзаимозаменяемых цилиндрических роликоподшипников. Зазор менее СС2. |
| NN3088KC1NAP4 | Подшипник роликовый цилиндрический двухрядный. |
| NN3088C1NAP4 | Подшипник роликовый цилиндрический двухрядный. |
| NN3088 | Канавка под стопорное кольцо на наружном кольце подшипника. Двухрядный цилиндрический роликовый подшипник. Основное конструктивное исполнение. |
| NN3088K | Коническое внутреннее отверстие. Двухрядный цилиндрический роликовый подшипник. |
Модификации цилиндрического роликового подшипника NN3088ASK.M.SP — это измененное основное конструктивное исполнение NN3088, основные размеры (440x650x157) не отличаются.
| Обозначение | Гост | Конструктивные особенности |
|---|---|---|
| NN3008T KR CC1 P5 | ISO | Нейлоновый сепаратор, армированный стекловолокном. Размерная и рабочая точность соответствует классу допуска ISO 5. Коническое отверстие. Для невзаимозаменяемых цилиндрических роликоподшипников. Зазор менее СС2. |
Аналог цилиндрического роликового подшипника NN3088ASK.M.SP — это подшипник такого же размера dx440,Dx650,Bx157, типа и конструкции.
| Обозначение | Конструктивные особенности | Внутренний (d) | Наружный (D) | Ширина (B) |
|---|---|---|---|---|
| 23088-K-MB-W33 | Роликовый радиальный сферический двухрядный подшипник. Канавка для смазки и три отверстия во внешнем кольце подшипника. Коническое отверстие. Конусность 1/12. сепаратор из латуни. центрированный по внутреннему кольцу. | 440.00 | 650.00 | 157.00 |
| 23088-K-MB-W33+OH3088-H | Роликовый радиальный сферический двухрядный подшипник. Канавка для смазки и три отверстия во внешнем кольце подшипника. Коническое отверстие. Конусность 1/12. сепаратор из латуни. центрированный по внутреннему кольцу. Pressed Snap-Type Steel Cage. Hardened. | 440.00 | 650.00 | 157.00 |
| 23088-K-MB-W33+AHX3088 | Роликовый радиальный сферический двухрядный подшипник. Канавка для смазки и три отверстия во внешнем кольце подшипника. Коническое отверстие. Конусность 1/12. сепаратор из латуни. центрированный по внутреннему кольцу. | 440.00 | 650.00 | 157.00 |
| 23088B | Роликовый радиальный сферический двухрядный подшипник. Конический роликовый подшипник. Угол контакта 20 градусов. | 440.00 | 650.00 | 157.00 |
| 23088BK | Роликовый радиальный сферический двухрядный подшипник. Игольчатый роликовый подшипник со штампованным наружным кольцом с закрытым торцом. | 440.00 | 650.00 | 157.00 |
| 23088YMB | Роликовый радиальный сферический двухрядный подшипник. Бронзовый цельный сепаратор пальцевого типа. | 440.00 | 650.00 | 157.00 |
| 23088 KCW33+H3088 | Роликовый радиальный сферический двухрядный подшипник. Кольцевая канавка и три отверстия для смазывания в наружном кольце подшипника. Коническое внутреннее отверстие. | 440.00 | 650.00 | 157.00 |
| 23088 KCW33+AH3088 | Роликовый радиальный сферический двухрядный подшипник. Кольцевая канавка и три отверстия для смазывания в наружном кольце подшипника. Коническое внутреннее отверстие. | 440.00 | 650.00 | 157.00 |
| 23088-K-MB+H3088 | Роликовый радиальный сферический двухрядный подшипник. Коническое отверстие. Конусность 1/12. сепаратор из латуни. центрированный по внутреннему кольцу. | 440.00 | 650.00 | 157.00 |
| 23088-K-MB+AHX3088G | Роликовый радиальный сферический двухрядный подшипник. Коническое отверстие. Конусность 1/12. сепаратор из латуни. центрированный по внутреннему кольцу. | 440.00 | 650.00 | 157.00 |
| 23088-E1A-MB1 | Роликовый радиальный сферический двухрядный подшипник. Латунный сепаратор. массивный. | 440.00 | 650.00 | 157.00 |
| NCF 3088 CV | Роликовый радиальный цилиндрический однорядный подшипник. Полноразмерный цилиндрический роликоподшипник с модифицированной внутренней конструкцией. Однорядный без сепараторный цилиндрический роликовый подшипник. | 440.00 | 650.00 | 157.00 |
| Z-565677.ZL-K-C5 | Роликовый радиальный подшипник. Коническое отверстие. Конусность 1/12. Внутренний зазор подшипника больше. чем С4. Цилиндрический роликовый подшипник. | 440.00 | 650.00 | 157.00 |
| 23088E | Роликовый радиальный сферический двухрядный подшипник. Повышенная грузоподъемность. | 440.00 | 650.00 | 157.00 |
| 23088EK | Роликовый радиальный сферический двухрядный подшипник. | 440.00 | 650.00 | 157.00 |
Способы доставки
Отправка через ведущие транспортные и курьерские компании: ПЭК, Деловые Линии, СДЭК, Байкал-Сервис, Энергия, КИТ, ЖелДорЭкспедиция.
Самовывоз возможен напрямую со склада в Москве.
Сроки доставки
Срок зависит от региона и выбранной транспортной компании. Все заказы комплектуются и отправляются в кратчайшие сроки со склада в Москве.
Надёжность и сохранность
Вся продукция упаковывается с учётом требований транспортировки. Мы гарантируем, что подшипники и комплектующие прибудут к заказчику в полной сохранности.
Доставка в страны ЕАЭС
Мы работаем с проверенными логистическими партнёрами, что позволяет оперативно доставлять заказы в Беларусь, Казахстан, Армению и другие страны ЕАЭС.
Варианты оплаты:
Минимальная сумма заказа и скидки:
Документы и гарантии:
Да, конечно! Наши технические специалисты готовы помочь вам с подбором точного аналога или замены подшипника. Просто позвоните нам по телефону +7 (495) 104-99-04 или напишите на почту zakaz@podsnab.ru.
Для оперативной консультации подготовьте, пожалуйста, имеющиеся данные: маркировку, размеры, тип оборудования или артикул старого подшипника.
Да, конечно! Мы высоко ценим долгосрочное сотрудничество и доверие клиентов по всей России. Для постоянных клиентов действует персональная система скидок.
Условия формируются индивидуально и зависят от:
Чтобы узнать свои условия и получить максимально выгодное предложение, свяжитесь с персональным менеджером или напишите нам на почту zakaz@podsnab.ru.
Вы можете оформить заказ несколькими способами:
Для оформления заказа от юридического лица свяжитесь с нашим отделом по работе с корпоративными клиентами по телефону +7 (495) 104-99-04 или напишите на email zakaz@podsnab.ru, прикрепив реквизиты вашей организации.
Мы оперативно подготовим коммерческое предложение и выставим счет.
Возврат товара надлежащего качества возможен в течение 10 дней с момента получения, если товар не был в употреблении, сохранен товарный вид, упаковка не вскрывалась и присутствуют все сопроводительные документы.
Возврат денежных средств осуществляется в течение 10 рабочих дней после проверки товара складом.
В соответствии с законодательством возврату не подлежат подшипники надлежащего качества, если отсутствует оригинальная упаковка или имеются следы монтажа.
В случае выявления брака или гарантийного случая мы гарантируем возврат или обмен товара.
Да, гарантийный срок хранения устанавливается заводом-изготовителем и в среднем составляет 2 года при соблюдении условий хранения: сухое помещение, оригинальная упаковка и смазка.
Точный срок для конкретного типа подшипника уточняйте у наших менеджеров.
Пн–Пт: с 8:00 до 17:00 (МСК).
Сб–Вс: выходные дни.
Заказы на сайте принимаются круглосуточно. Заявки, поступившие после окончания рабочего дня, обрабатываются на следующий рабочий день.
Минимальная сумма заказа для доставки составляет 3000 рублей. Самовывоз со склада возможен на любую сумму при наличии товара.
ООО «УралТехГрупп»
ИНН: 7415093830
КПП: 772401001
ОГРН: 1167456069021
Банк: ПАО Сбербанк
Р/с: 40702810838000475273
К/с: 30101810400000000225
БИК: 044525225
У подшипника NN3088ASK.M.SP пока нет отзывов. Вы можете стать первым покупателем, поделившимся своим мнением.