Поиск подшипника
Статьи
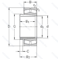
23088-K-MB-W33+AHX3088 — Роликовый радиальный сферический двухрядный подшипник, модификация основного исполнения 23088, производство NKE.
Размер подшипника: 440x650x157 мм.
Канавка для смазки и три отверстия во внешнем кольце подшипника, сепаратор из латуни. центрированный по внутреннему кольцу, коническое отверстие. конусность 1/12.
Международная стандартизации ISO
23088KMBW33AHX3088
В наличии
| Обозначение | Конструктивные изменения |
|---|---|
| 23088CA/W33VQ424 | Канавка для смазки и три отверстия во внешнем кольце подшипника. Цельный обработанный латунный сепаратор. Двухрядный. Удерживающие фланцы на внутреннем кольце и центрированное направляющее кольцо на внутреннем кольце. Точность работы лучше. чем у C08. |
| 23088CA C3 W33 S1 | Внутренний зазор больше нормального. Канавка для смазки и три отверстия во внешнем кольце подшипника. Сепаратор из латуни с механической обработкой. Стабильность размеров при рабочих температурах до +200°C. |
| 23088CA W33 S1 | Канавка для смазки и три отверстия во внешнем кольце подшипника. Сепаратор из латуни с механической обработкой. Стабильность размеров при рабочих температурах до +200°C. |
| 23088CAK C3 W33 S1 | Внутренний зазор больше нормального. Канавка для смазки и три отверстия во внешнем кольце подшипника. Сепаратор из латуни с механической обработкой. Коническое отверстие. Конусность 1/12. Стабильность размеров при рабочих температурах до +200°C. |
| 23088CA/W33VE194 | Канавка для смазки и три отверстия во внешнем кольце подшипника. Цельный обработанный латунный сепаратор. Двухрядный. Удерживающие фланцы на внутреннем кольце и центрированное направляющее кольцо на внутреннем кольце. Bearing With Grooves On The Ends Of The Outer Ring For Averting Turning In Housings. |
| 23088CAMK E4 C3 | Внутренний зазор больше нормального. Коническое отверстие. конус 1/12. Канавка для смазки и три отверстия во внешнем кольце подшипника. Плавающее направляющее кольцо. Массивный латунный сепаратор. |
| 23088K W33 | Канавка для смазки и три отверстия во внешнем кольце подшипника. Коническое отверстие. конус 1/12. |
| 23088 K | Коническое отверстие. Конусность 1/12. |
| 23088W33 | Кольцевая канавка и три отверстия для смазывания в наружном кольце подшипника. |
| 23088R | С выпуклыми асимметричными роликами и обработанным сепаратором. |
| 23088RHA | With Convex Symmetric Rollers And One-Piece Machined Cage. |
| 23088-K-MB-W33 | Канавка для смазки и три отверстия во внешнем кольце подшипника. Коническое отверстие. Конусность 1/12. сепаратор из латуни. центрированный по внутреннему кольцу. |
| 23088-K-MB-W33+OH3088-H | Канавка для смазки и три отверстия во внешнем кольце подшипника. Коническое отверстие. Конусность 1/12. сепаратор из латуни. центрированный по внутреннему кольцу. Pressed Snap-Type Steel Cage. Hardened. |
| 23088B | Конический роликовый подшипник. Угол контакта 20 градусов. |
| 23088BK | Игольчатый роликовый подшипник со штампованным наружным кольцом с закрытым торцом. |
| 23088YMB | Бронзовый цельный сепаратор пальцевого типа. |
| 23088 KCW33+H3088 | Кольцевая канавка и три отверстия для смазывания в наружном кольце подшипника. Коническое внутреннее отверстие. |
| 23088 KCW33+AH3088 | Кольцевая канавка и три отверстия для смазывания в наружном кольце подшипника. Коническое внутреннее отверстие. |
| 23088-K-MB+H3088 | Коническое отверстие. Конусность 1/12. сепаратор из латуни. центрированный по внутреннему кольцу. |
| 23088-K-MB + AHX3088G-H | Коническое отверстие. Конусность 1/12. сепаратор из латуни. центрированный по внутреннему кольцу. Pressed Snap-Type Steel Cage. Hardened. |
| 23088-K-MB + H3088-HG | Класс допуска (FAG) для подшипников шпинделя (аналог P2). Коническое отверстие. Конусность 1/12. сепаратор из латуни. центрированный по внутреннему кольцу. |
| 23088-K-MB+AHX3088G | Коническое отверстие. Конусность 1/12. сепаратор из латуни. центрированный по внутреннему кольцу. |
| 23088-E1A-MB1 | Латунный сепаратор. массивный. |
| 23088E | Повышенная грузоподъемность. |
| 23088EK | Роликовый радиальный сферический двухрядный подшипник. |
Модификации сферического роликового подшипника 23088-K-MB-W33+AHX3088 — это измененное основное конструктивное исполнение 23088, основные размеры (440x650x157) не отличаются.
| Обозначение | Конструктивные особенности | Внутренний (d) | Наружный (D) | Ширина (B) |
|---|---|---|---|---|
| NN3088ASK.M.SP | Подшипник роликовый цилиндрический двухрядный. Канавка для смазки и три отверстия во внешнем кольце подшипника. Коническое отверстие. конус 1/12. Цилиндрические роликоподшипники. Взаимозаменяемые детали. Латунный сепаратор. Центрированный по роликам. Подшипник супер точный. | 440.00 | 650.00 | 157.00 |
| SL183088-TB-BR-C3 | Однорядный цилиндрический роликовый подшипник. Внутренний зазор больше нормального. Чёрный цвет. Подшипник с увеличенной осевой груподъемностью. | 440.00 | 650.00 | 157.00 |
| NN3088K CC1 P4 | Подшипник роликовый цилиндрический двухрядный. Коническое отверстие. конус 1/12. Точность размеров и хода по классу точности 4 по ISO (более точная. чем P5) - Abec7. Для невзаимозаменяемых цилиндрических роликоподшипников. Зазор менее СС2. | 440.00 | 650.00 | 157.00 |
| C3088MB | Тороидальный роликовый подшипник CARB. Тороидальный подшипник CARB. Латунный сепаратор из двух частей. Внутреннее кольцо центрировано. | 440.00 | 650.00 | 157.00 |
| C3088KMB | Тороидальный роликовый подшипник CARB. Тороидальный подшипник CARB. Коническое отверстие. конус 1/12. Латунный сепаратор из двух частей. Внутреннее кольцо центрировано. | 440.00 | 650.00 | 157.00 |
| SL183088-A-BR-C3 | Однорядный цилиндрический роликовый подшипник. Внутренний зазор больше нормального. Особенность внутренней конструкции. Чёрный цвет. | 440.00 | 650.00 | 157.00 |
| NU3088-K-M1A-C5 | Однорядный цилиндрический роликовый подшипник. Коническое отверстие. конус 1/12. Внутренний зазор подшипника больше. чем С4. Массивный латунный сепаратор. двухтельный. центрированный по бортам. | 440.00 | 650.00 | 157.00 |
| NU3088-M1 | Однорядный цилиндрический роликовый подшипник. Механически обработанный латунный сепаратор. вращающийся элемент качения (крестовина на заклепках). | 440.00 | 650.00 | 157.00 |
| 3003188-Н | Роликовый радиальный двухрядный подшипник. Детали из теплостойкой стали. | 440.00 | 650.00 | 157.00 |
| 3053188Н | Роликовый радиальный двухрядный подшипник. Детали из теплостойкой стали. | 440.00 | 650.00 | 157.00 |
| 3153188Н | Роликовый радиальный двухрядный подшипник. Детали из теплостойкой стали. | 440.00 | 650.00 | 157.00 |
| NCF 3088 CV | Роликовый радиальный цилиндрический однорядный подшипник. Полноразмерный цилиндрический роликоподшипник с модифицированной внутренней конструкцией. Однорядный без сепараторный цилиндрический роликовый подшипник. | 440.00 | 650.00 | 157.00 |
| NN3088 | Роликовый радиальный цилиндрический двухрядный подшипник. Канавка под стопорное кольцо на наружном кольце подшипника. Двухрядный цилиндрический роликовый подшипник. | 440.00 | 650.00 | 157.00 |
| NN3088K | Роликовый радиальный цилиндрический двухрядный подшипник. Коническое внутреннее отверстие. Двухрядный цилиндрический роликовый подшипник. | 440.00 | 650.00 | 157.00 |
| Z-565677.ZL-K-C5 | Роликовый радиальный подшипник. Коническое отверстие. Конусность 1/12. Внутренний зазор подшипника больше. чем С4. Цилиндрический роликовый подшипник. | 440.00 | 650.00 | 157.00 |
Способы доставки
Отправка через ведущие транспортные и курьерские компании: ПЭК, Деловые Линии, СДЭК, Байкал-Сервис, Энергия, КИТ, ЖелДорЭкспедиция.
Самовывоз возможен напрямую со склада в Москве.
Сроки доставки
Срок зависит от региона и выбранной транспортной компании. Все заказы комплектуются и отправляются в кратчайшие сроки со склада в Москве.
Надёжность и сохранность
Вся продукция упаковывается с учётом требований транспортировки. Мы гарантируем, что подшипники и комплектующие прибудут к заказчику в полной сохранности.
Доставка в страны ЕАЭС
Мы работаем с проверенными логистическими партнёрами, что позволяет оперативно доставлять заказы в Беларусь, Казахстан, Армению и другие страны ЕАЭС.
Варианты оплаты:
Минимальная сумма заказа и скидки:
Документы и гарантии:
Да, конечно! Наши технические специалисты готовы помочь вам с подбором точного аналога или замены подшипника. Просто позвоните нам по телефону +7 (495) 104-99-04 или напишите на почту zakaz@podsnab.ru.
Для оперативной консультации подготовьте, пожалуйста, имеющиеся данные: маркировку, размеры, тип оборудования или артикул старого подшипника.
Да, конечно! Мы высоко ценим долгосрочное сотрудничество и доверие клиентов по всей России. Для постоянных клиентов действует персональная система скидок.
Условия формируются индивидуально и зависят от:
Чтобы узнать свои условия и получить максимально выгодное предложение, свяжитесь с персональным менеджером или напишите нам на почту zakaz@podsnab.ru.
Вы можете оформить заказ несколькими способами:
Для оформления заказа от юридического лица свяжитесь с нашим отделом по работе с корпоративными клиентами по телефону +7 (495) 104-99-04 или напишите на email zakaz@podsnab.ru, прикрепив реквизиты вашей организации.
Мы оперативно подготовим коммерческое предложение и выставим счет.
Возврат товара надлежащего качества возможен в течение 10 дней с момента получения, если товар не был в употреблении, сохранен товарный вид, упаковка не вскрывалась и присутствуют все сопроводительные документы.
Возврат денежных средств осуществляется в течение 10 рабочих дней после проверки товара складом.
В соответствии с законодательством возврату не подлежат подшипники надлежащего качества, если отсутствует оригинальная упаковка или имеются следы монтажа.
В случае выявления брака или гарантийного случая мы гарантируем возврат или обмен товара.
Да, гарантийный срок хранения устанавливается заводом-изготовителем и в среднем составляет 2 года при соблюдении условий хранения: сухое помещение, оригинальная упаковка и смазка.
Точный срок для конкретного типа подшипника уточняйте у наших менеджеров.
Пн–Пт: с 8:00 до 17:00 (МСК).
Сб–Вс: выходные дни.
Заказы на сайте принимаются круглосуточно. Заявки, поступившие после окончания рабочего дня, обрабатываются на следующий рабочий день.
Минимальная сумма заказа для доставки составляет 3000 рублей. Самовывоз со склада возможен на любую сумму при наличии товара.
ООО «УралТехГрупп»
ИНН: 7415093830
КПП: 772401001
ОГРН: 1167456069021
Банк: ПАО Сбербанк
Р/с: 40702810838000475273
К/с: 30101810400000000225
БИК: 044525225
У подшипника 23088-K-MB-W33+AHX3088 пока нет отзывов. Вы можете стать первым покупателем, поделившимся своим мнением.