Поиск подшипника
Статьи
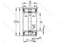
SL04-5005PP — Подшипник роликовый цилиндрический двухрядный, модификация основного исполнения SL045005, выпускается производителями: INA, NEUTRAL, Подшипники NBS.
Размер подшипника: 25x47x30 мм.
Тип: Узкое внутреннее кольцо, легкая нагрузка, корпус из штампованной стали, установочный винт.
Альтернативное обозначение: NNF5005-2LSV.
Аналоги: SL045005-PP INA.
Международная стандартизации ISO
SL045005PP
В наличии
| Обозначение | Конструктивные изменения |
|---|---|
| SL045005PP-2NR | Уплотнения на каждой стороне подшипника. Supplied With Two Loose-Packed Retaining Rings WRE. |
| SL045005-2Z | Защитные металлические шайбы с обеих сторон. |
| SL045005-PP-C3 | Внутренний зазор больше нормального. Манжетные уплотнения с обеих сторон подшипника. |
| SL045005-C4 | Внутренний зазор подшипника больше. чем C3. |
| SL045005-PP-RR | Манжетные уплотнения с обеих сторон подшипника. Защищен от коррозии специальным покрытием Corrotect®.. |
| SL04-5005PPX | Подшипники и детали подшипников. наружный диаметр которых был скорректирован в соответствии с международными стандартами. Этот суффикс будет использоваться только в течение некоторого времени. (См. INA-каталог № 307 - январь 1999 г.). Манжетные уплотнения с обеих сторон подшипника. |
| SL045005-S3 | Кольца или шайбы подшипников, стабилизированные по размерам для использования при рабочих температурах до +300°C (572°F). |
| SL045005-S3-R200-250 | Кольца или шайбы подшипников, стабилизированные по размерам для использования при рабочих температурах до +300°C (572°F). Radial Clearance In μm. |
| SL04-5005 | Подшипник роликовый цилиндрический двухрядный. |
| SL045005-C3 | Внутренний зазор больше нормального. |
| SL045005-PP-2NR-C3 | Внутренний зазор больше нормального. Манжетные уплотнения с обеих сторон подшипника. Supplied With Two Loose-Packed Retaining Rings WRE. |
Модификации цилиндрического роликового подшипника SL04-5005PP — это измененное основное конструктивное исполнение SL045005, основные размеры (25x47x30) не отличаются.
| Обозначение | Гост | Конструктивные особенности |
|---|---|---|
| NNF5005A 2LS V | ISO | Двухрядный радиально-упорный шарикоподшипник без отверстия для смазки. Контактное уплотнение с обеих сторон подшипника. Подшипник без сепаратора. С полным комплектом тел качения. |
| NNF5005.2LS.V.2NR | ISO | Контактное уплотнение с обеих сторон подшипника. Подшипник без сепаратора. С полным комплектом тел качения. Supplied With Two Loose-Packed Retaining Rings WRE. |
| NNF5005ADA-2LS | ISO | Контактное уплотнение с обеих сторон подшипника. Широкие канавки для стопорных колец на внешнем кольце. Внутреннее кольцо из двух частей. удерживаемое вместе стопорным кольцом. |
| NNF5005ADB-2LSV | ISO | Контактное уплотнение из полиуретана (AU) с обеих сторон подшипника. Полный комплект роликов (без сепаратора). Modified Snap Ring Grooves In The Outer Ring_ Two-Piece Inner Ring Held Together By A Retaining Ring. |
| NNCF5005CV | ISO | Внутренние изменения в конструкции. Полноразмерный цилиндрический роликоподшипник с модифицированной внутренней конструкцией. |
| NNF5005ADA-2LSV | ISO | Контактное уплотнение из полиуретана (AU) с обеих сторон подшипника. Полный комплект роликов (без сепаратора). Широкие канавки для стопорных колец на внешнем кольце. Внутреннее кольцо из двух частей. удерживаемое вместе стопорным кольцом. |
| NNF5005B.2LS.V | ISO | Внутренние изменения в конструкции. Контактное уплотнение с обеих сторон подшипника. Подшипник без сепаратора. С полным комплектом тел качения. |
| NNF5005 2LS | ISO | Контактное уплотнение с обеих сторон подшипника. |
| SL18-5005A C3 | ISO | Внутренний зазор больше нормального. Особенность внутренней конструкции. |
| SL18-5005A | ISO | Особенность внутренней конструкции. |
Аналог цилиндрического роликового подшипника SL04-5005PP — это подшипник такого же размера dx25,Dx47,Bx30, типа и конструкции.
| Обозначение | Конструктивные особенности | Внутренний (d) | Наружный (D) | Ширина (B) |
|---|---|---|---|---|
| GIKR25PB | Сферический шарнирный подшипник. Поверхность скользящего контакта сталь/бронза, соответствует ISO 12 240-1, размер серии K, для валов от 5 мм до 30 мм.. | 25.00 | 60.00 | 31.00 |
| GIKR25PW | Сферический шарнирный подшипник. Скользящая контактная поверхность сталь/PTFE (политетрафторэтилен) Бронзовая пленка.. | 25.00 | 60.00 | 31.00 |
| GAKR25PW | Сферический шарнирный подшипник. Контактная поверхность скольжения Сталь/PTFE. | 25.00 | 60.00 | 31.00 |
| 1623-214-10 | Линейный шариковый подшипник. Distance Between Beginning Of The Rail And First Hole In MM. 7/8. | 25.00 | 48.00 | 29.50 |
| GAKFR25PW | Сферический шарнирный подшипник. Скользящая контактная поверхность сталь/PTFE (политетрафторэтилен) Бронзовая пленка.. | 25.00 | 60.00 | 31.00 |
| GAKFL25PW | Сферический шарнирный подшипник. Контактная поверхность скольжения Сталь/PTFE. | 25.00 | 60.00 | 31.00 |
| K24X47X30ZW | Роликовый игольчатый подшипник. Двухрядный игольчатый ролик и сепаратор в сборе. | 24.00 | 47.00 | 30.00 |
| NA22025R6 | Роликовый игольчатый подшипник. Выпуклая внутренняя кольцевая дорожка. | 25.00 | 47.00 | 30.00 |
| G25D | Сферический подшипник скольжения. Сталь/PTFE. | 25.00 | 47.00 | 31.00 |
| L25/47RS | Подшипник шариковый двухрядный радиально-упорный. Lip Seal At One Side Of The Bearing. Axial Fitting. | 25.00 | 47.00 | 30.00 |
| NNCF5005-V | Роликовый радиальный цилиндрический двухрядный подшипник. Бессепараторный подшипник. | 25.00 | 47.00 | 30.00 |
| NNF5005 V | Роликовый радиальный двухрядный подшипник. Бессепараторный подшипник. | 25.00 | 47.00 | 30.00 |
| 4-416105 Е | Шариковый радиально-упорный подшипник. Сепаратор из текстолита.. | 25.00 | 47.00 | 30.00 |
| GEBJ25C | Шарнирный подшипник. 15° Угол контакта. | 25.00 | 47.00 | 31.00 |
| GEBJ25S | Шарнирный подшипник. Запечатанная версия кулачкового ролика. | 25.00 | 47.00 | 31.00 |
Способы доставки
Отправка через ведущие транспортные и курьерские компании: ПЭК, Деловые Линии, СДЭК, Байкал-Сервис, Энергия, КИТ, ЖелДорЭкспедиция.
Самовывоз возможен напрямую со склада в Москве.
Сроки доставки
Срок зависит от региона и выбранной транспортной компании. Все заказы комплектуются и отправляются в кратчайшие сроки со склада в Москве.
Надёжность и сохранность
Вся продукция упаковывается с учётом требований транспортировки. Мы гарантируем, что подшипники и комплектующие прибудут к заказчику в полной сохранности.
Доставка в страны ЕАЭС
Мы работаем с проверенными логистическими партнёрами, что позволяет оперативно доставлять заказы в Беларусь, Казахстан, Армению и другие страны ЕАЭС.
Варианты оплаты:
Минимальная сумма заказа и скидки:
Документы и гарантии:
Да, конечно! Наши технические специалисты готовы помочь вам с подбором точного аналога или замены подшипника. Просто позвоните нам по телефону +7 (495) 104-99-04 или напишите на почту zakaz@podsnab.ru.
Для оперативной консультации подготовьте, пожалуйста, имеющиеся данные: маркировку, размеры, тип оборудования или артикул старого подшипника.
Да, конечно! Мы высоко ценим долгосрочное сотрудничество и доверие клиентов по всей России. Для постоянных клиентов действует персональная система скидок.
Условия формируются индивидуально и зависят от:
Чтобы узнать свои условия и получить максимально выгодное предложение, свяжитесь с персональным менеджером или напишите нам на почту zakaz@podsnab.ru.
Вы можете оформить заказ несколькими способами:
Для оформления заказа от юридического лица свяжитесь с нашим отделом по работе с корпоративными клиентами по телефону +7 (495) 104-99-04 или напишите на email zakaz@podsnab.ru, прикрепив реквизиты вашей организации.
Мы оперативно подготовим коммерческое предложение и выставим счет.
Возврат товара надлежащего качества возможен в течение 10 дней с момента получения, если товар не был в употреблении, сохранен товарный вид, упаковка не вскрывалась и присутствуют все сопроводительные документы.
Возврат денежных средств осуществляется в течение 10 рабочих дней после проверки товара складом.
В соответствии с законодательством возврату не подлежат подшипники надлежащего качества, если отсутствует оригинальная упаковка или имеются следы монтажа.
В случае выявления брака или гарантийного случая мы гарантируем возврат или обмен товара.
Да, гарантийный срок хранения устанавливается заводом-изготовителем и в среднем составляет 2 года при соблюдении условий хранения: сухое помещение, оригинальная упаковка и смазка.
Точный срок для конкретного типа подшипника уточняйте у наших менеджеров.
Пн–Пт: с 8:00 до 17:00 (МСК).
Сб–Вс: выходные дни.
Заказы на сайте принимаются круглосуточно. Заявки, поступившие после окончания рабочего дня, обрабатываются на следующий рабочий день.
Минимальная сумма заказа для доставки составляет 3000 рублей. Самовывоз со склада возможен на любую сумму при наличии товара.
ООО «УралТехГрупп»
ИНН: 7415093830
КПП: 772401001
ОГРН: 1167456069021
Банк: ПАО Сбербанк
Р/с: 40702810838000475273
К/с: 30101810400000000225
БИК: 044525225
У подшипника SL04-5005PP пока нет отзывов. Вы можете стать первым покупателем, поделившимся своим мнением.