Поиск подшипника
Статьи
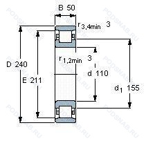
N322ECP/C3 — Однорядный цилиндрический роликовый подшипник, модификация основного исполнения N322, производство SKF.
Размер подшипника: 110x240x50 мм.
Однорядный цилиндрический роликоподшипник. Внутреннее кольцо подшипника имеет два борта, наружное — без бортов, внутренний зазор больше нормального, оптимизированная внутренняя конструкция предусматривает увеличенное количество роликов и/или ролики большего размера с улучшенными условиями контакта торцов роликов с бортами внутреннего кольца, сепаратор из стеклонаполненного полиамида pa66. центрируемый по роликам.
Международная стандартизации ISO
N322ECPC3
В наличии
| Обозначение | Конструктивные изменения |
|---|---|
| N322 | Канавка под стопорное кольцо на наружном кольце подшипника. Основное конструктивное исполнение. |
| N322C3 | Внутренний зазор больше нормального. |
| N322ECJ | Два стальных сепаратора оконного типа. внутреннее кольцо без фланца. направляющее кольцо с усиленным роликом. |
| N322M | Подшипник с латунным сепаратором. центрированный по телам качения. |
| N322M C3 | Внутренний зазор больше нормального. Подшипник с латунным сепаратором. центрированный по телам качения. |
| N322E.M1.C4 | Внутренний зазор подшипника больше. чем C3. Повышенная грузоподъемность. Механически обработанный латунный сепаратор. вращающийся элемент качения (крестовина на заклепках). |
| N322-E-XL-M1 | Повышенная грузоподъемность. Серия X-Life премиум-класс. увеличиный срок службы. Механически обработанный латунный сепаратор. вращающийся элемент качения (крестовина на заклепках). |
| N322W C3 | Внутренний зазор больше нормального. Цельный прессованный сепаратор. |
| N322MB C3 | Внутренний зазор больше нормального. Механически обработанный латунный сепаратор. клёпаный. центрируемый по внутреннему кольцу. |
| N322-E-XL-M1-C3 | Внутренний зазор больше нормального. Повышенная грузоподъемность. Серия X-Life премиум-класс. увеличиный срок службы. Механически обработанный латунный сепаратор. вращающийся элемент качения (крестовина на заклепках). |
| N322EM C3 | Внутренний зазор больше нормального. Стандартный фланцевый ( с резьбой и сквозным отверстием). |
| N322-E-M1-C3 | Внутренний зазор больше нормального. Повышенная грузоподъемность. Механически обработанный латунный сепаратор. вращающийся элемент качения (крестовина на заклепках). |
| N322ECM | Механически обработанный латунный сепаратор. клёпаный. центрируемый по роликам. Оптимизированная внутренняя конструкция предусматривает увеличенное количество роликов и/или ролики большего размера с улучшенными условиями контакта торцов роликов с бортами внутреннего кольца. Однорядный цилиндрический роликовый подшипник. |
| N322-E-M1 | Повышенная грузоподъемность. Механически обработанный латунный сепаратор. вращающийся элемент качения (крестовина на заклепках). |
| N322ECP | Оптимизированная внутренняя конструкция предусматривает увеличенное количество роликов и/или ролики большего размера с улучшенными условиями контакта торцов роликов с бортами внутреннего кольца. Сепаратор из стеклонаполненного полиамида PA66. центрируемый по роликам. Однорядный цилиндрический роликовый подшипник. |
| N322-E-M1B-C4 | Внутренний зазор подшипника больше. чем C3. Повышенная грузоподъемность. Solid Brass Cage. Two-Piece. Rib-Guided On Inner Ring. |
| N322G1 C3 | Внутренний зазор больше нормального. Обработанный латунный сепаратор для цилиндрических роликоподшипников. |
| N322-E-XL-M1B-C4 | Внутренний зазор подшипника больше. чем C3. Повышенная грузоподъемность. Серия X-Life премиум-класс. увеличиный срок службы. Solid Brass Cage. Two-Piece. Rib-Guided On Inner Ring. |
| N322EM J30 | Внутренний зазор больше нормального. Стандартный фланцевый ( с резьбой и сквозным отверстием). |
| N322ECMC3 | Внутренний зазор больше нормального. Механически обработанный латунный сепаратор. клёпаный. центрируемый по роликам. Оптимизированная внутренняя конструкция предусматривает увеличенное количество роликов и/или ролики большего размера с улучшенными условиями контакта торцов роликов с бортами внутреннего кольца. |
| N322EM | Стандартный фланцевый ( с резьбой и сквозным отверстием). |
| N322E | Повышенная грузоподъемность. |
| N322-E-M6 | Повышенная грузоподъемность. 20-28 UM (C3 & C4). |
Модификации цилиндрического роликового подшипника N322ECP/C3 — это измененное основное конструктивное исполнение N322, основные размеры (110x240x50) не отличаются.
| Обозначение | Гост | Конструктивные особенности |
|---|---|---|
| NF322G1 | ISO | Обработанный латунный сепаратор для цилиндрических роликоподшипников. |
| NU322CM | ISO | Специальный радиальный внутренний зазор для электродвигателей. |
| NJ322M | ISO | Механически обработанный латунный сепаратор .Расположенный на элементах качения. |
| NJ322MA | ISO | Механически обработанный латунный сепаратор. Центрирование по внешнему кольцу. |
| NJ322-E-M6-C3 | ISO | Внутренний зазор больше нормального. Увеличенная грузоподъёмность. Цельный латунный сепаратор с роликовыми направляющими для цилиндрических роликоподшипников. |
| NU322-E-XL-M1-F1-T51F | ISO | Повышенная грузоподъемность. Серия X-Life премиум-класс. увеличиный срок службы. Механически обработанный латунный сепаратор. вращающийся элемент качения (крестовина на заклепках). Спецификация производства и контроля FAG для цилиндрических роликоподшипников в тяговых двигателях. Специальные допуски для железнодорожных двигателей. |
| NU322-E-XL-MPA-F1-C4 | ISO | Внутренний зазор подшипника больше. чем C3. Повышенная грузоподъемность. Серия X-Life премиум-класс. увеличиный срок службы. Спецификация производства и контроля FAG для цилиндрических роликоподшипников в тяговых двигателях. Массивный латунный сепаратор. центрированный по бортику наружного кольца. |
| NU322-E-XL-M1-J20AA-C3 | ISO | Внутренний зазор больше нормального. Повышенная грузоподъемность. Серия X-Life премиум-класс. увеличиный срок службы. Механически обработанный латунный сепаратор. вращающийся элемент качения (крестовина на заклепках). Электроизоляция. наружное кольцо с керамическим покрытием. |
| NU322-E-XL-MPAX-H67C-C4 | ISO | Внутренний зазор подшипника больше. чем C3. Повышенная грузоподъемность. Серия X-Life премиум-класс. увеличиный срок службы. Испытания для французских железных дорог. Ребристый однокомпонентный цельнолатунный сепаратор является дальнейшим развитием сепараторов FAG типов MPA и MP1A и будет последовательно заменять эти типы. Он обладает большей прочностью по отношению к ударным нагрузкам и вибрациям. чем его предшественники. и особенно хорошо подходит для применения в условиях высоких нагрузок. |
| NU322-E-XL-MPA-F59-C3 | ISO | Внутренний зазор больше нормального. Повышенная грузоподъемность. Серия X-Life премиум-класс. увеличиный срок службы. Массивный латунный сепаратор. центрированный по бортику наружного кольца. Replaced By. |
| NU322-E-XL-MPAX-H67C-C3 | ISO | Внутренний зазор больше нормального. Повышенная грузоподъемность. Серия X-Life премиум-класс. увеличиный срок службы. Испытания для французских железных дорог. Ребристый однокомпонентный цельнолатунный сепаратор является дальнейшим развитием сепараторов FAG типов MPA и MP1A и будет последовательно заменять эти типы. Он обладает большей прочностью по отношению к ударным нагрузкам и вибрациям. чем его предшественники. и особенно хорошо подходит для применения в условиях высоких нагрузок. |
| NU322-E-XL-MPAX-J30PC-C3 | ISO | Внутренний зазор больше нормального. Повышенная грузоподъемность. Серия X-Life премиум-класс. увеличиный срок службы. Ребристый однокомпонентный цельнолатунный сепаратор является дальнейшим развитием сепараторов FAG типов MPA и MP1A и будет последовательно заменять эти типы. Он обладает большей прочностью по отношению к ударным нагрузкам и вибрациям. чем его предшественники. и особенно хорошо подходит для применения в условиях высоких нагрузок. Кольца и тела качения с черным оксидным покрытием. |
| NU322-E-XL-N-M1A-C3 | ISO | Внутренний зазор больше нормального. Повышенная грузоподъемность. Серия X-Life премиум-класс. увеличиный срок службы. Канавка под стопорное кольцо на внешнем кольце. Массивный латунный сепаратор. двухтельный. центрированный по бортам. |
| NU322-E-XL-TVP2-C2 | ISO | Внутренний зазор подшипника меньше нормального. Повышенная грузоподъемность. Серия X-Life премиум-класс. увеличиный срок службы. Cепаратор изготовленный из полиамида PA66. армированного стекловолокном. |
| NU322-E-XL-TVP2-F1-C4 | ISO | Внутренний зазор подшипника больше. чем C3. Повышенная грузоподъемность. Серия X-Life премиум-класс. увеличиный срок службы. Cепаратор изготовленный из полиамида PA66. армированного стекловолокном. Спецификация производства и контроля FAG для цилиндрических роликоподшипников в тяговых двигателях. |
| NJ322-E-TVP3-C4 | ISO | Внутренний зазор подшипника больше. чем C3. Повышенная грузоподъемность. Цельный сепаратор из полиамида PA66-GF25. сепаратор оконного типа. направляемый телами качения. |
| NUP322-E-XL-M1A-C4 | ISO | Внутренний зазор подшипника больше. чем C3. Повышенная грузоподъемность. Серия X-Life премиум-класс. увеличиный срок службы. Массивный латунный сепаратор. двухтельный. центрированный по бортам. |
| NU322EM J30 | ISO | Внутренний зазор больше нормального. Стандартный фланцевый ( с резьбой и сквозным отверстием). |
| NU.322.E.G15 | ISO | Повышенная грузоподъемность. Литой сепаратор из полиамида 6.6. армированного стекловолокном. Элемент качения по центру. |
| 313305/VA301 | ISO | Подшипник для железнодорожных тяговых двигателей. |
Аналог цилиндрического роликового подшипника N322ECP/C3 — это подшипник такого же размера dx110,Dx240,Bx50, типа и конструкции.
| Обозначение | Конструктивные особенности | Внутренний (d) | Наружный (D) | Ширина (B) |
|---|---|---|---|---|
| 170322-А | Шариковый радиальный однорядный подшипник. Повышенная грузоподъемность. | 110.00 | 240.00 | 50.00 |
| 322-А | Шариковый радиальный однорядный подшипник. Повышенная грузоподъемность. | 110.00 | 240.00 | 50.00 |
| 322-Ш2У | Шариковый радиальный однорядный подшипник. Дополнительные технические требования. Нормы шумности. | 110.00 | 240.00 | 50.00 |
| 1322K+H322 | Шариковый сферический двухрядный подшипник. Коническое внутреннее отверстие. | 110.00 | 240.00 | 50.00 |
| 1322S | Шариковый сферический двухрядный подшипник. Запечатанная версия кулачкового ролика. | 110.00 | 240.00 | 50.00 |
| 1322SK | Шариковый сферический двухрядный подшипник. Кулачковый толкатель штифтового типа. С шестигранной головкой. | 110.00 | 240.00 | 50.00 |
| 42322-Л | Роликовый радиальный однорядный подшипник. Сепаратор из латуни.. | 110.00 | 240.00 | 50.00 |
| 42322-ЛМ | Роликовый радиальный однорядный подшипник. Сепаратор из латуни.. Модифицированный контакт.. | 110.00 | 240.00 | 50.00 |
| 42322-М | Роликовый радиальный однорядный подшипник. Модифицированный контакт.. | 110.00 | 240.00 | 50.00 |
| 46322-Л | Шариковый радиально-упорный однорядный подшипник. Сепаратор из латуни.. | 110.00 | 240.00 | 50.00 |
| 46322К | Шариковый радиально-упорный однорядный подшипник. «Замок» (скос) на внутреннем кольце плюс массивный сепаратор из текстолита. | 110.00 | 240.00 | 50.00 |
| 466322ЛУ21 | Шариковый радиально-упорный сдвоенный подшипник. Сепаратор из латуни.. Дополнительные технические требования. | 110.00 | 240.00 | 50.00 |
| 532322-К1 | Роликовый радиальный цилиндрический подшипник. Кольцевая проточка на середине цилиндрической наружной поверхности наружного кольца плюс три отверстия для смазки. | 110.00 | 240.00 | 50.00 |
| 53622-НЕ | Роликовый радиальный двухрядный подшипник. Сепаратор из текстолита.. Детали из теплостойкой стали. | 110.00 | 240.00 | 50.00 |
| 576322Л | Шариковый радиально-упорный двухрядный подшипник. Сепаратор из латуни.. | 110.00 | 240.00 | 50.00 |
Способы доставки
Отправка через ведущие транспортные и курьерские компании: ПЭК, Деловые Линии, СДЭК, Байкал-Сервис, Энергия, КИТ, ЖелДорЭкспедиция.
Самовывоз возможен напрямую со склада в Москве.
Сроки доставки
Срок зависит от региона и выбранной транспортной компании. Все заказы комплектуются и отправляются в кратчайшие сроки со склада в Москве.
Надёжность и сохранность
Вся продукция упаковывается с учётом требований транспортировки. Мы гарантируем, что подшипники и комплектующие прибудут к заказчику в полной сохранности.
Доставка в страны ЕАЭС
Мы работаем с проверенными логистическими партнёрами, что позволяет оперативно доставлять заказы в Беларусь, Казахстан, Армению и другие страны ЕАЭС.
Варианты оплаты:
Минимальная сумма заказа и скидки:
Документы и гарантии:
Да, конечно! Наши технические специалисты готовы помочь вам с подбором точного аналога или замены подшипника. Просто позвоните нам по телефону +7 (495) 104-99-04 или напишите на почту zakaz@podsnab.ru.
Для оперативной консультации подготовьте, пожалуйста, имеющиеся данные: маркировку, размеры, тип оборудования или артикул старого подшипника.
Да, конечно! Мы высоко ценим долгосрочное сотрудничество и доверие клиентов по всей России. Для постоянных клиентов действует персональная система скидок.
Условия формируются индивидуально и зависят от:
Чтобы узнать свои условия и получить максимально выгодное предложение, свяжитесь с персональным менеджером или напишите нам на почту zakaz@podsnab.ru.
Вы можете оформить заказ несколькими способами:
Для оформления заказа от юридического лица свяжитесь с нашим отделом по работе с корпоративными клиентами по телефону +7 (495) 104-99-04 или напишите на email zakaz@podsnab.ru, прикрепив реквизиты вашей организации.
Мы оперативно подготовим коммерческое предложение и выставим счет.
Возврат товара надлежащего качества возможен в течение 10 дней с момента получения, если товар не был в употреблении, сохранен товарный вид, упаковка не вскрывалась и присутствуют все сопроводительные документы.
Возврат денежных средств осуществляется в течение 10 рабочих дней после проверки товара складом.
В соответствии с законодательством возврату не подлежат подшипники надлежащего качества, если отсутствует оригинальная упаковка или имеются следы монтажа.
В случае выявления брака или гарантийного случая мы гарантируем возврат или обмен товара.
Да, гарантийный срок хранения устанавливается заводом-изготовителем и в среднем составляет 2 года при соблюдении условий хранения: сухое помещение, оригинальная упаковка и смазка.
Точный срок для конкретного типа подшипника уточняйте у наших менеджеров.
Пн–Пт: с 8:00 до 17:00 (МСК).
Сб–Вс: выходные дни.
Заказы на сайте принимаются круглосуточно. Заявки, поступившие после окончания рабочего дня, обрабатываются на следующий рабочий день.
Минимальная сумма заказа для доставки составляет 3000 рублей. Самовывоз со склада возможен на любую сумму при наличии товара.
ООО «УралТехГрупп»
ИНН: 7415093830
КПП: 772401001
ОГРН: 1167456069021
Банк: ПАО Сбербанк
Р/с: 40702810838000475273
К/с: 30101810400000000225
БИК: 044525225
У подшипника N322ECP/C3 пока нет отзывов. Вы можете стать первым покупателем, поделившимся своим мнением.