Поиск подшипника
Статьи
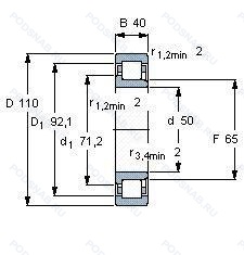
NJ2310-E-M1 — Однорядный цилиндрический роликовый подшипник, модификация основного исполнения NJ2310, производство FAG.
Размер подшипника: 50x110x40 мм.
Однорядный цилиндрический роликоподшипник. Наружное кольцо имеет два борта, наружное — один борт, механически обработанный латунный сепаратор. вращающийся элемент качения (крестовина на заклепках), повышенная грузоподъемность.
Альтернативное обозначение: NJ2310-E-XL-M1.
Аналоги: NJ2310M FAG,NJ2310-E-XL-M1 FAG.
Международная стандартизации ISO
NJ2310EM1
В наличии
| Обозначение | Конструктивные изменения |
|---|---|
| NJ2310W C3 | Внутренний зазор больше нормального. Цельный прессованный сепаратор. |
| NJ2310ET2 | Увеличенная грузоподъёмность. Сепаратор из полиамида. армированного стекловолокном. |
| NJ2310VH | Полный комплект цилиндрических роликоподшипников с набором самоудерживающихся роликов. |
| NJ2310E.M1A.C4 | Внутренний зазор подшипника больше. чем C3. Повышенная грузоподъемность. Массивный латунный сепаратор. двухтельный. центрированный по бортам. |
| NJ2310E MAS P63 | Однорядный цилиндрический роликоподшипник с увеличенной грузоподъемностью. Combination Of P6 (Dimensional And Running Accuracy To ISO Tolerance Class 6 (Better Than Normal).) And C3 (Internal Clearance Larger Than Normal). Механически обработанный латунный сепаратор, центрирование внешнего кольца, со смазочными канавками на направляющих поверхностях. |
| NJ2310W | Цельный прессованный сепаратор. |
| NJ2310E G15 | Повышенная грузоподъемность. Литой сепаратор из полиамида 6.6. армированного стекловолокном. Элемент качения по центру. |
| NJ2310-E-M1A-J30PC | Повышенная грузоподъемность. Массивный латунный сепаратор. двухтельный. центрированный по бортам. Кольца и тела качения с черным оксидным покрытием. |
| NJ2310-E-XL-M1A-J30PC | Повышенная грузоподъемность. Серия X-Life премиум-класс. увеличиный срок службы. Массивный латунный сепаратор. двухтельный. центрированный по бортам. Кольца и тела качения с черным оксидным покрытием. |
| NJ2310-E-XL-MPAX-C3 | Внутренний зазор больше нормального. Повышенная грузоподъемность. Серия X-Life премиум-класс. увеличиный срок службы. Ребристый однокомпонентный цельнолатунный сепаратор является дальнейшим развитием сепараторов FAG типов MPA и MP1A и будет последовательно заменять эти типы. Он обладает большей прочностью по отношению к ударным нагрузкам и вибрациям. чем его предшественники. и особенно хорошо подходит для применения в условиях высоких нагрузок. |
| NJ2310-E-MPAX-C3 | Внутренний зазор больше нормального. Повышенная грузоподъемность. Ребристый однокомпонентный цельнолатунный сепаратор является дальнейшим развитием сепараторов FAG типов MPA и MP1A и будет последовательно заменять эти типы. Он обладает большей прочностью по отношению к ударным нагрузкам и вибрациям. чем его предшественники. и особенно хорошо подходит для применения в условиях высоких нагрузок. |
| NJ2310C4 | Внутренний зазор подшипника больше. чем C3. |
| NJ2310E/TGP/C3 | Внутренний зазор больше нормального. Цилиндрический роликовый подшипник c увеличенной грузоподъемностью. Формованный полиамидный сепаратор оконного типа. Роликовые тела качения. |
| NJ2310-E-M1A-F59-C3 | Внутренний зазор больше нормального. Повышенная грузоподъемность. Массивный латунный сепаратор. двухтельный. центрированный по бортам. Replaced By. |
| NJ2310E.TVP | Повышенная грузоподъемность. Molded Snap-Type Cage Of Glass Fibre Reinforced Polyamide. Rolling Element Riding. |
| NJ2310 ET | Сквозная закалка и шлифовка стали с переломом в одной точке. |
| NJ2310-E-TVP2 + HJ2310-E | Повышенная грузоподъемность. Твердый сепаратор оконного типа из армированного стекловолокном полиамида. |
| NJ2310R | С выпуклыми асимметричными роликами и обработанным сепаратором. |
| NJ2310-E-MA6+HJ2310-E | Повышенная грузоподъемность. Изготовленный из двух частей латунный сепаратор. Центрирование по внешнему кольцу. Различные конструкции или сорта материалов обозначаются цифрой или буквой.. |
| NJ2310-E-TVP3 | Повышенная грузоподъемность. Цельный сепаратор из полиамида PA66-GF25. сепаратор оконного типа. направляемый телами качения. |
| NJ2310-E-M6 | Повышенная грузоподъемность. 20-28 UM (C3 & C4). |
| NJ2310-E-MPA | Повышенная грузоподъемность. Твердый латунный сепаратор. |
| NJ2310-E-MPA+HJ2310-E | Повышенная грузоподъемность. Твердый латунный сепаратор. |
| NJ2310-E-TVP3+HJ2310-E | Повышенная грузоподъемность. Цельный сепаратор из полиамида PA66-GF25. сепаратор оконного типа. направляемый телами качения. |
| NJ2310-E-M6+HJ2310-E | Повышенная грузоподъемность. 20-28 UM (C3 & C4). |
Модификации цилиндрического роликового подшипника NJ2310-E-M1 — это измененное основное конструктивное исполнение NJ2310, основные размеры (50x110x40) не отличаются.
| Обозначение | Гост | Конструктивные особенности |
|---|---|---|
| SL19-2310C3 | ISO | Внутренний зазор больше нормального. |
| SL19-2310A C3 | ISO | Внутренний зазор больше нормального. Особенность внутренней конструкции. |
| NU2310E TGP1 C3 | ISO | Внутренний зазор больше нормального. Повышенная грузоподъемность. Прочный сепаратор из полиамида. армированного стекловолокном. |
| NU2310ET2X C3 | ISO | Внутренний зазор больше нормального. Повышенная грузоподъемность. Полиамидный сепаратор 4.6 для цилиндрических роликоподшипников. |
| NU2310ET | ISO | Сквозная закалка и шлифовка стали с переломом в одной точке. |
| NUP2310E.TVP2.C3 | ISO | Внутренний зазор больше нормального. Повышенная грузоподъемность. Cепаратор изготовленный из полиамида PA66. армированного стекловолокном. |
| NU2310-E-XL-M1-C4 | ISO | Внутренний зазор подшипника больше. чем C3. Повышенная грузоподъемность. Серия X-Life премиум-класс. увеличиный срок службы. Механически обработанный латунный сепаратор. вращающийся элемент качения (крестовина на заклепках). |
| NUP2310-E-XL-TVP2-C3 | ISO | Внутренний зазор больше нормального. Повышенная грузоподъемность. Серия X-Life премиум-класс. увеличиный срок службы. Cепаратор изготовленный из полиамида PA66. армированного стекловолокном. |
| NU2310EM | ISO | Стандартный фланцевый ( с резьбой и сквозным отверстием). |
| NU2310W C3 | ISO | Внутренний зазор больше нормального. Цельный прессованный сепаратор. |
| NU2310E G15 | ISO | Повышенная грузоподъемность. Литой сепаратор из полиамида 6.6. армированного стекловолокном. Элемент качения по центру. |
| NU2310E G15 J30 | ISO | Повышенная грузоподъемность. Внутренний зазор больше нормального. Литой сепаратор из полиамида 6.6. армированного стекловолокном. Элемент качения по центру. |
| NU2310G1 P5 | ISO | Размерная и рабочая точность соответствует классу допуска ISO 5. Обработанный латунный сепаратор для цилиндрических роликоподшипников. |
| NUP2310M | ISO | Механически обработанный латунный сепаратор .Расположенный на элементах качения. |
| NUP2310ECP/C3 | ISO | Внутренний зазор больше нормального. Оптимизированная внутренняя конструкция предусматривает увеличенное количество роликов и/или ролики большего размера с улучшенными условиями контакта торцов роликов с бортами внутреннего кольца. Сепаратор из стеклонаполненного полиамида PA66. центрируемый по роликам. |
| NUP2310EM C3 | ISO | Внутренний зазор больше нормального. Стандартный фланцевый ( с резьбой и сквозным отверстием). |
| NU2310-E-XL-TVP2-C4 | ISO | Внутренний зазор подшипника больше. чем C3. Повышенная грузоподъемность. Серия X-Life премиум-класс. увеличиный срок службы. Cепаратор изготовленный из полиамида PA66. армированного стекловолокном. |
| NU2310-E-XL-TVP2-C2 | ISO | Внутренний зазор подшипника меньше нормального. Повышенная грузоподъемность. Серия X-Life премиум-класс. увеличиный срок службы. Cепаратор изготовленный из полиамида PA66. армированного стекловолокном. |
| NUB310-E-XL-M1-C3 | ISO | Внутренний зазор больше нормального. Повышенная грузоподъемность. Серия X-Life премиум-класс. увеличиный срок службы. Механически обработанный латунный сепаратор. вращающийся элемент качения (крестовина на заклепках). |
| NU2310-E-XL-M1A-C3 | ISO | Внутренний зазор больше нормального. Повышенная грузоподъемность. Серия X-Life премиум-класс. увеличиный срок службы. Массивный латунный сепаратор. двухтельный. центрированный по бортам. |
Аналог цилиндрического роликового подшипника NJ2310-E-M1 — это подшипник такого же размера dx50,Dx110,Bx40, типа и конструкции.
| Обозначение | Конструктивные особенности | Внутренний (d) | Наружный (D) | Ширина (B) |
|---|---|---|---|---|
| UK310D1 | Шариковый радиальный однорядный подшипник. Не требующий обслуживания тип. | 50.00 | 110.00 | 41.00 |
| 180610-АК2 | Шариковый радиальный однорядный подшипник. Повышенная грузоподъемность. | 50.00 | 110.00 | 40.00 |
| 2310E-2RS1KTN9 | Шариковый сферический двухрядный подшипник. Повышенная грузоподъемность. | 50.00 | 110.00 | 40.00 |
| NJ 2310 ECPH | Роликовый радиальный однорядный подшипник. Однорядный цилиндрический роликовый подшипник. | 50.00 | 110.00 | 40.00 |
| NU 2310 ECPH | Роликовый радиальный однорядный подшипник. Однорядный цилиндрический роликовый подшипник. | 50.00 | 110.00 | 40.00 |
| 42610-Л | Роликовый радиальный однорядный подшипник. Сепаратор из латуни.. | 50.00 | 110.00 | 40.00 |
| 42610-М | Роликовый радиальный однорядный подшипник. Модифицированный контакт.. | 50.00 | 110.00 | 40.00 |
| 512610-МУ | Роликовый радиальный цилиндрический подшипник. Дополнительные технические требования. Модифицированный контакт.. | 50.00 | 110.00 | 40.00 |
| 53610-Е | Роликовый радиальный двухрядный подшипник. Сепаратор из текстолита.. | 50.00 | 110.00 | 40.00 |
| 53610-К | Роликовый радиальный двухрядный подшипник. Кольцевая проточка на середине цилиндрической наружной поверхности наружного кольца плюс три отверстия для смазки. | 50.00 | 110.00 | 40.00 |
| 53610-КБ2 | Роликовый радиальный двухрядный подшипник. Сепаратор из безоловянистой бронзы.. | 50.00 | 110.00 | 40.00 |
| 53610-Л | Роликовый радиальный двухрядный подшипник. Сепаратор из латуни.. | 50.00 | 110.00 | 40.00 |
| 53610-Н | Роликовый радиальный двухрядный подшипник. Детали из теплостойкой стали. | 50.00 | 110.00 | 40.00 |
| 53610-НЕ | Роликовый радиальный двухрядный подшипник. Сепаратор из текстолита.. Детали из теплостойкой стали. | 50.00 | 110.00 | 40.00 |
| 53610-У | Роликовый радиальный двухрядный подшипник. Дополнительные технические требования. | 50.00 | 110.00 | 40.00 |
Способы доставки
Отправка через ведущие транспортные и курьерские компании: ПЭК, Деловые Линии, СДЭК, Байкал-Сервис, Энергия, КИТ, ЖелДорЭкспедиция.
Самовывоз возможен напрямую со склада в Москве.
Сроки доставки
Срок зависит от региона и выбранной транспортной компании. Все заказы комплектуются и отправляются в кратчайшие сроки со склада в Москве.
Надёжность и сохранность
Вся продукция упаковывается с учётом требований транспортировки. Мы гарантируем, что подшипники и комплектующие прибудут к заказчику в полной сохранности.
Доставка в страны ЕАЭС
Мы работаем с проверенными логистическими партнёрами, что позволяет оперативно доставлять заказы в Беларусь, Казахстан, Армению и другие страны ЕАЭС.
Варианты оплаты:
Минимальная сумма заказа и скидки:
Документы и гарантии:
Да, конечно! Наши технические специалисты готовы помочь вам с подбором точного аналога или замены подшипника. Просто позвоните нам по телефону +7 (495) 104-99-04 или напишите на почту zakaz@podsnab.ru.
Для оперативной консультации подготовьте, пожалуйста, имеющиеся данные: маркировку, размеры, тип оборудования или артикул старого подшипника.
Да, конечно! Мы высоко ценим долгосрочное сотрудничество и доверие клиентов по всей России. Для постоянных клиентов действует персональная система скидок.
Условия формируются индивидуально и зависят от:
Чтобы узнать свои условия и получить максимально выгодное предложение, свяжитесь с персональным менеджером или напишите нам на почту zakaz@podsnab.ru.
Вы можете оформить заказ несколькими способами:
Для оформления заказа от юридического лица свяжитесь с нашим отделом по работе с корпоративными клиентами по телефону +7 (495) 104-99-04 или напишите на email zakaz@podsnab.ru, прикрепив реквизиты вашей организации.
Мы оперативно подготовим коммерческое предложение и выставим счет.
Возврат товара надлежащего качества возможен в течение 10 дней с момента получения, если товар не был в употреблении, сохранен товарный вид, упаковка не вскрывалась и присутствуют все сопроводительные документы.
Возврат денежных средств осуществляется в течение 10 рабочих дней после проверки товара складом.
В соответствии с законодательством возврату не подлежат подшипники надлежащего качества, если отсутствует оригинальная упаковка или имеются следы монтажа.
В случае выявления брака или гарантийного случая мы гарантируем возврат или обмен товара.
Да, гарантийный срок хранения устанавливается заводом-изготовителем и в среднем составляет 2 года при соблюдении условий хранения: сухое помещение, оригинальная упаковка и смазка.
Точный срок для конкретного типа подшипника уточняйте у наших менеджеров.
Пн–Пт: с 8:00 до 17:00 (МСК).
Сб–Вс: выходные дни.
Заказы на сайте принимаются круглосуточно. Заявки, поступившие после окончания рабочего дня, обрабатываются на следующий рабочий день.
Минимальная сумма заказа для доставки составляет 3000 рублей. Самовывоз со склада возможен на любую сумму при наличии товара.
ООО «УралТехГрупп»
ИНН: 7415093830
КПП: 772401001
ОГРН: 1167456069021
Банк: ПАО Сбербанк
Р/с: 40702810838000475273
К/с: 30101810400000000225
БИК: 044525225
У подшипника NJ2310-E-M1 пока нет отзывов. Вы можете стать первым покупателем, поделившимся своим мнением.