Поиск подшипника
Статьи
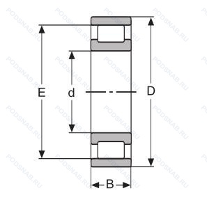
CRM16 — Однорядный цилиндрический роликовый подшипник, основное исполнение, производство NEUTRAL.
Размер подшипника: 50x114x26 мм.
Альтернативное обозначение: MRJ2.
Международная стандартизации ISO
CRM16
В наличии
| Обозначение | Конструктивные изменения |
|---|---|
| CRM16A/C3 | Внутренний зазор больше нормального. Цилиндрический роликоподшипник. С углом фланца 1 градус 40 минут. Сферические роликовые наконечники. |
| CRM16A | Цилиндрический роликоподшипник. С углом фланца 1 градус 40 минут. Сферические роликовые наконечники. |
Модификации цилиндрического роликового подшипника CRM16 — это измененное основное конструктивное исполнение CRM16, основные размеры (50x114x26) не отличаются.
| Обозначение | Гост | Конструктивные особенности |
|---|---|---|
| MRJ2-C3 | ISO | Внутренний зазор больше нормального. |
| MRJ2DESA C3 | ISO | Внутренний зазор больше нормального. Конструкция А. |
| MRJ2DESA | ISO | Конструкция А. |
| MRJ2DSA C3 | ISO | Внутренний зазор больше нормального. |
| MRJA2DESA | ISO | Конструкция А. |
| RMS15V3 | ISO | Уровень вибрации 3. |
| MRJ2 | ISO | Однорядный цилиндрический роликовый подшипник. |
| CFM16 | ISO | Однорядный цилиндрический роликовый подшипник. |
| RM15L | ISO | Одно механическое уплотнение. |
| MRJA2 | ISO | Однорядный цилиндрический роликовый подшипник. |
| MMRJB2M | ISO | Механически обработанный латунный сепаратор .Расположенный на элементах качения. |
| MRJA2MB | ISO | Однокомпонентное внутреннее кольцо с центрированным сепаратором из механически обработанной латуни. |
| RM15LL | ISO | Контактное. синтетические. резиновое уплотнение с двух сторон. |
| MRJ2J | ISO | Дорожки качения наружного кольца. угол контакта и ширина наружного кольца в соответствии с ISO. |
| MRJA2J | ISO | Прессованный стальной сепаратор. |
| RMS15M | ISO | Механически обработанный латунный сепаратор .Расположенный на элементах качения. |
Аналог цилиндрического роликового подшипника CRM16 — это подшипник такого же размера dx50,Dx114,Bx26, типа и конструкции.
| Обозначение | Конструктивные особенности | Внутренний (d) | Наружный (D) | Ширина (B) |
|---|---|---|---|---|
| MJ2C3 | Подшипник однорядный шариковый радиальный. Внутренний зазор больше нормального. | 50.80 | 114.30 | 26.99 |
| NMJ2M | Подшипник шариковый двухрядный самоустанавливающийся. Подшипник с латунным сепаратором. центрированный по телам качения. | 50.80 | 114.30 | 26.99 |
| MS15V3 | Подшипник однорядный шариковый радиальный. Уровень вибрации 3. | 50.80 | 114.30 | 26.99 |
| RMS16 2RS | Подшипник однорядный шариковый радиальный. Резиновые уплотнения с каждой стороны подшипника. | 50.80 | 114.30 | 26.99 |
| RMS16 ZZ | Подшипник однорядный шариковый радиальный. Защитные металлические шайбы с обеих сторон. | 50.80 | 114.30 | 26.99 |
| RMS16C3 | Подшипник однорядный шариковый радиальный. Внутренний зазор больше нормального. | 50.80 | 114.30 | 26.99 |
| MJ2J | Подшипник однорядный шариковый радиальный. Дорожки качения наружного кольца. угол контакта и ширина наружного кольца в соответствии с ISO. | 50.80 | 114.30 | 26.99 |
| MJT2M | Подшипник шариковый однорядный радиально-упорный. Подшипник с латунным сепаратором. центрированный по телам качения. | 50.80 | 114.30 | 26.99 |
| MJ2JCN | Подшипник однорядный шариковый радиальный. Прессованный стальной сепаратор. Нормальный уровень радиального внутреннего зазора (не маркируется). | 50.80 | 114.30 | 26.99 |
| RM16S | Подшипник шариковый двухрядный самоустанавливающийся. Запечатанная версия кулачкового ролика. | 50.80 | 114.30 | 26.99 |
| MS15AC | Подшипник шариковый однорядный радиально-упорный. Суффикс для радиально-упорного шарикоподшипника. | 50.80 | 114.30 | 26.99 |
| MJ2JC3 | Подшипник однорядный шариковый радиальный. Внутренний зазор больше нормального. Сепаратор из стали. | 50.80 | 114.30 | 26.99 |
| AMS16M | Подшипник шариковый однорядный радиально-упорный. Механически обработанный латунный сепаратор. центрируемый по шарикам. Разные конструкции или материалы обозначаются цифрой после буквы М. например. М2. | 50.80 | 114.30 | 26.99 |
| NMJ2MB C3 | Подшипник шариковый двухрядный самоустанавливающийся. Внутренний зазор больше нормального. Цельное внутреннее кольцо. Центрированный обработанный латунный сепаратор. | 50.80 | 114.30 | 26.99 |
| AMS16ABP | Подшипник шариковый однорядный радиально-упорный. Внутренние изменения в конструкции. Single Row Angular Contact Ball Bearing With A 40° Угол контакта. Однорядный подшипник с сепаратором из стеклонаполненного полиамида PA66. центрируемым по шарикам. | 50.80 | 114.30 | 26.99 |
Способы доставки
Отправка через ведущие транспортные и курьерские компании: ПЭК, Деловые Линии, СДЭК, Байкал-Сервис, Энергия, КИТ, ЖелДорЭкспедиция.
Самовывоз возможен напрямую со склада в Москве.
Сроки доставки
Срок зависит от региона и выбранной транспортной компании. Все заказы комплектуются и отправляются в кратчайшие сроки со склада в Москве.
Надёжность и сохранность
Вся продукция упаковывается с учётом требований транспортировки. Мы гарантируем, что подшипники и комплектующие прибудут к заказчику в полной сохранности.
Доставка в страны ЕАЭС
Мы работаем с проверенными логистическими партнёрами, что позволяет оперативно доставлять заказы в Беларусь, Казахстан, Армению и другие страны ЕАЭС.
Варианты оплаты:
Минимальная сумма заказа и скидки:
Документы и гарантии:
Да, конечно! Наши технические специалисты готовы помочь вам с подбором точного аналога или замены подшипника. Просто позвоните нам по телефону +7 (495) 104-99-04 или напишите на почту zakaz@podsnab.ru.
Для оперативной консультации подготовьте, пожалуйста, имеющиеся данные: маркировку, размеры, тип оборудования или артикул старого подшипника.
Да, конечно! Мы высоко ценим долгосрочное сотрудничество и доверие клиентов по всей России. Для постоянных клиентов действует персональная система скидок.
Условия формируются индивидуально и зависят от:
Чтобы узнать свои условия и получить максимально выгодное предложение, свяжитесь с персональным менеджером или напишите нам на почту zakaz@podsnab.ru.
Вы можете оформить заказ несколькими способами:
Для оформления заказа от юридического лица свяжитесь с нашим отделом по работе с корпоративными клиентами по телефону +7 (495) 104-99-04 или напишите на email zakaz@podsnab.ru, прикрепив реквизиты вашей организации.
Мы оперативно подготовим коммерческое предложение и выставим счет.
Возврат товара надлежащего качества возможен в течение 10 дней с момента получения, если товар не был в употреблении, сохранен товарный вид, упаковка не вскрывалась и присутствуют все сопроводительные документы.
Возврат денежных средств осуществляется в течение 10 рабочих дней после проверки товара складом.
В соответствии с законодательством возврату не подлежат подшипники надлежащего качества, если отсутствует оригинальная упаковка или имеются следы монтажа.
В случае выявления брака или гарантийного случая мы гарантируем возврат или обмен товара.
Да, гарантийный срок хранения устанавливается заводом-изготовителем и в среднем составляет 2 года при соблюдении условий хранения: сухое помещение, оригинальная упаковка и смазка.
Точный срок для конкретного типа подшипника уточняйте у наших менеджеров.
Пн–Пт: с 8:00 до 17:00 (МСК).
Сб–Вс: выходные дни.
Заказы на сайте принимаются круглосуточно. Заявки, поступившие после окончания рабочего дня, обрабатываются на следующий рабочий день.
Минимальная сумма заказа для доставки составляет 3000 рублей. Самовывоз со склада возможен на любую сумму при наличии товара.
ООО «УралТехГрупп»
ИНН: 7415093830
КПП: 772401001
ОГРН: 1167456069021
Банк: ПАО Сбербанк
Р/с: 40702810838000475273
К/с: 30101810400000000225
БИК: 044525225
У подшипника CRM16 пока нет отзывов. Вы можете стать первым покупателем, поделившимся своим мнением.