Поиск подшипника
Статьи
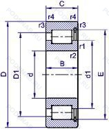
SL181856 — однорядный цилиндрический роликовый подшипник, основное исполнение, выпускается производителями: AUSTIN, INA, ISO, Подшипники NBS.
Размер подшипника: 280x350x33 мм.
Тип: Узкое внутреннее кольцо, легкая нагрузка, корпус из штампованной стали, установочный винт.
Альтернативное обозначение: NCF1856V.
Аналоги: SL181856-E INA,NCF1856CV Rollway.
Международная стандартизации ISO
SL181856
В наличии
| Обозначение | Конструктивные изменения |
|---|---|
| SL18-1856A C3 | Внутренний зазор больше нормального. Особенность внутренней конструкции. |
| SL18-1856A | Особенность внутренней конструкции. |
| SL181856-BR-E | Повышенная грузоподъемность. Чёрный цвет. |
| SL181856-E-REP | Повышенная грузоподъемность. Repaired Bearing. |
| SL181856-RR-E-C2 | Внутренний зазор подшипника меньше нормального. Повышенная грузоподъемность. Защищен от коррозии специальным покрытием Corrotect®.. |
| SL181856-E-BR-C3 | Внутренний зазор больше нормального. Повышенная грузоподъемность. Чёрный цвет. |
| SL18-1856V C3 | Внутренний зазор больше нормального. Бессепараторный или полностью выпуклый. |
| SL181856-BR-E-C3 | Внутренний зазор больше нормального. Повышенная грузоподъемность. Чёрный цвет. |
| SL18-1856E | Повышенная грузоподъемность. |
| SL181856-E-BR | Повышенная грузоподъемность. Чёрный цвет. |
| SL181856-E-C2 | Внутренний зазор подшипника меньше нормального. Повышенная грузоподъемность. |
| SL181856-E-IR/T-CN/3L | Повышенная грузоподъемность. Нормальный радиальный внутренний зазор. Clearance Range Corresponding To The Lower Half Of The Actual Clearance Range. Канавки во внутреннем кольце находятся со стороны стопорного кольца. |
| SL18-1856C3 | Внутренний зазор больше нормального. |
| SL181856-E-C3 | Внутренний зазор больше нормального. Повышенная грузоподъемность. |
Модификации цилиндрического роликового подшипника SL181856 — это измененное основное конструктивное исполнение SL181856, основные размеры (280x350x33) не отличаются.
| Обозначение | Гост | Конструктивные особенности |
|---|---|---|
| NCF1856V C3 | ISO | Внутренний зазор больше нормального. Подшипник без сепаратора. С полным комплектом тел качения. |
| NCF1856V | ISO | Бессепараторный подшипник. Однорядный без сепараторный цилиндрический роликовый подшипник. Два борта на внутреннем кольце и один борт на наружном. |
| NCF1856 | ISO | однорядный цилиндрический роликовый подшипник. |
| NCF1856CV | ISO | Внутренние изменения в конструкции. Полноразмерный цилиндрический роликоподшипник с модифицированной внутренней конструкцией. |
| NU1856M1 | ISO | Механически обработанный латунный сепаратор. вращающийся элемент качения (крестовина на заклепках). |
Аналог цилиндрического роликового подшипника SL181856 — это подшипник такого же размера dx280,Dx350,Bx33, типа и конструкции.
| Обозначение | Конструктивные особенности | Внутренний (d) | Наружный (D) | Ширина (B) |
|---|---|---|---|---|
| B71856-E-TPA-P4-UL | Подшипник шариковый однорядный радиально-упорный. Универсальный монтаж и легкий преднатяг. Сепаратор из текстильной ламинированной фенольной смолы. 25° Угол контакта. Точность размеров и хода соответствует классу допуска ISO 4 (точнее. чем P5) — Abec-7. | 280.00 | 350.00 | 33.00 |
| 61856M C4 | Подшипник однорядный шариковый радиальный. Внутренний зазор подшипника больше. чем C3. Механически обработанный латунный сепаратор .Расположенный на элементах качения. | 280.00 | 350.00 | 33.00 |
| 7856A | Шариковый радиально-упорный однорядный подшипник. Двухрядный радиально-упорный шарикоподшипник без отверстия для смазки. | 280.00 | 350.00 | 33.00 |
| 7856B | Шариковый радиально-упорный однорядный подшипник. Конический роликовый подшипник. Угол контакта 20 градусов. | 280.00 | 350.00 | 33.00 |
| 61856 2BRS | Шариковый радиальный однорядный подшипник. Бесконтактные лабиринтные уплотнения с обеих сторон. | 280.00 | 350.00 | 33.00 |
| 61856 2RS | Шариковый радиальный однорядный подшипник. Резиновые уплотнения с каждой стороны подшипника. | 280.00 | 350.00 | 33.00 |
| 61856 2URS | Шариковый радиальный однорядный подшипник. Специальное манжетное уплотнение с обеих сторон подшипника. | 280.00 | 350.00 | 33.00 |
| 61856 2Z | Шариковый радиальный однорядный подшипник. Защитные металлические шайбы с обеих сторон подшипника. | 280.00 | 350.00 | 33.00 |
| 61856 BRS | Шариковый радиальный однорядный подшипник. Бесконтактные лабиринтные уплотнения с одной стороны. | 280.00 | 350.00 | 33.00 |
| 61856 RS | Шариковый радиальный однорядный подшипник. Резиновое уплотнение с одной стороны. | 280.00 | 350.00 | 33.00 |
| 61856 Z | Шариковый радиальный однорядный подшипник. щит из листовой прессованной стали с одной стороны подшипника. | 280.00 | 350.00 | 33.00 |
| 1000856-Л | Шариковый радиальный однорядный подшипник. Сепаратор из латуни.. | 280.00 | 350.00 | 33.00 |
| 1000856Л1 | Шариковый радиальный однорядный подшипник. Сепаратор из латуни.. | 280.00 | 350.00 | 33.00 |
| 26-1000856 Л1 | Шариковый радиальный однорядный подшипник. Сепаратор из латуни.. | 280.00 | 350.00 | 33.00 |
| 6-1000856-Л1 | Шариковый радиальный однорядный подшипник. Сепаратор из латуни.. | 280.00 | 350.00 | 33.00 |
Способы доставки
Отправка через ведущие транспортные и курьерские компании: ПЭК, Деловые Линии, СДЭК, Байкал-Сервис, Энергия, КИТ, ЖелДорЭкспедиция.
Самовывоз возможен напрямую со склада в Москве.
Сроки доставки
Срок зависит от региона и выбранной транспортной компании. Все заказы комплектуются и отправляются в кратчайшие сроки со склада в Москве.
Надёжность и сохранность
Вся продукция упаковывается с учётом требований транспортировки. Мы гарантируем, что подшипники и комплектующие прибудут к заказчику в полной сохранности.
Доставка в страны ЕАЭС
Мы работаем с проверенными логистическими партнёрами, что позволяет оперативно доставлять заказы в Беларусь, Казахстан, Армению и другие страны ЕАЭС.
Варианты оплаты:
Минимальная сумма заказа и скидки:
Документы и гарантии:
Да, конечно! Наши технические специалисты готовы помочь вам с подбором точного аналога или замены подшипника. Просто позвоните нам по телефону +7 (495) 104-99-04 или напишите на почту zakaz@podsnab.ru.
Для оперативной консультации подготовьте, пожалуйста, имеющиеся данные: маркировку, размеры, тип оборудования или артикул старого подшипника.
Да, конечно! Мы высоко ценим долгосрочное сотрудничество и доверие клиентов по всей России. Для постоянных клиентов действует персональная система скидок.
Условия формируются индивидуально и зависят от:
Чтобы узнать свои условия и получить максимально выгодное предложение, свяжитесь с персональным менеджером или напишите нам на почту zakaz@podsnab.ru.
Вы можете оформить заказ несколькими способами:
Для оформления заказа от юридического лица свяжитесь с нашим отделом по работе с корпоративными клиентами по телефону +7 (495) 104-99-04 или напишите на email zakaz@podsnab.ru, прикрепив реквизиты вашей организации.
Мы оперативно подготовим коммерческое предложение и выставим счет.
Возврат товара надлежащего качества возможен в течение 10 дней с момента получения, если товар не был в употреблении, сохранен товарный вид, упаковка не вскрывалась и присутствуют все сопроводительные документы.
Возврат денежных средств осуществляется в течение 10 рабочих дней после проверки товара складом.
В соответствии с законодательством возврату не подлежат подшипники надлежащего качества, если отсутствует оригинальная упаковка или имеются следы монтажа.
В случае выявления брака или гарантийного случая мы гарантируем возврат или обмен товара.
Да, гарантийный срок хранения устанавливается заводом-изготовителем и в среднем составляет 2 года при соблюдении условий хранения: сухое помещение, оригинальная упаковка и смазка.
Точный срок для конкретного типа подшипника уточняйте у наших менеджеров.
Пн–Пт: с 8:00 до 17:00 (МСК).
Сб–Вс: выходные дни.
Заказы на сайте принимаются круглосуточно. Заявки, поступившие после окончания рабочего дня, обрабатываются на следующий рабочий день.
Минимальная сумма заказа для доставки составляет 3000 рублей. Самовывоз со склада возможен на любую сумму при наличии товара.
ООО «УралТехГрупп»
ИНН: 7415093830
КПП: 772401001
ОГРН: 1167456069021
Банк: ПАО Сбербанк
Р/с: 40702810838000475273
К/с: 30101810400000000225
БИК: 044525225
У подшипника SL181856 пока нет отзывов. Вы можете стать первым покупателем, поделившимся своим мнением.