Поиск подшипника
Статьи
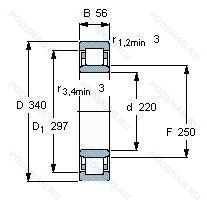
NU1044ML/C3 — Однорядный цилиндрический роликовый подшипник, модификация основного исполнения NU1044, производство SKF.
Размер подшипника: 220x340x56 мм.
Однорядный цилиндрический роликоподшипник. Наружное кольцо подшипника имеет два борта, а внутреннее кольцо бортов не имеет, внутренний зазор больше нормального, механически обработанный латунный сепаратор. оконного типа. центрируемый по внутреннему или наружному кольцу в зависимости от типа подшипника.
Международная стандартизации ISO
NU1044MLC3
В наличии
| Обозначение | Конструктивные изменения |
|---|---|
| NU1044M | Подшипник с латунным сепаратором. центрированный по телам качения. Однорядный цилиндрический роликовый подшипник. |
| NU1044 | Сталь сквозной закалки SUJ2 (японская) и взаимозаменяемость (только для метрических серий). Канавка под стопорное кольцо на наружном кольце подшипника. Однорядные цилиндрические роликоподшипники. Наружное кольцо подшипника имеет два борта. Основное конструктивное исполнение. |
| NU1044M1A C4 | Внутренний зазор подшипника больше. чем C3. Массивный латунный сепаратор. двухтельный. центрированный по бортам. |
| NU1044NM2P/P63B20 | Комбинация P6 (Точность размеров и пробега в соответствии с классом допуска ISO 6 (лучше нормы)) и C3 (Внутренний зазор больше нормы). Канавка под стопорное кольцо на внешнем кольце. Роликовый центрированный механически обработанный латунный сепаратор. Без направляющего кольца. Стабилизированные кольца и уменьшенный допуск по ширине. |
| NU1044MA | Механически обработанный латунный сепаратор. Центрирование по внешнему кольцу. Однорядный цилиндрический роликовый подшипник. |
| NU1044ECMA | Изготовленный из двух частей латунный сепаратор. внешнее кольцо по центру. Оптимизированная внутренняя конструкция предусматривает увеличенное количество роликов и/или ролики большего размера с улучшенными условиями контакта торцов роликов с бортами внутреннего кольца. |
| NU1044M/C3 | Внутренний зазор больше нормального. Механически обработанный латунный сепаратор. клёпаный. центрируемый по роликам. |
| NU1044-M1 | Механически обработанный латунный сепаратор. вращающийся элемент качения (крестовина на заклепках). |
| NU1044-M1A-C3 | Внутренний зазор больше нормального. Массивный латунный сепаратор. двухтельный. центрированный по бортам. |
| NU1044-M1-C3 | Внутренний зазор больше нормального. Механически обработанный латунный сепаратор. вращающийся элемент качения (крестовина на заклепках). |
| NU1044MA/C3 | Внутренний зазор больше нормального. Изготовленный из двух частей латунный сепаратор. внешнее кольцо по центру. |
| NU1044-M1A-C1NA | Массивный латунный сепаратор. двухтельный. центрированный по бортам. Неизменяемый радиальный внутренний зазор для цилиндрического роликоподшипника. |
| NU1044-M1-P5-C1NA | Размерная и рабочая точность соответствует классу допуска ISO 5. Механически обработанный латунный сепаратор. вращающийся элемент качения (крестовина на заклепках). Неизменяемый радиальный внутренний зазор для цилиндрического роликоподшипника. |
| NU1044-N-HPA-F59-C3 | Внутренний зазор больше нормального. Канавка под стопорное кольцо на внешнем кольце. Replaced By. Machined Window-Type Cage Of Forging Bronze. Outer Ring Riding. |
| NU1044-C4 | Внутренний зазор подшипника больше. чем C3. |
| NU1044-M1-C4 | Внутренний зазор подшипника больше. чем C3. Механически обработанный латунный сепаратор. вращающийся элемент качения (крестовина на заклепках). |
| NU1044EM | Стандартный фланцевый ( с резьбой и сквозным отверстием). |
| NU1044ML | Механически обработанный латунный сепаратор. оконного типа. центрируемый по внутреннему или наружному кольцу в зависимости от типа подшипника. |
| NU1044-M1-P6-C3 | Внутренний зазор больше нормального. Механически обработанный латунный сепаратор. вращающийся элемент качения (крестовина на заклепках). Размерные и геометрические допуски соответствуют классу точности P6. |
| NU1044-E-MA6 | Повышенная грузоподъемность. Изготовленный из двух частей латунный сепаратор. Центрирование по внешнему кольцу. Различные конструкции или сорта материалов обозначаются цифрой или буквой.. |
| NU1044-E-M6 | Повышенная грузоподъемность. 20-28 UM (C3 & C4). |
Модификации цилиндрического роликового подшипника NU1044ML/C3 — это измененное основное конструктивное исполнение NU1044, основные размеры (220x340x56) не отличаются.
| Обозначение | Гост | Конструктивные особенности |
|---|---|---|
| NJ1044 | ISO | Штампованный сепаратор из стального листа. Канавка под стопорное кольцо на наружном кольце подшипника. Однорядный цилиндрический роликовый подшипник. Наружное кольцо имеет два борта. |
| Z-549152.NU1044-C4 | ISO | Внутренний зазор подшипника больше. чем C3. |
| NJ1044-M1 | ISO | Механически обработанный латунный сепаратор. вращающийся элемент качения (крестовина на заклепках). |
Аналог цилиндрического роликового подшипника NU1044ML/C3 — это подшипник такого же размера dx220,Dx340,Bx56, типа и конструкции.
| Обозначение | Конструктивные особенности | Внутренний (d) | Наружный (D) | Ширина (B) |
|---|---|---|---|---|
| 7044 C | Шариковый радиально-упорный однорядный подшипник. 15° Угол контакта. | 220.00 | 340.00 | 56.00 |
| 176144-Л | Шариковый радиально-упорный однорядный подшипник. Сепаратор из латуни.. | 220.00 | 340.00 | 56.00 |
| 266144КЛ3 | Шариковый радиально-упорный сдвоенный подшипник. «Замок» (скос) на внутреннем кольце плюс массивный сепаратор из текстолита. Сепаратор из латуни.. | 220.00 | 340.00 | 56.00 |
| 4-144-ВI2А | Шариковый радиальный однорядный подшипник. Повышенная грузоподъемность. | 220.00 | 340.00 | 56.00 |
| 6044ZX | Шариковый радиальный однорядный подшипник. Съемная защитная шайба с одной стороны. | 220.00 | 340.00 | 56.00 |
| 6-32144 М | Роликовый радиальный однорядный подшипник. Модифицированный контакт.. | 220.00 | 340.00 | 56.00 |
| 66144КЛ | Шариковый радиально-упорный однорядный подшипник. «Замок» (скос) на внутреннем кольце плюс массивный сепаратор из текстолита. Сепаратор из латуни.. | 220.00 | 340.00 | 56.00 |
| 70-32144 М | Роликовый радиальный подшипник. Модифицированный контакт.. | 220.00 | 340.00 | 56.00 |
| 76-32144 М | Роликовый радиальный однорядный подшипник. Модифицированный контакт.. | 220.00 | 340.00 | 56.00 |
| 6044Z | Шариковый радиальный однорядный подшипник. Стальная шайба. | 220.00 | 340.00 | 56.00 |
| 9144K | Шариковый радиальный однорядный подшипник. Коническое отверстие. Конусность 1/12. | 220.00 | 340.00 | 56.00 |
| 144-Л | Шариковый радиальный однорядный подшипник. Сепаратор из латуни.. | 220.00 | 340.00 | 56.00 |
| 2В80-144 Л | Шариковый радиальный однорядный подшипник. Сепаратор из латуни.. | 220.00 | 340.00 | 56.00 |
| NJ 1044 ML | Роликовый радиальный однорядный подшипник. Механически обработанный латунный сепаратор. оконного типа. центрируемый по внутреннему или наружному кольцу в зависимости от типа подшипника. Однорядный цилиндрический роликовый подшипник. | 220.00 | 340.00 | 56.00 |
| 46144К | Шариковый радиально-упорный однорядный подшипник. «Замок» (скос) на внутреннем кольце плюс массивный сепаратор из текстолита. | 220.00 | 340.00 | 56.00 |
Способы доставки
Отправка через ведущие транспортные и курьерские компании: ПЭК, Деловые Линии, СДЭК, Байкал-Сервис, Энергия, КИТ, ЖелДорЭкспедиция.
Самовывоз возможен напрямую со склада в Москве.
Сроки доставки
Срок зависит от региона и выбранной транспортной компании. Все заказы комплектуются и отправляются в кратчайшие сроки со склада в Москве.
Надёжность и сохранность
Вся продукция упаковывается с учётом требований транспортировки. Мы гарантируем, что подшипники и комплектующие прибудут к заказчику в полной сохранности.
Доставка в страны ЕАЭС
Мы работаем с проверенными логистическими партнёрами, что позволяет оперативно доставлять заказы в Беларусь, Казахстан, Армению и другие страны ЕАЭС.
Варианты оплаты:
Минимальная сумма заказа и скидки:
Документы и гарантии:
Да, конечно! Наши технические специалисты готовы помочь вам с подбором точного аналога или замены подшипника. Просто позвоните нам по телефону +7 (495) 104-99-04 или напишите на почту zakaz@podsnab.ru.
Для оперативной консультации подготовьте, пожалуйста, имеющиеся данные: маркировку, размеры, тип оборудования или артикул старого подшипника.
Да, конечно! Мы высоко ценим долгосрочное сотрудничество и доверие клиентов по всей России. Для постоянных клиентов действует персональная система скидок.
Условия формируются индивидуально и зависят от:
Чтобы узнать свои условия и получить максимально выгодное предложение, свяжитесь с персональным менеджером или напишите нам на почту zakaz@podsnab.ru.
Вы можете оформить заказ несколькими способами:
Для оформления заказа от юридического лица свяжитесь с нашим отделом по работе с корпоративными клиентами по телефону +7 (495) 104-99-04 или напишите на email zakaz@podsnab.ru, прикрепив реквизиты вашей организации.
Мы оперативно подготовим коммерческое предложение и выставим счет.
Возврат товара надлежащего качества возможен в течение 10 дней с момента получения, если товар не был в употреблении, сохранен товарный вид, упаковка не вскрывалась и присутствуют все сопроводительные документы.
Возврат денежных средств осуществляется в течение 10 рабочих дней после проверки товара складом.
В соответствии с законодательством возврату не подлежат подшипники надлежащего качества, если отсутствует оригинальная упаковка или имеются следы монтажа.
В случае выявления брака или гарантийного случая мы гарантируем возврат или обмен товара.
Да, гарантийный срок хранения устанавливается заводом-изготовителем и в среднем составляет 2 года при соблюдении условий хранения: сухое помещение, оригинальная упаковка и смазка.
Точный срок для конкретного типа подшипника уточняйте у наших менеджеров.
Пн–Пт: с 8:00 до 17:00 (МСК).
Сб–Вс: выходные дни.
Заказы на сайте принимаются круглосуточно. Заявки, поступившие после окончания рабочего дня, обрабатываются на следующий рабочий день.
Минимальная сумма заказа для доставки составляет 3000 рублей. Самовывоз со склада возможен на любую сумму при наличии товара.
ООО «УралТехГрупп»
ИНН: 7415093830
КПП: 772401001
ОГРН: 1167456069021
Банк: ПАО Сбербанк
Р/с: 40702810838000475273
К/с: 30101810400000000225
БИК: 044525225
У подшипника NU1044ML/C3 пока нет отзывов. Вы можете стать первым покупателем, поделившимся своим мнением.