Поиск подшипника
Статьи
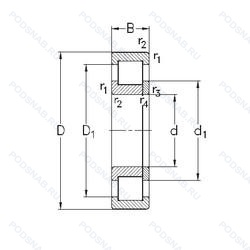
NUP326-E-M6 — однорядный цилиндрический роликовый подшипник, модификация основного исполнения NUP326, производство NKE.
Размер подшипника: 130x280x58 мм.
Однорядный цилиндрический роликоподшипник. Наружное кольцо имеет два борта, внутреннее — один борт и одно свободное фланцевое кольцо. Основные размеры по DIN 5412-1, относится к подтипу фиксированные подшипники, разъемные, с сепаратором, цельный латунный сепаратор с роликовыми направляющими для цилиндрических роликоподшипников, повышенная грузоподъемность.
Аналоги: NUP326-E-XL-M1 FAG.
Международная стандартизации ISO
NUP326EM6
В наличии
| Обозначение | Конструктивные изменения |
|---|---|
| NUP326-E-M6-C3 | Внутренний зазор больше нормального. Повышенная грузоподъемность. 20-28 UM (C3 & C4). |
| NUP326 | Сталь сквозной закалки SUJ2 (японская) и взаимозаменяемость (только для метрических серий). Канавка под стопорное кольцо на наружном кольце подшипника. Точность размеров примерно соответствует классу точности Р4. Однорядный цилиндрический роликовый подшипник. Наружное кольцо имеет два борта. Основное конструктивное исполнение. |
| NUP326ECJ | Два стальных сепаратора оконного типа. внутреннее кольцо без фланца. направляющее кольцо с усиленным роликом. |
| NUP326-E-XL-M1 | Повышенная грузоподъемность. Серия X-Life премиум-класс. увеличиный срок службы. Механически обработанный латунный сепаратор. вращающийся элемент качения (крестовина на заклепках). |
| NUP326-E-XL-M1-C3 | Внутренний зазор больше нормального. Повышенная грузоподъемность. Серия X-Life премиум-класс. увеличиный срок службы. Механически обработанный латунный сепаратор. вращающийся элемент качения (крестовина на заклепках). |
| NUP326-E-M1 | Повышенная грузоподъемность. Механически обработанный латунный сепаратор. вращающийся элемент качения (крестовина на заклепках). |
| NUP326M C3 | Внутренний зазор больше нормального. Механически обработанный латунный сепаратор .Расположенный на элементах качения. |
| NUP326-E-XL-TVP2 | Повышенная грузоподъемность. Серия X-Life премиум-класс. увеличиный срок службы. Cепаратор изготовленный из полиамида PA66. армированного стекловолокном. |
| NUP326E.M1.C3 | Внутренний зазор больше нормального. Повышенная грузоподъемность. Механически обработанный латунный сепаратор. вращающийся элемент качения (крестовина на заклепках). |
| NUP326E.TVP2 | Повышенная грузоподъемность. Cепаратор изготовленный из полиамида PA66. армированного стекловолокном. |
| NUP326-E-MPA | Повышенная грузоподъемность. Твердый латунный сепаратор. |
| NUP326-E-MA6 | Повышенная грузоподъемность. Изготовленный из двух частей латунный сепаратор. Центрирование по внешнему кольцу. Различные конструкции или сорта материалов обозначаются цифрой или буквой.. |
| NUP326-E-TVP3 | Повышенная грузоподъемность. Цельный сепаратор из полиамида PA66-GF25. сепаратор оконного типа. направляемый телами качения. |
| NUP326EM | Стандартный фланцевый ( с резьбой и сквозным отверстием). |
| NUP326E | Повышенная грузоподъемность. |
| NUP326R | С выпуклыми асимметричными роликами и обработанным сепаратором. |
Модификации цилиндрического роликового подшипника NUP326-E-M6 — это измененное основное конструктивное исполнение NUP326, основные размеры (130x280x58) не отличаются.
| Обозначение | Гост | Конструктивные особенности |
|---|---|---|
| NU326-E-M1-QP11-C3 | ISO | Внутренний зазор больше нормального. Повышенная грузоподъемность. Механически обработанный латунный сепаратор. вращающийся элемент качения (крестовина на заклепках). |
| NU326-E-XL-M1-QP11-C3 | ISO | Внутренний зазор больше нормального. Повышенная грузоподъемность. Серия X-Life премиум-класс. увеличиный срок службы. Механически обработанный латунный сепаратор. вращающийся элемент качения (крестовина на заклепках). |
| NJ326E C3 | ISO | Внутренний зазор больше нормального. Повышенная грузоподъемность. |
| NU326-E-XL-MP1A-J30PC-C3 | ISO | Внутренний зазор больше нормального. Повышенная грузоподъемность. Серия X-Life премиум-класс. увеличиный срок службы. Твердый латунный сепаратор. Однорядный. С ребрами на внешнем кольце. Качество X-Life (грузоподъемность до 18 % больше. чем обычно). Кольца и тела качения с черным оксидным покрытием. |
| NU326-E-MP1A-J30PC-C3 | ISO | Внутренний зазор больше нормального. Повышенная грузоподъемность. Твердый латунный сепаратор. Однорядный. С ребрами на внешнем кольце. Качество X-Life (грузоподъемность до 18 % больше. чем обычно). Кольца и тела качения с черным оксидным покрытием. |
| NJ326-E-XL-MCA-C3 | ISO | Радиальный внутренний зазор больше нормального. Повышенная грузоподъемность. Серия X-Life премиум-класс. увеличиный срок службы. Массивный латунный сепаратор. Однокомпонентный. Направляющая на внешнем кольце. |
| NU326WC3 | ISO | Внутренний зазор больше нормального. Цельный прессованный сепаратор. |
| NU326-E-XL-M1-F1-T51A-C4 | ISO | Внутренний зазор подшипника больше. чем C3. Повышенная грузоподъемность. Серия X-Life премиум-класс. увеличиный срок службы. Механически обработанный латунный сепаратор. вращающийся элемент качения (крестовина на заклепках). Спецификация производства и контроля FAG для цилиндрических роликоподшипников в тяговых двигателях. Подшипники качения с ограниченными допусками по ширине. |
| NU326-E-XL-M1A-F59-C3 | ISO | Внутренний зазор больше нормального. Повышенная грузоподъемность. Серия X-Life премиум-класс. увеличиный срок службы. Массивный латунный сепаратор. двухтельный. центрированный по бортам. Replaced By. |
| NU326-E-XL-M1-J20AA-C3 | ISO | Внутренний зазор больше нормального. Повышенная грузоподъемность. Серия X-Life премиум-класс. увеличиный срок службы. Механически обработанный латунный сепаратор. вращающийся элемент качения (крестовина на заклепках). Электроизоляция. наружное кольцо с керамическим покрытием. |
| NU326-E-XL-N-MPAX-C3 | ISO | Внутренний зазор больше нормального. Повышенная грузоподъемность. Серия X-Life премиум-класс. увеличиный срок службы. Канавка под стопорное кольцо на внешнем кольце. Ребристый однокомпонентный цельнолатунный сепаратор является дальнейшим развитием сепараторов FAG типов MPA и MP1A и будет последовательно заменять эти типы. Он обладает большей прочностью по отношению к ударным нагрузкам и вибрациям. чем его предшественники. и особенно хорошо подходит для применения в условиях высоких нагрузок. |
| NU326B-TM0113 | ISO | Конический роликовый подшипник. Угол контакта 20 градусов. NSK Sealed-Clean Technology Seal. Internal Design. Sequential Number Of Design. |
| Z-558826.04.ZL | ISO | Цилиндрический роликовый подшипник. |
| NJ326EMAC3 | ISO | Внутренний зазор больше нормального. Конструкция с увеличенной грузоподьемностью. Механически обработанный латунный сепаратор. Центрирование по внешнему кольцу. |
| NU326EMA | ISO | Конструкция с увеличенной грузоподьемностью. Механически обработанный латунный сепаратор. Центрирование по внешнему кольцу. |
| NU326EMAC3 | ISO | Внутренний зазор больше нормального. Конструкция с увеличенной грузоподьемностью. Механически обработанный латунный сепаратор. Центрирование по внешнему кольцу. |
| NJ326-E-XL-M1-F1-C4 | ISO | Внутренний зазор подшипника больше. чем C3. Повышенная грузоподъемность. Серия X-Life премиум-класс. увеличиный срок службы. Механически обработанный латунный сепаратор. вращающийся элемент качения (крестовина на заклепках). Спецификация производства и контроля FAG для цилиндрических роликоподшипников в тяговых двигателях. |
| BC1B319926/HE1 | ISO | Bearing Or Bearing Component Of Vacuum Remelted Steel. Outer And Inner Rings. |
| N326-E-M1-C3 | ISO | Внутренний зазор больше нормального. Повышенная грузоподъемность. Механически обработанный латунный сепаратор. вращающийся элемент качения (крестовина на заклепках). |
| N326-E-M1 | ISO | Повышенная грузоподъемность. Механически обработанный латунный сепаратор. вращающийся элемент качения (крестовина на заклепках). |
Аналог цилиндрического роликового подшипника NUP326-E-M6 — это подшипник такого же размера dx130,Dx280,Bx58, типа и конструкции.
| Обозначение | Конструктивные особенности | Внутренний (d) | Наружный (D) | Ширина (B) |
|---|---|---|---|---|
| 6-32326-МШ2У | Роликовый радиальный однорядный подшипник. Дополнительные технические требования. Модифицированный контакт.. Нормы шумности. | 130.00 | 280.00 | 58.00 |
| 66326К | Шариковый радиально-упорный однорядный подшипник. «Замок» (скос) на внутреннем кольце плюс массивный сепаратор из текстолита. | 130.00 | 280.00 | 58.00 |
| 70-2326 М | Роликовый радиальный однорядный подшипник. Модифицированный контакт.. | 130.00 | 280.00 | 58.00 |
| 70-32326 М | Роликовый радиальный однорядный подшипник. Модифицированный контакт.. | 130.00 | 280.00 | 58.00 |
| 70-326 Ш2У | Шариковый радиальный однорядный подшипник. Дополнительные технические требования. Нормы шумности. | 130.00 | 280.00 | 58.00 |
| 70-42326 М | Роликовый радиальный однорядный подшипник. Модифицированный контакт.. | 130.00 | 280.00 | 58.00 |
| 76-2326 М | Роликовый радиальный однорядный подшипник. Модифицированный контакт.. | 130.00 | 280.00 | 58.00 |
| 6326LLU | Шариковый радиальный однорядный подшипник. Контактное резиновое уплотнение с двух сторон. | 130.00 | 280.00 | 58.00 |
| 6326/HC5C3S0VA970 | Шариковый радиальный однорядный подшипник. Измененная или модифицированная внутренняя конструкция при неизменных основных размерах. | 130.00 | 280.00 | 58.00 |
| 326-А | Шариковый радиальный однорядный подшипник. Повышенная грузоподъемность. | 130.00 | 280.00 | 58.00 |
| 326-Л | Шариковый радиальный однорядный подшипник. Сепаратор из латуни.. | 130.00 | 280.00 | 58.00 |
| 42326-Л | Роликовый радиальный однорядный подшипник. Сепаратор из латуни.. | 130.00 | 280.00 | 58.00 |
| 42326-М | Роликовый радиальный однорядный подшипник. Модифицированный контакт.. | 130.00 | 280.00 | 58.00 |
| 42326-МЛ | Роликовый радиальный однорядный подшипник. Сепаратор из латуни.. Модифицированный контакт.. | 130.00 | 280.00 | 58.00 |
| 46326К | Шариковый радиально-упорный однорядный подшипник. «Замок» (скос) на внутреннем кольце плюс массивный сепаратор из текстолита. | 130.00 | 280.00 | 58.00 |
Способы доставки
Отправка через ведущие транспортные и курьерские компании: ПЭК, Деловые Линии, СДЭК, Байкал-Сервис, Энергия, КИТ, ЖелДорЭкспедиция.
Самовывоз возможен напрямую со склада в Москве.
Сроки доставки
Срок зависит от региона и выбранной транспортной компании. Все заказы комплектуются и отправляются в кратчайшие сроки со склада в Москве.
Надёжность и сохранность
Вся продукция упаковывается с учётом требований транспортировки. Мы гарантируем, что подшипники и комплектующие прибудут к заказчику в полной сохранности.
Доставка в страны ЕАЭС
Мы работаем с проверенными логистическими партнёрами, что позволяет оперативно доставлять заказы в Беларусь, Казахстан, Армению и другие страны ЕАЭС.
Варианты оплаты:
Минимальная сумма заказа и скидки:
Документы и гарантии:
Да, конечно! Наши технические специалисты готовы помочь вам с подбором точного аналога или замены подшипника. Просто позвоните нам по телефону +7 (495) 104-99-04 или напишите на почту zakaz@podsnab.ru.
Для оперативной консультации подготовьте, пожалуйста, имеющиеся данные: маркировку, размеры, тип оборудования или артикул старого подшипника.
Да, конечно! Мы высоко ценим долгосрочное сотрудничество и доверие клиентов по всей России. Для постоянных клиентов действует персональная система скидок.
Условия формируются индивидуально и зависят от:
Чтобы узнать свои условия и получить максимально выгодное предложение, свяжитесь с персональным менеджером или напишите нам на почту zakaz@podsnab.ru.
Вы можете оформить заказ несколькими способами:
Для оформления заказа от юридического лица свяжитесь с нашим отделом по работе с корпоративными клиентами по телефону +7 (495) 104-99-04 или напишите на email zakaz@podsnab.ru, прикрепив реквизиты вашей организации.
Мы оперативно подготовим коммерческое предложение и выставим счет.
Возврат товара надлежащего качества возможен в течение 10 дней с момента получения, если товар не был в употреблении, сохранен товарный вид, упаковка не вскрывалась и присутствуют все сопроводительные документы.
Возврат денежных средств осуществляется в течение 10 рабочих дней после проверки товара складом.
В соответствии с законодательством возврату не подлежат подшипники надлежащего качества, если отсутствует оригинальная упаковка или имеются следы монтажа.
В случае выявления брака или гарантийного случая мы гарантируем возврат или обмен товара.
Да, гарантийный срок хранения устанавливается заводом-изготовителем и в среднем составляет 2 года при соблюдении условий хранения: сухое помещение, оригинальная упаковка и смазка.
Точный срок для конкретного типа подшипника уточняйте у наших менеджеров.
Пн–Пт: с 8:00 до 17:00 (МСК).
Сб–Вс: выходные дни.
Заказы на сайте принимаются круглосуточно. Заявки, поступившие после окончания рабочего дня, обрабатываются на следующий рабочий день.
Минимальная сумма заказа для доставки составляет 3000 рублей. Самовывоз со склада возможен на любую сумму при наличии товара.
ООО «УралТехГрупп»
ИНН: 7415093830
КПП: 772401001
ОГРН: 1167456069021
Банк: ПАО Сбербанк
Р/с: 40702810838000475273
К/с: 30101810400000000225
БИК: 044525225
У подшипника NUP326-E-M6 пока нет отзывов. Вы можете стать первым покупателем, поделившимся своим мнением.