Поиск подшипника
Статьи
SL18-3028 — однорядный цилиндрический роликовый подшипник, основное исполнение, выпускается производителями: INA, ISO, STEYR, Подшипники NBS.
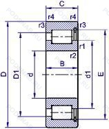
Размер подшипника: 140x210x53 мм.
Тип: Узкое внутреннее кольцо, легкая нагрузка, корпус из штампованной стали, установочный винт.
Альтернативное обозначение: NCF3028V.
Аналоги: SL183028-A INA.
Международная стандартизации ISO
SL183028
В наличии
| Обозначение | Конструктивные изменения |
|---|---|
| SL18-3028A BR | Особенность внутренней конструкции. Чёрный цвет. |
| SL183028-BR-A-C3 | Внутренний зазор больше нормального. Особенность внутренней конструкции. Чёрный цвет. |
| SL18-3028A C3 | Внутренний зазор больше нормального. Особенность внутренней конструкции. |
| SL183028-A-BR-C3 | Внутренний зазор больше нормального. Двухрядный радиально-упорный шарикоподшипник без отверстия для смазки. Обработанный латунный сепаратор. |
| SL183028-A | Особенность внутренней конструкции. |
Модификации цилиндрического роликового подшипника SL18-3028 — это измененное основное конструктивное исполнение SL183028, основные размеры (140x210x53) не отличаются.
| Обозначение | Гост | Конструктивные особенности |
|---|---|---|
| NCF3028V.C3 | ISO | Внутренний зазор больше нормального. Подшипник без сепаратора. С полным комплектом тел качения. |
| NCF3028V | ISO | Бессепараторный подшипник. Однорядный без сепараторный цилиндрический роликовый подшипник. Два борта на внутреннем кольце и один борт на наружном. |
| NU3028M1.C3 | ISO | Внутренний зазор больше нормального. Механически обработанный латунный сепаратор. вращающийся элемент качения (крестовина на заклепках). |
| NU302ECMA/C3 | ISO | Внутренний зазор больше нормального. Изготовленный из двух частей латунный сепаратор. внешнее кольцо по центру. Оптимизированная внутренняя конструкция предусматривает увеличенное количество роликов и/или ролики большего размера с улучшенными условиями контакта торцов роликов с бортами внутреннего кольца. |
| NU3028/VE900 | ISO | (VE)External Or Internal Deviations. |
Аналог цилиндрического роликового подшипника SL18-3028 — это подшипник такого же размера dx140,Dx210,Bx53, типа и конструкции.
| Обозначение | Конструктивные особенности | Внутренний (d) | Наружный (D) | Ширина (B) |
|---|---|---|---|---|
| 23028-K-MB-W33+AHX3028 | Роликовый радиальный сферический двухрядный подшипник. Канавка для смазки и три отверстия во внешнем кольце подшипника. Коническое отверстие. Конусность 1/12. сепаратор из латуни. центрированный по внутреннему кольцу. | 140.00 | 210.00 | 53.00 |
| 23028B | Роликовый радиальный сферический двухрядный подшипник. Конический роликовый подшипник. Угол контакта 20 градусов. | 140.00 | 210.00 | 53.00 |
| 23028-2CS5/VT143 | Роликовый радиальный сферический двухрядный подшипник. Контактное уплотнение из листовой стали, усиленное гидрогенизированным акрилонитрил-бутадиеновым каучуком (HNBR) с обеих сторон. Свободное пространство в подшипнике на 70–100 % заполнено высокотемпературной смазкой.. Заполнение пластичной смазкой SKF LGEP 2 на 25–35 %. | 140.00 | 210.00 | 53.00 |
| 23028 KCW33+AH3028 | Роликовый радиальный сферический двухрядный подшипник. Кольцевая канавка и три отверстия для смазывания в наружном кольце подшипника. Коническое внутреннее отверстие. | 140.00 | 210.00 | 53.00 |
| 23028 KCW33+H3028 | Роликовый радиальный сферический двухрядный подшипник. Кольцевая канавка и три отверстия для смазывания в наружном кольце подшипника. Коническое внутреннее отверстие. | 140.00 | 210.00 | 53.00 |
| 23028-E1-K-TVPB+AHX3028G | Роликовый радиальный сферический двухрядный подшипник. Коническое отверстие. Конусность 1/12. Конструкция с увеличенной грузоподьемностью. Твердый оконный сепаратор из полиамида. армированного стекловолокном. Направляющие на внутреннем кольце. | 140.00 | 210.00 | 53.00 |
| NCF 3028 CV | Роликовый радиальный цилиндрический однорядный подшипник. Полноразмерный цилиндрический роликоподшипник с модифицированной внутренней конструкцией. Однорядный без сепараторный цилиндрический роликовый подшипник. | 140.00 | 210.00 | 53.00 |
| NN3028/W33 | Роликовый радиальный однорядный подшипник. Канавка для смазки и три отверстия во внешнем кольце подшипника. | 140.00 | 210.00 | 53.00 |
| NN3028K/W33 | Роликовый радиальный цилиндрический однорядный подшипник. Канавка для смазки и три отверстия во внешнем кольце подшипника. Коническое отверстие. Конусность 1/12. | 140.00 | 210.00 | 53.00 |
| 23028AX | Роликовый радиальный сферический двухрядный подшипник. Поверхность контакта скольжения сталь / сталь. | 140.00 | 210.00 | 53.00 |
| 23028EK | Сферический роликовый радиальный подшипник. | 140.00 | 210.00 | 53.00 |
| AR140-29 | Роликовый радиальный-упорный двухрядный подшипник. 1.13/16. | 140.00 | 210.00 | 53.00 |
| 6-3182128 Л | Роликовый радиальный двухрядный подшипник. Сепаратор из латуни.. | 140.00 | 210.00 | 53.00 |
| 5-3182128 Л | Роликовый радиальный двухрядный подшипник. Сепаратор из латуни.. | 140.00 | 210.00 | 53.00 |
| 5-3182128 ЛК | Роликовый радиальный двухрядный подшипник. Сепаратор из латуни.. | 140.00 | 210.00 | 53.00 |
Способы доставки
Отправка через ведущие транспортные и курьерские компании: ПЭК, Деловые Линии, СДЭК, Байкал-Сервис, Энергия, КИТ, ЖелДорЭкспедиция.
Самовывоз возможен напрямую со склада в Москве.
Сроки доставки
Срок зависит от региона и выбранной транспортной компании. Все заказы комплектуются и отправляются в кратчайшие сроки со склада в Москве.
Надёжность и сохранность
Вся продукция упаковывается с учётом требований транспортировки. Мы гарантируем, что подшипники и комплектующие прибудут к заказчику в полной сохранности.
Доставка в страны ЕАЭС
Мы работаем с проверенными логистическими партнёрами, что позволяет оперативно доставлять заказы в Беларусь, Казахстан, Армению и другие страны ЕАЭС.
Варианты оплаты:
Минимальная сумма заказа и скидки:
Документы и гарантии:
Да, конечно! Наши технические специалисты готовы помочь вам с подбором точного аналога или замены подшипника. Просто позвоните нам по телефону +7 (495) 104-99-04 или напишите на почту zakaz@podsnab.ru.
Для оперативной консультации подготовьте, пожалуйста, имеющиеся данные: маркировку, размеры, тип оборудования или артикул старого подшипника.
Да, конечно! Мы высоко ценим долгосрочное сотрудничество и доверие клиентов по всей России. Для постоянных клиентов действует персональная система скидок.
Условия формируются индивидуально и зависят от:
Чтобы узнать свои условия и получить максимально выгодное предложение, свяжитесь с персональным менеджером или напишите нам на почту zakaz@podsnab.ru.
Вы можете оформить заказ несколькими способами:
Для оформления заказа от юридического лица свяжитесь с нашим отделом по работе с корпоративными клиентами по телефону +7 (495) 104-99-04 или напишите на email zakaz@podsnab.ru, прикрепив реквизиты вашей организации.
Мы оперативно подготовим коммерческое предложение и выставим счет.
Возврат товара надлежащего качества возможен в течение 10 дней с момента получения, если товар не был в употреблении, сохранен товарный вид, упаковка не вскрывалась и присутствуют все сопроводительные документы.
Возврат денежных средств осуществляется в течение 10 рабочих дней после проверки товара складом.
В соответствии с законодательством возврату не подлежат подшипники надлежащего качества, если отсутствует оригинальная упаковка или имеются следы монтажа.
В случае выявления брака или гарантийного случая мы гарантируем возврат или обмен товара.
Да, гарантийный срок хранения устанавливается заводом-изготовителем и в среднем составляет 2 года при соблюдении условий хранения: сухое помещение, оригинальная упаковка и смазка.
Точный срок для конкретного типа подшипника уточняйте у наших менеджеров.
Пн–Пт: с 8:00 до 17:00 (МСК).
Сб–Вс: выходные дни.
Заказы на сайте принимаются круглосуточно. Заявки, поступившие после окончания рабочего дня, обрабатываются на следующий рабочий день.
Минимальная сумма заказа для доставки составляет 3000 рублей. Самовывоз со склада возможен на любую сумму при наличии товара.
ООО «УралТехГрупп»
ИНН: 7415093830
КПП: 772401001
ОГРН: 1167456069021
Банк: ПАО Сбербанк
Р/с: 40702810838000475273
К/с: 30101810400000000225
БИК: 044525225
У подшипника SL18-3028 пока нет отзывов. Вы можете стать первым покупателем, поделившимся своим мнением.