Поиск подшипника
Статьи
NUP407M — однорядный цилиндрический роликовый подшипник, модификация основного исполнения NUP407, выпускается производителями: FAG, NKE, SKF.
Размер подшипника: 35x100x25 мм.
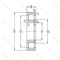
Однорядный цилиндрический роликоподшипник. Наружное кольцо имеет два борта, внутреннее — один борт и одно свободное фланцевое кольцо. Основные размеры по DIN 5412-1, относится к подтипу фиксированные подшипники, разъемные, с сепаратором, подшипник с латунным сепаратором. центрированный по телам качения.
Международная стандартизации ISO
NUP407M
В наличии
| Обозначение | Конструктивные изменения |
|---|---|
| NUP407N | Канавка под стопорное кольцо на внешнем кольце. |
| NUP407N NA | Радиальный зазор для подшипников с невзаимозаменяемыми кольцами (Обозначает всегда после символа радиального зазора. например. NU215P63 NA). Канавка под стопорное кольцо на внешнем кольце. |
| NUP407 | Сталь сквозной закалки SUJ2 (японская) и взаимозаменяемость (только для метрических серий). Канавка под стопорное кольцо на наружном кольце подшипника. Класс точности 4. Точность размеров примерно соответствует классу точности Р4. Однорядный цилиндрический роликовый подшипник. Наружное кольцо имеет два борта. Основное конструктивное исполнение. |
| NUP407-XL | Серия X-Life премиум-класс. увеличиный срок службы. |
| NUP407ECP | Оптимизированная внутренняя конструкция предусматривает увеличенное количество роликов и/или ролики большего размера с улучшенными условиями контакта торцов роликов с бортами внутреннего кольца. Сепаратор из стеклонаполненного полиамида PA66. центрируемый по роликам. |
| NUP407.C3 | Внутренний зазор больше нормального. |
Модификации цилиндрического роликового подшипника NUP407M — это измененное основное конструктивное исполнение NUP407, основные размеры (35x100x25) не отличаются.
| Обозначение | Гост | Конструктивные особенности |
|---|---|---|
| NJ407E.M1A.C3 | ISO | Внутренний зазор больше нормального. Повышенная грузоподъемность. Массивный латунный сепаратор. двухтельный. центрированный по бортам. |
| NJ407G1 C3 | ISO | Внутренний зазор больше нормального. Обработанный латунный сепаратор для цилиндрических роликоподшипников. |
| NP407 | ISO | Канавка под стопорное кольцо на наружном кольце подшипника. |
| NU407MA | ISO | Механически обработанный латунный сепаратор. Центрирование по внешнему кольцу. |
| NU407NA | ISO | Нет особого значения для цилиндрического подшипника. |
| NU407M C3 | ISO | Внутренний зазор больше нормального. Механически обработанный латунный сепаратор .Расположенный на элементах качения. |
| NJ407M1A.C3 | ISO | Внутренний зазор больше нормального. Массивный латунный сепаратор. двухтельный. центрированный по бортам. |
| NJ407MA | ISO | Механически обработанный латунный сепаратор. Центрирование по внешнему кольцу. |
| NJ407-XL-M1A | ISO | Серия X-Life премиум-класс. увеличиный срок службы. Массивный латунный сепаратор. двухтельный. центрированный по бортам. |
| NF407W | ISO | Цельный прессованный сепаратор. |
| NU407W C3 | ISO | Внутренний зазор больше нормального. Цельный прессованный сепаратор. |
| NJ407M1.C3 | ISO | Внутренний зазор больше нормального. Механически обработанный латунный сепаратор. вращающийся элемент качения (крестовина на заклепках). |
| NU407-M1-C3 | ISO | Внутренний зазор больше нормального. Механически обработанный латунный сепаратор. вращающийся элемент качения (крестовина на заклепках). |
| NJ407-M1A | ISO | Массивный латунный сепаратор. двухтельный. центрированный по бортам. |
| NJ407/B910 | ISO | B Combined With A Two Or Three Figure Number Identifies Variants Of The Standard Design That Cannot Be Identified By Generally Applicable Suffixes. |
| NJ407J1/ZS | ISO | Z-образный сепаратор. Прессованный стальной сепаратор. Вращающийся элемент по центру. Незакаленный. |
| NJ407W | ISO | Цельный прессованный сепаратор. |
| NU407W | ISO | Цельный прессованный сепаратор. |
| NJ407MC3 | ISO | (Миниатюрные радиальные шарикоподшипники серии Metric. M = без латунного сепаратора) = Нормальный радиальный внутренний зазор. |
| NJ407M1 | ISO | Механически обработанный латунный сепаратор. вращающийся элемент качения (крестовина на заклепках). |
Аналог цилиндрического роликового подшипника NUP407M — это подшипник такого же размера dx35,Dx100,Bx25, типа и конструкции.
| Обозначение | Конструктивные особенности | Внутренний (d) | Наружный (D) | Ширина (B) |
|---|---|---|---|---|
| 7-407-АК | Шариковый радиальный однорядный подшипник. Повышенная грузоподъемность. | 35.00 | 100.00 | 25.00 |
| 5-407 АШ2 | Шариковый радиальный однорядный подшипник. Нормы шумности. Повышенная грузоподъемность. | 35.00 | 100.00 | 25.00 |
| 6-407 АШ1 | Шариковый радиальный однорядный подшипник. Повышенная грузоподъемность. Нормы шумности. | 35.00 | 100.00 | 25.00 |
| 6-407 АШ | Шариковый радиальный однорядный подшипник. Повышенная грузоподъемность. Нормы шумности. | 35.00 | 100.00 | 25.00 |
| 6-50407 АШ1 | Шариковый радиальный однорядный подшипник. Повышенная грузоподъемность. Нормы шумности. | 35.00 | 100.00 | 25.00 |
| 6-50407 АШ | Шариковый радиальный однорядный подшипник. Повышенная грузоподъемность. Нормы шумности. | 35.00 | 100.00 | 25.00 |
| 76-407 АШ1 | Шариковый радиальный однорядный подшипник. Повышенная грузоподъемность. Нормы шумности. | 35.00 | 100.00 | 25.00 |
| 66407-Л | Шариковый радиально-упорный однорядный подшипник. Сепаратор из латуни.. | 35.00 | 100.00 | 25.00 |
| 70-407 АК | Шариковый радиальный однорядный подшипник. Повышенная грузоподъемность. | 35.00 | 100.00 | 25.00 |
| 8-102407 М | Роликовый радиальный однорядный подшипник. Модифицированный контакт.. | 35.00 | 100.00 | 25.00 |
| 6407Z | Шариковый радиальный однорядный подшипник. Стальная шайба. | 35.00 | 100.00 | 25.00 |
| 407-А | Шариковый радиальный однорядный подшипник. Повышенная грузоподъемность. | 35.00 | 100.00 | 25.00 |
| 407-АК | Шариковый радиальный подшипник. Повышенная грузоподъемность. | 35.00 | 100.00 | 25.00 |
| 45-176407 Е1Ш2 | Шариковый радиально-упорный однорядный подшипник. Сепаратор из текстолита.. Нормы шумности. | 35.00 | 100.00 | 25.00 |
| 50407-АК | Шариковый радиальный однорядный подшипник. Повышенная грузоподъемность. | 35.00 | 100.00 | 25.00 |
Способы доставки
Отправка через ведущие транспортные и курьерские компании: ПЭК, Деловые Линии, СДЭК, Байкал-Сервис, Энергия, КИТ, ЖелДорЭкспедиция.
Самовывоз возможен напрямую со склада в Москве.
Сроки доставки
Срок зависит от региона и выбранной транспортной компании. Все заказы комплектуются и отправляются в кратчайшие сроки со склада в Москве.
Надёжность и сохранность
Вся продукция упаковывается с учётом требований транспортировки. Мы гарантируем, что подшипники и комплектующие прибудут к заказчику в полной сохранности.
Доставка в страны ЕАЭС
Мы работаем с проверенными логистическими партнёрами, что позволяет оперативно доставлять заказы в Беларусь, Казахстан, Армению и другие страны ЕАЭС.
Варианты оплаты:
Минимальная сумма заказа и скидки:
Документы и гарантии:
Да, конечно! Наши технические специалисты готовы помочь вам с подбором точного аналога или замены подшипника. Просто позвоните нам по телефону +7 (495) 104-99-04 или напишите на почту zakaz@podsnab.ru.
Для оперативной консультации подготовьте, пожалуйста, имеющиеся данные: маркировку, размеры, тип оборудования или артикул старого подшипника.
Да, конечно! Мы высоко ценим долгосрочное сотрудничество и доверие клиентов по всей России. Для постоянных клиентов действует персональная система скидок.
Условия формируются индивидуально и зависят от:
Чтобы узнать свои условия и получить максимально выгодное предложение, свяжитесь с персональным менеджером или напишите нам на почту zakaz@podsnab.ru.
Вы можете оформить заказ несколькими способами:
Для оформления заказа от юридического лица свяжитесь с нашим отделом по работе с корпоративными клиентами по телефону +7 (495) 104-99-04 или напишите на email zakaz@podsnab.ru, прикрепив реквизиты вашей организации.
Мы оперативно подготовим коммерческое предложение и выставим счет.
Возврат товара надлежащего качества возможен в течение 10 дней с момента получения, если товар не был в употреблении, сохранен товарный вид, упаковка не вскрывалась и присутствуют все сопроводительные документы.
Возврат денежных средств осуществляется в течение 10 рабочих дней после проверки товара складом.
В соответствии с законодательством возврату не подлежат подшипники надлежащего качества, если отсутствует оригинальная упаковка или имеются следы монтажа.
В случае выявления брака или гарантийного случая мы гарантируем возврат или обмен товара.
Да, гарантийный срок хранения устанавливается заводом-изготовителем и в среднем составляет 2 года при соблюдении условий хранения: сухое помещение, оригинальная упаковка и смазка.
Точный срок для конкретного типа подшипника уточняйте у наших менеджеров.
Пн–Пт: с 8:00 до 17:00 (МСК).
Сб–Вс: выходные дни.
Заказы на сайте принимаются круглосуточно. Заявки, поступившие после окончания рабочего дня, обрабатываются на следующий рабочий день.
Минимальная сумма заказа для доставки составляет 3000 рублей. Самовывоз со склада возможен на любую сумму при наличии товара.
ООО «УралТехГрупп»
ИНН: 7415093830
КПП: 772401001
ОГРН: 1167456069021
Банк: ПАО Сбербанк
Р/с: 40702810838000475273
К/с: 30101810400000000225
БИК: 044525225
У подшипника NUP407M пока нет отзывов. Вы можете стать первым покупателем, поделившимся своим мнением.