Поиск подшипника
Статьи
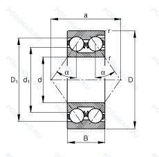
3317M — Подшипник шариковый двухрядный радиально-упорный, модификация основного исполнения 3317, выпускается производителями: FAG, NEUTRAL.
Размер подшипника: 85x180x73 мм.
Подшипник с латунным сепаратором. центрированный по телам качения.
Альтернативное обозначение: MDJK85M.
Аналоги: 3317M FAG,3317-M FAG.
Международная стандартизации ISO
3317M
В наличии
| Обозначение | Конструктивные изменения |
|---|---|
| 3317 | Подшипник шариковый двухрядный радиально-упорный. Основное конструктивное исполнение. |
| 3317C3 | Внутренний зазор больше нормального. |
| 3317 ATNZZ | Подшипник шариковый двухрядный радиально-упорный. |
| 3317 ATN2RS | Подшипник шариковый двухрядный радиально-упорный. |
| 3317 ATN | Подшипник шариковый двухрядный радиально-упорный. |
| 3317DA.521521.E14S | Шарикоподшипник двухрядный с разъемным внутренним кольцом. Package Marking With Customer Number For BSI-Verkehrstechnik. Mulheim_ E14S Replaces K100. |
| 3317C.M.L61 | 15° Угол контакта. Твердый латунный сепаратор. Шариковые направляющие. Normal Temperature Grease -10°C/+130°C. Aeroshell Grease No. 5. |
| 3317A/C3 | Внутренний зазор больше нормального. Двухрядный радиально-упорный шарикоподшипник без отверстия для смазки. |
| 3317DA.521521 | Шарикоподшипник двухрядный с разъемным внутренним кольцом. |
| 3317A | Двухрядный радиально-упорный шарикоподшипник без отверстия для смазки. |
| 3317S | Запечатанная версия кулачкового ролика. |
| 3317DA/C3 | Внутренний зазор больше нормального. Шарикоподшипник двухрядный с разъемным внутренним кольцом. |
| 3317DA.521521.K100 | Шарикоподшипник двухрядный с разъемным внутренним кольцом. Package Marking With Customer Number For BSI-Verkehrstechnik. Mulheim. |
| 3317C.M | 15° Угол контакта. Твердый латунный сепаратор. Шариковые направляющие. |
| 3317-DA-MA | Механически обработанный латунный сепаратор. Центрирование по внешнему кольцу. Шарикоподшипник двухрядный с разъемным внутренним кольцом. |
| 3317-M-C3 | Внутренний зазор больше нормального. Твердый латунный сепаратор. Шариковые направляющие. |
Модификации шарикового подшипника 3317M — это измененное основное конструктивное исполнение 3317, основные размеры (85x180x73) не отличаются.
| Обозначение | Гост | Конструктивные особенности |
|---|---|---|
| 5317M | ISO | Подшипник с латунным сепаратором. центрированный по телам качения. |
| 5317 | ISO | Подшипник шариковый двухрядный радиально-упорный. |
| Z-521521.3317-DA-T52A | ISO | Шарикоподшипник двухрядный с разъемным внутренним кольцом. Rolling Bearings With Restricted Tolerances For Radial Runout_ Side Runout And Wall Thickness Variation (Axial Runout). |
| Z-521521.3317-DA | ISO | Шарикоподшипник двухрядный с разъемным внутренним кольцом. |
| MDJK85M | ISO | Механически обработанный латунный сепаратор .Расположенный на элементах качения. |
| 5317/C3 | ISO | Внутренний зазор больше нормального. |
| 5317C | ISO | Двухрядный радиально-упорный подшипник качения без канавки для заполнения шариками. Со сходящимися наружу угловыми контактами. Жесткая конструкция. |
Аналог шарикового подшипника 3317M — это подшипник такого же размера dx85,Dx180,Bx73, типа и конструкции.
| Обозначение | Конструктивные особенности | Внутренний (d) | Наружный (D) | Ширина (B) |
|---|---|---|---|---|
| 51417F | Подшипник шариковый упорный однонаправленный. Сепаратор из обработанной стали или специального чугуна. | 85.00 | 180.00 | 72.00 |
| 63317ZZ | Подшипник однорядный шариковый радиальный. Защитные металлические шайбы с обеих сторон. | 85.00 | 180.00 | 73.00 |
| 51417MP | Подшипник шариковый упорный однонаправленный. Массивный латунный сепаратор. центрированный по телам качения. | 85.00 | 180.00 | 72.00 |
| 51417FP | Подшипник шариковый упорный однонаправленный. Механически обработанный стальной сепаратор оконного типа. | 85.00 | 180.00 | 72.00 |
| A 5317 WB | Роликовый радиальный однорядный подшипник. Cast Iron Take-Up Type Bearing Unit With Its Stretcher Frame. Relubricatable. | 85.00 | 180.00 | 73.03 |
| 3092317-Л | Роликовый радиальный однорядный подшипник. Сепаратор из латуни.. | 85.00 | 180.00 | 73.00 |
| 30-92317 ЛМ | Роликовый радиальный однорядный подшипник. Сепаратор из латуни.. Модифицированный контакт.. | 85.00 | 180.00 | 73.00 |
| NJ3317 | Роликовый радиальный однорядный подшипник. Штампованный сепаратор из стального листа. Канавка под стопорное кольцо на наружном кольце подшипника. Однорядный цилиндрический роликовый подшипник. Наружное кольцо имеет два борта. | 85.00 | 180.00 | 73.00 |
| NU3317 | Роликовый радиальный однорядный подшипник. Канавка под стопорное кольцо на наружном кольце подшипника. Однорядные цилиндрические роликоподшипники. Наружное кольцо подшипника имеет два борта. | 85.00 | 180.00 | 73.00 |
| NUP3317 | Роликовый радиальный однорядный подшипник. Канавка под стопорное кольцо на наружном кольце подшипника. Точность размеров примерно соответствует классу точности Р4. Однорядный цилиндрический роликовый подшипник. Наружное кольцо имеет два борта. | 85.00 | 180.00 | 73.00 |
| 8417Н | Шариковый упорный однорядный подшипник. Детали из теплостойкой стали. | 85.00 | 180.00 | 72.00 |
| 5317 A | Шариковый радиально-упорный подшипник. Измененная или модифицированная внутренняя конструкция при неизменных основных размерах. | 85.00 | 180.00 | 73.00 |
| 5317ZZ | Шариковый радиально-упорный подшипник. Защитные металлические шайбы с обеих сторон. | 85.00 | 180.00 | 73.03 |
| 5317W | Шариковый радиально-упорный двухрядный подшипник. Максимальная грузоподъемность. | 85.00 | 180.00 | 73.02 |
| 63317-2RS | Шариковый радиальный однорядный подшипник. Резиновые уплотнения с каждой стороны подшипника. | 85.00 | 180.00 | 73.00 |
Способы доставки
Отправка через ведущие транспортные и курьерские компании: ПЭК, Деловые Линии, СДЭК, Байкал-Сервис, Энергия, КИТ, ЖелДорЭкспедиция.
Самовывоз возможен напрямую со склада в Москве.
Сроки доставки
Срок зависит от региона и выбранной транспортной компании. Все заказы комплектуются и отправляются в кратчайшие сроки со склада в Москве.
Надёжность и сохранность
Вся продукция упаковывается с учётом требований транспортировки. Мы гарантируем, что подшипники и комплектующие прибудут к заказчику в полной сохранности.
Доставка в страны ЕАЭС
Мы работаем с проверенными логистическими партнёрами, что позволяет оперативно доставлять заказы в Беларусь, Казахстан, Армению и другие страны ЕАЭС.
Варианты оплаты:
Минимальная сумма заказа и скидки:
Документы и гарантии:
Да, конечно! Наши технические специалисты готовы помочь вам с подбором точного аналога или замены подшипника. Просто позвоните нам по телефону +7 (495) 104-99-04 или напишите на почту zakaz@podsnab.ru.
Для оперативной консультации подготовьте, пожалуйста, имеющиеся данные: маркировку, размеры, тип оборудования или артикул старого подшипника.
Да, конечно! Мы высоко ценим долгосрочное сотрудничество и доверие клиентов по всей России. Для постоянных клиентов действует персональная система скидок.
Условия формируются индивидуально и зависят от:
Чтобы узнать свои условия и получить максимально выгодное предложение, свяжитесь с персональным менеджером или напишите нам на почту zakaz@podsnab.ru.
Вы можете оформить заказ несколькими способами:
Для оформления заказа от юридического лица свяжитесь с нашим отделом по работе с корпоративными клиентами по телефону +7 (495) 104-99-04 или напишите на email zakaz@podsnab.ru, прикрепив реквизиты вашей организации.
Мы оперативно подготовим коммерческое предложение и выставим счет.
Возврат товара надлежащего качества возможен в течение 10 дней с момента получения, если товар не был в употреблении, сохранен товарный вид, упаковка не вскрывалась и присутствуют все сопроводительные документы.
Возврат денежных средств осуществляется в течение 10 рабочих дней после проверки товара складом.
В соответствии с законодательством возврату не подлежат подшипники надлежащего качества, если отсутствует оригинальная упаковка или имеются следы монтажа.
В случае выявления брака или гарантийного случая мы гарантируем возврат или обмен товара.
Да, гарантийный срок хранения устанавливается заводом-изготовителем и в среднем составляет 2 года при соблюдении условий хранения: сухое помещение, оригинальная упаковка и смазка.
Точный срок для конкретного типа подшипника уточняйте у наших менеджеров.
Пн–Пт: с 8:00 до 17:00 (МСК).
Сб–Вс: выходные дни.
Заказы на сайте принимаются круглосуточно. Заявки, поступившие после окончания рабочего дня, обрабатываются на следующий рабочий день.
Минимальная сумма заказа для доставки составляет 3000 рублей. Самовывоз со склада возможен на любую сумму при наличии товара.
ООО «УралТехГрупп»
ИНН: 7415093830
КПП: 772401001
ОГРН: 1167456069021
Банк: ПАО Сбербанк
Р/с: 40702810838000475273
К/с: 30101810400000000225
БИК: 044525225
У подшипника 3317M пока нет отзывов. Вы можете стать первым покупателем, поделившимся своим мнением.