Поиск подшипника
Статьи
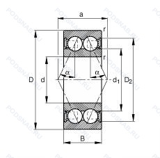
3806-B-2RSR-TVH — Подшипник шариковый двухрядный радиально-упорный, модификация основного исполнения 3806, производство FAG.
Размер подшипника: 30x42x10 мм.
Seal at each side of the bearing, формованный полиамидный сепаратор защелкивающегося типа, модификация внутренней конструкции.
Аналоги: 3806 2RS INA,3806-2RS INA.
Международная стандартизации ISO
3806B2RSRTVH
В наличии
| Обозначение | Конструктивные изменения |
|---|---|
| 3806-2RS | Контактные уплотнения типа RS с обеих сторон игольчатого роликоподшипника. |
| 3806-2Z | Защитные металлические шайбы с обеих сторон подшипника. |
| 3806ZZ | Защитные металлические шайбы с обеих сторон. |
| 3806-2RS1 | Усиленные листовой сталью контактные уплотнения из акрилонитрил-бутадиенового каучука (NBR) с обеих сторон подшипника. |
| 3806-2Z-L091 | Защитные металлические шайбы с обеих сторон. Optimized Grease For All Purposes. Temperature Range Approximately -50°C / +120°C - Description/ Isoflex® LDS 18 Special A)-Is A Dynamically Light Long-Term Grease For Plain And Rolling Bearings. It Consists Of Ester Oil. Mineral Oil And Lithium Soap. The Product Is Resistant To Ageing. Oxidation And Water. And It Protects Reliably Against Corrosion. Application/ Isoflex® LDS 18 Special A Is Suitable For Plain And Rolling Bearings Operating At Low Temperatures And/Or High Speeds. For Example In Grinding Spindles. Machine Tool Spindles. Spindle Bearings. Textile Spindles. Bearings In Oe-Spinning Turbines. Bearings In Precision And Optical Equipment. |
| 3806DDU | Резиновые уплотнения с каждой стороны подшипника. |
| 3806-B-TVH | Модифицированная внутренняя конструкция. Твердая клетка из полиамида. |
| 3806-B-2Z-TVH | Модифицированная внутренняя конструкция. Защитные металлические шайбы с обеих сторон подшипника. Твердая клетка из полиамида. |
| 3806 | Подшипник шариковый двухрядный радиально-упорный. Основное конструктивное исполнение. |
Модификации шарикового подшипника 3806-B-2RSR-TVH — это измененное основное конструктивное исполнение 3806, основные размеры (30x42x10) не отличаются.
| Обозначение | Конструктивные особенности | Внутренний (d) | Наружный (D) | Ширина (B) |
|---|---|---|---|---|
| SSF63806 | Подшипник однорядный шариковый радиальный. | 30.00 | 42.00 | 10.00 |
| SSF63806 ZZ | Подшипник однорядный шариковый радиальный. Защитные металлические шайбы с обеих сторон. | 30.00 | 42.00 | 10.00 |
| SSF63806 2RS | Подшипник однорядный шариковый радиальный. Резиновые уплотнения с каждой стороны подшипника. | 30.00 | 42.00 | 10.00 |
| SS63806 2RS | Подшипник однорядный шариковый радиальный. Резиновые уплотнения с каждой стороны подшипника. | 30.00 | 42.00 | 10.00 |
| SS63806 | Подшипник однорядный шариковый радиальный. | 30.00 | 42.00 | 10.00 |
| SS63806 ZZ | Подшипник однорядный шариковый радиальный. Защитные металлические шайбы с обеих сторон. | 30.00 | 42.00 | 10.00 |
| NCF2906-V | Роликовый радиальный однорядный подшипник. Подшипник без сепаратора. С полным комплектом тел качения. | 30.00 | 47.00 | 11.00 |
| W 63806-2RS1 | Шариковый радиальный подшипник. Усиленные листовой сталью контактные уплотнения из акрилонитрил-бутадиенового каучука (NBR) с обеих сторон подшипника. Нержавеющая сталь. | 30.00 | 42.00 | 10.00 |
| W 63806-2RZ | Шариковый радиальный подшипник. Шарикоподшипник. С уплотнением и низким коэффициентом трения с обеих сторон. Уплотнение состоит из шайбы из листовой стали с вулканизированной резиной. Нержавеющая сталь. | 30.00 | 42.00 | 10.00 |
| W 63806 | Шариковый радиальный подшипник. Нержавеющая сталь. | 30.00 | 42.00 | 10.00 |
| W 63806-2Z | Шариковый радиальный подшипник. Защитные металлические шайбы с обеих сторон подшипника. Нержавеющая сталь. | 30.00 | 42.00 | 10.00 |
| W 63806 R | Шариковый радиальный подшипник. Нержавеющая сталь. С выпуклыми асимметричными роликами и обработанным сепаратором. | 30.00 | 42.00 | 10.00 |
| NK31X42.1X10NR | Роликовый игольчатый подшипник однорядный. Канавка под стопорное кольцо на наружном кольце с соответствующим стопорным кольцом. Изменённая фаска. | 31.00 | 42.10 | 10.00 |
| W 63806 R-2Z | Шариковый радиальный однорядный подшипник. Защитные металлические шайбы с обеих сторон подшипника. Нержавеющая сталь. С выпуклыми асимметричными роликами и обработанным сепаратором. | 30.00 | 42.00 | 10.00 |
Способы доставки
Отправка через ведущие транспортные и курьерские компании: ПЭК, Деловые Линии, СДЭК, Байкал-Сервис, Энергия, КИТ, ЖелДорЭкспедиция.
Самовывоз возможен напрямую со склада в Москве.
Сроки доставки
Срок зависит от региона и выбранной транспортной компании. Все заказы комплектуются и отправляются в кратчайшие сроки со склада в Москве.
Надёжность и сохранность
Вся продукция упаковывается с учётом требований транспортировки. Мы гарантируем, что подшипники и комплектующие прибудут к заказчику в полной сохранности.
Доставка в страны ЕАЭС
Мы работаем с проверенными логистическими партнёрами, что позволяет оперативно доставлять заказы в Беларусь, Казахстан, Армению и другие страны ЕАЭС.
Варианты оплаты:
Минимальная сумма заказа и скидки:
Документы и гарантии:
Да, конечно! Наши технические специалисты готовы помочь вам с подбором точного аналога или замены подшипника. Просто позвоните нам по телефону +7 (495) 104-99-04 или напишите на почту zakaz@podsnab.ru.
Для оперативной консультации подготовьте, пожалуйста, имеющиеся данные: маркировку, размеры, тип оборудования или артикул старого подшипника.
Да, конечно! Мы высоко ценим долгосрочное сотрудничество и доверие клиентов по всей России. Для постоянных клиентов действует персональная система скидок.
Условия формируются индивидуально и зависят от:
Чтобы узнать свои условия и получить максимально выгодное предложение, свяжитесь с персональным менеджером или напишите нам на почту zakaz@podsnab.ru.
Вы можете оформить заказ несколькими способами:
Для оформления заказа от юридического лица свяжитесь с нашим отделом по работе с корпоративными клиентами по телефону +7 (495) 104-99-04 или напишите на email zakaz@podsnab.ru, прикрепив реквизиты вашей организации.
Мы оперативно подготовим коммерческое предложение и выставим счет.
Возврат товара надлежащего качества возможен в течение 10 дней с момента получения, если товар не был в употреблении, сохранен товарный вид, упаковка не вскрывалась и присутствуют все сопроводительные документы.
Возврат денежных средств осуществляется в течение 10 рабочих дней после проверки товара складом.
В соответствии с законодательством возврату не подлежат подшипники надлежащего качества, если отсутствует оригинальная упаковка или имеются следы монтажа.
В случае выявления брака или гарантийного случая мы гарантируем возврат или обмен товара.
Да, гарантийный срок хранения устанавливается заводом-изготовителем и в среднем составляет 2 года при соблюдении условий хранения: сухое помещение, оригинальная упаковка и смазка.
Точный срок для конкретного типа подшипника уточняйте у наших менеджеров.
Пн–Пт: с 8:00 до 17:00 (МСК).
Сб–Вс: выходные дни.
Заказы на сайте принимаются круглосуточно. Заявки, поступившие после окончания рабочего дня, обрабатываются на следующий рабочий день.
Минимальная сумма заказа для доставки составляет 3000 рублей. Самовывоз со склада возможен на любую сумму при наличии товара.
ООО «УралТехГрупп»
ИНН: 7415093830
КПП: 772401001
ОГРН: 1167456069021
Банк: ПАО Сбербанк
Р/с: 40702810838000475273
К/с: 30101810400000000225
БИК: 044525225
У подшипника 3806-B-2RSR-TVH пока нет отзывов. Вы можете стать первым покупателем, поделившимся своим мнением.