Поиск подшипника
Статьи
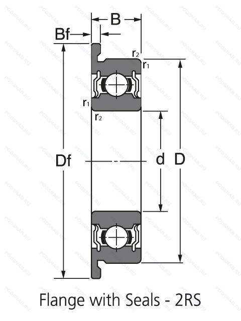
SSF63806 2RS — Подшипник однорядный шариковый радиальный, модификация основного исполнения SSF63806, производство NIS.
Размер подшипника: 30x42x10 мм.
Резиновые уплотнения с каждой стороны подшипника.
Международная стандартизации ISO
SSF638062RS
В наличии
| Обозначение | Конструктивные изменения |
|---|---|
| SSF63806 | Подшипник однорядный шариковый радиальный. Основное конструктивное исполнение. |
| SSF63806 ZZ | Защитные металлические шайбы с обеих сторон. |
Модификации шарикового подшипника SSF63806 2RS — это измененное основное конструктивное исполнение SSF63806, основные размеры (30x42x10) не отличаются.
| Обозначение | Гост | Конструктивные особенности |
|---|---|---|
| SS63806 2RS | ISO | Резиновые уплотнения с каждой стороны подшипника. |
| SS63806 | ISO | Подшипник однорядный шариковый радиальный. |
| SS63806 ZZ | ISO | Защитные металлические шайбы с обеих сторон. |
Аналог шарикового подшипника SSF63806 2RS — это подшипник такого же размера dx30,Dx42,Bx10, типа и конструкции.
| Обозначение | Конструктивные особенности | Внутренний (d) | Наружный (D) | Ширина (B) |
|---|---|---|---|---|
| 3806ZZ | Подшипник шариковый двухрядный радиально-упорный. Защитные металлические шайбы с обеих сторон. | 30.00 | 42.00 | 10.00 |
| 3806-2RS1 | Подшипник шариковый двухрядный радиально-упорный. Усиленные листовой сталью контактные уплотнения из акрилонитрил-бутадиенового каучука (NBR) с обеих сторон подшипника. | 30.00 | 42.00 | 10.00 |
| 3806-2Z-L091 | Подшипник шариковый двухрядный радиально-упорный. Защитные металлические шайбы с обеих сторон. Optimized Grease For All Purposes. Temperature Range Approximately -50°C / +120°C - Description/ Isoflex® LDS 18 Special A)-Is A Dynamically Light Long-Term Grease For Plain And Rolling Bearings. It Consists Of Ester Oil. Mineral Oil And Lithium Soap. The Product Is Resistant To Ageing. Oxidation And Water. And It Protects Reliably Against Corrosion. Application/ Isoflex® LDS 18 Special A Is Suitable For Plain And Rolling Bearings Operating At Low Temperatures And/Or High Speeds. For Example In Grinding Spindles. Machine Tool Spindles. Spindle Bearings. Textile Spindles. Bearings In Oe-Spinning Turbines. Bearings In Precision And Optical Equipment. | 30.00 | 42.00 | 10.00 |
| 3806-B-2RSR-TVH | Подшипник шариковый двухрядный радиально-упорный. Модификация внутренней конструкции. Формованный полиамидный сепаратор защелкивающегося типа. Seal At Each Side Of The Bearing. | 30.00 | 42.00 | 10.00 |
| 3806DDU | Подшипник шариковый двухрядный радиально-упорный. Резиновые уплотнения с каждой стороны подшипника. | 30.00 | 42.00 | 10.00 |
| NCF2906-V | Роликовый радиальный однорядный подшипник. Подшипник без сепаратора. С полным комплектом тел качения. | 30.00 | 47.00 | 11.00 |
| 3806-B-TVH | Шариковый радиально-упорный подшипник. Модифицированная внутренняя конструкция. Твердая клетка из полиамида. | 30.00 | 42.00 | 10.00 |
| 3806-B-2Z-TVH | Шариковый радиально-упорный подшипник. Модифицированная внутренняя конструкция. Защитные металлические шайбы с обеих сторон подшипника. Твердая клетка из полиамида. | 30.00 | 42.00 | 10.00 |
| W 63806-2RS1 | Шариковый радиальный подшипник. Усиленные листовой сталью контактные уплотнения из акрилонитрил-бутадиенового каучука (NBR) с обеих сторон подшипника. Нержавеющая сталь. | 30.00 | 42.00 | 10.00 |
| W 63806-2RZ | Шариковый радиальный подшипник. Шарикоподшипник. С уплотнением и низким коэффициентом трения с обеих сторон. Уплотнение состоит из шайбы из листовой стали с вулканизированной резиной. Нержавеющая сталь. | 30.00 | 42.00 | 10.00 |
| W 63806 | Шариковый радиальный подшипник. Нержавеющая сталь. | 30.00 | 42.00 | 10.00 |
| W 63806-2Z | Шариковый радиальный подшипник. Защитные металлические шайбы с обеих сторон подшипника. Нержавеющая сталь. | 30.00 | 42.00 | 10.00 |
| W 63806 R | Шариковый радиальный подшипник. Нержавеющая сталь. С выпуклыми асимметричными роликами и обработанным сепаратором. | 30.00 | 42.00 | 10.00 |
| NK31X42.1X10NR | Роликовый игольчатый подшипник однорядный. Канавка под стопорное кольцо на наружном кольце с соответствующим стопорным кольцом. Изменённая фаска. | 31.00 | 42.10 | 10.00 |
| W 63806 R-2Z | Шариковый радиальный однорядный подшипник. Защитные металлические шайбы с обеих сторон подшипника. Нержавеющая сталь. С выпуклыми асимметричными роликами и обработанным сепаратором. | 30.00 | 42.00 | 10.00 |
Способы доставки
Отправка через ведущие транспортные и курьерские компании: ПЭК, Деловые Линии, СДЭК, Байкал-Сервис, Энергия, КИТ, ЖелДорЭкспедиция.
Самовывоз возможен напрямую со склада в Москве.
Сроки доставки
Срок зависит от региона и выбранной транспортной компании. Все заказы комплектуются и отправляются в кратчайшие сроки со склада в Москве.
Надёжность и сохранность
Вся продукция упаковывается с учётом требований транспортировки. Мы гарантируем, что подшипники и комплектующие прибудут к заказчику в полной сохранности.
Доставка в страны ЕАЭС
Мы работаем с проверенными логистическими партнёрами, что позволяет оперативно доставлять заказы в Беларусь, Казахстан, Армению и другие страны ЕАЭС.
Варианты оплаты:
Минимальная сумма заказа и скидки:
Документы и гарантии:
Да, конечно! Наши технические специалисты готовы помочь вам с подбором точного аналога или замены подшипника. Просто позвоните нам по телефону +7 (495) 104-99-04 или напишите на почту zakaz@podsnab.ru.
Для оперативной консультации подготовьте, пожалуйста, имеющиеся данные: маркировку, размеры, тип оборудования или артикул старого подшипника.
Да, конечно! Мы высоко ценим долгосрочное сотрудничество и доверие клиентов по всей России. Для постоянных клиентов действует персональная система скидок.
Условия формируются индивидуально и зависят от:
Чтобы узнать свои условия и получить максимально выгодное предложение, свяжитесь с персональным менеджером или напишите нам на почту zakaz@podsnab.ru.
Вы можете оформить заказ несколькими способами:
Для оформления заказа от юридического лица свяжитесь с нашим отделом по работе с корпоративными клиентами по телефону +7 (495) 104-99-04 или напишите на email zakaz@podsnab.ru, прикрепив реквизиты вашей организации.
Мы оперативно подготовим коммерческое предложение и выставим счет.
Возврат товара надлежащего качества возможен в течение 10 дней с момента получения, если товар не был в употреблении, сохранен товарный вид, упаковка не вскрывалась и присутствуют все сопроводительные документы.
Возврат денежных средств осуществляется в течение 10 рабочих дней после проверки товара складом.
В соответствии с законодательством возврату не подлежат подшипники надлежащего качества, если отсутствует оригинальная упаковка или имеются следы монтажа.
В случае выявления брака или гарантийного случая мы гарантируем возврат или обмен товара.
Да, гарантийный срок хранения устанавливается заводом-изготовителем и в среднем составляет 2 года при соблюдении условий хранения: сухое помещение, оригинальная упаковка и смазка.
Точный срок для конкретного типа подшипника уточняйте у наших менеджеров.
Пн–Пт: с 8:00 до 17:00 (МСК).
Сб–Вс: выходные дни.
Заказы на сайте принимаются круглосуточно. Заявки, поступившие после окончания рабочего дня, обрабатываются на следующий рабочий день.
Минимальная сумма заказа для доставки составляет 3000 рублей. Самовывоз со склада возможен на любую сумму при наличии товара.
ООО «УралТехГрупп»
ИНН: 7415093830
КПП: 772401001
ОГРН: 1167456069021
Банк: ПАО Сбербанк
Р/с: 40702810838000475273
К/с: 30101810400000000225
БИК: 044525225
У подшипника SSF63806 2RS пока нет отзывов. Вы можете стать первым покупателем, поделившимся своим мнением.