Поиск подшипника
Статьи
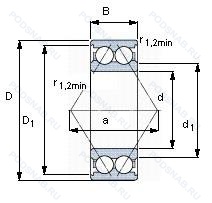
3220A — Подшипник шариковый двухрядный радиально-упорный, модификация основного исполнения 3220, выпускается производителями: FAG, ISB, NEUTRAL, SKF.
Размер подшипника: 100x180x60 мм.
Измененная или модифицированная внутренняя конструкция при неизменных основных размерах.
Альтернативное обозначение: 5220.
Аналоги: 3220 FAG,3220 SKF.
Международная стандартизации ISO
3220A
В наличии
| Обозначение | Конструктивные изменения |
|---|---|
| 3220-2Z | Защитные металлические шайбы с обеих сторон подшипника. |
| 3220-2RS | Резиновые уплотнения с каждой стороны подшипника. |
| 3220 | Подшипник шариковый двухрядный радиально-упорный. Основное конструктивное исполнение. |
| 3220A/W64 | Двухрядный радиально-упорный шарикоподшипник без отверстия для смазки. Антифрикционный заполнитель. твердая смазка. |
| 3220 ATN2RS | Подшипник шариковый двухрядный радиально-упорный. |
| 3220 ATNZZ | Подшипник шариковый двухрядный радиально-упорный. |
| 3220 ATN | Подшипник шариковый двухрядный радиально-упорный. |
| 3220.C4 | Внутренний зазор подшипника больше. чем C3. |
| 3220M | Подшипник с латунным сепаратором. центрированный по телам качения. |
| 3220ZZ | Защитные металлические шайбы с обеих сторон. |
| 3220FY | Обработанный латунный сепаратор. |
| 3220M.C3 | Внутренний зазор больше нормального. Твердый латунный сепаратор. Шариковые направляющие. |
| 3220AM | Нет слотов для заполнения. Механически обработанный латунный сепаратор .Расположенный на элементах качения. |
| 3220DU | Резиновое уплотнение с одной стороны. |
| 3220-C3 | Внутренний зазор больше нормального. |
| 3220A/C3 | Внутренний зазор больше нормального. Двухрядный радиально-упорный шарикоподшипник без отверстия для смазки. |
| 3220L | Одно механическое уплотнение. |
| 3220B.TVH | Модификация внутренней конструкции. Литой полиамидный сепаратор (PA66). защелкивающийся. |
| 3220-B-2RS-TVH | Резиновые уплотнения с каждой стороны подшипника. Модификация внутренней конструкции. Формованный полиамидный сепаратор защелкивающегося типа. |
Модификации шарикового подшипника 3220A — это измененное основное конструктивное исполнение 3220, основные размеры (100x180x60) не отличаются.
| Обозначение | Гост | Конструктивные особенности |
|---|---|---|
| 5220A/W64 | ISO | Двухрядный радиально-упорный шарикоподшипник без отверстия для смазки. Антифрикционный заполнитель. твердая смазка. |
| 5220WS | ISO | Double Ribbed Outer Ring. Stamped Steel Land-Riding Cage. |
| 5220 | ISO | Подшипник шариковый двухрядный радиально-упорный. |
| 5220Z | ISO | щит из листовой прессованной стали с одной стороны подшипника. |
| 5220W | ISO | Радиальный подшипник. Тип заправочного паза. |
| 5220 | ГОСТ | Подшипник шариковый двухрядный радиально-упорный. |
Аналог шарикового подшипника 3220A — это подшипник такого же размера dx100,Dx180,Bx60, типа и конструкции.
| Обозначение | Конструктивные особенности | Внутренний (d) | Наружный (D) | Ширина (B) |
|---|---|---|---|---|
| 23220AX | Роликовый радиальный сферический двухрядный подшипник. Поверхность контакта скольжения сталь / сталь. | 100.00 | 180.00 | 60.30 |
| AR100-42 | Роликовый радиальный-упорный двухрядный подшипник. 2.5/8. | 100.00 | 180.00 | 60.00 |
| 5220-2RS | Шариковый радиально-упорный подшипник. Резиновые уплотнения с каждой стороны подшипника. | 100.00 | 180.00 | 60.33 |
| 5220ZZ | Шариковый радиально-упорный подшипник. Защитные металлические шайбы с обеих сторон. | 100.00 | 180.00 | 60.33 |
| 6-3056220 К1Ш1 | Шариковый радиально-упорный двухрядный подшипник. «Замок» (скос) на внутреннем кольце плюс массивный сепаратор из текстолита. Нормы шумности. | 100.00 | 180.00 | 60.30 |
| 6-3056220 Л1Ш1 | Шариковый радиально-упорный двухрядный подшипник. Сепаратор из латуни.. Нормы шумности. | 100.00 | 180.00 | 60.30 |
| 6-3056220 Ш | Шариковый радиально-упорный двухрядный подшипник. Нормы шумности. | 100.00 | 180.00 | 60.30 |
| 76-3056220 К1Ш1 | Шариковый радиально-упорный двухрядный подшипник. «Замок» (скос) на внутреннем кольце плюс массивный сепаратор из текстолита. Нормы шумности. | 100.00 | 180.00 | 60.30 |
| 76-3056220 Л1Ш1 | Шариковый радиально-упорный двухрядный подшипник. Сепаратор из латуни.. Нормы шумности. | 100.00 | 180.00 | 60.30 |
| 5220AN | Шариковый радиально-упорный двухрядный подшипник. Код формы шариковой направляющей. | 100.00 | 180.00 | 60.30 |
| 5220NR | Шариковый радиально-упорный двухрядный подшипник. Канавка под стопорное кольцо на наружном кольце с соответствующим стопорным кольцом. | 100.00 | 180.00 | 60.30 |
| 5220 A | Шариковый радиально-упорный двухрядный подшипник. Измененная или модифицированная внутренняя конструкция при неизменных основных размерах. | 100.00 | 180.00 | 60.30 |
| 5220N | Шариковый радиально-упорный двухрядный подшипник. Канавка под стопорное кольцо на внешнем кольце. | 100.00 | 180.00 | 60.30 |
| 3056220-К1 | Шариковый радиально-упорный двухрядный подшипник. «Замок» (скос) на внутреннем кольце плюс массивный сепаратор из текстолита. | 100.00 | 180.00 | 60.30 |
| 3056220-Л1 | Шариковый радиально-упорный двухрядный подшипник. Сепаратор из латуни.. | 100.00 | 180.00 | 60.30 |
Способы доставки
Отправка через ведущие транспортные и курьерские компании: ПЭК, Деловые Линии, СДЭК, Байкал-Сервис, Энергия, КИТ, ЖелДорЭкспедиция.
Самовывоз возможен напрямую со склада в Москве.
Сроки доставки
Срок зависит от региона и выбранной транспортной компании. Все заказы комплектуются и отправляются в кратчайшие сроки со склада в Москве.
Надёжность и сохранность
Вся продукция упаковывается с учётом требований транспортировки. Мы гарантируем, что подшипники и комплектующие прибудут к заказчику в полной сохранности.
Доставка в страны ЕАЭС
Мы работаем с проверенными логистическими партнёрами, что позволяет оперативно доставлять заказы в Беларусь, Казахстан, Армению и другие страны ЕАЭС.
Варианты оплаты:
Минимальная сумма заказа и скидки:
Документы и гарантии:
Да, конечно! Наши технические специалисты готовы помочь вам с подбором точного аналога или замены подшипника. Просто позвоните нам по телефону +7 (495) 104-99-04 или напишите на почту zakaz@podsnab.ru.
Для оперативной консультации подготовьте, пожалуйста, имеющиеся данные: маркировку, размеры, тип оборудования или артикул старого подшипника.
Да, конечно! Мы высоко ценим долгосрочное сотрудничество и доверие клиентов по всей России. Для постоянных клиентов действует персональная система скидок.
Условия формируются индивидуально и зависят от:
Чтобы узнать свои условия и получить максимально выгодное предложение, свяжитесь с персональным менеджером или напишите нам на почту zakaz@podsnab.ru.
Вы можете оформить заказ несколькими способами:
Для оформления заказа от юридического лица свяжитесь с нашим отделом по работе с корпоративными клиентами по телефону +7 (495) 104-99-04 или напишите на email zakaz@podsnab.ru, прикрепив реквизиты вашей организации.
Мы оперативно подготовим коммерческое предложение и выставим счет.
Возврат товара надлежащего качества возможен в течение 10 дней с момента получения, если товар не был в употреблении, сохранен товарный вид, упаковка не вскрывалась и присутствуют все сопроводительные документы.
Возврат денежных средств осуществляется в течение 10 рабочих дней после проверки товара складом.
В соответствии с законодательством возврату не подлежат подшипники надлежащего качества, если отсутствует оригинальная упаковка или имеются следы монтажа.
В случае выявления брака или гарантийного случая мы гарантируем возврат или обмен товара.
Да, гарантийный срок хранения устанавливается заводом-изготовителем и в среднем составляет 2 года при соблюдении условий хранения: сухое помещение, оригинальная упаковка и смазка.
Точный срок для конкретного типа подшипника уточняйте у наших менеджеров.
Пн–Пт: с 8:00 до 17:00 (МСК).
Сб–Вс: выходные дни.
Заказы на сайте принимаются круглосуточно. Заявки, поступившие после окончания рабочего дня, обрабатываются на следующий рабочий день.
Минимальная сумма заказа для доставки составляет 3000 рублей. Самовывоз со склада возможен на любую сумму при наличии товара.
ООО «УралТехГрупп»
ИНН: 7415093830
КПП: 772401001
ОГРН: 1167456069021
Банк: ПАО Сбербанк
Р/с: 40702810838000475273
К/с: 30101810400000000225
БИК: 044525225
У подшипника 3220A пока нет отзывов. Вы можете стать первым покупателем, поделившимся своим мнением.