Поиск подшипника
Статьи
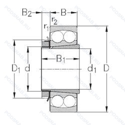
2312K+H2312 — Подшипник шариковый двухрядный самоустанавливающийся, модификация основного исполнения 2312, выпускается производителями: CX, ISB, ISO, MGM, NKE, SKF.
Размер подшипника: 55x130x46 мм.
Коническое внутреннее отверстие.
Международная стандартизации ISO
2312KH2312
В наличии
| Обозначение | Конструктивные изменения |
|---|---|
| 2312-K-TVH-C3 | Внутренний зазор больше нормального. Коническое отверстие. конус 1/12. Массивный сепаратор из армированного стекловолокном полиамида PA66. |
| 2312-TVH | Массивный сепаратор из армированного стекловолокном полиамида PA66. |
| 2312CK/C3 | Внутренние изменения в конструкции. Внутренний зазор больше нормального. Коническое отверстие. конус 1/12. |
| 2312SK C3 | Внутренний зазор больше нормального. Кулачковый толкатель штифтового типа. С шестигранной головкой. |
| 2312TV.C3 | Внутренний зазор больше нормального. Прочный сепаратор из полиамида. армированного стекловолокном. |
| 2312KJ C3 | Внутренний зазор больше нормального. Коническое отверстие 1/12. Сепаратор из стали. |
| 2312JC3 | Внутренний зазор больше нормального. Сепаратор из стали. |
| 2312ETN9 | Оптимизированный внутренний дизайн. Литая защелкивающаяся клетка из полиамида 6.6. армированного стекловолокном с шариковой центрировкой.. |
| 2312ETN9/C3 | Внутренний зазор больше нормального. Оптимизированный внутренний дизайн. Литая защелкивающаяся клетка из полиамида 6.6. армированного стекловолокном с шариковой центрировкой.. |
| 2312ACC | Подшипник со стальным сепаратором. |
| 2312M/C3P6 | Внутренний зазор больше нормального. Подшипник с латунным сепаратором. центрированный по телам качения. |
| 2312KJ | Коническое отверстие 1/12. Сепаратор из стали. |
| 2312-TVH-C3 | Внутренний зазор больше нормального. Массивный сепаратор из армированного стекловолокном полиамида PA66. |
| 2312K.TV | Коническое отверстие. конус 1/12. Прочный сепаратор из полиамида. армированного стекловолокном. |
| 2312-K-TVH | Коническое отверстие. конус 1/12. Массивный сепаратор из армированного стекловолокном полиамида PA66. |
| 2312M.P63 | Твердый латунный сепаратор. Комбинация P6 (Точность размеров и пробега в соответствии с классом допуска ISO 6 (лучше нормы)) и C3 (Внутренний зазор больше нормы). |
| 2312A12 | Осевой люфт в микронах. |
| BS2-2312-2CSK/VT143 | Заполнение пластичной смазкой SKF LGEP 2 на 25–35 %. Высокая осевая жесткость и грузоподъемность.. |
| NJ 2312 ECM | Однорядный цилиндрический роликовый подшипник. |
| NJ 2312 ECN1ML | Однорядный цилиндрический роликовый подшипник. |
| NUP 2312 ECML | Однорядный цилиндрический роликовый подшипник. |
| 2312-K-TVH-C3 + H2312 | Внутренний зазор больше нормального. Коническое отверстие. Конусность 1/12. Твердая клетка из полиамида. |
| 2312S | Запечатанная версия кулачкового ролика. Только для внутреннего и наружного колец. |
| NJ 2312 ECPH | Однорядный цилиндрический роликовый подшипник. |
| NU 2312 ECPH | Однорядный цилиндрический роликовый подшипник. |
Модификации самоцентрирующегося шарикового подшипника 2312K+H2312 — это измененное основное конструктивное исполнение 2312, основные размеры (55x130x46) не отличаются.
| Обозначение | Гост | Конструктивные особенности |
|---|---|---|
| 1312K+H312 | ISO | Коническое внутреннее отверстие. |
Аналог самоцентрирующегося шарикового подшипника 2312K+H2312 — это подшипник такого же размера dx55,Dx130,Bx46, типа и конструкции.
| Обозначение | Конструктивные особенности | Внутренний (d) | Наружный (D) | Ширина (B) |
|---|---|---|---|---|
| 76-180612 КС9Ш2У | Шариковый радиальный однорядный подшипник. Дополнительные технические требования. Нормы шумности. Смазка ЛЗ-31. | 60.00 | 130.00 | 46.00 |
| 76-180612 С9Ш1 | Шариковый радиальный однорядный подшипник. Нормы шумности. Смазка ЛЗ-31. | 60.00 | 130.00 | 46.00 |
| 7612A | Роликовый радиальный-упорный однорядный подшипник. Двухрядный радиально-упорный шарикоподшипник без отверстия для смазки. | 60.00 | 130.00 | 46.00 |
| 180612-АК1 | Шариковый радиальный однорядный подшипник. Повышенная грузоподъемность. | 60.00 | 130.00 | 46.00 |
| 42612-КМ | Роликовый радиальный однорядный подшипник. Кольцевая проточка на середине цилиндрической наружной поверхности наружного кольца плюс три отверстия для смазки. Модифицированный контакт.. | 60.00 | 130.00 | 46.00 |
| 42612-Л | Роликовый радиальный однорядный подшипник. Сепаратор из латуни.. | 60.00 | 130.00 | 46.00 |
| 53612-Е | Роликовый радиальный двухрядный подшипник. Сепаратор из текстолита.. | 60.00 | 130.00 | 46.00 |
| 53612-К | Роликовый радиальный двухрядный подшипник. Кольцевая проточка на середине цилиндрической наружной поверхности наружного кольца плюс три отверстия для смазки. | 60.00 | 130.00 | 46.00 |
| 53612-Л | Роликовый радиальный двухрядный подшипник. Сепаратор из латуни.. | 60.00 | 130.00 | 46.00 |
| 53612-М | Роликовый радиальный двухрядный подшипник. Модифицированный контакт.. | 60.00 | 130.00 | 46.00 |
| 53612-Н | Роликовый радиальный двухрядный подшипник. Детали из теплостойкой стали. | 60.00 | 130.00 | 46.00 |
| 53612-НЕ | Роликовый радиальный двухрядный подшипник. Сепаратор из текстолита.. Детали из теплостойкой стали. | 60.00 | 130.00 | 46.00 |
| 53612-Т | Роликовый радиальный двухрядный подшипник. Температура отпуска. 160°. | 60.00 | 130.00 | 46.00 |
| 553612H | Роликовый радиальный сферический двухрядный подшипник. Pressed Snap-Type Steel Cage. Hardened. | 60.00 | 130.00 | 46.00 |
| 6-1612 Л | Шариковый радиальный двухрядный подшипник. Сепаратор из латуни.. | 60.00 | 130.00 | 46.00 |
Способы доставки
Отправка через ведущие транспортные и курьерские компании: ПЭК, Деловые Линии, СДЭК, Байкал-Сервис, Энергия, КИТ, ЖелДорЭкспедиция.
Самовывоз возможен напрямую со склада в Москве.
Сроки доставки
Срок зависит от региона и выбранной транспортной компании. Все заказы комплектуются и отправляются в кратчайшие сроки со склада в Москве.
Надёжность и сохранность
Вся продукция упаковывается с учётом требований транспортировки. Мы гарантируем, что подшипники и комплектующие прибудут к заказчику в полной сохранности.
Доставка в страны ЕАЭС
Мы работаем с проверенными логистическими партнёрами, что позволяет оперативно доставлять заказы в Беларусь, Казахстан, Армению и другие страны ЕАЭС.
Варианты оплаты:
Минимальная сумма заказа и скидки:
Документы и гарантии:
Да, конечно! Наши технические специалисты готовы помочь вам с подбором точного аналога или замены подшипника. Просто позвоните нам по телефону +7 (495) 104-99-04 или напишите на почту zakaz@podsnab.ru.
Для оперативной консультации подготовьте, пожалуйста, имеющиеся данные: маркировку, размеры, тип оборудования или артикул старого подшипника.
Да, конечно! Мы высоко ценим долгосрочное сотрудничество и доверие клиентов по всей России. Для постоянных клиентов действует персональная система скидок.
Условия формируются индивидуально и зависят от:
Чтобы узнать свои условия и получить максимально выгодное предложение, свяжитесь с персональным менеджером или напишите нам на почту zakaz@podsnab.ru.
Вы можете оформить заказ несколькими способами:
Для оформления заказа от юридического лица свяжитесь с нашим отделом по работе с корпоративными клиентами по телефону +7 (495) 104-99-04 или напишите на email zakaz@podsnab.ru, прикрепив реквизиты вашей организации.
Мы оперативно подготовим коммерческое предложение и выставим счет.
Возврат товара надлежащего качества возможен в течение 10 дней с момента получения, если товар не был в употреблении, сохранен товарный вид, упаковка не вскрывалась и присутствуют все сопроводительные документы.
Возврат денежных средств осуществляется в течение 10 рабочих дней после проверки товара складом.
В соответствии с законодательством возврату не подлежат подшипники надлежащего качества, если отсутствует оригинальная упаковка или имеются следы монтажа.
В случае выявления брака или гарантийного случая мы гарантируем возврат или обмен товара.
Да, гарантийный срок хранения устанавливается заводом-изготовителем и в среднем составляет 2 года при соблюдении условий хранения: сухое помещение, оригинальная упаковка и смазка.
Точный срок для конкретного типа подшипника уточняйте у наших менеджеров.
Пн–Пт: с 8:00 до 17:00 (МСК).
Сб–Вс: выходные дни.
Заказы на сайте принимаются круглосуточно. Заявки, поступившие после окончания рабочего дня, обрабатываются на следующий рабочий день.
Минимальная сумма заказа для доставки составляет 3000 рублей. Самовывоз со склада возможен на любую сумму при наличии товара.
ООО «УралТехГрупп»
ИНН: 7415093830
КПП: 772401001
ОГРН: 1167456069021
Банк: ПАО Сбербанк
Р/с: 40702810838000475273
К/с: 30101810400000000225
БИК: 044525225
У подшипника 2312K+H2312 пока нет отзывов. Вы можете стать первым покупателем, поделившимся своим мнением.