Поиск подшипника
Статьи
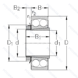
1312K+H312 — Подшипник шариковый двухрядный самоустанавливающийся, модификация основного исполнения 1312, выпускается производителями: CRAFT, CX, GPZ, ISO, NKE, SRO.
Размер подшипника: 55x130x47 мм.
Коническое внутреннее отверстие.
Международная стандартизации ISO
1312KH312
В наличии
| Обозначение | Конструктивные изменения |
|---|---|
| 1312-K-TV | Коническое отверстие. Конусность 1/12. Прочный сепаратор из полиамида. армированного стекловолокном. |
| 1312K A12 | Коническое отверстие. конус 1/12. Осевой люфт в микронах. |
| 1312-K-TVH-C3 | Внутренний зазор больше нормального. Коническое отверстие. конус 1/12. Массивный сепаратор из армированного стекловолокном полиамида PA66. |
| 1312-TVH | Массивный сепаратор из армированного стекловолокном полиамида PA66. |
| 1312K.J.C3 | Внутренний зазор больше нормального. Коническое отверстие 1/12. Сепаратор из стали. |
| 1312EKTN9 | Коническое отверстие. конус 1/12. Литой защелкивающийся сепаратор из полиамида. армированного стекловолокном 6.6. Оптимизированная внутренняя конструкция. |
| 1312EKTN9/C3 | Внутренний зазор больше нормального. Коническое отверстие. конус 1/12. Литой защелкивающийся сепаратор из полиамида. армированного стекловолокном 6.6. Оптимизированная внутренняя конструкция. |
| 1312ETN9 | Оптимизированный внутренний дизайн. Литая защелкивающаяся клетка из полиамида 6.6. армированного стекловолокном с шариковой центрировкой.. |
| 1312TS | Лабиринтные уплотнения. |
| 1312K C3 ACC | Внутренний зазор больше нормального. Коническое отверстие. конус 1/12. Подшипник со стальным сепаратором. |
| 1312K NF | Коническое отверстие. конус 1/12. Полированный подшипник и детали подшипника. |
| 1312S | Прессованный стальной сепаратор. |
| 1312K G15 J30 | Коническое отверстие. конус 1/12. Внутренний зазор больше нормального. Литой сепаратор из полиамида 6.6. армированного стекловолокном. Центрированный элемент качения.. |
| 1312K TNG C3 | Внутренний зазор больше нормального. Коническое отверстие. конус 1/12. Прочный сепаратор из полиамида. армированного стекловолокном. |
| 1312A | Двухрядный радиально-упорный шарикоподшипник без отверстия для смазки. |
| 1312-TVH-C3 | Внутренний зазор больше нормального. Массивный сепаратор из армированного стекловолокном полиамида PA66. |
| 1312K TNG | Коническое отверстие. конус 1/12. Прочный сепаратор из полиамида. армированного стекловолокном. |
| 1312SC3 | Прессованный стальной сепаратор. Внутренний зазор больше нормального. |
| 1312E TNG | Повышенная грузоподъемность. Прочный сепаратор из полиамида. армированного стекловолокном. |
| 1312EK TNG | Коническое отверстие. конус 1/12. Оптимизированная внутренняя конструкция. Литой защелкивающийся сепаратор из полиамида. армированного стекловолокном 6.6. |
| 1312SK | Кулачковый толкатель штифтового типа. С шестигранной головкой. |
| BHA 1312 Z | щит из листовой прессованной стали с одной стороны подшипника. |
| 1312 EKTN9 + H 312 | Pressed Snap-Type Steel Cage. Hardened. |
| 1312-K-TVH-C3 + H312 | Внутренний зазор больше нормального. Коническое отверстие. Конусность 1/12. Твердая клетка из полиамида. |
| 1312 TN9 | Литой защелкивающийся сепаратор из полиамида. армированного стекловолокном 6.6. |
Модификации самоцентрирующегося шарикового подшипника 1312K+H312 — это измененное основное конструктивное исполнение 1312, основные размеры (55x130x47) не отличаются.
| Обозначение | Гост | Конструктивные особенности |
|---|---|---|
| 2312K+H2312 | ISO | Коническое внутреннее отверстие. |
Аналог самоцентрирующегося шарикового подшипника 1312K+H312 — это подшипник такого же размера dx55,Dx130,Bx47, типа и конструкции.
| Обозначение | Конструктивные особенности | Внутренний (d) | Наружный (D) | Ширина (B) |
|---|---|---|---|---|
| 21312K+H312 | Подшипник роликовый сферический. Коническое отверстие. Конусность 1/12. | 55.00 | 130.00 | 47.00 |
| 13611 | Роликовый радиальный двухрядный подшипник. | 55.00 | 130.00 | 46.00 |
| 73611 | Роликовый радиальный двухрядный подшипник. | 55.00 | 130.00 | 46.00 |
| 353611 | Роликовый радиальный двухрядный подшипник. | 55.00 | 130.00 | 46.00 |
| 753611 | Роликовый радиальный двухрядный подшипник. | 55.00 | 130.00 | 46.00 |
| 22312-E-K-W33+H2312 | Роликовый радиальный сферический двухрядный подшипник. Канавка для смазки и три отверстия во внешнем кольце подшипника. Коническое отверстие. Конусность 1/12. Повышенная грузоподъемность. | 55.00 | 130.00 | 46.00 |
| 22312 K+AHX2312 | Роликовый радиальный сферический двухрядный подшипник. Коническое отверстие. Конусность 1/12. | 55.00 | 130.00 | 46.00 |
| 22312-E1-K + H2312 | Роликовый радиальный сферический двухрядный подшипник. Коническое отверстие. Конусность 1/12. Конструкция с увеличенной грузоподьемностью. | 55.00 | 130.00 | 46.00 |
| 22312-E1-K-T41A + AHX2312 | Роликовый радиальный сферический двухрядный подшипник. Коническое отверстие. Конусность 1/12. Конструкция с увеличенной грузоподьемностью. Для вибросит/виброгрохотов (Зазор С4). | 55.00 | 130.00 | 46.00 |
| 22312-E1-K + AHX2312 | Роликовый радиальный сферический двухрядный подшипник. Коническое отверстие. Конусность 1/12. Конструкция с увеличенной грузоподьемностью. | 55.00 | 130.00 | 46.00 |
| 22312-E1-K-T41A + H2312 | Роликовый радиальный сферический двухрядный подшипник. Коническое отверстие. Конусность 1/12. Конструкция с увеличенной грузоподьемностью. Для вибросит/виброгрохотов (Зазор С4). | 55.00 | 130.00 | 46.00 |
| 2312-K-TVH-C3 + H2312 | Сферический двухрядный подшипник. Внутренний зазор больше нормального. Коническое отверстие. Конусность 1/12. Твердая клетка из полиамида. | 55.00 | 130.00 | 46.00 |
| В0-11611 | Шариковый радиальный двухрядный подшипник. | 55.00 | 130.00 | 46.00 |
| 8-11611 | Шариковый радиальный двухрядный подшипник. | 55.00 | 130.00 | 46.00 |
| 73611-Л | Роликовый радиальный двухрядный подшипник. Сепаратор из латуни.. | 55.00 | 130.00 | 46.00 |
Способы доставки
Отправка через ведущие транспортные и курьерские компании: ПЭК, Деловые Линии, СДЭК, Байкал-Сервис, Энергия, КИТ, ЖелДорЭкспедиция.
Самовывоз возможен напрямую со склада в Москве.
Сроки доставки
Срок зависит от региона и выбранной транспортной компании. Все заказы комплектуются и отправляются в кратчайшие сроки со склада в Москве.
Надёжность и сохранность
Вся продукция упаковывается с учётом требований транспортировки. Мы гарантируем, что подшипники и комплектующие прибудут к заказчику в полной сохранности.
Доставка в страны ЕАЭС
Мы работаем с проверенными логистическими партнёрами, что позволяет оперативно доставлять заказы в Беларусь, Казахстан, Армению и другие страны ЕАЭС.
Варианты оплаты:
Минимальная сумма заказа и скидки:
Документы и гарантии:
Да, конечно! Наши технические специалисты готовы помочь вам с подбором точного аналога или замены подшипника. Просто позвоните нам по телефону +7 (495) 104-99-04 или напишите на почту zakaz@podsnab.ru.
Для оперативной консультации подготовьте, пожалуйста, имеющиеся данные: маркировку, размеры, тип оборудования или артикул старого подшипника.
Да, конечно! Мы высоко ценим долгосрочное сотрудничество и доверие клиентов по всей России. Для постоянных клиентов действует персональная система скидок.
Условия формируются индивидуально и зависят от:
Чтобы узнать свои условия и получить максимально выгодное предложение, свяжитесь с персональным менеджером или напишите нам на почту zakaz@podsnab.ru.
Вы можете оформить заказ несколькими способами:
Для оформления заказа от юридического лица свяжитесь с нашим отделом по работе с корпоративными клиентами по телефону +7 (495) 104-99-04 или напишите на email zakaz@podsnab.ru, прикрепив реквизиты вашей организации.
Мы оперативно подготовим коммерческое предложение и выставим счет.
Возврат товара надлежащего качества возможен в течение 10 дней с момента получения, если товар не был в употреблении, сохранен товарный вид, упаковка не вскрывалась и присутствуют все сопроводительные документы.
Возврат денежных средств осуществляется в течение 10 рабочих дней после проверки товара складом.
В соответствии с законодательством возврату не подлежат подшипники надлежащего качества, если отсутствует оригинальная упаковка или имеются следы монтажа.
В случае выявления брака или гарантийного случая мы гарантируем возврат или обмен товара.
Да, гарантийный срок хранения устанавливается заводом-изготовителем и в среднем составляет 2 года при соблюдении условий хранения: сухое помещение, оригинальная упаковка и смазка.
Точный срок для конкретного типа подшипника уточняйте у наших менеджеров.
Пн–Пт: с 8:00 до 17:00 (МСК).
Сб–Вс: выходные дни.
Заказы на сайте принимаются круглосуточно. Заявки, поступившие после окончания рабочего дня, обрабатываются на следующий рабочий день.
Минимальная сумма заказа для доставки составляет 3000 рублей. Самовывоз со склада возможен на любую сумму при наличии товара.
ООО «УралТехГрупп»
ИНН: 7415093830
КПП: 772401001
ОГРН: 1167456069021
Банк: ПАО Сбербанк
Р/с: 40702810838000475273
К/с: 30101810400000000225
БИК: 044525225
У подшипника 1312K+H312 пока нет отзывов. Вы можете стать первым покупателем, поделившимся своим мнением.