Поиск подшипника
Статьи
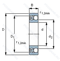
1616M — Подшипник шариковый двухрядный самоустанавливающийся, модификация основного исполнения 1616, производство GPZ.
Размер подшипника: 80x170x58 мм.
Механически обработанный латунный сепаратор .расположенный на элементах качения.
Альтернативное обозначение: 2316M.
Аналоги: 2316M FAG,2316-M FAG,2316M KG.
Международная стандартизации ISO
1616M
В наличии
| Обозначение | Конструктивные изменения |
|---|---|
| 1616DCTN | Подшипник шариковый двухрядный самоустанавливающийся. |
| 1616ZZ | Защитные металлические шайбы с обеих сторон. |
| 1616DS | Защитная металлическая шайба с двух сторон подшипника. |
| 1616DC | Резиновые уплотнения с каждой стороны подшипника. |
| 1616DSTN | Отлитый под давлением защелкивающийся сепаратор из полиамида. Центрированные тела качения. Защитная металлическая шайба с двух сторон подшипника. |
| 1616A | Двухрядный радиально-упорный шарикоподшипник без отверстия для смазки. |
| 1616 2RS | Резиновые уплотнения с каждой стороны подшипника. |
| 1616KM | Type Of Model. |
| 1616DCTN/W64 | Антифрикционный заполнитель. твердая смазка. Отлитый под давлением защелкивающийся сепаратор из полиамида. Центрированные тела качения. Резиновые уплотнения с каждой стороны подшипника. |
| 1616 | Подшипник шариковый двухрядный самоустанавливающийся. Основное конструктивное исполнение. |
| 1616 2RS GL | Резиновые уплотнения с каждой стороны подшипника. Консистентная смазка. |
| 1616 2RS NR | Резиновые уплотнения с каждой стороны подшипника. Канавка под стопорное кольцо на наружном кольце с соответствующим стопорным кольцом. |
| 1616ZZ V2 | Защитные металлические шайбы с двух сторон подшипника. Для применения. где основное требование снижение вибрации. |
| 1616-SQ155 | Подшипник шариковый двухрядный самоустанавливающийся. |
| 1616RS | Резиновое уплотнение с одной стороны. |
| FJL-1616L | Одно механическое уплотнение. |
| 12UR1616P | Сеаратор из литого полиамида 6.6. армированного стекловолокном. |
| MFJL-1616L | Одно механическое уплотнение. |
| PCZ 1616 E | Повышенная грузоподъемность. |
| PCZ 1616 M | Подшипник с латунным сепаратором. центрированный по телам качения. |
Модификации самоцентрирующегося шарикового подшипника 1616M — это измененное основное конструктивное исполнение 1616, основные размеры (80x170x58) не отличаются.
| Обозначение | Гост | Конструктивные особенности |
|---|---|---|
| 2316M C3 | ISO | Внутренний зазор больше нормального. Подшипник с латунным сепаратором. центрированный по телам качения. |
| 2316-K-M | ISO | Коническое отверстие. Конусность 1/12. Подшипник с латунным сепаратором. центрированный по телам качения. |
| 2316KM/C3 | ISO | Внутренний зазор больше нормального. Type Of Model. |
| 2316M/W64 | ISO | Антифрикционный заполнитель. твердая смазка. Подшипник с латунным сепаратором. центрированный по телам качения. |
| 2316M/C3W64 | ISO | Внутренний зазор больше нормального. Антифрикционный заполнитель. твердая смазка. Подшипник с латунным сепаратором. центрированный по телам качения. |
| 2316K | ISO | Коническое внутреннее отверстие. |
| 2316M | ISO | Твердый латунный сепаратор с шариковой направляющей. |
| 2316C3 | ISO | Внутренний зазор больше нормального. |
| 2316K C3 | ISO | Внутренний зазор больше нормального. Коническое отверстие. Конусность 1/12. |
| 17BBJ | ISO | ETN9 (SKF). |
| 2316M/C2 | ISO | Внутренний зазор подшипника меньше нормального. Подшипник с латунным сепаратором. центрированный по телам качения. |
| 2316S | ISO | Прессованный стальной сепаратор. Только для внутреннего и наружного колец. |
| 2316SK | ISO | Кулачковый толкатель штифтового типа. С шестигранной головкой. Только для внутреннего и наружного колец. |
| 2316SK C3 | ISO | Внутренний зазор больше нормального. Кулачковый толкатель штифтового типа. С шестигранной головкой. |
| 2316K+H2316 | ISO | Коническое отверстие. конус 1/12. |
| 2316M C4 | ISO | Внутренний зазор подшипника больше. чем C3. Механически обработанный латунный сепаратор .Расположенный на элементах качения. |
| 2316S C3 | ISO | Прессованный стальной сепаратор. Внутренний зазор больше нормального. |
| 2316M | ГОСТ | Подшипник с латунным сепаратором. центрированный по телам качения. |
Аналог самоцентрирующегося шарикового подшипника 1616M — это подшипник такого же размера dx80,Dx170,Bx58, типа и конструкции.
| Обозначение | Конструктивные особенности | Внутренний (d) | Наружный (D) | Ширина (B) |
|---|---|---|---|---|
| 92616KМ | Роликовый радиальный однорядный подшипник. Коническое отверстие. Конусность 1/12. Модифицированный контакт.. | 80.00 | 170.00 | 58.00 |
| В20-42616 КМШ | Роликовый радиальный однорядный подшипник. Модифицированный контакт.. Нормы шумности. | 80.00 | 170.00 | 58.00 |
| 6-32616 Л1 | Роликовый радиальный однорядный подшипник. Сепаратор из латуни.. | 80.00 | 170.00 | 58.00 |
| 2316-2RS | Шариковый сферический двухрядный подшипник. Резиновые уплотнения с каждой стороны подшипника. | 80.00 | 170.00 | 58.00 |
| NJ 2316 ECM | Роликовый радиальный однорядный подшипник. Однорядный цилиндрический роликовый подшипник. | 80.00 | 170.00 | 58.00 |
| NU 2316 ECM | Роликовый радиальный однорядный подшипник. Однорядный цилиндрический роликовый подшипник. | 80.00 | 170.00 | 58.00 |
| 42616-КМ | Роликовый радиальный однорядный подшипник. Кольцевая проточка на середине цилиндрической наружной поверхности наружного кольца плюс три отверстия для смазки. Модифицированный контакт.. | 80.00 | 170.00 | 58.00 |
| 42616-Л | Роликовый радиальный однорядный подшипник. Сепаратор из латуни.. | 80.00 | 170.00 | 58.00 |
| 42616-М | Роликовый радиальный однорядный подшипник. Модифицированный контакт.. | 80.00 | 170.00 | 58.00 |
| 42616KМ | Роликовый радиальный однорядный подшипник. Коническое отверстие. Конусность 1/12. Модифицированный контакт.. | 80.00 | 170.00 | 58.00 |
| 53616-К | Роликовый радиальный двухрядный подшипник. Кольцевая проточка на середине цилиндрической наружной поверхности наружного кольца плюс три отверстия для смазки. | 80.00 | 170.00 | 58.00 |
| 53616-Е | Роликовый радиальный двухрядный подшипник. Сепаратор из текстолита.. | 80.00 | 170.00 | 58.00 |
| 53616-К1 | Роликовый радиальный двухрядный подшипник. Кольцевая проточка на середине цилиндрической наружной поверхности наружного кольца плюс три отверстия для смазки. | 80.00 | 170.00 | 58.00 |
| 53616-Н | Роликовый радиальный двухрядный подшипник. Детали из теплостойкой стали. | 80.00 | 170.00 | 58.00 |
| 53616AН | Роликовый радиальный двухрядный подшипник. Двухрядный радиально-упорный шарикоподшипник без отверстия для смазки. Детали из теплостойкой стали. | 80.00 | 170.00 | 58.00 |
Способы доставки
Отправка через ведущие транспортные и курьерские компании: ПЭК, Деловые Линии, СДЭК, Байкал-Сервис, Энергия, КИТ, ЖелДорЭкспедиция.
Самовывоз возможен напрямую со склада в Москве.
Сроки доставки
Срок зависит от региона и выбранной транспортной компании. Все заказы комплектуются и отправляются в кратчайшие сроки со склада в Москве.
Надёжность и сохранность
Вся продукция упаковывается с учётом требований транспортировки. Мы гарантируем, что подшипники и комплектующие прибудут к заказчику в полной сохранности.
Доставка в страны ЕАЭС
Мы работаем с проверенными логистическими партнёрами, что позволяет оперативно доставлять заказы в Беларусь, Казахстан, Армению и другие страны ЕАЭС.
Варианты оплаты:
Минимальная сумма заказа и скидки:
Документы и гарантии:
Да, конечно! Наши технические специалисты готовы помочь вам с подбором точного аналога или замены подшипника. Просто позвоните нам по телефону +7 (495) 104-99-04 или напишите на почту zakaz@podsnab.ru.
Для оперативной консультации подготовьте, пожалуйста, имеющиеся данные: маркировку, размеры, тип оборудования или артикул старого подшипника.
Да, конечно! Мы высоко ценим долгосрочное сотрудничество и доверие клиентов по всей России. Для постоянных клиентов действует персональная система скидок.
Условия формируются индивидуально и зависят от:
Чтобы узнать свои условия и получить максимально выгодное предложение, свяжитесь с персональным менеджером или напишите нам на почту zakaz@podsnab.ru.
Вы можете оформить заказ несколькими способами:
Для оформления заказа от юридического лица свяжитесь с нашим отделом по работе с корпоративными клиентами по телефону +7 (495) 104-99-04 или напишите на email zakaz@podsnab.ru, прикрепив реквизиты вашей организации.
Мы оперативно подготовим коммерческое предложение и выставим счет.
Возврат товара надлежащего качества возможен в течение 10 дней с момента получения, если товар не был в употреблении, сохранен товарный вид, упаковка не вскрывалась и присутствуют все сопроводительные документы.
Возврат денежных средств осуществляется в течение 10 рабочих дней после проверки товара складом.
В соответствии с законодательством возврату не подлежат подшипники надлежащего качества, если отсутствует оригинальная упаковка или имеются следы монтажа.
В случае выявления брака или гарантийного случая мы гарантируем возврат или обмен товара.
Да, гарантийный срок хранения устанавливается заводом-изготовителем и в среднем составляет 2 года при соблюдении условий хранения: сухое помещение, оригинальная упаковка и смазка.
Точный срок для конкретного типа подшипника уточняйте у наших менеджеров.
Пн–Пт: с 8:00 до 17:00 (МСК).
Сб–Вс: выходные дни.
Заказы на сайте принимаются круглосуточно. Заявки, поступившие после окончания рабочего дня, обрабатываются на следующий рабочий день.
Минимальная сумма заказа для доставки составляет 3000 рублей. Самовывоз со склада возможен на любую сумму при наличии товара.
ООО «УралТехГрупп»
ИНН: 7415093830
КПП: 772401001
ОГРН: 1167456069021
Банк: ПАО Сбербанк
Р/с: 40702810838000475273
К/с: 30101810400000000225
БИК: 044525225
У подшипника 1616M пока нет отзывов. Вы можете стать первым покупателем, поделившимся своим мнением.