Поиск подшипника
Статьи
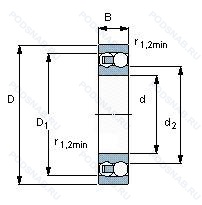
2206-2RS-TVH-C3 — Подшипник шариковый двухрядный самоустанавливающийся, модификация основного исполнения 2206, производство FAG.
Размер подшипника: 30x62x20 мм.
Резиновые уплотнения с каждой стороны подшипника, формованный полиамидный сепаратор защелкивающегося типа, внутренний зазор больше нормального.
Аналоги: 2206-2RSTNG C3 NSK.
Международная стандартизации ISO
22062RSTVHC3
В наличии
| Обозначение | Конструктивные изменения |
|---|---|
| 2206E G15 | Резиновое уплотнение на одной стороне подшипника. Литой сепаратор из полиамида 6.6. армированного стекловолокном. Элемент качения по центру. |
| 2206TN | Прочный сепаратор из полиамида. армированного стекловолокном. |
| 2206K T2 | Коническое отверстие. конус 1/12. Polyamide Cage. Ball Riding. |
| 2206EK TNG C3 | Внутренний зазор больше нормального. Шарикоподшипник. Однорядный электродвигатель. Уровень шума. Сепаратор из армированного стекловолокном полиамида. |
| 2206GK | Внутренний код THK без технических различий. |
| 2206GK C3 | Внутренний зазор больше нормального. Внутренний код THK без технических различий. |
| 2206K-2RSTN | Коническое отверстие. конус 1/12. Контактное уплотнение с обеих сторон. Сепаратор из армированного стекловолокном полиамида. |
| 2206K-2RSTNC3 | Внутренний зазор больше нормального. Коническое отверстие. конус 1/12. Контактное уплотнение с обеих сторон. Сепаратор из армированного стекловолокном полиамида. |
| 2206TG C3 | Внутренний зазор больше нормального. Пластиковый сепаратор с фиксатором. |
| 2206S | Прессованный стальной сепаратор. Только для внутреннего и наружного колец. |
| 2206-TVH-C3 | Внутренний зазор больше нормального. Массивный сепаратор из армированного стекловолокном полиамида PA66. |
| 2206K-2RS1 | Коническое отверстие. конус 1/12. Усиленные листовой сталью контактные уплотнения из акрилонитрил-бутадиенового каучука (NBR) с обеих сторон подшипника. |
| 2206TG | сепаратор из полиамида 6.6. армированного стекловолокном. |
| 2206K EE G15 | Коническое отверстие. конус 1/12. Литой сепаратор из полиамида 6.6. армированного стекловолокном. Центрированный элемент качения.. Резиновые уплотнения с каждой стороны подшипника. |
| 2206K G15 J30 | Коническое отверстие. конус 1/12. Внутренний зазор больше нормального. Литой сепаратор из полиамида 6.6. армированного стекловолокном. Центрированный элемент качения.. |
| 2206K 2RS TNG | Коническое отверстие. конус 1/12. Резиновые уплотнения с каждой стороны подшипника. Прочный сепаратор из полиамида. армированного стекловолокном. |
| 2206EE | Резиновые уплотнения с каждой стороны подшипника. |
| 2206-K-2RS+H306 | Коническое внутреннее отверстие. Контактные уплотнения типа RS с обеих сторон игольчатого роликоподшипника. |
| 2206-K-2RS-TVH-C3 + H306 | Внутренний зазор больше нормального. Коническое отверстие. Конусность 1/12. Резиновые уплотнения с каждой стороны подшипника. Твердая клетка из полиамида. |
| 2206-K-TVH-C3 + H306 | Внутренний зазор больше нормального. Коническое отверстие. Конусность 1/12. Твердая клетка из полиамида. |
| 2206 TN9 | Литой защелкивающийся сепаратор из полиамида. армированного стекловолокном 6.6. |
| 2206-2RS KTN9+H306 | Резиновые уплотнения с каждой стороны подшипника. |
| 2206 EKTN9 + H 306 | Pressed Snap-Type Steel Cage. Hardened. |
| 2206E-2RS1KTN9+H306E | Повышенная грузоподъемность. |
| NU 2206 ECPH | Однорядный цилиндрический роликовый подшипник. |
Модификации самоцентрирующегося шарикового подшипника 2206-2RS-TVH-C3 — это измененное основное конструктивное исполнение 2206, основные размеры (30x62x20) не отличаются.
| Обозначение | Гост | Конструктивные особенности |
|---|---|---|
| 3AAJK | ISO | EKTN9 (SKF). |
| 111506 | ISO | Подшипник шариковый двухрядный самоустанавливающийся. |
| S2206 2RS | ISO | Резиновые уплотнения с каждой стороны подшипника. |
| S2206-2RS-GL-SU | ISO | 2RS1 (SKF)=SEAL AT EACH SIDE OF THE. Single. Universally Ground. Небольшая предварительная нагрузка. |
| AJL30 | ISO | Подшипник шариковый двухрядный самоустанавливающийся. |
| AJLK30 | ISO | Подшипник шариковый двухрядный самоустанавливающийся. |
| 1506 | ISO | Подшипник шариковый двухрядный самоустанавливающийся. |
| W2206 2RS | ISO | Резиновые уплотнения с каждой стороны подшипника. |
Аналог самоцентрирующегося шарикового подшипника 2206-2RS-TVH-C3 — это подшипник такого же размера dx30,Dx62,Bx20, типа и конструкции.
| Обозначение | Конструктивные особенности | Внутренний (d) | Наружный (D) | Ширина (B) |
|---|---|---|---|---|
| 76-180506 ЕТ2С2 | Шариковый радиальный однорядный подшипник. Сепаратор из текстолита.. 200°. Смазка ЦИАТИМ-221. Температура отпуска. | 30.00 | 62.00 | 20.00 |
| 76-180506 Ю4ТС15 | Шариковый радиальный однорядный подшипник. Температура отпуска. 160°. Смазка ВНИИНП-207. Все детали или часть деталей из нержавеющей стали.. | 30.00 | 62.00 | 20.00 |
| 76-180506 Ю4ТС2У | Шариковый радиальный однорядный подшипник. Дополнительные технические требования. Температура отпуска. 160°. Смазка ЦИАТИМ-221. Все детали или часть деталей из нержавеющей стали.. | 30.00 | 62.00 | 20.00 |
| 76-180506 ЮТС15 | Шариковый радиальный однорядный подшипник. Температура отпуска. 160°. Все детали или часть деталей из нержавеющей стали.. Смазка ВНИИНП-207. | 30.00 | 62.00 | 20.00 |
| 76-180506 ЮТС4 | Шариковый радиальный однорядный подшипник. Температура отпуска. 160°. Все детали или часть деталей из нержавеющей стали.. Смазка ЦИАТИМ-221С. | 15.00 | 28.00 | 20.00 |
| 7А-180506 Е | Шариковый радиальный однорядный подшипник. Сепаратор из текстолита.. | 30.00 | 62.00 | 20.00 |
| LG30=5 | Шариковый радиальный однорядный подшипник. Distance Between Beginning Of The Rail And First Hole In MM. | 30.00 | 62.00 | 21.00 |
| CUC206-19 | Шариковый радиальный однорядный подшипник. 1.3/16. | 30.16 | 62.00 | 19.00 |
| CUC206 | Шариковый радиальный однорядный подшипник. Радиальный внутренний зазор С2. | 30.00 | 62.00 | 19.00 |
| 2-80506 ЕС9 | Шариковый радиальный однорядный подшипник. Сепаратор из текстолита.. Смазка ЛЗ-31. | 30.00 | 62.00 | 20.00 |
| 42506-А1 | Роликовый радиальный однорядный подшипник. Повышенная грузоподъемность. | 30.00 | 62.00 | 20.00 |
| 42506-Б1 | Роликовый радиальный однорядный подшипник. Сепаратор из безоловянистой бронзы.. | 30.00 | 62.00 | 20.00 |
| 42506-Д1 | Роликовый радиальный однорядный подшипник. Сепаратор из алюминиевого сплава.. | 30.00 | 62.00 | 20.00 |
| 5-32506 Б | Роликовый радиальный подшипник. Сепаратор из безоловянистой бронзы.. | 30.00 | 62.00 | 20.00 |
| 6-102506-М | Роликовый радиальный однорядный подшипник. Модифицированный контакт.. | 30.00 | 62.00 | 20.00 |
Способы доставки
Отправка через ведущие транспортные и курьерские компании: ПЭК, Деловые Линии, СДЭК, Байкал-Сервис, Энергия, КИТ, ЖелДорЭкспедиция.
Самовывоз возможен напрямую со склада в Москве.
Сроки доставки
Срок зависит от региона и выбранной транспортной компании. Все заказы комплектуются и отправляются в кратчайшие сроки со склада в Москве.
Надёжность и сохранность
Вся продукция упаковывается с учётом требований транспортировки. Мы гарантируем, что подшипники и комплектующие прибудут к заказчику в полной сохранности.
Доставка в страны ЕАЭС
Мы работаем с проверенными логистическими партнёрами, что позволяет оперативно доставлять заказы в Беларусь, Казахстан, Армению и другие страны ЕАЭС.
Варианты оплаты:
Минимальная сумма заказа и скидки:
Документы и гарантии:
Да, конечно! Наши технические специалисты готовы помочь вам с подбором точного аналога или замены подшипника. Просто позвоните нам по телефону +7 (495) 104-99-04 или напишите на почту zakaz@podsnab.ru.
Для оперативной консультации подготовьте, пожалуйста, имеющиеся данные: маркировку, размеры, тип оборудования или артикул старого подшипника.
Да, конечно! Мы высоко ценим долгосрочное сотрудничество и доверие клиентов по всей России. Для постоянных клиентов действует персональная система скидок.
Условия формируются индивидуально и зависят от:
Чтобы узнать свои условия и получить максимально выгодное предложение, свяжитесь с персональным менеджером или напишите нам на почту zakaz@podsnab.ru.
Вы можете оформить заказ несколькими способами:
Для оформления заказа от юридического лица свяжитесь с нашим отделом по работе с корпоративными клиентами по телефону +7 (495) 104-99-04 или напишите на email zakaz@podsnab.ru, прикрепив реквизиты вашей организации.
Мы оперативно подготовим коммерческое предложение и выставим счет.
Возврат товара надлежащего качества возможен в течение 10 дней с момента получения, если товар не был в употреблении, сохранен товарный вид, упаковка не вскрывалась и присутствуют все сопроводительные документы.
Возврат денежных средств осуществляется в течение 10 рабочих дней после проверки товара складом.
В соответствии с законодательством возврату не подлежат подшипники надлежащего качества, если отсутствует оригинальная упаковка или имеются следы монтажа.
В случае выявления брака или гарантийного случая мы гарантируем возврат или обмен товара.
Да, гарантийный срок хранения устанавливается заводом-изготовителем и в среднем составляет 2 года при соблюдении условий хранения: сухое помещение, оригинальная упаковка и смазка.
Точный срок для конкретного типа подшипника уточняйте у наших менеджеров.
Пн–Пт: с 8:00 до 17:00 (МСК).
Сб–Вс: выходные дни.
Заказы на сайте принимаются круглосуточно. Заявки, поступившие после окончания рабочего дня, обрабатываются на следующий рабочий день.
Минимальная сумма заказа для доставки составляет 3000 рублей. Самовывоз со склада возможен на любую сумму при наличии товара.
ООО «УралТехГрупп»
ИНН: 7415093830
КПП: 772401001
ОГРН: 1167456069021
Банк: ПАО Сбербанк
Р/с: 40702810838000475273
К/с: 30101810400000000225
БИК: 044525225
У подшипника 2206-2RS-TVH-C3 пока нет отзывов. Вы можете стать первым покупателем, поделившимся своим мнением.