Поиск подшипника
Статьи
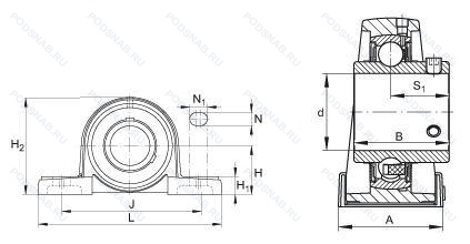
UCP209D1 — Корпус подшипника, модификация основного исполнения UCP209, выпускается производителями: NEUTRAL, NSK, NTN.
Размер подшипника: 45x187x48 мм.
Не требующий обслуживания тип.
Альтернативное обозначение: 56209 + SG209S, GYE45KRRB + ASE09, RASEY45, SG56209, SY45TF, UC209 + P209, YAR209-2F + SY509M.
Аналоги: UCP209 Felstrom,UCP209 Timken,UCP209 Asahi,UCP209R45 Asahi,UCP209 HBF,UCP209 FK,UCP209 TR,UCP209 ISB,UCP209 PTN,UCP209 LDK,UCP209 IB,UCP209-45MM Peer.
Международная стандартизации ISO
UCP209D1
В наличии
| Обозначение | Конструктивные изменения |
|---|---|
| UCP209J | Дорожки качения наружного кольца. угол контакта и ширина наружного кольца в соответствии с ISO. |
| UCP209-J7 | Прессованный незакаленный стальной сепаратор, центрирование элементов качения. |
| UCP209-26 | 1.5/8. |
| UCP209-27 | 1.11/16. |
| UCP209 | Корпус подшипника. Основное конструктивное исполнение. |
| UCP209-28 | 1.3/4. |
| UCP209SS | Две резиновые защитные шайбы. |
| UCP209-26T20 | 1.5/8. Вкладыши подшипников для рабочих температур до +200°C (+400°F). |
| UCP209R45 | Grease Nipple Is Not On Top Of The Housing. But At An Angle Of 45 Degrees. |
| UCP209CC | Rubber Coated Outer Cover. With Dust Lip. With Spring. Size Range 6 - 380mm. |
| UCP209CO | Open Protective Cap Made Of Stainless Steel With Double Lip Seal. |
| W-UCP209 | Корпус подшипника. |
| UCP209-110 | 1.5/8. |
| UCP209-28-J7 | Наилучшая посадка в корпусе. 1.3/4. |
| UCP209/H | Более высокая стабильность и лучший баланс нагрузки, чем в стандартной комплектации. Для шарикоподшипниковых узлов UC/Угол установочных винтов 120° вместо 62°. |
| Y/UCP209 | Сепаратор из прессованной латуни. Центрирование шарика. |
| UCP209-28U | 1.3/4. |
| UCP209N AV2S | Канавка под стопорное кольцо на внешнем кольце. Lubricant. Shell Oil Co.. Alvania #2 Grease. 1/4 Full. Temperature Range = -10°C / + 110°C (Normal Temperature Grease). |
| UCP209-112 | 1.3/4. |
| UCP209D1 K2 | Grease SH44M.. Oil Seal Silicon Rubber. |
| UCP209H4 | Корпус подшипника. |
| UCP209-28S | Стандартное заполнение. |
| UCP209-27-J7 | Наилучшая посадка в корпусе. 1.11/16. |
| UCP209-26-J7 | Наилучшая посадка в корпусе. 1.5/8. |
| UCP209R3 | Уплотнение состоит из металлического колпачка и синтетического каучука.. |
Модификации корпуса подшипника UCP209D1 — это измененное основное конструктивное исполнение UCP209, основные размеры (45x187x48) не отличаются.
| Обозначение | Гост | Конструктивные особенности |
|---|---|---|
| RASEY45 | ISO | Корпус подшипника. |
| SY45TF | ISO | Корпусный подшипник со стопорными винтами. серии YAR2. стандартное уплотнение и простой масло отражатель с каждой стороны. |
| UC209 | ISO | Угол контакта 20 градусов. |
| 56209 | ISO | Корпус подшипника. |
| GYE45KRRB | ISO | Корпус подшипника. |
| SG56209 | ISO | Корпус подшипника. |
| SL45A/AR3P | ISO | Двухрядный радиально-упорный шарикоподшипник без отверстия для смазки. Designation = Alvania Grease R3. Base Oil = Mineral. Thickener = Lithium. Min. Temp = -34°C. Max. Temp = +135°C. |
| SL45MM | ISO | Миллиметры. |
| PASE45-SML | ISO | Увеличенный зазор между подшипниками и корпусом. Это не влияет на изделие без суффикса SML. |
| SY1.3/4WM | ISO | Размерные и геометрические допуски соответствуют классу точности P6. Y-образный подшипник серии YEL2 (внутреннее кольцо расширено с обеих сторон. Эксцентриковая стопорная втулка). |
| SY1.3/4TF/VA228 | ISO | Bearing With A “Coronet” Cage Of Graphite For Temperatures -150°C/+350°C. Корпусный подшипник со стопорными винтами. серии YAR2. стандартное уплотнение и простой масло отражатель с каждой стороны. Размерные и геометрические допуски соответствуют классу точности P6. |
| Y/UCP209/H | ISO | Более высокая стабильность и лучший баланс нагрузки, чем в стандартной комплектации. Для шарикоподшипниковых узлов UC/Угол установочных винтов 120° вместо 62°. |
| PASE45-XL-SML | ISO | Серия X-Life премиум-класс. увеличиный срок службы. Увеличенный зазор между подшипниками и корпусом. Это не влияет на изделие без суффикса SML. |
| M-UCP209J D1 | ISO | Корпус подшипникового узла. С допуском сферического отверстия J. Подходит для корпуса диаметром до 100 мм.. Не требующий обслуживания тип. |
| PASE45-XL-N | ISO | Серия X-Life премиум-класс. увеличиный срок службы. Чугунный корпус с подрезной прорезью для торцевых колпачков. |
| NAP209J | ISO | Корпус подшипникового узла. С допуском сферического отверстия J. Подходит для корпуса диаметром до 100 мм.. |
| NP45HLT | ISO | Высоко- и низкотемпературные подшипниковые вкладыши. |
| RASEY1.3/4 | ISO | Размерные и геометрические допуски соответствуют классу точности P6. Подшипник с чрезвычайно высокой точностью вращения (Abec9) и допуском формы (Abec7). |
| RAKY1.3/4 | ISO | Размерные и геометрические допуски соответствуют классу точности P6. Подшипник с чрезвычайно высокой точностью вращения (Abec9) и допуском формы (Abec7). |
| M-UCP209D1 | ISO | Канавка и смазочные отверстия на наружном кольце. |
| RASEY45-JIS | ISO | Японский промышленный стандарт. |
| SYH1.3/4WF | ISO | Размерные и геометрические допуски соответствуют классу точности P6. Y-подшипник серии YEL2-2F (внутреннее кольцо выдвинуто с обеих сторон. Эксцентриковая стопорная втулка). Стандартное уплотнение и плоский фланец с каждой стороны. |
| AELP209D1W3 | ISO | Не требующий обслуживания тип. Корпусной подшипник с установочным винтом. |
| P3-U228HHC | ISO | Closed End Unit. Два плавающих лабиринтных уплотнения. |
| Y/UCP209-28 | ISO | 1.3/4. |
| SY112S | ISO | Запечатанная версия кулачкового ролика. |
Аналог корпуса подшипника UCP209D1 — это подшипник такого же размера dx45,Dx187,Bx48, типа и конструкции.
Способы доставки
Отправка через ведущие транспортные и курьерские компании: ПЭК, Деловые Линии, СДЭК, Байкал-Сервис, Энергия, КИТ, ЖелДорЭкспедиция.
Самовывоз возможен напрямую со склада в Москве.
Сроки доставки
Срок зависит от региона и выбранной транспортной компании. Все заказы комплектуются и отправляются в кратчайшие сроки со склада в Москве.
Надёжность и сохранность
Вся продукция упаковывается с учётом требований транспортировки. Мы гарантируем, что подшипники и комплектующие прибудут к заказчику в полной сохранности.
Доставка в страны ЕАЭС
Мы работаем с проверенными логистическими партнёрами, что позволяет оперативно доставлять заказы в Беларусь, Казахстан, Армению и другие страны ЕАЭС.
Варианты оплаты:
Минимальная сумма заказа и скидки:
Документы и гарантии:
Да, конечно! Наши технические специалисты готовы помочь вам с подбором точного аналога или замены подшипника. Просто позвоните нам по телефону +7 (495) 104-99-04 или напишите на почту zakaz@podsnab.ru.
Для оперативной консультации подготовьте, пожалуйста, имеющиеся данные: маркировку, размеры, тип оборудования или артикул старого подшипника.
Да, конечно! Мы высоко ценим долгосрочное сотрудничество и доверие клиентов по всей России. Для постоянных клиентов действует персональная система скидок.
Условия формируются индивидуально и зависят от:
Чтобы узнать свои условия и получить максимально выгодное предложение, свяжитесь с персональным менеджером или напишите нам на почту zakaz@podsnab.ru.
Вы можете оформить заказ несколькими способами:
Для оформления заказа от юридического лица свяжитесь с нашим отделом по работе с корпоративными клиентами по телефону +7 (495) 104-99-04 или напишите на email zakaz@podsnab.ru, прикрепив реквизиты вашей организации.
Мы оперативно подготовим коммерческое предложение и выставим счет.
Возврат товара надлежащего качества возможен в течение 10 дней с момента получения, если товар не был в употреблении, сохранен товарный вид, упаковка не вскрывалась и присутствуют все сопроводительные документы.
Возврат денежных средств осуществляется в течение 10 рабочих дней после проверки товара складом.
В соответствии с законодательством возврату не подлежат подшипники надлежащего качества, если отсутствует оригинальная упаковка или имеются следы монтажа.
В случае выявления брака или гарантийного случая мы гарантируем возврат или обмен товара.
Да, гарантийный срок хранения устанавливается заводом-изготовителем и в среднем составляет 2 года при соблюдении условий хранения: сухое помещение, оригинальная упаковка и смазка.
Точный срок для конкретного типа подшипника уточняйте у наших менеджеров.
Пн–Пт: с 8:00 до 17:00 (МСК).
Сб–Вс: выходные дни.
Заказы на сайте принимаются круглосуточно. Заявки, поступившие после окончания рабочего дня, обрабатываются на следующий рабочий день.
Минимальная сумма заказа для доставки составляет 3000 рублей. Самовывоз со склада возможен на любую сумму при наличии товара.
ООО «УралТехГрупп»
ИНН: 7415093830
КПП: 772401001
ОГРН: 1167456069021
Банк: ПАО Сбербанк
Р/с: 40702810838000475273
К/с: 30101810400000000225
БИК: 044525225
У подшипника UCP209D1 пока нет отзывов. Вы можете стать первым покупателем, поделившимся своим мнением.