Поиск подшипника
Статьи
UCF208 — Корпус подшипника, основное исполнение, выпускается производителями: ANB BEARINGS LTD., ASAHI, ASKUBAL, CCVI, CHINA, EBS, FAG, FBJ, FELSTROM, FK, FS, FUSHAN, FYH, GPZ, HBF, HFB, IBU FIEDLER, INA, IPTCI, JIB, KBF, KG, KOYO, LK, MSB, NACHI, NBI, NBR, NEUTRAL, NIS, NSK, NTN, PTI, PTN, SIB, SKF, SLB, TIMKEN, TR.
Размер подшипника: 40x175x54 мм.
Альтернативное обозначение: 56208 + SG208S, GYE40KRRB + ASE08, RASEY40, SG56208, SY40TF, UC208 + F208, YAR208-2F + SY508M.
Аналоги: F56208 FAG,RCJY40-XL-N INA,FY40TF SKF,FWS208X40AMM PTI,M-UCFB208-PL/W FK,M-UCFB202-PL/W FK.
Международная стандартизации ISO
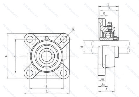
UCF208
В наличии
Подшипниковый узел UCF208 производства SKF включает подшипник, размещённый в корпусе с посадкой для вала, предназначенный для работы с радиальными и осевыми нагрузками. Этот узел используется в различных механизмах, таких как насосы, редукторы, сельскохозяйственная техника и конвейеры, где требуется высокая надёжность и долговечность работы подшипников.
Размеры подшипникового узла UCF208:
Корпус подшипника UCF208 выполнен из прочных материалов, что увеличивает его долговечность и устойчивость к внешним воздействиям. Уплотнения защищают подшипник от загрязнений, предотвращая утечку смазки и повышая срок службы подшипникового узла.
При установке подшипникового узла SKF UCF208 важно соблюдать точность посадки и выравнивание всех компонентов для обеспечения долговечности и стабильности работы подшипникового узла.
| Обозначение | Конструктивные изменения |
|---|---|
| UCF208PE | Допуски на увеличенный диаметр и осевое биение по классу точности P5 для радиальных подшипников. |
| UCF208D1 | Не требующий обслуживания тип. |
| UCF208-25 | Distance Between Beginning Of The Rail And First Hole In MM. |
| UCF208-24 | 1.1/2. |
| UCF208J | Дорожки качения наружного кольца. угол контакта и ширина наружного кольца в соответствии с ISO. |
| UCF208JD1 | Корпус подшипникового узла. С допуском сферического отверстия J. Подходит для корпуса диаметром до 100 мм.. Канавка и смазочные отверстия на наружном кольце. |
| UCF208SS | Две резиновые защитные шайбы. |
| UCF208-108 | 1.1/2. |
| UCF208ECYA | One End Closed. |
| UCF208C | 15° Угол контакта. |
| UCF208HT2D1 | Стандартная консистентная смазка Alvania Grease 3. Heat-Stabilized Up To 270°C. |
| UCF208C-674532 | Подшипник SB из хромированной легированной стали, потайные винты, блокировка вала. Closed Cap. |
| UCF208N | Канавка под стопорное кольцо на внешнем кольце. |
| UCF208-J7 | Наилучшая посадка в корпусе. |
| UCF208D1K2 | Heat-Resistant Type B (-40°C To +180°C).. |
| UCF208N AV2S | Канавка под стопорное кольцо на внешнем кольце. Lubricant. Shell Oil Co.. Alvania #2 Grease. 1/4 Full. Temperature Range = -10°C / + 110°C (Normal Temperature Grease). |
| UCF208-24-J7 | Наилучшая посадка в корпусе. 1.1/2. |
| UCF208/H | Более высокая стабильность и лучший баланс нагрузки, чем в стандартной комплектации. Для шарикоподшипниковых узлов UC/Угол установочных винтов 120° вместо 62°. |
| UCF208-24-TRL | 1.1/2. Triple Lip Seal. |
| UCF208CC | Rubber Coated Outer Cover. With Dust Lip. With Spring. Size Range 6 - 380mm. |
| Y/UCF208 | Сепаратор из прессованной латуни. Центрирование шарика. |
| UCF208SS SOLID | Stainless Steel. Solid=Solid Base. Solid Base. |
| UCF208JL3E4 | Non-Lubricating Type. Корпус подшипникового узла. С допуском сферического отверстия J. Подходит для корпуса диаметром до 100 мм.. Тройное манжетное уплотнение для вкладыша подшипника. |
| UCF208-25-J7 | Distance Between Beginning Of The Rail And First Hole In MM. Наилучшая посадка в корпусе. |
| UCF208KNST/S6/WHITE+PRO | Подшипник из нержавеющей стали. Colour Of The Housing. Polyamide. |
Модификации корпуса подшипника UCF208 — это измененное основное конструктивное исполнение UCF208, основные размеры (40x175x54) не отличаются.
| Обозначение | Гост | Конструктивные особенности |
|---|---|---|
| F56208 | ISO | Корпус подшипника. |
| RASEY40 | ISO | Корпус подшипника. |
| UC208 | ISO | Угол контакта 20 градусов. |
| GYE40KRRB | ISO | Корпус подшипника. |
| FY1.9/16TF | ISO | Largest Fill. Корпусный подшипник со стопорными винтами. серии YAR2. стандартное уплотнение и простой масло отражатель с каждой стороны. |
| SG56208 | ISO | Корпус подшипника. |
| SY40TF | ISO | Корпусный подшипник со стопорными винтами. серии YAR2. стандартное уплотнение и простой масло отражатель с каждой стороны. |
| FY40TF/VA201 | ISO | Корпусный подшипник со стопорными винтами. серии YAR2. стандартное уплотнение и простой масло отражатель с каждой стороны. Подшипник для высокотемпературных применений (например. печных тележек). |
| FYL40TR/VE495 | ISO | Ball Slide Model. Внутренние и внешние кольца с цинковым покрытием и заслонки из нержавеющей стали. Заполнены нетоксичной (пищевой) смазкой. |
| FYL40THR | ISO | SKF Food Line Y - подшипник со стопорными винтами. Серия YAR. Изготовлено из нержавеющей стали. Смазочная канавка на одной стороне стопорного устройства. |
| RCJY40-XL-N | ISO | Серия X-Life премиум-класс. увеличиный срок службы. Чугунный корпус с подрезной прорезью для торцевых колпачков. |
| SF40FS/AR3P | ISO | Подшипниковый вкладыш с маслоотражательными уплотнениями. Designation = Alvania Grease R3. Base Oil = Mineral. Thickener = Lithium. Min. Temp = -34°C. Max. Temp = +135°C. |
| FY40TR | ISO | Y-подшипник серии YAR2-2RF (внутреннее кольцо расширенное с обеих сторон. Фиксация с помощью стопорного винта). Стандартное уплотнение и прорезиненный фланец с каждой стороны. |
| FY40TF | ISO | Корпусный подшипник со стопорными винтами. серии YAR2. стандартное уплотнение и простой масло отражатель с каждой стороны. |
| FYK40TR | ISO | Y-подшипник серии YAR2-2RF (внутреннее кольцо расширенное с обеих сторон. Фиксация с помощью стопорного винта). Стандартное уплотнение и прорезиненный фланец с каждой стороны. |
| FYKC40NTH | ISO | Y-Bearing Of Series YAR2-2RF/HV (Inner Ring Extended At Both Sides. Grub Screw Locking). Standard Seal And Rubberized Flinger At Each Side. Stainless Steel Bearing. |
| 56208 | ISO | Корпус подшипника. |
| FWS208X40AMM | ISO | Корпус подшипника. |
| Y/UCF208/H | ISO | Более высокая стабильность и лучший баланс нагрузки, чем в стандартной комплектации. Для шарикоподшипниковых узлов UC/Угол установочных винтов 120° вместо 62°. |
| FY40TDW | ISO | Insert Bearing With Grub Screws. YARAG 2 Series. |
| RCJY40-JIS | ISO | Японский промышленный стандарт. |
| FYK40TR/W64 | ISO | Антифрикционный заполнитель. твердая смазка. Y-подшипник серии YAR2-2RF (внутреннее кольцо расширенное с обеих сторон. Фиксация с помощью стопорного винта). Стандартное уплотнение и прорезиненный фланец с каждой стороны. |
| RCJY40-N | ISO | Чугунный корпус с подрезной прорезью для торцевых колпачков. |
| FYKC40NTR/VE495 | ISO | Внутренние и внешние кольца с цинковым покрытием и заслонки из нержавеющей стали. Заполнены нетоксичной (пищевой) смазкой. Y-Bearing Of Series YAR2-2RFG (Inner Ring Extended At Both Sides. Grub Screw Locking). Bearing Outer Ring With Lubrication Groove. Standard Seal And Rubberized Flinger At Each Side. Non-Toxic Grease Fill. |
| FY40SD | ISO | The Old Suffix For TF (Y-Bearing Of Series YAR2-2F (Inner Ring Extended At Both Sides. Grub Screw Locking). Standard Seal And Plain Flinger At Each Side). |
| F4B-GTEZ-40M-PCR | ISO | Корпус из полимера. Подшипниковая вставка устойчива к коррозии. |
| M-UCFB208-PL/W | ISO | White Color Housing. |
| M-UCFB202-PL/W | ISO | White Color Housing. |
Аналог корпуса подшипника UCF208 — это подшипник такого же размера dx40,Dx175,Bx54, типа и конструкции.
Способы доставки
Отправка через ведущие транспортные и курьерские компании: ПЭК, Деловые Линии, СДЭК, Байкал-Сервис, Энергия, КИТ, ЖелДорЭкспедиция.
Самовывоз возможен напрямую со склада в Москве.
Сроки доставки
Срок зависит от региона и выбранной транспортной компании. Все заказы комплектуются и отправляются в кратчайшие сроки со склада в Москве.
Надёжность и сохранность
Вся продукция упаковывается с учётом требований транспортировки. Мы гарантируем, что подшипники и комплектующие прибудут к заказчику в полной сохранности.
Доставка в страны ЕАЭС
Мы работаем с проверенными логистическими партнёрами, что позволяет оперативно доставлять заказы в Беларусь, Казахстан, Армению и другие страны ЕАЭС.
Варианты оплаты:
Минимальная сумма заказа и скидки:
Документы и гарантии:
Да, конечно! Наши технические специалисты готовы помочь вам с подбором точного аналога или замены подшипника. Просто позвоните нам по телефону +7 (495) 104-99-04 или напишите на почту zakaz@podsnab.ru.
Для оперативной консультации подготовьте, пожалуйста, имеющиеся данные: маркировку, размеры, тип оборудования или артикул старого подшипника.
Да, конечно! Мы высоко ценим долгосрочное сотрудничество и доверие клиентов по всей России. Для постоянных клиентов действует персональная система скидок.
Условия формируются индивидуально и зависят от:
Чтобы узнать свои условия и получить максимально выгодное предложение, свяжитесь с персональным менеджером или напишите нам на почту zakaz@podsnab.ru.
Вы можете оформить заказ несколькими способами:
Для оформления заказа от юридического лица свяжитесь с нашим отделом по работе с корпоративными клиентами по телефону +7 (495) 104-99-04 или напишите на email zakaz@podsnab.ru, прикрепив реквизиты вашей организации.
Мы оперативно подготовим коммерческое предложение и выставим счет.
Возврат товара надлежащего качества возможен в течение 10 дней с момента получения, если товар не был в употреблении, сохранен товарный вид, упаковка не вскрывалась и присутствуют все сопроводительные документы.
Возврат денежных средств осуществляется в течение 10 рабочих дней после проверки товара складом.
В соответствии с законодательством возврату не подлежат подшипники надлежащего качества, если отсутствует оригинальная упаковка или имеются следы монтажа.
В случае выявления брака или гарантийного случая мы гарантируем возврат или обмен товара.
Да, гарантийный срок хранения устанавливается заводом-изготовителем и в среднем составляет 2 года при соблюдении условий хранения: сухое помещение, оригинальная упаковка и смазка.
Точный срок для конкретного типа подшипника уточняйте у наших менеджеров.
Пн–Пт: с 8:00 до 17:00 (МСК).
Сб–Вс: выходные дни.
Заказы на сайте принимаются круглосуточно. Заявки, поступившие после окончания рабочего дня, обрабатываются на следующий рабочий день.
Минимальная сумма заказа для доставки составляет 3000 рублей. Самовывоз со склада возможен на любую сумму при наличии товара.
ООО «УралТехГрупп»
ИНН: 7415093830
КПП: 772401001
ОГРН: 1167456069021
Банк: ПАО Сбербанк
Р/с: 40702810838000475273
К/с: 30101810400000000225
БИК: 044525225
У подшипника UCF208 пока нет отзывов. Вы можете стать первым покупателем, поделившимся своим мнением.