Поиск подшипника
Статьи
UCFC.208 — Корпус подшипника, модификация основного исполнения 208, выпускается производителями: ASAHI, ASKUBAL, CCVI, CHINA, EBF, FAG, FELSTROM, FK, FKD, FYH, HFB, ISB, JAPANESE ORIGIN, JIB, KOYO, MSB, NACHI, NEUTRAL, NSK, PTI, PTN, SKF, SLB, SNR, TIMKEN, TR.
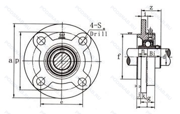
Размер подшипника: 40x145x49 мм.
Альтернативное обозначение: 56208 + FC208, FC40, FC56208, FYC40TF, GYE40KRRB + GG.ME08-N, RMEY40-N, UC208 + FC208, YAR208-2F + FYC508.
Аналоги: FC40 RHP.
Международная стандартизации ISO
UCFC208
В наличии
Подшипниковый узел UCFC.208 производства SKF представляет собой подшипник, установленный в корпус с посадкой для вала, предназначенный для работы с радиальными и осевыми нагрузками. Этот узел используется в различных механизмах, таких как сельскохозяйственная техника, насосы, редукторы и конвейерные системы, где важна высокая надёжность и долговечность подшипников.
Корпус подшипника UCFC.208 выполнен из прочных материалов, что увеличивает его долговечность и устойчивость к внешним воздействиям. Уплотнения защищают подшипник от загрязнений и утечек смазки, что способствует долговечности подшипникового узла и снижает потребность в обслуживании.
При установке подшипникового узла SKF UCFC.208 важно соблюдать точность посадки вала и корпуса для обеспечения стабильной работы и долговечности подшипникового узла.
| Обозначение | Конструктивные изменения |
|---|---|
| E 208 7CE1 | Очень высокая грузоподъемность.. |
| E 208/S 7CE3 | Запечатанная версия кулачкового ролика. Очень высокая грузоподъемность.. |
| E 208/S/NS 7CE3 | Запечатанная версия кулачкового ролика. Очень высокая грузоподъемность.. Шарики из нитрида кремния Si3N4 (гибридные подшипники). Керамические шарики. |
| QJ 208 N2 M | Подшипник с латунным сепаратором. центрированный по телам качения. Два установочных паза (выемки), расположенных под углом 180° друг от друга в одной боковой поверхности наружного кольца или шайбе корпуса.. |
| RIS 208 A | Измененная или модифицированная внутренняя конструкция при неизменных основных размерах. |
| YARAG 208-108 | 1.1/2. |
| YSP 208-108 SB-2F | Стандартное контактное уплотнение с дополнительным маслоотражательным кольцом с обеих сторон. Double Row. Angular Contact. Non-Filling Notch Bearing. With Outwardly Convergent Угол контактаs. Rigid Design. 1.1/2. |
| YSA 208-2FK + H 2308 | Pressed Snap-Type Steel Cage. Hardened. |
| 208 KRR AH04 FA154 | Манжетные уплотнения с обеих сторон (уплотнение типа R - имеет оцинкованные внутреннюю и внешнюю крышки. Между крышками имеется уплотнительная кромка NBR. идущая по шлифованному буртику). Different Bore Size. Сепаратор из стали. |
| BSA 208 C | 15° Угол контакта. |
| FBSA 208 A/QFC | Измененная или модифицированная внутренняя конструкция при неизменных основных размерах. |
| FBSA 208 A/QBC | Измененная или модифицированная внутренняя конструкция при неизменных основных размерах. Четыре подшипника в O-образной компоновке. |
| FBSA 208/QBC | Четыре подшипника в O-образной компоновке. |
| FBSA 208/DF | Комплект из двух подшипников. согласованных для установки по Х-образной схеме. Число. следующее непосредственно после букв DF. обозначает конструкцию промежуточного кольца. |
| FBSA 208/DB | Two Single Row Deep Groove Ball Bearings. Single Row Angular Contact Ball Bearings Or Single Row Tapered Roller Bearings Matched For Mounting In A Back-To-Back Arrangement. |
| BSA 208 CG | Резьбовой винт со стопором и защелкой. |
| BSA 208 CG-2RZ | Шарикоподшипник. С уплотнением и низким коэффициентом трения с обеих сторон. Уплотнение состоит из шайбы из листовой стали с вулканизированной резиной. Резьбовой винт со стопором и защелкой. |
| N 208 ECMB | Однорядный цилиндрический роликовый подшипник. |
| N 208 ECPH | Однорядный цилиндрический роликовый подшипник. |
| NU 208 ECPH | Однорядный цилиндрический роликовый подшипник. |
| GEZM 208 ES | Разъемное наружное кольцо со смазочными отверстиями. |
| GEZPR 208 S | Запечатанная версия кулачкового ролика. |
| GEZ 208 TXE-2LS | Контактное уплотнение с обеих сторон подшипника. Закаленная и шлифованная сталь. Скользящая поверхность покрыта твердым хромом и отполирована. |
| GEZM 208 ES-2LS | Контактное уплотнение с обеих сторон подшипника. Разъемное наружное кольцо со смазочными отверстиями. |
| GEZM 208 ES-2RS | Резиновые уплотнения с каждой стороны подшипника. Разъемное наружное кольцо со смазочными отверстиями. |
Модификации корпуса подшипника UCFC.208 — это измененное основное конструктивное исполнение 208, основные размеры (40x145x49) не отличаются.
| Обозначение | Гост | Конструктивные особенности |
|---|---|---|
| UKT209H | ISO | Pressed Snap-Type Steel Cage. Hardened. |
| TU40FM | ISO | Y-образный подшипник серии YET2 (внутреннее кольцо выдвинуто с одной стороны. Эксцентриковая стопорная втулка). Стандартное уплотнение без фланца с каждой стороны. |
| UC208 | ISO | Угол контакта 20 градусов. |
| GYE40KRRB | ISO | Корпус подшипника. |
| TU40WM | ISO | Y-образный подшипник серии YEL2 (внутреннее кольцо расширено с обеих сторон. Эксцентриковая стопорная втулка). |
| PTUE40 | ISO | Корпус подшипника. |
| RTUEY40 | ISO | Корпус подшипника. |
| FC40 | ISO | Корпус подшипника. |
| TU40TF | ISO | Корпусный подшипник со стопорными винтами. серии YAR2. стандартное уплотнение и простой масло отражатель с каждой стороны. |
| UCFC208J | ISO | Дорожки качения наружного кольца. угол контакта и ширина наружного кольца в соответствии с ISO. |
| UCT208N AV2S | ISO | Канавка под стопорное кольцо на внешнем кольце. Lubricant. Shell Oil Co.. Alvania #2 Grease. 1/4 Full. Temperature Range = -10°C / + 110°C (Normal Temperature Grease). |
| FC56208 | ISO | Корпус подшипника. |
| RMEY40-XL-N | ISO | Серия X-Life премиум-класс. увеличиный срок службы. Чугунный корпус с подрезной прорезью для торцевых колпачков. |
| UCFC208-J7 | ISO | Наилучшая посадка в корпусе. |
| UCFC208HT2D1 | ISO | Стандартная консистентная смазка Alvania Grease 3. Heat-Stabilized Up To 270°C. |
| FYC40TF | ISO | Корпусный подшипник со стопорными винтами. серии YAR2. стандартное уплотнение и простой масло отражатель с каждой стороны. |
| 56208 | ISO | Корпус подшипника. |
| UCFC208V22 HT2 W6 | ISO | Heat-Stabilized Up To 270°C. Отверстия для смазки с обеих сторон наружного кольца подшипника. For Axial Expansion Screw Shaft When Necessary. |
| C-UCFC208D1 | ISO | Канавка и смазочные отверстия на наружном кольце. |
| UCFC208/H | ISO | Более высокая стабильность и лучший баланс нагрузки, чем в стандартной комплектации. Для шарикоподшипниковых узлов UC/Угол установочных винтов 120° вместо 62°. |
| Y/UCFC208/H | ISO | Более высокая стабильность и лучший баланс нагрузки, чем в стандартной комплектации. Для шарикоподшипниковых узлов UC/Угол установочных винтов 120° вместо 62°. |
| UCFC208C | ISO | Open Sheet Cover Or Cast Iron Cover. |
| UCFC208T20 | ISO | Вкладыши подшипников для рабочих температур до +200°C (+400°F). |
| UCT208-25-J7 | ISO | 1.9/16. Наилучшая посадка в корпусе. |
| SUCT208PLB | ISO | Black Color Housing. |
| FC40MS44 | ISO | High Temperature Grease. Steel Cage And C4 Fit. - RHP-Book Also Gives The Following Explanation/ High Temperature Insert (+150 ̊C Max.) - D4M Marked On Box. |
Аналог корпуса подшипника UCFC.208 — это подшипник такого же размера dx40,Dx145,Bx49, типа и конструкции.
Способы доставки
Отправка через ведущие транспортные и курьерские компании: ПЭК, Деловые Линии, СДЭК, Байкал-Сервис, Энергия, КИТ, ЖелДорЭкспедиция.
Самовывоз возможен напрямую со склада в Москве.
Сроки доставки
Срок зависит от региона и выбранной транспортной компании. Все заказы комплектуются и отправляются в кратчайшие сроки со склада в Москве.
Надёжность и сохранность
Вся продукция упаковывается с учётом требований транспортировки. Мы гарантируем, что подшипники и комплектующие прибудут к заказчику в полной сохранности.
Доставка в страны ЕАЭС
Мы работаем с проверенными логистическими партнёрами, что позволяет оперативно доставлять заказы в Беларусь, Казахстан, Армению и другие страны ЕАЭС.
Варианты оплаты:
Минимальная сумма заказа и скидки:
Документы и гарантии:
Да, конечно! Наши технические специалисты готовы помочь вам с подбором точного аналога или замены подшипника. Просто позвоните нам по телефону +7 (495) 104-99-04 или напишите на почту zakaz@podsnab.ru.
Для оперативной консультации подготовьте, пожалуйста, имеющиеся данные: маркировку, размеры, тип оборудования или артикул старого подшипника.
Да, конечно! Мы высоко ценим долгосрочное сотрудничество и доверие клиентов по всей России. Для постоянных клиентов действует персональная система скидок.
Условия формируются индивидуально и зависят от:
Чтобы узнать свои условия и получить максимально выгодное предложение, свяжитесь с персональным менеджером или напишите нам на почту zakaz@podsnab.ru.
Вы можете оформить заказ несколькими способами:
Для оформления заказа от юридического лица свяжитесь с нашим отделом по работе с корпоративными клиентами по телефону +7 (495) 104-99-04 или напишите на email zakaz@podsnab.ru, прикрепив реквизиты вашей организации.
Мы оперативно подготовим коммерческое предложение и выставим счет.
Возврат товара надлежащего качества возможен в течение 10 дней с момента получения, если товар не был в употреблении, сохранен товарный вид, упаковка не вскрывалась и присутствуют все сопроводительные документы.
Возврат денежных средств осуществляется в течение 10 рабочих дней после проверки товара складом.
В соответствии с законодательством возврату не подлежат подшипники надлежащего качества, если отсутствует оригинальная упаковка или имеются следы монтажа.
В случае выявления брака или гарантийного случая мы гарантируем возврат или обмен товара.
Да, гарантийный срок хранения устанавливается заводом-изготовителем и в среднем составляет 2 года при соблюдении условий хранения: сухое помещение, оригинальная упаковка и смазка.
Точный срок для конкретного типа подшипника уточняйте у наших менеджеров.
Пн–Пт: с 8:00 до 17:00 (МСК).
Сб–Вс: выходные дни.
Заказы на сайте принимаются круглосуточно. Заявки, поступившие после окончания рабочего дня, обрабатываются на следующий рабочий день.
Минимальная сумма заказа для доставки составляет 3000 рублей. Самовывоз со склада возможен на любую сумму при наличии товара.
ООО «УралТехГрупп»
ИНН: 7415093830
КПП: 772401001
ОГРН: 1167456069021
Банк: ПАО Сбербанк
Р/с: 40702810838000475273
К/с: 30101810400000000225
БИК: 044525225
У подшипника UCFC.208 пока нет отзывов. Вы можете стать первым покупателем, поделившимся своим мнением.