Поиск подшипника
Статьи
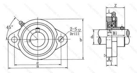
SBLF207 — Корпус подшипника, основное исполнение, выпускается производителями: FK, ISB, JAPANESE ORIGIN, KDF.
Размер подшипника: 35x122x38 мм.
Альтернативное обозначение: SB207 + LF207.
Аналоги: SBLF207 FK.
Международная стандартизации ISO
SBLF207
В наличии
| Обозначение | Конструктивные изменения |
|---|---|
| SBLF207-22 | 1.3/8. |
| SBLF207-20 | Distance Between Beginning Of The Rail And First Hole In MM. |
| SBLF207-21 | 1.5/16. |
| SBLF207-23 | 1.7/16. |
| SBLF207-22G | Вкладыш подшипника с возможностью повторной смазки. 1.3/8. |
Модификации корпуса подшипника SBLF207 — это измененное основное конструктивное исполнение SBLF207, основные размеры (35x122x38) не отличаются.
| Обозначение | Гост | Конструктивные особенности |
|---|---|---|
| SB207 | ISO | Угол контакта 40 градусов. |
| AELPF207W3 | ISO | Корпусной подшипник с установочным винтом. |
| GRA35 | ISO | Корпус подшипника. |
| PST35CR | ISO | (TB-Segment) Phenolic (Composition) Fafnir Standard. |
| RATR35 | ISO | Корпус подшипника. |
| RATR35-XL | ISO | Серия X-Life премиум-класс. увеличиный срок службы. |
| LFT-SC-35M | ISO | Корпус подшипника. |
| 130366 | ISO | Корпус подшипника. |
| GRA35-XL | ISO | Серия X-Life премиум-класс. увеличиный срок службы. |
| RTUEY35-TV-VA | ISO | Нержавеющая сталь. Пластиковый корпус. |
| 127577 | ISO | Корпус подшипника. |
| WSTUC35M-CPSS-DFH | ISO | Метрические размеры и метрическая резьба. Применимо только для оборудования SKF Food Line. Подшипник из нержавеющей стали с резьбовыми винтами. Специальная конструкция подшипника для агрегатов DFH. Герметичный корпус (заднее уплотнение и торцевая крышка установлены). |
| WSTUC35M-TPSS | ISO | Конструкция подшипника YAR. Метрические размеры и метрическая резьба. Применимо только для оборудования SKF Food Line. Вставной подшипник из нержавеющей стали с установочными винтами. |
| CTW35SS | ISO | Нержавеющая сталь. |
| MRC.CTW35SS | ISO | Нержавеющая сталь. |
| WSTUC35M-TPZM | ISO | Конструкция подшипника YAR. Метрические размеры и метрическая резьба. Применимо только для оборудования SKF Food Line. Особенности системы уплотнения и подшипника без смазки. Внутреннее и внешние кольца с цинковым покрытием. Уплотнения и фланцы со вставками из нержавеющей стали и пищевой резиной. Пищевая смазка. |
| CTW35ZM | ISO | Y-подшипник серии YAR2-2RF (внутреннее кольцо расширенное с обеих сторон. Фиксация с помощью стопорного винта). Стандартное уплотнение и прорезиненный фланец с каждой стороны. |
| MRC.CTW35ZM | ISO | Внутреннее и внешние кольца с цинковым покрытием. Уплотнения и фланцы со вставками из нержавеющей стали и пищевой резиной. Пищевая смазка. |
| WSTU-SCEZ-35M-PCR | ISO | Подшипниковая вставка устойчива к коррозии. Корпус из полимера. |
Аналог корпуса подшипника SBLF207 — это подшипник такого же размера dx35,Dx122,Bx38, типа и конструкции.
Способы доставки
Отправка через ведущие транспортные и курьерские компании: ПЭК, Деловые Линии, СДЭК, Байкал-Сервис, Энергия, КИТ, ЖелДорЭкспедиция.
Самовывоз возможен напрямую со склада в Москве.
Сроки доставки
Срок зависит от региона и выбранной транспортной компании. Все заказы комплектуются и отправляются в кратчайшие сроки со склада в Москве.
Надёжность и сохранность
Вся продукция упаковывается с учётом требований транспортировки. Мы гарантируем, что подшипники и комплектующие прибудут к заказчику в полной сохранности.
Доставка в страны ЕАЭС
Мы работаем с проверенными логистическими партнёрами, что позволяет оперативно доставлять заказы в Беларусь, Казахстан, Армению и другие страны ЕАЭС.
Варианты оплаты:
Минимальная сумма заказа и скидки:
Документы и гарантии:
Да, конечно! Наши технические специалисты готовы помочь вам с подбором точного аналога или замены подшипника. Просто позвоните нам по телефону +7 (495) 104-99-04 или напишите на почту zakaz@podsnab.ru.
Для оперативной консультации подготовьте, пожалуйста, имеющиеся данные: маркировку, размеры, тип оборудования или артикул старого подшипника.
Да, конечно! Мы высоко ценим долгосрочное сотрудничество и доверие клиентов по всей России. Для постоянных клиентов действует персональная система скидок.
Условия формируются индивидуально и зависят от:
Чтобы узнать свои условия и получить максимально выгодное предложение, свяжитесь с персональным менеджером или напишите нам на почту zakaz@podsnab.ru.
Вы можете оформить заказ несколькими способами:
Для оформления заказа от юридического лица свяжитесь с нашим отделом по работе с корпоративными клиентами по телефону +7 (495) 104-99-04 или напишите на email zakaz@podsnab.ru, прикрепив реквизиты вашей организации.
Мы оперативно подготовим коммерческое предложение и выставим счет.
Возврат товара надлежащего качества возможен в течение 10 дней с момента получения, если товар не был в употреблении, сохранен товарный вид, упаковка не вскрывалась и присутствуют все сопроводительные документы.
Возврат денежных средств осуществляется в течение 10 рабочих дней после проверки товара складом.
В соответствии с законодательством возврату не подлежат подшипники надлежащего качества, если отсутствует оригинальная упаковка или имеются следы монтажа.
В случае выявления брака или гарантийного случая мы гарантируем возврат или обмен товара.
Да, гарантийный срок хранения устанавливается заводом-изготовителем и в среднем составляет 2 года при соблюдении условий хранения: сухое помещение, оригинальная упаковка и смазка.
Точный срок для конкретного типа подшипника уточняйте у наших менеджеров.
Пн–Пт: с 8:00 до 17:00 (МСК).
Сб–Вс: выходные дни.
Заказы на сайте принимаются круглосуточно. Заявки, поступившие после окончания рабочего дня, обрабатываются на следующий рабочий день.
Минимальная сумма заказа для доставки составляет 3000 рублей. Самовывоз со склада возможен на любую сумму при наличии товара.
ООО «УралТехГрупп»
ИНН: 7415093830
КПП: 772401001
ОГРН: 1167456069021
Банк: ПАО Сбербанк
Р/с: 40702810838000475273
К/с: 30101810400000000225
БИК: 044525225
У подшипника SBLF207 пока нет отзывов. Вы можете стать первым покупателем, поделившимся своим мнением.