Поиск подшипника
Статьи
SB207 — Подшипник для корпуса, основное исполнение, выпускается производителями: CCVI, CHINA, CRAFT, CX, FELSTROM, FK, FYH, GBM, HBF, ISO, KDF, KOYO, LDK, NBR, NEUTRAL, NRB, QCB, SLB, SNR, STZ, TR.
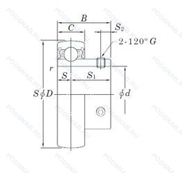
Размер подшипника: 35x72x32 мм.
Цилиндрическое отверстие внутреннего кольца, с установочными винтами (легконагруженного типа), угол контакта 40 градусов.
Альтернативное обозначение: 16207,GAY35-XL-NPP-B,YAT207-2F.
Аналоги: AS207 NTN,AS207D1 NTN,AS207 N AV2S NSK,AS207 X AV3S NSK,SB207 KDF,SB207ZZ STZ,SB207 LDK,GAY35NPPB Neutral.
Международная стандартизации ISO
SB207
В наличии
| Обозначение | Конструктивные изменения |
|---|---|
| SB207-22 | 1.3/8. |
| SB207ZZ3 | Подшипник для корпуса. |
| SB207ZZ | Защитные металлические шайбы с обеих сторон. |
| SB207-23 | 1.7/16. |
| SB207-20G | Вкладыш подшипника с возможностью повторной смазки. 1.1/4. |
| SB207-23G | Вкладыш подшипника с возможностью повторной смазки. 1.7/16. |
| SB207-20N | Non Re-Lubricatable. 1.1/4. |
| SB207-20-SP | Точность размеров примерно соответствует классу точности Р5. биения — классу точности Р4. 1.1/4. |
| SB207-20 | 1.1/4. |
Модификации подшипника для корпуса SB207 — это измененное основное конструктивное исполнение SB207, основные размеры (35x72x32) не отличаются.
| Обозначение | Гост | Конструктивные особенности |
|---|---|---|
| YAT207/W64 | ISO | Антифрикционный заполнитель. твердая смазка. |
| AS207D1 | ISO | Не требующий обслуживания тип. |
| GAY35NPPB | ISO | Подшипник для корпуса. |
| AS207 | ISO | Подшипник для корпуса. |
| 1235-35G | ISO | Подшипник для корпуса. |
| YAT207 | ISO | Измененная или модифицированная внутренняя конструкция при неизменных основных размерах. |
| SSB207 | ISO | Подшипник для корпуса. |
| YAT207VP076 | ISO | Pressed Sheet Steel Shields On Each Side Of The Bearing. |
| GAY35-XL-NPP-B | ISO | Подшипник со сферическим наружным кольцом. Серия X-Life премиум-класс. увеличиный срок службы. Манжетные уплотнения с обеих сторон (Тип P — две шайбы из оцинкованной листовой стали с промежуточной частью из NBR. Кромка уплотнения предварительно нагружена в осевом направлении). |
| AS207/AS3S | ISO | Стандартное заполнение. |
| 1235-35G-2Z | ISO | Защитные металлические шайбы с обеих сторон подшипника. Вкладыш подшипника с возможностью повторной смазки. |
| B207 | ISO | Подшипник для корпуса. |
| AS207U1/LP03 | ISO | Сепаратор из стали. General-Purpose Solid Grease. -20°C +80°C. |
| GAY35NPPB AS2/V | ISO | Подшипник со сферическим наружным кольцом. Манжетные уплотнения с обеих сторон (Тип P — две шайбы из оцинкованной листовой стали с промежуточной частью из NBR. Кромка уплотнения предварительно нагружена в осевом направлении). Наружное кольцо подшипника с двумя смазочными отверстиями в смещенных плоскостях. |
| AS207/LP03 | ISO | General-Purpose Solid Grease. -20°C +80°C. |
| FHSR207-35MM | ISO | Подшипник для корпуса. |
| US207.G2 | ISO | Cистема повторного смазывания для корпусных подшипников. |
Аналог подшипника для корпуса SB207 — это подшипник такого же размера dx35,Dx72,Bx32, типа и конструкции.
| Обозначение | Конструктивные особенности | Внутренний (d) | Наружный (D) | Ширина (B) |
|---|---|---|---|---|
| RSL18-2307A | однорядный цилиндрический роликовый подшипник. Особенность внутренней конструкции. | 35.00 | 72.68 | 31.00 |
| BAH-0013D | Подшипник шариковый радиальный двухрядный. Double Row Angular Contact Ball Bearing With A Two-Piece Inner Ring. | 35.00 | 72.04 | 33.00 |
| BAH0053AE | Подшипник шариковый двухрядный радиально-упорный. Двухрядный радиально-упорный шарикоподшипник без отверстия для смазки. Без суффикса. но с обозначением типа. | 35.00 | 72.04 | 33.00 |
| DAC357233B-1WCS79 | Подшипник шариковый радиальный двухрядный. Конический роликовый подшипник. Угол контакта 20 градусов. | 35.00 | 72.00 | 33.00 |
| BAHB633669A | Подшипник шариковый двухрядный радиально-упорный. Двухрядный радиально-упорный шарикоподшипник без отверстия для смазки. | 35.00 | 72.00 | 33.00 |
| PW35720033CS | Подшипник шариковый двухрядный радиально-упорный. Высокоуглеродистая сталь. | 35.00 | 72.00 | 33.00 |
| BAH-0013E | Подшипник шариковый двухрядный радиально-упорный. Подшипник с заправочным пазом для ввода тел качений. | 35.00 | 72.00 | 33.00 |
| BAH0053AEX | Подшипник шариковый двухрядный радиально-упорный. Двухрядный радиально-упорный шарикоподшипник без отверстия для смазки. Высокоскоростной и высокопроизводительный сферический роликоподшипник. | 35.00 | 72.04 | 33.00 |
| BAHB663669 | Шариковый радиально-упорный двухрядный подшипник. Измененная или модифицированная внутренняя конструкция при неизменных основных размерах. | 35.00 | 72.04 | 33.00 |
| XGB40714.P | Шариковый радиально-упорный двухрядный подшипник. Сеаратор из литого полиамида 6.6. армированного стекловолокном. | 34.98 | 72.04 | 33.00 |
| DAC357202033/31 | Шариковый радиально-упорный двухрядный подшипник. 1.15/16. | 35.00 | 72.02 | 33.00 |
| SAB34 | Шариковый радиально-упорный двухрядный подшипник. Модифицированная внутренняя конструкция. | 36.00 | 72.00 | 33.00 |
| DAC35720433 | Шариковый радиально-упорный двухрядный подшипник. Однорядный радиально-упорный шарикоподшипник с углом контакта 25°. | 35.00 | 72.04 | 33.00 |
| DAC35720233/31 | Шариковый радиально-упорный двухрядный подшипник. 1.15/16. | 35.00 | 72.02 | 33.00 |
| SX0768LLU | Шариковый радиально-упорный однорядный подшипник. Контактное резиновое уплотнение с двух сторон. | 35.00 | 72.00 | 33.00 |
Способы доставки
Отправка через ведущие транспортные и курьерские компании: ПЭК, Деловые Линии, СДЭК, Байкал-Сервис, Энергия, КИТ, ЖелДорЭкспедиция.
Самовывоз возможен напрямую со склада в Москве.
Сроки доставки
Срок зависит от региона и выбранной транспортной компании. Все заказы комплектуются и отправляются в кратчайшие сроки со склада в Москве.
Надёжность и сохранность
Вся продукция упаковывается с учётом требований транспортировки. Мы гарантируем, что подшипники и комплектующие прибудут к заказчику в полной сохранности.
Доставка в страны ЕАЭС
Мы работаем с проверенными логистическими партнёрами, что позволяет оперативно доставлять заказы в Беларусь, Казахстан, Армению и другие страны ЕАЭС.
Варианты оплаты:
Минимальная сумма заказа и скидки:
Документы и гарантии:
Да, конечно! Наши технические специалисты готовы помочь вам с подбором точного аналога или замены подшипника. Просто позвоните нам по телефону +7 (495) 104-99-04 или напишите на почту zakaz@podsnab.ru.
Для оперативной консультации подготовьте, пожалуйста, имеющиеся данные: маркировку, размеры, тип оборудования или артикул старого подшипника.
Да, конечно! Мы высоко ценим долгосрочное сотрудничество и доверие клиентов по всей России. Для постоянных клиентов действует персональная система скидок.
Условия формируются индивидуально и зависят от:
Чтобы узнать свои условия и получить максимально выгодное предложение, свяжитесь с персональным менеджером или напишите нам на почту zakaz@podsnab.ru.
Вы можете оформить заказ несколькими способами:
Для оформления заказа от юридического лица свяжитесь с нашим отделом по работе с корпоративными клиентами по телефону +7 (495) 104-99-04 или напишите на email zakaz@podsnab.ru, прикрепив реквизиты вашей организации.
Мы оперативно подготовим коммерческое предложение и выставим счет.
Возврат товара надлежащего качества возможен в течение 10 дней с момента получения, если товар не был в употреблении, сохранен товарный вид, упаковка не вскрывалась и присутствуют все сопроводительные документы.
Возврат денежных средств осуществляется в течение 10 рабочих дней после проверки товара складом.
В соответствии с законодательством возврату не подлежат подшипники надлежащего качества, если отсутствует оригинальная упаковка или имеются следы монтажа.
В случае выявления брака или гарантийного случая мы гарантируем возврат или обмен товара.
Да, гарантийный срок хранения устанавливается заводом-изготовителем и в среднем составляет 2 года при соблюдении условий хранения: сухое помещение, оригинальная упаковка и смазка.
Точный срок для конкретного типа подшипника уточняйте у наших менеджеров.
Пн–Пт: с 8:00 до 17:00 (МСК).
Сб–Вс: выходные дни.
Заказы на сайте принимаются круглосуточно. Заявки, поступившие после окончания рабочего дня, обрабатываются на следующий рабочий день.
Минимальная сумма заказа для доставки составляет 3000 рублей. Самовывоз со склада возможен на любую сумму при наличии товара.
ООО «УралТехГрупп»
ИНН: 7415093830
КПП: 772401001
ОГРН: 1167456069021
Банк: ПАО Сбербанк
Р/с: 40702810838000475273
К/с: 30101810400000000225
БИК: 044525225
У подшипника SB207 пока нет отзывов. Вы можете стать первым покупателем, поделившимся своим мнением.