Поиск подшипника
Статьи
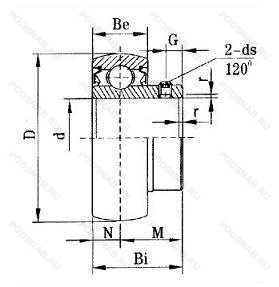
SSB207 — Подшипник для корпуса, основное исполнение, выпускается производителями: CORAM, KML, NEUTRAL, QCB.
Размер подшипника: 35x72x33 мм.
Альтернативное обозначение: YAT207-2F/HV.
Аналоги: SSB207 Neutral.
Международная стандартизации ISO
SSB207
В наличии
| Обозначение | Гост | Конструктивные особенности |
|---|---|---|
| YAT207/W64 | ISO | Антифрикционный заполнитель. твердая смазка. |
| AS207D1 | ISO | Не требующий обслуживания тип. |
| SB207 | ISO | Угол контакта 40 градусов. |
| SB207-22 | ISO | 1.3/8. |
| SB207ZZ3 | ISO | Подшипник для корпуса. |
| 1235-35G | ISO | Подшипник для корпуса. |
| YAT207 | ISO | Измененная или модифицированная внутренняя конструкция при неизменных основных размерах. |
| YAT207VP076 | ISO | Pressed Sheet Steel Shields On Each Side Of The Bearing. |
| LK207G2H | ISO | Cистема повторного смазывания для корпусных подшипников. Закрепительная втулка. |
| GAY35-XL-NPP-B | ISO | Подшипник со сферическим наружным кольцом. Серия X-Life премиум-класс. увеличиный срок службы. Манжетные уплотнения с обеих сторон (Тип P — две шайбы из оцинкованной листовой стали с промежуточной частью из NBR. Кромка уплотнения предварительно нагружена в осевом направлении). |
| AS207/AS3S | ISO | Стандартное заполнение. |
| 1235-35G-2Z | ISO | Защитные металлические шайбы с обеих сторон подшипника. Вкладыш подшипника с возможностью повторной смазки. |
| B207 | ISO | Подшипник для корпуса. |
| SB207ZZ | ISO | Защитные металлические шайбы с обеих сторон. |
| AS207U1/LP03 | ISO | Сепаратор из стали. General-Purpose Solid Grease. -20°C +80°C. |
| GAY35NPPB AS2/V | ISO | Подшипник со сферическим наружным кольцом. Манжетные уплотнения с обеих сторон (Тип P — две шайбы из оцинкованной листовой стали с промежуточной частью из NBR. Кромка уплотнения предварительно нагружена в осевом направлении). Наружное кольцо подшипника с двумя смазочными отверстиями в смещенных плоскостях. |
| GSH35-XL-2RSR-B | ISO | Сферический внешний диаметр. Серия X-Life премиум-класс. увеличиный срок службы. Манжетные уплотнения с обеих сторон (вулканизированные). |
| AS207/LP03 | ISO | General-Purpose Solid Grease. -20°C +80°C. |
| GSH35-2RSR-B | ISO | Сферический внешний диаметр. Манжетные уплотнения с обеих сторон (вулканизированные). |
| US207.G2 | ISO | Cистема повторного смазывания для корпусных подшипников. |
Аналог подшипника для корпуса SSB207 — это подшипник такого же размера dx35,Dx72,Bx33, типа и конструкции.
| Обозначение | Конструктивные особенности | Внутренний (d) | Наружный (D) | Ширина (B) |
|---|---|---|---|---|
| 6207D2 | Шариковый радиальный однорядный подшипник. Два одинаковых парных подшипника. | 35.00 | 72.00 | 34.00 |
| ASS207N | Шариковый радиальный однорядный подшипник. Канавка для стопорного кольца на наружном кольце. | 35.00 | 72.00 | 34.00 |
| ZKLN3572-2RS | Шариковый упорный двухрядный подшипник. Резиновые уплотнения с каждой стороны подшипника. | 35.00 | 72.00 | 34.00 |
| 5-236207 Е5 | Шариковый радиально-упорный сдвоенный подшипник. Сепаратор из текстолита.. | 35.00 | 72.00 | 34.00 |
| 5-266207 Л1 | Шариковый радиально-упорный сдвоенный подшипник. Сепаратор из латуни.. | 35.00 | 72.00 | 34.00 |
| 5-436207 Е | Шариковый радиально-упорный сдвоенный подшипник. Сепаратор из текстолита.. | 35.00 | 72.00 | 34.00 |
| 5-436207 Е2 | Шариковый радиально-упорный сдвоенный подшипник. Сепаратор из пластических материалов.. | 35.00 | 72.00 | 34.00 |
| 5-436207 Е5 | Шариковый радиально-упорный сдвоенный подшипник. Сепаратор из текстолита.. | 35.00 | 72.00 | 34.00 |
| 5-436207 К | Шариковый радиально-упорный сдвоенный подшипник. «Замок» (скос) на внутреннем кольце плюс массивный сепаратор из текстолита. | 35.00 | 72.00 | 34.00 |
| 5-436207 КЕ | Шариковый радиально-упорный сдвоенный подшипник. «Замок» (скос) на внутреннем кольце плюс массивный сепаратор из текстолита. Сепаратор из текстолита.. | 35.00 | 72.00 | 34.00 |
| 5-446207 E | Шариковый радиально-упорный сдвоенный подшипник. Повышенная грузоподъемность. | 35.00 | 72.00 | 34.00 |
| 5-446207 Е | Шариковый радиально-упорный сдвоенный подшипник. Сепаратор из текстолита.. | 35.00 | 72.00 | 34.00 |
| 5-446207 Е1 | Шариковый радиально-упорный сдвоенный подшипник. Сепаратор из текстолита.. | 35.00 | 72.00 | 34.00 |
| 5-446207 Е3 | Шариковый радиально-упорный сдвоенный подшипник. Сепаратор из пластических материалов.. | 35.00 | 72.00 | 34.00 |
| 5-446207 Е5 | Шариковый радиально-упорный сдвоенный подшипник. Сепаратор из текстолита.. | 35.00 | 72.00 | 34.00 |
Способы доставки
Отправка через ведущие транспортные и курьерские компании: ПЭК, Деловые Линии, СДЭК, Байкал-Сервис, Энергия, КИТ, ЖелДорЭкспедиция.
Самовывоз возможен напрямую со склада в Москве.
Сроки доставки
Срок зависит от региона и выбранной транспортной компании. Все заказы комплектуются и отправляются в кратчайшие сроки со склада в Москве.
Надёжность и сохранность
Вся продукция упаковывается с учётом требований транспортировки. Мы гарантируем, что подшипники и комплектующие прибудут к заказчику в полной сохранности.
Доставка в страны ЕАЭС
Мы работаем с проверенными логистическими партнёрами, что позволяет оперативно доставлять заказы в Беларусь, Казахстан, Армению и другие страны ЕАЭС.
Варианты оплаты:
Минимальная сумма заказа и скидки:
Документы и гарантии:
Да, конечно! Наши технические специалисты готовы помочь вам с подбором точного аналога или замены подшипника. Просто позвоните нам по телефону +7 (495) 104-99-04 или напишите на почту zakaz@podsnab.ru.
Для оперативной консультации подготовьте, пожалуйста, имеющиеся данные: маркировку, размеры, тип оборудования или артикул старого подшипника.
Да, конечно! Мы высоко ценим долгосрочное сотрудничество и доверие клиентов по всей России. Для постоянных клиентов действует персональная система скидок.
Условия формируются индивидуально и зависят от:
Чтобы узнать свои условия и получить максимально выгодное предложение, свяжитесь с персональным менеджером или напишите нам на почту zakaz@podsnab.ru.
Вы можете оформить заказ несколькими способами:
Для оформления заказа от юридического лица свяжитесь с нашим отделом по работе с корпоративными клиентами по телефону +7 (495) 104-99-04 или напишите на email zakaz@podsnab.ru, прикрепив реквизиты вашей организации.
Мы оперативно подготовим коммерческое предложение и выставим счет.
Возврат товара надлежащего качества возможен в течение 10 дней с момента получения, если товар не был в употреблении, сохранен товарный вид, упаковка не вскрывалась и присутствуют все сопроводительные документы.
Возврат денежных средств осуществляется в течение 10 рабочих дней после проверки товара складом.
В соответствии с законодательством возврату не подлежат подшипники надлежащего качества, если отсутствует оригинальная упаковка или имеются следы монтажа.
В случае выявления брака или гарантийного случая мы гарантируем возврат или обмен товара.
Да, гарантийный срок хранения устанавливается заводом-изготовителем и в среднем составляет 2 года при соблюдении условий хранения: сухое помещение, оригинальная упаковка и смазка.
Точный срок для конкретного типа подшипника уточняйте у наших менеджеров.
Пн–Пт: с 8:00 до 17:00 (МСК).
Сб–Вс: выходные дни.
Заказы на сайте принимаются круглосуточно. Заявки, поступившие после окончания рабочего дня, обрабатываются на следующий рабочий день.
Минимальная сумма заказа для доставки составляет 3000 рублей. Самовывоз со склада возможен на любую сумму при наличии товара.
ООО «УралТехГрупп»
ИНН: 7415093830
КПП: 772401001
ОГРН: 1167456069021
Банк: ПАО Сбербанк
Р/с: 40702810838000475273
К/с: 30101810400000000225
БИК: 044525225
У подшипника SSB207 пока нет отзывов. Вы можете стать первым покупателем, поделившимся своим мнением.