Поиск подшипника
Статьи
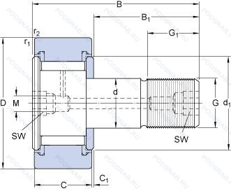
KRV22PPXA — Кулачковый ролик толкатель, модификация основного исполнения KRV22, выпускается производителями: INA, SKF.
Размер ролика: 10x22x36 мм.
Опорный ролик, цапфового типа, с корончатым наружным диаметром и полным набором игольчатых роликов, измененная или модифицированная внутренняя конструкция при неизменных основных размерах.
Альтернативное обозначение: KRV22XLL, KRV22-X-PP-A.
Аналоги: KRV22-X-PP-A INA,MCF22SX McGill.
Международная стандартизации ISO
KRV22PPXA
В наличии
| Обозначение | Конструктивные изменения |
|---|---|
| KRV22PPX | Скользящие уплотнительные кольца из полиамида с обеих сторон, улучшенный корончатый профиль рабочей поверхности наружного кольца. |
| KRV22PP | Уплотнения на каждой стороне подшипника. |
| KRV22PPA | Скользящие уплотнительные кольца из полиамида с обеих сторон, улучшенный корончатый профиль рабочей поверхности наружного кольца. |
| KRV22 | Кулачковый ролик толкатель. Основное конструктивное исполнение. |
| KRV22-X-B | Конический роликовый подшипник. Угол контакта 20 градусов. Измененные размеры границ. введенные пересмотренными стандартами ISO. |
| KRV22B | Конический роликовый подшипник. Угол контакта 20 градусов. |
| KRV22X | Цилиндрическая рабочая поверхность. |
| KRV22PP SK | Кулачковый толкатель штифтового типа. С шестигранной головкой. Уплотнения на каждой стороне подшипника. |
| KRV22PP E NM | Повышенная грузоподъемность. Манжетные уплотнения с обеих сторон (тип P - две шайбы из оцинкованной листовой стали с промежуточной частью NBR. Кромка уплотнения предварительно нагружена в осевом направлении). Диапазон температур -30℃/+100℃. |
| KRV22-B-NMT | Внутренняя модификация конструкции. Может использоваться в качестве стандартного. Шестигранная гайка. |
| KRV22-X-B-NMT | Внутренняя модификация конструкции. Может использоваться в качестве стандартного. Цилиндрическая рабочая поверхность. Шестигранная гайка. |
| KRV22XLL | Цилиндрический (плоский) профиль наружной рабочей поверхности. Манжетное уплотнение с обеих сторон подшипника. |
| KRV22H | Pressed Snap-Type Steel Cage. Hardened. |
| KRV22LLH2/3ASV1 | Контактное. синтетические. резиновое уплотнение с двух сторон. |
| KRV22CLL | Контактное. синтетические. резиновое уплотнение с двух сторон. |
| KRV22LLH | Манжетное уплотнение с обеих сторон подшипника. |
| KRV22LL | Контактное. синтетические. резиновое уплотнение с двух сторон. |
| KRV22PPA NMT | Шестигранная гайка. Скользящие уплотнительные кольца из полиамида с обеих сторон, улучшенный корончатый профиль рабочей поверхности наружного кольца. |
| KRV22-PP-E-NMT | Повышенная грузоподъемность. Манжетные уплотнения с обеих сторон (тип P - две шайбы из оцинкованной листовой стали с промежуточной частью NBR. Кромка уплотнения предварительно нагружена в осевом направлении). Диапазон температур -30℃/+100℃. Шестигранная гайка. |
| KRV22XLLH | Цилиндрический (плоский) профиль внешней поверхности качения.. |
| KRV22NMT | Шестигранная гайка. |
| KRV22-X-PP-A | Двухрядный радиально-упорный шарикоподшипник без отверстия для смазки. Цилиндрическая рабочая поверхность. Манжетные уплотнения с обеих сторон (тип P - две шайбы из оцинкованной листовой стали с промежуточной частью NBR. Кромка уплотнения предварительно нагружена в осевом направлении). Диапазон температур -30℃/+100℃. |
| KRV22CLL/3AS | Контактное. синтетические. резиновое уплотнение с двух сторон. Смазка. Shell Oil Co. Смазка Alvania #3, стандартная заливка.. |
Модификации кулачкового ролика KRV22PPXA — это измененное основное конструктивное исполнение KRV22, основные размеры (10x22x36) не отличаются.
| Обозначение | Гост | Конструктивные особенности |
|---|---|---|
| CF10UU | ISO | Символ защиты от загрязнения. |
| CF10UUR | ISO | Манжетные уплотнения с обеих сторон (тип P - две шайбы из оцинкованной листовой стали с промежуточной частью NBR). Диапазон температур -30℃/+100℃. |
| KR22B | ISO | Конический роликовый подшипник. Угол контакта 20 градусов. |
| CF10 | ISO | Кулачковый ролик толкатель. |
| CF10VR | ISO | Подшипник без сепаратора. С полным комплектом тел качения. Когда в суффиксе упоминается только «V». Это означает. что подшипник уплотнен. Поэтому используйте «2Z» в сегменте «Уплотнение».. |
| CF10MUU-AKN | ISO | Нержавеющая сталь. Манжетные уплотнения с обеих сторон (тип P - две шайбы из оцинкованной листовой стали с промежуточной частью NBR. Кромка уплотнения предварительно нагружена в осевом направлении). Диапазон температур -30℃/+100℃. |
| CF10VUURA | ISO | Полный тип дополнения. Манжетные уплотнения с обеих сторон (тип P - две шайбы из оцинкованной листовой стали с промежуточной частью NBR). Диапазон температур -30℃/+100℃. |
| CF10UUVRE | ISO | Коронка на наружном кольце. Манжетные уплотнения с обеих сторон (тип P - две шайбы из оцинкованной листовой стали с промежуточной частью NBR. Кромка уплотнения предварительно нагружена в осевом направлении). Диапазон температур -30℃/+100℃. |
| MCF22SX | ISO | Радиально-упорный сферический подшипник скольжения. требующий обслуживания по ISO 12 2402. Монтажные размеры как для конических роликоподшипников по DIN 720. 320X. Стальная скользящая контактная поверхность. |
| CF10VUUR | ISO | Полный тип дополнения. Манжетные уплотнения с обеих сторон (тип P - две шайбы из оцинкованной листовой стали с промежуточной частью NBR). Диапазон температур -30℃/+100℃. |
| CF10UURK | ISO | Манжетные уплотнения с обеих сторон (тип P - две шайбы из оцинкованной листовой стали с промежуточной частью NBR). Диапазон температур -30℃/+100℃. |
| CF10MUUN | ISO | Нержавеющая сталь. Манжетные уплотнения с обеих сторон (тип P - две шайбы из оцинкованной листовой стали с промежуточной частью NBR. Кромка уплотнения предварительно нагружена в осевом направлении). Диапазон температур -30℃/+100℃. |
| CF10UUA | ISO | Lip Seals On Both Sides (P Type - Two Zinc-Plated Sheet Steel Washers With Intermediate NBR Part. Seal Lip Axially Preloaded). Temperature Range -30℃/+100℃. If Letter R Is In The Suffix. Then The Cam Follower Is With Crowned Outer Ring. Otherwise It's A Cylindrical Running Surface (X). |
| CF10MUU | ISO | Нержавеющая сталь. Манжетные уплотнения с обеих сторон (тип P - две шайбы из оцинкованной листовой стали с промежуточной частью NBR. Кромка уплотнения предварительно нагружена в осевом направлении). Диапазон температур -30℃/+100℃. |
Аналог кулачкового ролика KRV22PPXA — это ролик такого же размера dx10,Dx22,Bx36, типа и конструкции.
| Обозначение | Конструктивные особенности | Внутренний (d) | Наружный (D) | Ширина (B) |
|---|---|---|---|---|
| LSAGFT12C1R120MC | Линейный шариковый подшипник. Ультрагерметичный тип. Количество узлов скольжения. Длина гусеницы в мм. | 10.90 | 21.00 | 35.00 |
Способы доставки
Отправка через ведущие транспортные и курьерские компании: ПЭК, Деловые Линии, СДЭК, Байкал-Сервис, Энергия, КИТ, ЖелДорЭкспедиция.
Самовывоз возможен напрямую со склада в Москве.
Сроки доставки
Срок зависит от региона и выбранной транспортной компании. Все заказы комплектуются и отправляются в кратчайшие сроки со склада в Москве.
Надёжность и сохранность
Вся продукция упаковывается с учётом требований транспортировки. Мы гарантируем, что подшипники и комплектующие прибудут к заказчику в полной сохранности.
Доставка в страны ЕАЭС
Мы работаем с проверенными логистическими партнёрами, что позволяет оперативно доставлять заказы в Беларусь, Казахстан, Армению и другие страны ЕАЭС.
Варианты оплаты:
Минимальная сумма заказа и скидки:
Документы и гарантии:
Да, конечно! Наши технические специалисты готовы помочь вам с подбором точного аналога или замены подшипника. Просто позвоните нам по телефону +7 (495) 104-99-04 или напишите на почту zakaz@podsnab.ru.
Для оперативной консультации подготовьте, пожалуйста, имеющиеся данные: маркировку, размеры, тип оборудования или артикул старого подшипника.
Да, конечно! Мы высоко ценим долгосрочное сотрудничество и доверие клиентов по всей России. Для постоянных клиентов действует персональная система скидок.
Условия формируются индивидуально и зависят от:
Чтобы узнать свои условия и получить максимально выгодное предложение, свяжитесь с персональным менеджером или напишите нам на почту zakaz@podsnab.ru.
Вы можете оформить заказ несколькими способами:
Для оформления заказа от юридического лица свяжитесь с нашим отделом по работе с корпоративными клиентами по телефону +7 (495) 104-99-04 или напишите на email zakaz@podsnab.ru, прикрепив реквизиты вашей организации.
Мы оперативно подготовим коммерческое предложение и выставим счет.
Возврат товара надлежащего качества возможен в течение 10 дней с момента получения, если товар не был в употреблении, сохранен товарный вид, упаковка не вскрывалась и присутствуют все сопроводительные документы.
Возврат денежных средств осуществляется в течение 10 рабочих дней после проверки товара складом.
В соответствии с законодательством возврату не подлежат подшипники надлежащего качества, если отсутствует оригинальная упаковка или имеются следы монтажа.
В случае выявления брака или гарантийного случая мы гарантируем возврат или обмен товара.
Да, гарантийный срок хранения устанавливается заводом-изготовителем и в среднем составляет 2 года при соблюдении условий хранения: сухое помещение, оригинальная упаковка и смазка.
Точный срок для конкретного типа подшипника уточняйте у наших менеджеров.
Пн–Пт: с 8:00 до 17:00 (МСК).
Сб–Вс: выходные дни.
Заказы на сайте принимаются круглосуточно. Заявки, поступившие после окончания рабочего дня, обрабатываются на следующий рабочий день.
Минимальная сумма заказа для доставки составляет 3000 рублей. Самовывоз со склада возможен на любую сумму при наличии товара.
ООО «УралТехГрупп»
ИНН: 7415093830
КПП: 772401001
ОГРН: 1167456069021
Банк: ПАО Сбербанк
Р/с: 40702810838000475273
К/с: 30101810400000000225
БИК: 044525225
У подшипника KRV22PPXA пока нет отзывов. Вы можете стать первым покупателем, поделившимся своим мнением.