Поиск подшипника
Статьи
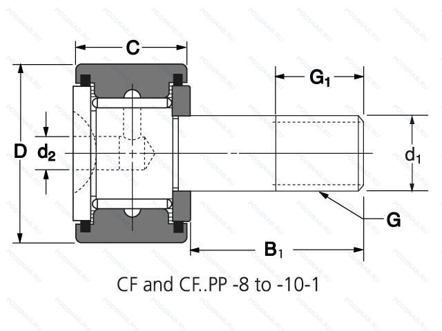
CF10 — Кулачковый ролик толкатель, основное исполнение, выпускается производителями: NEUTRAL, NIS, TESKUBAL, THK.
Размер ролика: 6x15x36 мм.
Альтернативное обозначение: 16210 + F210, 16210 + FG210S, F16210, FG16210, FY50FM, GRAE50NPPB + PCJ50, GRAE50NPPB + CJ10I FA319, YET210 + FY510M.
Международная стандартизации ISO
CF10
В наличии
| Обозначение | Конструктивные изменения |
|---|---|
| CF10VUURA | Полный тип дополнения. Манжетные уплотнения с обеих сторон (тип P - две шайбы из оцинкованной листовой стали с промежуточной частью NBR). Диапазон температур -30℃/+100℃. |
| CF10B | С шестигранным отверстием. |
| CF10FBUUR | С шестигранным отверстием. Нержавеющая сталь. Манжетные уплотнения с обеих сторон (тип P - две шайбы из оцинкованной листовой стали с промежуточной частью NBR). Диапазон температур -30℃/+100℃. |
| CF10VBUUR | С шестигранным отверстием. Полный тип дополнения. Манжетные уплотнения с обеих сторон (тип P - две шайбы из оцинкованной листовой стали с промежуточной частью NBR). Диапазон температур -30℃/+100℃. |
| CF10WBUUR | С шестигранным отверстием. Манжетные уплотнения с обеих сторон (тип P - две шайбы из оцинкованной листовой стали с промежуточной частью NBR). Диапазон температур -30℃/+100℃. |
| CF10-1B | Identification Code. |
| CF10-1VB | С шестигранным отверстием. Полный тип дополнения. |
| CF10-1WBUUR | С шестигранным отверстием. Манжетные уплотнения с обеих сторон (тип P - две шайбы из оцинкованной листовой стали с промежуточной частью NBR). Диапазон температур -30℃/+100℃. |
| CF10UUM | Манжетные уплотнения с обеих сторон (тип P - две шайбы из оцинкованной листовой стали с промежуточной частью NBR). Диапазон температур -30℃/+100℃. |
| CF10-1VRM | Подшипник без сепаратора. С полным комплектом тел качения. Коронка на наружном кольце. |
| CF10FBUU | С шестигранным отверстием. Нержавеющая сталь. Манжетные уплотнения с обеих сторон (тип P - две шайбы из оцинкованной листовой стали с промежуточной частью NBR). Диапазон температур -30℃/+100℃. |
| CF10BUU | С боковыми и нижними уплотнениями. (Стандарт). |
| CF10UUVRE | Коронка на наружном кольце. Манжетные уплотнения с обеих сторон (тип P - две шайбы из оцинкованной листовой стали с промежуточной частью NBR. Кромка уплотнения предварительно нагружена в осевом направлении). Диапазон температур -30℃/+100℃. |
| CF10UURM | Манжетные уплотнения с обеих сторон (тип P - две шайбы из оцинкованной листовой стали с промежуточной частью NBR). Диапазон температур -30℃/+100℃. |
| CF10VUUR | Полный тип дополнения. Манжетные уплотнения с обеих сторон (тип P - две шайбы из оцинкованной листовой стали с промежуточной частью NBR). Диапазон температур -30℃/+100℃. |
| CF10VBUU | С шестигранным отверстием. Полный тип дополнения. Манжетные уплотнения с обеих сторон (тип P - две шайбы из оцинкованной листовой стали с промежуточной частью NBR). Диапазон температур -30℃/+100℃. |
| CF10-1RA | With Crowned Outer Race. |
| CF10-1UU | Манжетные уплотнения с обеих сторон (тип P - две шайбы из оцинкованной листовой стали с промежуточной частью NBR). Диапазон температур -30℃/+100℃. |
| CF10-1UUK | Манжетные уплотнения с обеих сторон (тип P - две шайбы из оцинкованной листовой стали с промежуточной частью NBR). Диапазон температур -30℃/+100℃. |
| CF10UURK | Манжетные уплотнения с обеих сторон (тип P - две шайбы из оцинкованной листовой стали с промежуточной частью NBR). Диапазон температур -30℃/+100℃. |
| CF10MUUN | Нержавеющая сталь. Манжетные уплотнения с обеих сторон (тип P - две шайбы из оцинкованной листовой стали с промежуточной частью NBR. Кромка уплотнения предварительно нагружена в осевом направлении). Диапазон температур -30℃/+100℃. |
| CF10-1UURA | Коронка на наружном кольце. Резиновые уплотнения с каждой стороны подшипника. |
| CF10UUA | Lip Seals On Both Sides (P Type - Two Zinc-Plated Sheet Steel Washers With Intermediate NBR Part. Seal Lip Axially Preloaded). Temperature Range -30℃/+100℃. If Letter R Is In The Suffix. Then The Cam Follower Is With Crowned Outer Ring. Otherwise It's A Cylindrical Running Surface (X). |
| CF10-M10X1.50 | Fill Factor %. |
| CF10MUU | Нержавеющая сталь. Манжетные уплотнения с обеих сторон (тип P - две шайбы из оцинкованной листовой стали с промежуточной частью NBR. Кромка уплотнения предварительно нагружена в осевом направлении). Диапазон температур -30℃/+100℃. |
Модификации кулачкового ролика CF10 — это измененное основное конструктивное исполнение CF10, основные размеры (6x15x36) не отличаются.
| Обозначение | Гост | Конструктивные особенности |
|---|---|---|
| PCJ50 | ISO | Кулачковый ролик толкатель. |
| KR22B | ISO | Конический роликовый подшипник. Угол контакта 20 градусов. |
| YET210 | ISO | Кулачковый ролик толкатель. |
| KRV22PPXA | ISO | Измененная или модифицированная внутренняя конструкция при неизменных основных размерах. |
| FY50FM | ISO | Y-образный подшипник серии YET2 (внутреннее кольцо выдвинуто с одной стороны. Эксцентриковая стопорная втулка). Стандартное уплотнение без фланца с каждой стороны. |
| GRAE50NPPB | ISO | Кулачковый ролик толкатель. |
| F16210 | ISO | Кулачковый ролик толкатель. |
| 16210 | ISO | Кулачковый ролик толкатель. |
Аналог кулачкового ролика CF10 — это ролик такого же размера dx6,Dx15,Bx36, типа и конструкции.
| Обозначение | Конструктивные особенности | Внутренний (d) | Наружный (D) | Ширина (B) |
|---|---|---|---|---|
| LSAGFT12C1R120MC | Линейный шариковый подшипник. Ультрагерметичный тип. Количество узлов скольжения. Длина гусеницы в мм. | 10.90 | 21.00 | 35.00 |
Способы доставки
Отправка через ведущие транспортные и курьерские компании: ПЭК, Деловые Линии, СДЭК, Байкал-Сервис, Энергия, КИТ, ЖелДорЭкспедиция.
Самовывоз возможен напрямую со склада в Москве.
Сроки доставки
Срок зависит от региона и выбранной транспортной компании. Все заказы комплектуются и отправляются в кратчайшие сроки со склада в Москве.
Надёжность и сохранность
Вся продукция упаковывается с учётом требований транспортировки. Мы гарантируем, что подшипники и комплектующие прибудут к заказчику в полной сохранности.
Доставка в страны ЕАЭС
Мы работаем с проверенными логистическими партнёрами, что позволяет оперативно доставлять заказы в Беларусь, Казахстан, Армению и другие страны ЕАЭС.
Варианты оплаты:
Минимальная сумма заказа и скидки:
Документы и гарантии:
Да, конечно! Наши технические специалисты готовы помочь вам с подбором точного аналога или замены подшипника. Просто позвоните нам по телефону +7 (495) 104-99-04 или напишите на почту zakaz@podsnab.ru.
Для оперативной консультации подготовьте, пожалуйста, имеющиеся данные: маркировку, размеры, тип оборудования или артикул старого подшипника.
Да, конечно! Мы высоко ценим долгосрочное сотрудничество и доверие клиентов по всей России. Для постоянных клиентов действует персональная система скидок.
Условия формируются индивидуально и зависят от:
Чтобы узнать свои условия и получить максимально выгодное предложение, свяжитесь с персональным менеджером или напишите нам на почту zakaz@podsnab.ru.
Вы можете оформить заказ несколькими способами:
Для оформления заказа от юридического лица свяжитесь с нашим отделом по работе с корпоративными клиентами по телефону +7 (495) 104-99-04 или напишите на email zakaz@podsnab.ru, прикрепив реквизиты вашей организации.
Мы оперативно подготовим коммерческое предложение и выставим счет.
Возврат товара надлежащего качества возможен в течение 10 дней с момента получения, если товар не был в употреблении, сохранен товарный вид, упаковка не вскрывалась и присутствуют все сопроводительные документы.
Возврат денежных средств осуществляется в течение 10 рабочих дней после проверки товара складом.
В соответствии с законодательством возврату не подлежат подшипники надлежащего качества, если отсутствует оригинальная упаковка или имеются следы монтажа.
В случае выявления брака или гарантийного случая мы гарантируем возврат или обмен товара.
Да, гарантийный срок хранения устанавливается заводом-изготовителем и в среднем составляет 2 года при соблюдении условий хранения: сухое помещение, оригинальная упаковка и смазка.
Точный срок для конкретного типа подшипника уточняйте у наших менеджеров.
Пн–Пт: с 8:00 до 17:00 (МСК).
Сб–Вс: выходные дни.
Заказы на сайте принимаются круглосуточно. Заявки, поступившие после окончания рабочего дня, обрабатываются на следующий рабочий день.
Минимальная сумма заказа для доставки составляет 3000 рублей. Самовывоз со склада возможен на любую сумму при наличии товара.
ООО «УралТехГрупп»
ИНН: 7415093830
КПП: 772401001
ОГРН: 1167456069021
Банк: ПАО Сбербанк
Р/с: 40702810838000475273
К/с: 30101810400000000225
БИК: 044525225
У подшипника CF10 пока нет отзывов. Вы можете стать первым покупателем, поделившимся своим мнением.