Поиск подшипника
Статьи
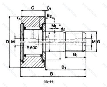
KRE32PP — Кулачковый ролик толкатель, модификация основного исполнения KRE32, производство INA.
Размер ролика: 15x32x14 мм.
KR+E. Опорный ролик, шпилечного типа с сепаратором, профилированный наружный диаметр, манжетные уплотнения с обеих сторон (тип p - две шайбы из оцинкованной листовой стали с промежуточной частью nbr. кромка уплотнения предварительно нагружена в осевом направлении). диапазон температур -30℃/+100℃.
Аналоги: KRE32PPA INA,KRE32-PP-A INA.
Международная стандартизации ISO
KRE32PP
В наличии
| Обозначение | Конструктивные изменения |
|---|---|
| KRE32B | Внутренняя модификация конструкции. Может использоваться в качестве стандартного. |
| KRE32H | Pressed Snap-Type Steel Cage. Hardened. |
| KRE32-NMT | Шестигранная гайка. |
Модификации кулачкового ролика KRE32PP — это измененное основное конструктивное исполнение KRE32, основные размеры (15x32x14) не отличаются.
| Обозначение | Гост | Конструктивные особенности |
|---|---|---|
| GCR32EE | ISO | Резиновые уплотнения с каждой стороны подшипника. |
| KRE32PPA | ISO | Измененная или модифицированная внутренняя конструкция при неизменных основных размерах. |
| KRVE32PP | ISO | Уплотнения на каждой стороне подшипника. |
| KRVE32PPA | ISO | Скользящие уплотнительные кольца из полиамида с обеих сторон, улучшенный корончатый профиль рабочей поверхности наружного кольца. |
| KRE32-B-NMT | ISO | Внутренняя модификация конструкции. Может использоваться в качестве стандартного. Шестигранная гайка. |
| KRE32PPX | ISO | Цилиндрическая рабочая поверхность. Манжетные уплотнения с обеих сторон (тип P - две шайбы из оцинкованной листовой стали с промежуточной частью NBR. Кромка уплотнения предварительно нагружена в осевом направлении). Диапазон температур -30℃/+100℃. |
| KRVE32 | ISO | Кулачковый ролик толкатель. |
| KRVE32SK | ISO | Кулачковый толкатель штифтового типа. С шестигранной головкой. |
| KRVE32XSK | ISO | Кулачковый толкатель штифтового типа. С шестигранной головкой. Цилиндрическая рабочая поверхность. |
| MCFE32S | ISO | Запечатанная версия кулачкового ролика. |
| KRVE32LL | ISO | Контактное. синтетические. резиновое уплотнение с двух сторон. |
| GCR32EEM | ISO | Металлические уплотнения с двух сторон подшипника. |
| KRVE32PP SK | ISO | Кулачковый толкатель штифтового типа. С шестигранной головкой. Манжетные уплотнения с обеих сторон (тип P - две шайбы из оцинкованной листовой стали с промежуточной частью NBR. Кромка уплотнения предварительно нагружена в осевом направлении). Диапазон температур -30℃/+100℃. |
Аналог кулачкового ролика KRE32PP — это ролик такого же размера dx15,Dx32,Bx14, типа и конструкции.
| Обозначение | Конструктивные особенности | Внутренний (d) | Наружный (D) | Ширина (B) |
|---|---|---|---|---|
| 3002 2RS T9H | Подшипник шариковый двухрядный радиально-упорный. Манжетное уплотнение с обеих сторон подшипника. Glass-Fibre Reinforced (25%) Thermoplastic Polyamide PA 6.6. 1-Piece. Operating Temperature 120°C. | 15.00 | 32.00 | 13.00 |
| S63002 2RS | Подшипник однорядный шариковый радиальный. Резиновые уплотнения с каждой стороны подшипника. | 15.00 | 32.00 | 13.00 |
| RNA2201LL/3AS | Опорный ролик. Контактное. синтетические. резиновое уплотнение с двух сторон. Смазка. Shell Oil Co. Смазка Alvania #3, стандартная заливка.. | 16.00 | 32.00 | 13.80 |
| 63002-2RSR-OEM | Подшипник однорядный шариковый радиальный. Резиновые уплотнения с каждой стороны подшипника. Производитель оригинального оборудования. | 15.00 | 32.00 | 13.00 |
| 63002-2RSR-J22R | Подшипник однорядный шариковый радиальный. Резиновые уплотнения с каждой стороны подшипника. Сделано в Корее. | 15.00 | 32.00 | 13.00 |
| 63002.EE | Подшипник однорядный шариковый радиальный. Резиновые уплотнения с каждой стороны подшипника. | 15.00 | 32.00 | 13.00 |
| 63002-A-2RSR | Подшипник однорядный шариковый радиальный. Модификация внутренней конструкции. Резиновые уплотнения с каждой стороны подшипника. | 15.00 | 32.00 | 13.00 |
| 63002-2RSR-HLM | Подшипник однорядный шариковый радиальный. Резиновые уплотнения с каждой стороны подшипника. Код местонахождения завода. может использоваться в стандартной комплектации. | 15.00 | 32.00 | 13.00 |
| RNA2201-X-2RSR | Опорный ролик. Rubber Seals At Each Side Of The Bearing. Temperature Range -30℃/+120℃. Цилиндрическая рабочая поверхность. | 16.00 | 32.00 | 13.80 |
| 63002-2RS1/C3 | Подшипник однорядный шариковый радиальный. Внутренний зазор больше нормального. Усиленные листовой сталью контактные уплотнения из акрилонитрил-бутадиенового каучука (NBR) с обеих сторон подшипника. | 15.00 | 32.00 | 13.00 |
| 3002B-2ZRTNG | Подшипник шариковый двухрядный радиально-упорный. Конический роликовый подшипник. Угол контакта 20 градусов. Metal Shields At Each Side Of The Bearing. Прочный сепаратор из полиамида. армированного стекловолокном. | 15.00 | 32.00 | 13.00 |
| 3002-B-TVH | Шариковый радиально-упорный подшипник. Модифицированная внутренняя конструкция. Твердая клетка из полиамида. | 15.00 | 32.00 | 13.00 |
| 3002-B-2Z-TVH | Шариковый радиально-упорный подшипник. Модифицированная внутренняя конструкция. Защитные металлические шайбы с обеих сторон подшипника. Твердая клетка из полиамида. | 15.00 | 32.00 | 13.00 |
| 3002-B-2RSR-TVH | Шариковый радиально-упорный подшипник. Модифицированная внутренняя конструкция. Твердая клетка из полиамида. Резиновые уплотнения с каждой стороны подшипника. | 15.00 | 32.00 | 13.00 |
| 53202U+U202 | Шариковый упорный однорядный подшипник. Универсальный одиночный подшипник. | 15.00 | 32.00 | 15.00 |
Способы доставки
Отправка через ведущие транспортные и курьерские компании: ПЭК, Деловые Линии, СДЭК, Байкал-Сервис, Энергия, КИТ, ЖелДорЭкспедиция.
Самовывоз возможен напрямую со склада в Москве.
Сроки доставки
Срок зависит от региона и выбранной транспортной компании. Все заказы комплектуются и отправляются в кратчайшие сроки со склада в Москве.
Надёжность и сохранность
Вся продукция упаковывается с учётом требований транспортировки. Мы гарантируем, что подшипники и комплектующие прибудут к заказчику в полной сохранности.
Доставка в страны ЕАЭС
Мы работаем с проверенными логистическими партнёрами, что позволяет оперативно доставлять заказы в Беларусь, Казахстан, Армению и другие страны ЕАЭС.
Варианты оплаты:
Минимальная сумма заказа и скидки:
Документы и гарантии:
Да, конечно! Наши технические специалисты готовы помочь вам с подбором точного аналога или замены подшипника. Просто позвоните нам по телефону +7 (495) 104-99-04 или напишите на почту zakaz@podsnab.ru.
Для оперативной консультации подготовьте, пожалуйста, имеющиеся данные: маркировку, размеры, тип оборудования или артикул старого подшипника.
Да, конечно! Мы высоко ценим долгосрочное сотрудничество и доверие клиентов по всей России. Для постоянных клиентов действует персональная система скидок.
Условия формируются индивидуально и зависят от:
Чтобы узнать свои условия и получить максимально выгодное предложение, свяжитесь с персональным менеджером или напишите нам на почту zakaz@podsnab.ru.
Вы можете оформить заказ несколькими способами:
Для оформления заказа от юридического лица свяжитесь с нашим отделом по работе с корпоративными клиентами по телефону +7 (495) 104-99-04 или напишите на email zakaz@podsnab.ru, прикрепив реквизиты вашей организации.
Мы оперативно подготовим коммерческое предложение и выставим счет.
Возврат товара надлежащего качества возможен в течение 10 дней с момента получения, если товар не был в употреблении, сохранен товарный вид, упаковка не вскрывалась и присутствуют все сопроводительные документы.
Возврат денежных средств осуществляется в течение 10 рабочих дней после проверки товара складом.
В соответствии с законодательством возврату не подлежат подшипники надлежащего качества, если отсутствует оригинальная упаковка или имеются следы монтажа.
В случае выявления брака или гарантийного случая мы гарантируем возврат или обмен товара.
Да, гарантийный срок хранения устанавливается заводом-изготовителем и в среднем составляет 2 года при соблюдении условий хранения: сухое помещение, оригинальная упаковка и смазка.
Точный срок для конкретного типа подшипника уточняйте у наших менеджеров.
Пн–Пт: с 8:00 до 17:00 (МСК).
Сб–Вс: выходные дни.
Заказы на сайте принимаются круглосуточно. Заявки, поступившие после окончания рабочего дня, обрабатываются на следующий рабочий день.
Минимальная сумма заказа для доставки составляет 3000 рублей. Самовывоз со склада возможен на любую сумму при наличии товара.
ООО «УралТехГрупп»
ИНН: 7415093830
КПП: 772401001
ОГРН: 1167456069021
Банк: ПАО Сбербанк
Р/с: 40702810838000475273
К/с: 30101810400000000225
БИК: 044525225
У подшипника KRE32PP пока нет отзывов. Вы можете стать первым покупателем, поделившимся своим мнением.