Поиск подшипника
Статьи
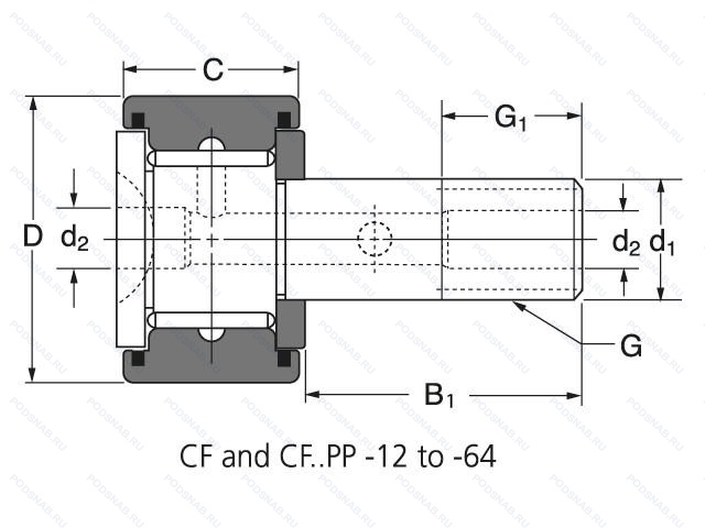
CF16PP — Кулачковый ролик толкатель, модификация основного исполнения CF16, выпускается производителями: INA, NIS.
Размер ролика: 11x25x15 мм.
Уплотнения на каждой стороне подшипника.
Альтернативное обозначение: CF1SB, CR1XB, CRSB16, S32LW.
Международная стандартизации ISO
CF16PP
В наличии
| Обозначение | Конструктивные изменения |
|---|---|
| CF16UUR | Кулачковый ролик толкатель. |
| CF16UUVR | Кулачковый ролик толкатель. |
| CF16VUU | Полный тип дополнения. Манжетные уплотнения с обеих сторон (тип P - две шайбы из оцинкованной листовой стали с промежуточной частью NBR). Диапазон температур -30℃/+100℃. |
| CF16 | Кулачковый ролик толкатель. Основное конструктивное исполнение. |
| CF16UU | Символ защиты от загрязнения. |
| CF16BUUR | Кулачковый ролик толкатель. |
| CF16M16X1,5 | Distance Between Beginning Of The Rail And First Hole In MM. |
| CF16B | С шестигранным отверстием. |
| CF16VBR | С шестигранным отверстием. Полный тип дополнения. Коронка на наружном кольце. |
| CF16VB | Отклонения основных размеров. |
| CF16VR | Подшипник без сепаратора. С полным комплектом тел качения. Когда в суффиксе упоминается только «V». Это означает. что подшипник уплотнен. Поэтому используйте «2Z» в сегменте «Уплотнение».. |
| CF16-PP-SK | Кулачковый толкатель штифтового типа. С шестигранной головкой. Манжетные уплотнения с обеих сторон (тип P - две шайбы из оцинкованной листовой стали с промежуточной частью NBR. Кромка уплотнения предварительно нагружена в осевом направлении). Диапазон температур -30℃/+100℃. |
| CF16-M16X2.00 | Sequential Number Of Design. |
Модификации кулачкового ролика CF16PP — это измененное основное конструктивное исполнение CF16, основные размеры (11x25x15) не отличаются.
| Обозначение | Гост | Конструктивные особенности |
|---|---|---|
| CRSC16 | ISO | Кулачковый ролик толкатель. |
| CF1SB | ISO | Double Row. Angular Contact. Non-Filling Notch Bearing. With Outwardly Convergent Угол контактаs. Rigid Design. |
| CRSB16 | ISO | Кулачковый ролик толкатель. |
| CR1XB | ISO | Hexagonal Socket. Герметичный подшипник. |
| CRSBC16 | ISO | Кулачковый ролик толкатель. |
Аналог кулачкового ролика CF16PP — это ролик такого же размера dx11,Dx25,Bx15, типа и конструкции.
| Обозначение | Конструктивные особенности | Внутренний (d) | Наружный (D) | Ширина (B) |
|---|---|---|---|---|
| PC10260016CS | Шариковый радиальный двухрядный подшипник. Высокоуглеродистая сталь. | 10.00 | 26.00 | 16.00 |
| SU000S6 | Шариковый радиальный однорядный подшипник. Подшипник из нержавеющей стали. | 10.00 | 26.00 | 15.00 |
| NA4901TT | Роликовый игольчатый подшипник однорядный. Комплект из трех согласованных однорядных радиально-упорных шарикоподшипников или радиально-упорных шарикоподшипников, расположенных тандемно. | 12.00 | 24.00 | 14.00 |
| NK16/16R+IR12X16X16 | Роликовый игольчатый подшипник однорядный. Изменённая фаска. | 12.00 | 24.00 | 16.00 |
| GEBJ12C | Шарнирный подшипник. 15° Угол контакта. | 12.00 | 26.00 | 16.00 |
| GEG12N | Шарнирный подшипник. Канавка под стопорное кольцо на внешнем кольце. | 12.00 | 26.00 | 15.00 |
| GEG12E | Шарнирный подшипник. Повышенной грузоподъемности. | 12.00 | 26.00 | 15.00 |
| GE 012 HS | Шарнирный подшипник. Антизадирная пластичная смазка. | 12.00 | 26.00 | 15.00 |
| GE 012 XES | Шарнирный подшипник. Габаритные размеры отличаются от стандарта ISO или опорные ролики с цилиндрической наружной поверхностью. Антизадирная пластичная смазка. | 12.00 | 26.00 | 16.00 |
| GE 012 HCR | Шарнирный подшипник. Антизадирная пластичная смазка. | 12.00 | 26.00 | 15.00 |
| GEBJ12S | Шарнирный подшипник. Запечатанная версия кулачкового ролика. | 12.00 | 26.00 | 16.00 |
| MBW12CR | Шарнирный подшипник. (TB-Segment) Phenolic (Composition) Fafnir Standard. | 12.00 | 26.00 | 16.00 |
| 2Ш12-ВК | Шарнирный подшипник. Без отверстий и канавок для смазки.. Отдельное внутреннее кольцо шарнирного подшипника.. | 12.00 | 24.00 | 16.00 |
| 2Ш12-Ю2УВК | Шарнирный подшипник. Уменьшенный внутренний осевой зазор.. Поверхность скольжения – нержавеющая сталь/серебро (покрытие сферы внутреннего кольца серебром).. Без отверстий и канавок для смазки.. Отдельное внутреннее кольцо шарнирного подшипника.. | 12.00 | 24.00 | 16.00 |
| 436100К | Шариковый радиально-упорный сдвоенный подшипник. «Замок» (скос) на внутреннем кольце плюс массивный сепаратор из текстолита. | 10.00 | 26.00 | 16.00 |
Способы доставки
Отправка через ведущие транспортные и курьерские компании: ПЭК, Деловые Линии, СДЭК, Байкал-Сервис, Энергия, КИТ, ЖелДорЭкспедиция.
Самовывоз возможен напрямую со склада в Москве.
Сроки доставки
Срок зависит от региона и выбранной транспортной компании. Все заказы комплектуются и отправляются в кратчайшие сроки со склада в Москве.
Надёжность и сохранность
Вся продукция упаковывается с учётом требований транспортировки. Мы гарантируем, что подшипники и комплектующие прибудут к заказчику в полной сохранности.
Доставка в страны ЕАЭС
Мы работаем с проверенными логистическими партнёрами, что позволяет оперативно доставлять заказы в Беларусь, Казахстан, Армению и другие страны ЕАЭС.
Варианты оплаты:
Минимальная сумма заказа и скидки:
Документы и гарантии:
Да, конечно! Наши технические специалисты готовы помочь вам с подбором точного аналога или замены подшипника. Просто позвоните нам по телефону +7 (495) 104-99-04 или напишите на почту zakaz@podsnab.ru.
Для оперативной консультации подготовьте, пожалуйста, имеющиеся данные: маркировку, размеры, тип оборудования или артикул старого подшипника.
Да, конечно! Мы высоко ценим долгосрочное сотрудничество и доверие клиентов по всей России. Для постоянных клиентов действует персональная система скидок.
Условия формируются индивидуально и зависят от:
Чтобы узнать свои условия и получить максимально выгодное предложение, свяжитесь с персональным менеджером или напишите нам на почту zakaz@podsnab.ru.
Вы можете оформить заказ несколькими способами:
Для оформления заказа от юридического лица свяжитесь с нашим отделом по работе с корпоративными клиентами по телефону +7 (495) 104-99-04 или напишите на email zakaz@podsnab.ru, прикрепив реквизиты вашей организации.
Мы оперативно подготовим коммерческое предложение и выставим счет.
Возврат товара надлежащего качества возможен в течение 10 дней с момента получения, если товар не был в употреблении, сохранен товарный вид, упаковка не вскрывалась и присутствуют все сопроводительные документы.
Возврат денежных средств осуществляется в течение 10 рабочих дней после проверки товара складом.
В соответствии с законодательством возврату не подлежат подшипники надлежащего качества, если отсутствует оригинальная упаковка или имеются следы монтажа.
В случае выявления брака или гарантийного случая мы гарантируем возврат или обмен товара.
Да, гарантийный срок хранения устанавливается заводом-изготовителем и в среднем составляет 2 года при соблюдении условий хранения: сухое помещение, оригинальная упаковка и смазка.
Точный срок для конкретного типа подшипника уточняйте у наших менеджеров.
Пн–Пт: с 8:00 до 17:00 (МСК).
Сб–Вс: выходные дни.
Заказы на сайте принимаются круглосуточно. Заявки, поступившие после окончания рабочего дня, обрабатываются на следующий рабочий день.
Минимальная сумма заказа для доставки составляет 3000 рублей. Самовывоз со склада возможен на любую сумму при наличии товара.
ООО «УралТехГрупп»
ИНН: 7415093830
КПП: 772401001
ОГРН: 1167456069021
Банк: ПАО Сбербанк
Р/с: 40702810838000475273
К/с: 30101810400000000225
БИК: 044525225
У подшипника CF16PP пока нет отзывов. Вы можете стать первым покупателем, поделившимся своим мнением.