Поиск подшипника
Статьи
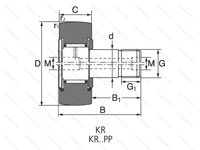
KR30 — Кулачковый ролик толкатель, основное исполнение, выпускается производителями: DüRKOPP, FAG, INA, NEUTRAL, NIS, NTN, SKF.
Размер ролика: 12x30x14 мм.
Опорный ролик, шпилечного типа с сепаратором, профилированный наружный диаметр. Эксцентриковая цапфа.
Альтернативное обозначение: CF12R.
Аналоги: KR30 INA,KR30C FAG,KR30-B INA,MCFR30 McGill,KR30B SKF,KR30 NTN.
Международная стандартизации ISO
KR30
В наличии
| Обозначение | Конструктивные изменения |
|---|---|
| KR30-X-PP-A | Двухрядный радиально-упорный шарикоподшипник без отверстия для смазки. Измененные размеры границ. введенные пересмотренными стандартами ISO. Уплотнения на каждой стороне подшипника. |
| KR30PPX | Скользящие уплотнительные кольца из полиамида с обеих сторон, улучшенный корончатый профиль рабочей поверхности наружного кольца. |
| KR30C 2RS | 15° Угол контакта. Резиновые уплотнения с каждой стороны подшипника. |
| KR30C DZ | 15° Угол контакта. Опорные ролики игольчатого типа. Цилиндрический наружный диаметр. Литой сепаратор оконного типа из полиамида. усиленного стекловолокном. |
| KR30C DZ 2RS | 15° Угол контакта. Резиновые уплотнения с каждой стороны подшипника. Опорные ролики игольчатого типа. Цилиндрический наружный диаметр. Литой сепаратор оконного типа из полиамида. усиленного стекловолокном. |
| KR30PP NMT | Уплотнения на каждой стороне подшипника. Шестигранная гайка. |
| KR30APP | Манжетные уплотнения с обеих сторон (тип P - две шайбы из оцинкованной листовой стали с промежуточной частью NBR. Кромка уплотнения предварительно нагружена в осевом направлении). Диапазон температур -30℃/+100℃. |
| KR30LLH/3AS | Манжетное уплотнение с обеих сторон подшипника. Смазка. Shell Oil Co. Смазка Alvania #3, стандартная заливка.. |
| KR30-X-B-NMT | Внутренняя модификация конструкции. Может использоваться в качестве стандартного. Цилиндрическая рабочая поверхность. Шестигранная гайка. |
| KR30-PP-RR-A | Двухрядный радиально-упорный шарикоподшипник без отверстия для смазки. Манжетные уплотнения с обеих сторон (тип P - две шайбы из оцинкованной листовой стали с промежуточной частью NBR. Кромка уплотнения предварительно нагружена в осевом направлении). Диапазон температур -30℃/+100℃. Защищен от коррозии специальным покрытием Corrotect®.. |
| KR30-PP-RR-A-NMT | Двухрядный радиально-упорный шарикоподшипник без отверстия для смазки. Манжетные уплотнения с обеих сторон (тип P - две шайбы из оцинкованной листовой стали с промежуточной частью NBR. Кромка уплотнения предварительно нагружена в осевом направлении). Диапазон температур -30℃/+100℃. Защищен от коррозии специальным покрытием Corrotect®.. Шестигранная гайка. |
| KR30-X-PP-A-NMT | Двухрядный радиально-упорный шарикоподшипник без отверстия для смазки. Цилиндрическая рабочая поверхность. Манжетные уплотнения с обеих сторон (тип P - две шайбы из оцинкованной листовой стали с промежуточной частью NBR. Кромка уплотнения предварительно нагружена в осевом направлении). Диапазон температур -30℃/+100℃. Шестигранная гайка. |
| KR30C.2RS.SK | Коронка. Резиновые уплотнения с каждой стороны подшипника. Кулачковый толкатель штифтового типа. С шестигранной головкой. |
| KR30LL | Контактное. синтетические. резиновое уплотнение с двух сторон. |
| KR30XLLH | Цилиндрический (плоский) профиль наружной рабочей поверхности. Манжетное уплотнение с обеих сторон подшипника. |
| KR30X CLL | Измененные размеры границ. введенные пересмотренными стандартами ISO. Контактное. синтетические. резиновое уплотнение с двух сторон. |
| KR30X NMT | Цилиндрическая рабочая поверхность. Шестигранная гайка. |
| KR30LLH | Манжетное уплотнение с обеих сторон подшипника. |
| KR30 2RS | Резиновые уплотнения с каждой стороны подшипника. |
| KR30-B-L460 | Внутренняя модификация конструкции. Может использоваться в качестве стандартного. Смазка (в зависимости от заказчика). |
| KR30-PP-A-L460 | Двухрядный радиально-упорный шарикоподшипник без отверстия для смазки. Уплотнения на каждой стороне подшипника. Смазка (в зависимости от заказчика). |
| KR30X LL | Цилиндрический (плоский) профиль наружной рабочей поверхности. Контактное уплотнения из синтетической черной резины с обеих сторон. |
| KR30-B-NMT | Внутренняя модификация конструкции. Может использоваться в качестве стандартного. Шестигранная гайка. |
| KR30-PP-A-NMT | Двухрядный радиально-упорный шарикоподшипник без отверстия для смазки. Манжетные уплотнения с обеих сторон (тип P - две шайбы из оцинкованной листовой стали с промежуточной частью NBR. Кромка уплотнения предварительно нагружена в осевом направлении). Диапазон температур -30℃/+100℃. Шестигранная гайка. |
| KR30XA | (Cone/Inner Race And Cup/Outer Race) Special Feature Bearing (Non-Interchangeable With Bearings Having The Same Basic Part Number). |
Модификации кулачкового ролика KR30 — это измененное основное конструктивное исполнение KR30, основные размеры (12x30x14) не отличаются.
| Обозначение | Гост | Конструктивные особенности |
|---|---|---|
| CF12R | ISO | Коронка на наружном кольце. |
| MCFR30 | ISO | Кулачковый ролик толкатель. |
| MCFR30S | ISO | Запечатанная версия кулачкового ролика. |
| MCFR30SX | ISO | Радиально-упорный сферический подшипник скольжения. требующий обслуживания по ISO 12 2402. Монтажные размеры как для конических роликоподшипников по DIN 720. 320X. Стальная скользящая контактная поверхность. |
| KRV30-PP-RR-A | ISO | Двухрядный радиально-упорный шарикоподшипник без отверстия для смазки. Манжетные уплотнения с обеих сторон (тип P - две шайбы из оцинкованной листовой стали с промежуточной частью NBR. Кромка уплотнения предварительно нагружена в осевом направлении). Диапазон температур -30℃/+100℃. Защищен от коррозии специальным покрытием Corrotect®.. |
| KRV30CLL | ISO | Контактное. синтетические. резиновое уплотнение с двух сторон. |
| KRV30H/3AS | ISO | Pressed Snap-Type Steel Cage. Hardened. Смазка. Shell Oil Co. Смазка Alvania #3, стандартная заливка.. |
| KRV30XLLH/3AS | ISO | Цилиндрический (плоский) профиль наружной рабочей поверхности. Манжетное уплотнение с обеих сторон подшипника. Смазка. Shell Oil Co. Смазка Alvania #3, стандартная заливка.. |
| CF-SFU-12B | ISO | С шестигранным отверстием. |
| MCF30SX | ISO | Запечатанная версия кулачкового ролика. Цилиндрическая рабочая поверхность. |
| MCF30X | ISO | Цилиндрическая рабочая поверхность. |
| MCFR30X | ISO | Цилиндрическая рабочая поверхность. |
| KRV30-PP-A-NMT | ISO | Двухрядный радиально-упорный шарикоподшипник без отверстия для смазки. Манжетные уплотнения с обеих сторон (тип P - две шайбы из оцинкованной листовой стали с промежуточной частью NBR. Кромка уплотнения предварительно нагружена в осевом направлении). Диапазон температур -30℃/+100℃. Шестигранная гайка. |
| KRV30H | ISO | Pressed Snap-Type Steel Cage. Hardened. |
| KRV30DZ | ISO | Опорный ролик. Цилиндрический наружный диаметр. |
| CF12VBUU | ISO | С шестигранным отверстием. Полный тип дополнения. Манжетные уплотнения с обеих сторон (тип P - две шайбы из оцинкованной листовой стали с промежуточной частью NBR). Диапазон температур -30℃/+100℃. |
| CF12VUU | ISO | Полный тип дополнения. Манжетные уплотнения с обеих сторон (тип P - две шайбы из оцинкованной листовой стали с промежуточной частью NBR). Диапазон температур -30℃/+100℃. |
| KRV30XLLH | ISO | Цилиндрический (плоский) профиль наружной рабочей поверхности. Манжетное уплотнение с обеих сторон подшипника. |
| CF12VBUUR | ISO | С шестигранным отверстием. Полный тип дополнения. Манжетные уплотнения с обеих сторон (тип P - две шайбы из оцинкованной листовой стали с промежуточной частью NBR). Диапазон температур -30℃/+100℃. |
| GC30EE | ISO | Пластиковые уплотнения с каждой стороны подшипника. |
| KRV30LL/3AS | ISO | Контактное. синтетические. резиновое уплотнение с двух сторон. Смазка. Shell Oil Co. Смазка Alvania #3, стандартная заливка.. |
| KRV30-X-PP-A | ISO | Двухрядный радиально-упорный шарикоподшипник без отверстия для смазки. Цилиндрическая рабочая поверхность. Манжетные уплотнения с обеих сторон (тип P - две шайбы из оцинкованной листовой стали с промежуточной частью NBR. Кромка уплотнения предварительно нагружена в осевом направлении). Диапазон температур -30℃/+100℃. |
Аналог кулачкового ролика KR30 — это ролик такого же размера dx12,Dx30,Bx14, типа и конструкции.
| Обозначение | Конструктивные особенности | Внутренний (d) | Наружный (D) | Ширина (B) |
|---|---|---|---|---|
| 53201+U 201 | Подшипник шариковый упорный однонаправленный. Универсальный одиночный подшипник. | 12.00 | 28.00 | 13.00 |
| D1 | Подшипник шариковый упорный однонаправленный. | 12.70 | 30.96 | 14.30 |
| PAE12BRS | Линейный шариковый подшипник. Бесконтактные лабиринтные уплотнения с одной стороны. | 12.00 | 30.00 | 14.00 |
| FMGT7 | Сферический шарнирный подшипник. | 11.00 | 30.13 | 14.21 |
| FT1 | Подшипник шариковый упорный однонаправленный. | 12.70 | 30.96 | 14.30 |
| PAE12ARS | Линейный шариковый подшипник. Нержавеющая сталь. Square. | 12.00 | 30.00 | 14.00 |
| SSHM7T | Сферический шарнирный подшипник. Textile Laminated Phenolic Resin. Outer Ring Guided. The Cage Is Suitable For Long-Term Operation At Temperatures Up To 100°C. | 11.11 | 29.21 | 14.29 |
| RM-7U | Сферический шарнирный подшипник. | 11.11 | 29.21 | 14.29 |
| FLBG7 | Сферический подшипник скольжения. | 11.11 | 30.16 | 14.29 |
| GT1 | Подшипник шариковый упорный однонаправленный. | 12.70 | 30.96 | 14.30 |
| PAE12TRS | Линейный шариковый подшипник. Нержавеющая сталь. Square (Larged Tapped Hole). | 12.00 | 30.00 | 14.00 |
| 60715K11 | Подшипник шариковый упорный однонаправленный. (Segment Tap. R. Int. Pl. Code DF)-Same As. | 12.70 | 30.96 | 14.29 |
| SX01A32 | Шариковый радиально-упорный однорядный подшипник. | 13.00 | 31.00 | 13.00 |
| 534901-ДК1 | Роликовый радиальный игольчатый подшипник. Кольцевая проточка на середине цилиндрической наружной поверхности наружного кольца плюс три отверстия для смазки. Сепаратор из алюминиевого сплава.. | 12.00 | 30.00 | 14.00 |
Способы доставки
Отправка через ведущие транспортные и курьерские компании: ПЭК, Деловые Линии, СДЭК, Байкал-Сервис, Энергия, КИТ, ЖелДорЭкспедиция.
Самовывоз возможен напрямую со склада в Москве.
Сроки доставки
Срок зависит от региона и выбранной транспортной компании. Все заказы комплектуются и отправляются в кратчайшие сроки со склада в Москве.
Надёжность и сохранность
Вся продукция упаковывается с учётом требований транспортировки. Мы гарантируем, что подшипники и комплектующие прибудут к заказчику в полной сохранности.
Доставка в страны ЕАЭС
Мы работаем с проверенными логистическими партнёрами, что позволяет оперативно доставлять заказы в Беларусь, Казахстан, Армению и другие страны ЕАЭС.
Варианты оплаты:
Минимальная сумма заказа и скидки:
Документы и гарантии:
Да, конечно! Наши технические специалисты готовы помочь вам с подбором точного аналога или замены подшипника. Просто позвоните нам по телефону +7 (495) 104-99-04 или напишите на почту zakaz@podsnab.ru.
Для оперативной консультации подготовьте, пожалуйста, имеющиеся данные: маркировку, размеры, тип оборудования или артикул старого подшипника.
Да, конечно! Мы высоко ценим долгосрочное сотрудничество и доверие клиентов по всей России. Для постоянных клиентов действует персональная система скидок.
Условия формируются индивидуально и зависят от:
Чтобы узнать свои условия и получить максимально выгодное предложение, свяжитесь с персональным менеджером или напишите нам на почту zakaz@podsnab.ru.
Вы можете оформить заказ несколькими способами:
Для оформления заказа от юридического лица свяжитесь с нашим отделом по работе с корпоративными клиентами по телефону +7 (495) 104-99-04 или напишите на email zakaz@podsnab.ru, прикрепив реквизиты вашей организации.
Мы оперативно подготовим коммерческое предложение и выставим счет.
Возврат товара надлежащего качества возможен в течение 10 дней с момента получения, если товар не был в употреблении, сохранен товарный вид, упаковка не вскрывалась и присутствуют все сопроводительные документы.
Возврат денежных средств осуществляется в течение 10 рабочих дней после проверки товара складом.
В соответствии с законодательством возврату не подлежат подшипники надлежащего качества, если отсутствует оригинальная упаковка или имеются следы монтажа.
В случае выявления брака или гарантийного случая мы гарантируем возврат или обмен товара.
Да, гарантийный срок хранения устанавливается заводом-изготовителем и в среднем составляет 2 года при соблюдении условий хранения: сухое помещение, оригинальная упаковка и смазка.
Точный срок для конкретного типа подшипника уточняйте у наших менеджеров.
Пн–Пт: с 8:00 до 17:00 (МСК).
Сб–Вс: выходные дни.
Заказы на сайте принимаются круглосуточно. Заявки, поступившие после окончания рабочего дня, обрабатываются на следующий рабочий день.
Минимальная сумма заказа для доставки составляет 3000 рублей. Самовывоз со склада возможен на любую сумму при наличии товара.
ООО «УралТехГрупп»
ИНН: 7415093830
КПП: 772401001
ОГРН: 1167456069021
Банк: ПАО Сбербанк
Р/с: 40702810838000475273
К/с: 30101810400000000225
БИК: 044525225
У подшипника KR30 пока нет отзывов. Вы можете стать первым покупателем, поделившимся своим мнением.