Поиск подшипника
Статьи
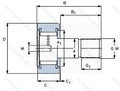
KRV26PPA — Кулачковый ролик толкатель, модификация основного исполнения KRV26, выпускается производителями: INA, SKF.
Размер ролика: 10x26x12 мм.
Опорный ролик, цапфового типа, с корончатым наружным диаметром и полным набором игольчатых роликов, скользящие уплотнительные кольца из полиамида с обеих сторон, улучшенный корончатый профиль рабочей поверхности наружного кольца.
Аналоги: KRV26-PP-A INA,KRV26PPA SKF,MCF26S McGill,KRV26C LL NTN.
Международная стандартизации ISO
KRV26PPA
В наличии
| Обозначение | Конструктивные изменения |
|---|---|
| KRV26H | Pressed Snap-Type Steel Cage. Hardened. |
| KRV26PP | Уплотнения на каждой стороне подшипника. |
| KRV26 | Кулачковый ролик толкатель. Основное конструктивное исполнение. |
| KRV26B | Конический роликовый подшипник. Угол контакта 20 градусов. |
| KRV26PPX | Скользящие уплотнительные кольца из полиамида с обеих сторон, улучшенный корончатый профиль рабочей поверхности наружного кольца. |
| KRV26X | Измененные размеры границ. введенные пересмотренными стандартами ISO. |
| KRV26PPXA | Кулачковый ролик толкатель. |
| KRV26DZ | Опорные ролики игольчатого типа. Цилиндрический наружный диаметр. Литой сепаратор оконного типа из полиамида. усиленного стекловолокном. |
| KRV26.2RS.SK | Резиновые уплотнения с каждой стороны подшипника. Кулачковый толкатель штифтового типа. С шестигранной головкой. |
| KRV26PP NMT | Манжетные уплотнения с обеих сторон (тип P - две шайбы из оцинкованной листовой стали с промежуточной частью NBR. Кромка уплотнения предварительно нагружена в осевом направлении). Диапазон температур -30℃/+100℃. Шестигранная гайка. |
| KRV26SK | Кулачковый толкатель штифтового типа. С шестигранной головкой. |
| KRV26-B-NMT | Внутренняя модификация конструкции. Может использоваться в качестве стандартного. Шестигранная гайка. |
| KRV26-X-B-NMT | Внутренняя модификация конструкции. Может использоваться в качестве стандартного. Цилиндрическая рабочая поверхность. Шестигранная гайка. |
| KRV26H/3AS | Pressed Snap-Type Steel Cage. Hardened. Смазка. Shell Oil Co. Смазка Alvania #3, стандартная заливка.. |
| KRV26-X-PP-A-NMT | Двухрядный радиально-упорный шарикоподшипник без отверстия для смазки. Цилиндрическая рабочая поверхность. Манжетные уплотнения с обеих сторон (тип P - две шайбы из оцинкованной листовой стали с промежуточной частью NBR. Кромка уплотнения предварительно нагружена в осевом направлении). Диапазон температур -30℃/+100℃. Шестигранная гайка. |
| KRV26C LL | 15° Угол контакта. Контактное. синтетические. резиновое уплотнение с двух сторон. |
| KRV26-PP-RR-A | Двухрядный радиально-упорный шарикоподшипник без отверстия для смазки. Манжетные уплотнения с обеих сторон (тип P - две шайбы из оцинкованной листовой стали с промежуточной частью NBR. Кромка уплотнения предварительно нагружена в осевом направлении). Диапазон температур -30℃/+100℃. Защищен от коррозии специальным покрытием Corrotect®.. |
| KRV26X LL | Цилиндрический (плоский) профиль наружной рабочей поверхности. Контактное уплотнения из синтетической черной резины с обеих сторон. |
| KRV26-X-PP-A | Двухрядный радиально-упорный шарикоподшипник без отверстия для смазки. Цилиндрическая рабочая поверхность. Манжетные уплотнения с обеих сторон (тип P - две шайбы из оцинкованной листовой стали с промежуточной частью NBR. Кромка уплотнения предварительно нагружена в осевом направлении). Диапазон температур -30℃/+100℃. |
| KRV26-X-B | Внутренняя модификация конструкции. Может использоваться в качестве стандартного. Цилиндрическая рабочая поверхность. |
| KRV26PPXA NMT | Цилиндрическая рабочая поверхность. Манжетные уплотнения с обеих сторон (тип P - две шайбы из оцинкованной листовой стали с промежуточной частью NBR. Кромка уплотнения предварительно нагружена в осевом направлении). Диапазон температур -30℃/+100℃. Шестигранная гайка. |
Модификации кулачкового ролика KRV26PPA — это измененное основное конструктивное исполнение KRV26, основные размеры (10x26x12) не отличаются.
| Обозначение | Гост | Конструктивные особенности |
|---|---|---|
| MCF26S | ISO | Запечатанная версия кулачкового ролика. |
| KR26PPSK | ISO | Кулачковый толкатель штифтового типа. С шестигранной головкой. Манжетные уплотнения с обеих сторон (тип P - две шайбы из оцинкованной листовой стали с промежуточной частью NBR. Кромка уплотнения предварительно нагружена в осевом направлении). Диапазон температур -30℃/+100℃. |
| KR26FXLL | ISO | Нержавеющая сталь. Цилиндрический (плоский) профиль наружной рабочей поверхности. Манжетное уплотнение с обеих сторон подшипника. |
| KR26PPA NMT | ISO | Шестигранная гайка. Скользящие уплотнительные кольца из полиамида с обеих сторон, улучшенный корончатый профиль рабочей поверхности наружного кольца. |
| KR26CLL/3AS | ISO | Контактное. синтетические. резиновое уплотнение с двух сторон. Смазка. Shell Oil Co. Смазка Alvania #3, стандартная заливка.. |
| KR26-X-PP-A | ISO | Двухрядный радиально-упорный шарикоподшипник без отверстия для смазки. Цилиндрическая рабочая поверхность. Манжетные уплотнения с обеих сторон (тип P - две шайбы из оцинкованной листовой стали с промежуточной частью NBR. Кромка уплотнения предварительно нагружена в осевом направлении). Диапазон температур -30℃/+100℃. |
| GC26EE H15 | ISO | Пластиковые уплотнения с каждой стороны подшипника. |
| KR26XLL | ISO | Цилиндрический (плоский) профиль наружной рабочей поверхности. Манжетное уплотнение с обеих сторон подшипника. |
| KR26-B-NIP-VD/MON | ISO | Внутренняя модификация конструкции. Может использоваться в качестве стандартного. |
| KRVPPXA | ISO | С внутренним шестигранником и оптимизированным профилем. Скользящие уплотнительные кольца из полиамида с обеих сторон, улучшенный корончатый профиль рабочей поверхности наружного кольца. |
| CF10VBUU | ISO | С шестигранным отверстием. Полный тип дополнения. Манжетные уплотнения с обеих сторон (тип P - две шайбы из оцинкованной листовой стали с промежуточной частью NBR). Диапазон температур -30℃/+100℃. |
| CF10-1UU | ISO | Манжетные уплотнения с обеих сторон (тип P - две шайбы из оцинкованной листовой стали с промежуточной частью NBR). Диапазон температур -30℃/+100℃. |
| KR26LL | ISO | Контактное. синтетические. резиновое уплотнение с двух сторон. |
| KR26HLL | ISO | Контактное. синтетические. резиновое уплотнение с двух сторон. |
| KR26LLH | ISO | Манжетное уплотнение с обеих сторон подшипника. |
| KR26FLL/3AS | ISO | Контактное. синтетические. резиновое уплотнение с двух сторон. Смазка. Shell Oil Co. Смазка Alvania #3, стандартная заливка.. |
| KR26FLLH/3AS | ISO | Нержавеющая сталь. Манжетное уплотнение с обеих сторон подшипника. Смазка. Shell Oil Co. Смазка Alvania #3, стандартная заливка.. |
| MCFR26ASBX | ISO | Запечатанная версия кулачкового ролика. Кулачковый механизм. Шестигранное отверстие заменяет шлиц под отвертку во фланцевом конце штока. Цилиндрическая рабочая поверхность. |
| KR26XCLL | ISO | Цилиндрический (плоский) профиль наружной рабочей поверхности. Контактное. синтетические. резиновое уплотнение с двух сторон. |
| KR26FXLLH/3AS | ISO | Нержавеющая сталь. Цилиндрический (плоский) профиль наружной рабочей поверхности. Манжетное уплотнение с обеих сторон подшипника. Смазка. Shell Oil Co. Смазка Alvania #3, стандартная заливка.. |
| KR26X-NMT | ISO | Цилиндрическая рабочая поверхность. Шестигранная гайка. |
Аналог кулачкового ролика KRV26PPA — это ролик такого же размера dx10,Dx26,Bx12, типа и конструкции.
| Обозначение | Конструктивные особенности | Внутренний (d) | Наружный (D) | Ширина (B) |
|---|---|---|---|---|
| 63000EE | Подшипник однорядный шариковый радиальный. Резиновые уплотнения с каждой стороны подшипника. | 10.00 | 26.00 | 12.00 |
| F6SB | Сферический шарнирный подшипник. Низкоуглеродистая оцинкованная хромированная сталь. спеченная фосфористая бронза - пропитанная маслом.. | 9.53 | 25.40 | 12.70 |
| SC00A11LLH1C3 | Подшипник однорядный шариковый радиальный. Внутренний зазор больше нормального. Манжетное уплотнение с обеих сторон подшипника. | 10.00 | 27.00 | 11.00 |
| 8200Н | Шариковый упорный однорядный подшипник. Детали из теплостойкой стали. | 10.00 | 26.00 | 11.00 |
| 914800-К1 | Роликовый радиальный игольчатый однорядный подшипник. Кольцевая проточка на середине цилиндрической наружной поверхности наружного кольца плюс три отверстия для смазки. | 10.00 | 26.00 | 11.90 |
| 3000-B-TVH | Шариковый радиально-упорный подшипник. Модифицированная внутренняя конструкция. Твердая клетка из полиамида. | 10.00 | 26.00 | 12.00 |
| 3000-B-2RSR-TVH | Шариковый радиально-упорный подшипник. Модифицированная внутренняя конструкция. Твердая клетка из полиамида. Резиновые уплотнения с каждой стороны подшипника. | 10.00 | 26.00 | 12.00 |
| 3000-B-2Z-TVH | Шариковый радиально-упорный подшипник. Модифицированная внутренняя конструкция. Защитные металлические шайбы с обеих сторон подшипника. Твердая клетка из полиамида. | 10.00 | 26.00 | 12.00 |
| MU000+ER | Шариковый радиальный однорядный подшипник. Эксцентриковое кольцо. | 10.00 | 26.00 | 11.00 |
| B10-50T12 | Шариковый радиальный однорядный подшипник. Подшипник со специальными размерами. | 10.00 | 27.00 | 11.00 |
| B10-50T12DDNCXG1 | Шариковый радиальный однорядный подшипник. Подшипник со специальными размерами. | 10.00 | 27.00 | 11.00 |
| B10-50DD | Шариковый радиальный однорядный подшипник. Подшипник со специальными размерами. | 10.00 | 27.00 | 11.00 |
| 51200 V/HR11T1 | Шариковый упорный однорядный подшипник. Подшипник без сепаратора. С полным комплектом тел качения. | 10.00 | 26.00 | 11.00 |
| 53200U+U200 | Шариковый упорный однорядный подшипник. Универсальный одиночный подшипник. | 10.00 | 26.00 | 13.00 |
| SAZP9N | Шарнирный подшипник. Канавка под стопорное кольцо на внешнем кольце. | 9.53 | 25.40 | 12.70 |
Способы доставки
Отправка через ведущие транспортные и курьерские компании: ПЭК, Деловые Линии, СДЭК, Байкал-Сервис, Энергия, КИТ, ЖелДорЭкспедиция.
Самовывоз возможен напрямую со склада в Москве.
Сроки доставки
Срок зависит от региона и выбранной транспортной компании. Все заказы комплектуются и отправляются в кратчайшие сроки со склада в Москве.
Надёжность и сохранность
Вся продукция упаковывается с учётом требований транспортировки. Мы гарантируем, что подшипники и комплектующие прибудут к заказчику в полной сохранности.
Доставка в страны ЕАЭС
Мы работаем с проверенными логистическими партнёрами, что позволяет оперативно доставлять заказы в Беларусь, Казахстан, Армению и другие страны ЕАЭС.
Варианты оплаты:
Минимальная сумма заказа и скидки:
Документы и гарантии:
Да, конечно! Наши технические специалисты готовы помочь вам с подбором точного аналога или замены подшипника. Просто позвоните нам по телефону +7 (495) 104-99-04 или напишите на почту zakaz@podsnab.ru.
Для оперативной консультации подготовьте, пожалуйста, имеющиеся данные: маркировку, размеры, тип оборудования или артикул старого подшипника.
Да, конечно! Мы высоко ценим долгосрочное сотрудничество и доверие клиентов по всей России. Для постоянных клиентов действует персональная система скидок.
Условия формируются индивидуально и зависят от:
Чтобы узнать свои условия и получить максимально выгодное предложение, свяжитесь с персональным менеджером или напишите нам на почту zakaz@podsnab.ru.
Вы можете оформить заказ несколькими способами:
Для оформления заказа от юридического лица свяжитесь с нашим отделом по работе с корпоративными клиентами по телефону +7 (495) 104-99-04 или напишите на email zakaz@podsnab.ru, прикрепив реквизиты вашей организации.
Мы оперативно подготовим коммерческое предложение и выставим счет.
Возврат товара надлежащего качества возможен в течение 10 дней с момента получения, если товар не был в употреблении, сохранен товарный вид, упаковка не вскрывалась и присутствуют все сопроводительные документы.
Возврат денежных средств осуществляется в течение 10 рабочих дней после проверки товара складом.
В соответствии с законодательством возврату не подлежат подшипники надлежащего качества, если отсутствует оригинальная упаковка или имеются следы монтажа.
В случае выявления брака или гарантийного случая мы гарантируем возврат или обмен товара.
Да, гарантийный срок хранения устанавливается заводом-изготовителем и в среднем составляет 2 года при соблюдении условий хранения: сухое помещение, оригинальная упаковка и смазка.
Точный срок для конкретного типа подшипника уточняйте у наших менеджеров.
Пн–Пт: с 8:00 до 17:00 (МСК).
Сб–Вс: выходные дни.
Заказы на сайте принимаются круглосуточно. Заявки, поступившие после окончания рабочего дня, обрабатываются на следующий рабочий день.
Минимальная сумма заказа для доставки составляет 3000 рублей. Самовывоз со склада возможен на любую сумму при наличии товара.
ООО «УралТехГрупп»
ИНН: 7415093830
КПП: 772401001
ОГРН: 1167456069021
Банк: ПАО Сбербанк
Р/с: 40702810838000475273
К/с: 30101810400000000225
БИК: 044525225
У подшипника KRV26PPA пока нет отзывов. Вы можете стать первым покупателем, поделившимся своим мнением.