Поиск подшипника
Статьи
51104A — Подшипник шариковый упорный однонаправленный, модификация основного исполнения 51104, выпускается производителями: U&M, ZKL.
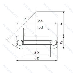
Размер подшипника: 20x35x10 мм.
Двухрядный радиально-упорный шарикоподшипник без отверстия для смазки.
Аналоги: 51104 FAG,51104 Rollway,51104 MGM,51104 DPI,51104-A UM,51104 IBB Fiedler,51104 Neutral.
Международная стандартизации ISO
51104A
В наличии
Шариковый подшипник 51104A является однорядным упорным подшипником, предназначенным для работы с осевыми нагрузками в одном направлении. Подшипник с размерами 20х35х11 мм идеально подходит для применения в различных механизмах, таких как редукторы, насосы и другие устройства, где важна высокая точность и надёжность работы.
Подшипник 51104A выполнен из высококачественных материалов, что обеспечивает его долговечность и устойчивость к механическим повреждениям. Он хорошо защищён от загрязнений и эффективно удерживает смазку, что значительно увеличивает срок службы подшипникового узла и снижает потребность в обслуживании.
Подшипник с размерами 35 20 11 (или 20х35х11) используется в системах с осевыми нагрузками, где требуются точность, надёжность и долговечность. Этот подшипник является отличным выбором для множества приложений, где важна высокая производительность и минимальный износ.
| Обозначение | Конструктивные изменения |
|---|---|
| 51104 | Подшипник шариковый упорный однонаправленный. Основное конструктивное исполнение. |
| 51104AH01 | Размеры могут отличаться от базового номера детали. Внутренний зазор равен C3 (больше обычного) и защищен от коррозии специальным покрытием Corrotect®. |
| 51104A P5 | Упорный шарикоподшипник с более высокой предельной скоростью. Размерная и рабочая точность соответствует классу допуска ISO 5. |
| 51104V | Увеличенная грузоподъемность. Модификация внутренней конструкции. |
| 51104J9 | Прессованный стальной сепаратор. Вращающийся элемент по центру. Незакаленный. |
| 51104T2 | Пластиковый сепаратор. Нейлон или тефлон. |
| 51104G | Устройство повторного смазывания со смазочной канавкой и отверстием на внешнем кольце. |
| 51104-AH01-HLG | Groove In Upper Washer. Код местонахождения завода. может использоваться в стандартной комплектации. |
| 51104MG | Формованный сепаратор из полиамида. укрепленного стекловолокном. |
| 51104 V/HR11Q1 | Подшипник без сепаратора. С полным комплектом тел качения. |
| 51104 V/HR11T1 | Подшипник без сепаратора. С полным комплектом тел качения. |
| 51104 V/HR22T2 | Подшипник без сепаратора. С полным комплектом тел качения. |
| 51104 V/HR22Q2 | Подшипник без сепаратора. С полным комплектом тел качения. |
Модификации шарикового подшипника 51104A — это измененное основное конструктивное исполнение 51104, основные размеры (20x35x10) не отличаются.
| Обозначение | Гост | Конструктивные особенности |
|---|---|---|
| S51104 | ISO | Подшипник шариковый упорный однонаправленный. |
| S51104-HLT | ISO | Код местонахождения завода. может использоваться в стандартной комплектации. |
Аналог шарикового подшипника 51104A — это подшипник такого же размера dx20,Dx35,Bx10, типа и конструкции.
| Обозначение | Конструктивные особенности | Внутренний (d) | Наружный (D) | Ширина (B) |
|---|---|---|---|---|
| 6-292202 Б2 | Роликовый радиальный однорядный подшипник. Сепаратор из безоловянистой бронзы.. | 20.00 | 35.00 | 11.00 |
| 6-292202 Д | Роликовый радиальный однорядный подшипник. Сепаратор из алюминиевого сплава.. | 20.00 | 35.00 | 11.00 |
| 292202-Д | Роликовый радиальный однорядный подшипник. Сепаратор из алюминиевого сплава.. | 20.00 | 35.00 | 11.00 |
| 292202-Л | Роликовый радиальный однорядный подшипник. Сепаратор из латуни.. | 20.00 | 35.00 | 11.00 |
| 292202Н | Роликовый радиальный однорядный подшипник. Детали из теплостойкой стали. | 19.30 | 35.00 | 11.00 |
| 8104-А | Шариковый упорный однорядный подшипник. Повышенная грузоподъемность. | 20.00 | 35.00 | 10.00 |
| 8104-Ю | Шариковый упорный однорядный подшипник. Все детали или часть деталей из нержавеющей стали.. | 20.00 | 35.00 | 10.00 |
| 8104-ЮТ | Шариковый упорный однорядный подшипник. Температура отпуска. 160°. Все детали или часть деталей из нержавеющей стали.. | 20.00 | 35.00 | 10.00 |
| 8104Н | Шариковый упорный однорядный подшипник. Детали из теплостойкой стали. | 20.00 | 35.00 | 10.00 |
| 9104-К1Е | Роликовый упорный однорядный подшипник. Кольцевая проточка на середине цилиндрической наружной поверхности наружного кольца плюс три отверстия для смазки. Сепаратор из текстолита.. | 20.00 | 38.00 | 10.00 |
| 9104-Е | Роликовый упорный однорядный подшипник. Сепаратор из текстолита.. | 20.00 | 35.00 | 10.00 |
| 6904F2 | Шариковый радиальный однорядный подшипник. CONSTRUCTIVE MODIFICATIONS. | 20.00 | 36.00 | 9.00 |
| 6-8104 А | Шариковый упорный однорядный подшипник. Повышенная грузоподъемность. | 20.00 | 35.00 | 10.00 |
| 7-8104 А | Шариковый упорный однорядный подшипник. Повышенная грузоподъемность. | 20.00 | 35.00 | 10.00 |
| 5-8104 А | Шариковый упорный однорядный подшипник. Повышенная грузоподъемность. | 20.00 | 35.00 | 10.00 |
Способы доставки
Отправка через ведущие транспортные и курьерские компании: ПЭК, Деловые Линии, СДЭК, Байкал-Сервис, Энергия, КИТ, ЖелДорЭкспедиция.
Самовывоз возможен напрямую со склада в Москве.
Сроки доставки
Срок зависит от региона и выбранной транспортной компании. Все заказы комплектуются и отправляются в кратчайшие сроки со склада в Москве.
Надёжность и сохранность
Вся продукция упаковывается с учётом требований транспортировки. Мы гарантируем, что подшипники и комплектующие прибудут к заказчику в полной сохранности.
Доставка в страны ЕАЭС
Мы работаем с проверенными логистическими партнёрами, что позволяет оперативно доставлять заказы в Беларусь, Казахстан, Армению и другие страны ЕАЭС.
Варианты оплаты:
Минимальная сумма заказа и скидки:
Документы и гарантии:
Да, конечно! Наши технические специалисты готовы помочь вам с подбором точного аналога или замены подшипника. Просто позвоните нам по телефону +7 (495) 104-99-04 или напишите на почту zakaz@podsnab.ru.
Для оперативной консультации подготовьте, пожалуйста, имеющиеся данные: маркировку, размеры, тип оборудования или артикул старого подшипника.
Да, конечно! Мы высоко ценим долгосрочное сотрудничество и доверие клиентов по всей России. Для постоянных клиентов действует персональная система скидок.
Условия формируются индивидуально и зависят от:
Чтобы узнать свои условия и получить максимально выгодное предложение, свяжитесь с персональным менеджером или напишите нам на почту zakaz@podsnab.ru.
Вы можете оформить заказ несколькими способами:
Для оформления заказа от юридического лица свяжитесь с нашим отделом по работе с корпоративными клиентами по телефону +7 (495) 104-99-04 или напишите на email zakaz@podsnab.ru, прикрепив реквизиты вашей организации.
Мы оперативно подготовим коммерческое предложение и выставим счет.
Возврат товара надлежащего качества возможен в течение 10 дней с момента получения, если товар не был в употреблении, сохранен товарный вид, упаковка не вскрывалась и присутствуют все сопроводительные документы.
Возврат денежных средств осуществляется в течение 10 рабочих дней после проверки товара складом.
В соответствии с законодательством возврату не подлежат подшипники надлежащего качества, если отсутствует оригинальная упаковка или имеются следы монтажа.
В случае выявления брака или гарантийного случая мы гарантируем возврат или обмен товара.
Да, гарантийный срок хранения устанавливается заводом-изготовителем и в среднем составляет 2 года при соблюдении условий хранения: сухое помещение, оригинальная упаковка и смазка.
Точный срок для конкретного типа подшипника уточняйте у наших менеджеров.
Пн–Пт: с 8:00 до 17:00 (МСК).
Сб–Вс: выходные дни.
Заказы на сайте принимаются круглосуточно. Заявки, поступившие после окончания рабочего дня, обрабатываются на следующий рабочий день.
Минимальная сумма заказа для доставки составляет 3000 рублей. Самовывоз со склада возможен на любую сумму при наличии товара.
ООО «УралТехГрупп»
ИНН: 7415093830
КПП: 772401001
ОГРН: 1167456069021
Банк: ПАО Сбербанк
Р/с: 40702810838000475273
К/с: 30101810400000000225
БИК: 044525225
У подшипника 51104A пока нет отзывов. Вы можете стать первым покупателем, поделившимся своим мнением.