Поиск подшипника
Статьи
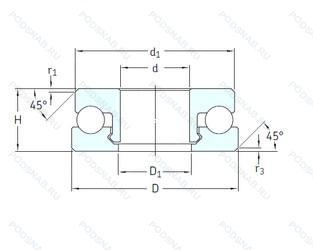
51104 V/HR22Q2 — Шариковый упорный однорядный подшипник, модификация основного исполнения 51104, производство SKF.
Размер подшипника: 20x35x10 мм.
Подшипник без сепаратора. с полным комплектом тел качения.
Международная стандартизации ISO
51104VHR22Q2
В наличии
| Обозначение | Конструктивные изменения |
|---|---|
| 51104 | Шариковый упорный однорядный подшипник. Основное конструктивное исполнение. |
| 51104AH01 | Размеры могут отличаться от базового номера детали. Внутренний зазор равен C3 (больше обычного) и защищен от коррозии специальным покрытием Corrotect®. |
| 51104A | Двухрядный радиально-упорный шарикоподшипник без отверстия для смазки. |
| 51104A P5 | Упорный шарикоподшипник с более высокой предельной скоростью. Размерная и рабочая точность соответствует классу допуска ISO 5. |
| 51104V | Увеличенная грузоподъемность. Модификация внутренней конструкции. |
| 51104J9 | Прессованный стальной сепаратор. Вращающийся элемент по центру. Незакаленный. |
| 51104T2 | Пластиковый сепаратор. Нейлон или тефлон. |
| 51104G | Устройство повторного смазывания со смазочной канавкой и отверстием на внешнем кольце. |
| 51104-AH01-HLG | Groove In Upper Washer. Код местонахождения завода. может использоваться в стандартной комплектации. |
| 51104MG | Формованный сепаратор из полиамида. укрепленного стекловолокном. |
| 51104 V/HR11Q1 | Подшипник без сепаратора. С полным комплектом тел качения. |
| 51104 V/HR11T1 | Подшипник без сепаратора. С полным комплектом тел качения. |
| 51104 V/HR22T2 | Подшипник без сепаратора. С полным комплектом тел качения. |
Модификации шарикового подшипника 51104 V/HR22Q2 — это измененное основное конструктивное исполнение 51104, основные размеры (20x35x10) не отличаются.
| Обозначение | Гост | Конструктивные особенности |
|---|---|---|
| 8104-А | ГОСТ | Повышенная грузоподъемность. |
| 8104-К1 | ГОСТ | Шариковый упорный однорядный подшипник. |
| 8104-С | ГОСТ | Шариковый упорный однорядный подшипник. |
| 8104-Ю | ГОСТ | Все детали или часть деталей из нержавеющей стали.. |
| 8104-ЮТ | ГОСТ | Температура отпуска. 160°. Все детали или часть деталей из нержавеющей стали.. |
| 8104Н | ГОСТ | Детали из теплостойкой стали. |
| 6-8104 | ГОСТ | Шариковый упорный однорядный подшипник. |
| 6-8104 А | ГОСТ | Повышенная грузоподъемность. |
| 6-868804 | ГОСТ | Шариковый упорный однорядный подшипник. |
| 6-868804 П | ГОСТ | Шариковый упорный однорядный подшипник. |
| 7-8104 | ГОСТ | Шариковый упорный однорядный подшипник. |
| 7-8104 А | ГОСТ | Повышенная грузоподъемность. |
| 8104 | ГОСТ | Шариковый упорный однорядный подшипник. |
| 4-8104 | ГОСТ | Шариковый упорный однорядный подшипник. |
| 5-8104 | ГОСТ | Шариковый упорный однорядный подшипник. |
| 5-8104 А | ГОСТ | Повышенная грузоподъемность. |
Аналог шарикового подшипника 51104 V/HR22Q2 — это подшипник такого же размера dx20,Dx35,Bx10, типа и конструкции.
| Обозначение | Конструктивные особенности | Внутренний (d) | Наружный (D) | Ширина (B) |
|---|---|---|---|---|
| ARZ102035,4 | Роликовый игольчатый подшипник. Подшипник с чрезвычайно высокой точностью вращения (Abec9) и допуском формы (Abec7). | 20.00 | 35.40 | 10.00 |
| RNU202-E-TVP2 | Однорядный цилиндрический роликовый подшипник. Повышенная грузоподъемность. Cепаратор изготовленный из полиамида PA66. армированного стекловолокном. | 19.30 | 35.00 | 11.00 |
| RNU202M | Однорядный цилиндрический роликовый подшипник. Механически обработанный латунный сепаратор .Расположенный на элементах качения. | 20.00 | 35.00 | 11.00 |
| 81104T2 | Роликовый цилиндрический упорный подшипник. Пластиковый сепаратор. Нейлон или тефлон. | 20.00 | 35.00 | 10.00 |
| S51104-HLT | Подшипник шариковый упорный однонаправленный. Код местонахождения завода. может использоваться в стандартной комплектации. | 20.00 | 35.00 | 10.00 |
| RNU202-E-XL-TVP2 | Однорядный цилиндрический роликовый подшипник. Повышенная грузоподъемность. Серия X-Life премиум-класс. увеличиный срок службы. Cепаратор изготовленный из полиамида PA66. армированного стекловолокном. | 19.30 | 35.00 | 11.00 |
| 6-292202 Б2Т2 | Роликовый радиальный однорядный подшипник. 200°. Температура отпуска. Сепаратор из безоловянистой бронзы.. | 20.00 | 35.00 | 11.00 |
| 6-292202 Б2 | Роликовый радиальный однорядный подшипник. Сепаратор из безоловянистой бронзы.. | 20.00 | 35.00 | 11.00 |
| 6-292202 Д | Роликовый радиальный однорядный подшипник. Сепаратор из алюминиевого сплава.. | 20.00 | 35.00 | 11.00 |
| 292202-Д | Роликовый радиальный однорядный подшипник. Сепаратор из алюминиевого сплава.. | 20.00 | 35.00 | 11.00 |
| 292202-Л | Роликовый радиальный однорядный подшипник. Сепаратор из латуни.. | 20.00 | 35.00 | 11.00 |
| 292202Н | Роликовый радиальный однорядный подшипник. Детали из теплостойкой стали. | 19.30 | 35.00 | 11.00 |
| 9104-К1Е | Роликовый упорный однорядный подшипник. Кольцевая проточка на середине цилиндрической наружной поверхности наружного кольца плюс три отверстия для смазки. Сепаратор из текстолита.. | 20.00 | 38.00 | 10.00 |
| 9104-Е | Роликовый упорный однорядный подшипник. Сепаратор из текстолита.. | 20.00 | 35.00 | 10.00 |
| 6904F2 | Шариковый радиальный однорядный подшипник. CONSTRUCTIVE MODIFICATIONS. | 20.00 | 36.00 | 9.00 |
Способы доставки
Отправка через ведущие транспортные и курьерские компании: ПЭК, Деловые Линии, СДЭК, Байкал-Сервис, Энергия, КИТ, ЖелДорЭкспедиция.
Самовывоз возможен напрямую со склада в Москве.
Сроки доставки
Срок зависит от региона и выбранной транспортной компании. Все заказы комплектуются и отправляются в кратчайшие сроки со склада в Москве.
Надёжность и сохранность
Вся продукция упаковывается с учётом требований транспортировки. Мы гарантируем, что подшипники и комплектующие прибудут к заказчику в полной сохранности.
Доставка в страны ЕАЭС
Мы работаем с проверенными логистическими партнёрами, что позволяет оперативно доставлять заказы в Беларусь, Казахстан, Армению и другие страны ЕАЭС.
Варианты оплаты:
Минимальная сумма заказа и скидки:
Документы и гарантии:
Да, конечно! Наши технические специалисты готовы помочь вам с подбором точного аналога или замены подшипника. Просто позвоните нам по телефону +7 (495) 104-99-04 или напишите на почту zakaz@podsnab.ru.
Для оперативной консультации подготовьте, пожалуйста, имеющиеся данные: маркировку, размеры, тип оборудования или артикул старого подшипника.
Да, конечно! Мы высоко ценим долгосрочное сотрудничество и доверие клиентов по всей России. Для постоянных клиентов действует персональная система скидок.
Условия формируются индивидуально и зависят от:
Чтобы узнать свои условия и получить максимально выгодное предложение, свяжитесь с персональным менеджером или напишите нам на почту zakaz@podsnab.ru.
Вы можете оформить заказ несколькими способами:
Для оформления заказа от юридического лица свяжитесь с нашим отделом по работе с корпоративными клиентами по телефону +7 (495) 104-99-04 или напишите на email zakaz@podsnab.ru, прикрепив реквизиты вашей организации.
Мы оперативно подготовим коммерческое предложение и выставим счет.
Возврат товара надлежащего качества возможен в течение 10 дней с момента получения, если товар не был в употреблении, сохранен товарный вид, упаковка не вскрывалась и присутствуют все сопроводительные документы.
Возврат денежных средств осуществляется в течение 10 рабочих дней после проверки товара складом.
В соответствии с законодательством возврату не подлежат подшипники надлежащего качества, если отсутствует оригинальная упаковка или имеются следы монтажа.
В случае выявления брака или гарантийного случая мы гарантируем возврат или обмен товара.
Да, гарантийный срок хранения устанавливается заводом-изготовителем и в среднем составляет 2 года при соблюдении условий хранения: сухое помещение, оригинальная упаковка и смазка.
Точный срок для конкретного типа подшипника уточняйте у наших менеджеров.
Пн–Пт: с 8:00 до 17:00 (МСК).
Сб–Вс: выходные дни.
Заказы на сайте принимаются круглосуточно. Заявки, поступившие после окончания рабочего дня, обрабатываются на следующий рабочий день.
Минимальная сумма заказа для доставки составляет 3000 рублей. Самовывоз со склада возможен на любую сумму при наличии товара.
ООО «УралТехГрупп»
ИНН: 7415093830
КПП: 772401001
ОГРН: 1167456069021
Банк: ПАО Сбербанк
Р/с: 40702810838000475273
К/с: 30101810400000000225
БИК: 044525225
У подшипника 51104 V/HR22Q2 пока нет отзывов. Вы можете стать первым покупателем, поделившимся своим мнением.