Поиск подшипника
Статьи
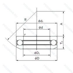
53412FP — Подшипник шариковый упорный однонаправленный, модификация основного исполнения 53412, производство FAG.
Размер подшипника: 60x130x54 мм.
Механически обработанный стальной сепаратор оконного типа.
Международная стандартизации ISO
53412FP
В наличии
| Обозначение | Конструктивные изменения |
|---|---|
| 53412+U 412 | Универсальный одиночный подшипник. |
| 53412U | Универсальный одиночный подшипник. |
| 53412 | Подшипник шариковый упорный однонаправленный. Основное конструктивное исполнение. |
| 53412F | Сепаратор из обработанной стали или специального чугуна. |
| 53412-MP | Массивный латунный сепаратор. центрированный по телам качения. |
| 53412M | Подшипник с латунным сепаратором. центрированный по телам качения. |
| 53412- MP+U412 | Массивный латунный сепаратор. центрированный по телам качения. |
| 53412M+U412 | Подшипник с латунным сепаратором. центрированный по телам качения. |
| 53412U+U412 | Универсальный одиночный подшипник. |
| 53412 M U | Подшипник с латунным сепаратором. центрированный по телам качения. Универсальный одиночный подшипник. |
Модификации шарикового подшипника 53412FP — это измененное основное конструктивное исполнение 53412, основные размеры (60x130x54) не отличаются.
| Обозначение | Конструктивные особенности | Внутренний (d) | Наружный (D) | Ширина (B) |
|---|---|---|---|---|
| 5312 E-2Z | Шариковый радиально-упорный подшипник. Повышенная грузоподъемность. Защитные металлические шайбы с обеих сторон подшипника. | 60.00 | 130.00 | 54.00 |
| 5312 E | Шариковый радиально-упорный подшипник. Повышенная грузоподъемность. | 60.00 | 130.00 | 54.00 |
| 3056312-К1 | Шариковый радиально-упорный двухрядный подшипник. «Замок» (скос) на внутреннем кольце плюс массивный сепаратор из текстолита. | 60.00 | 130.00 | 54.00 |
| 6-3056312 Ш1 | Шариковый радиально-упорный двухрядный подшипник. Нормы шумности. | 60.00 | 130.00 | 54.00 |
| 6-3056312 Ш | Шариковый радиально-упорный двухрядный подшипник. Нормы шумности. | 60.00 | 130.00 | 54.00 |
| 5312KG | Шариковый радиально-упорный двухрядный подшипник. Серия с закрепительной втулкой и смазочным отверстием. | 60.00 | 130.00 | 53.98 |
| 5312W | Шариковый радиально-упорный двухрядный подшипник. Максимальная грузоподъемность. | 60.00 | 130.00 | 53.98 |
| 5312WG | Шариковый радиально-упорный двухрядный подшипник. Максимальная грузоподъемность. | 60.00 | 130.00 | 53.98 |
| 5312N | Шариковый радиально-упорный двухрядный подшипник. Канавка под стопорное кольцо на внешнем кольце. | 60.00 | 130.00 | 54.00 |
| 5312-2RS | Шариковый радиально-упорный двухрядный подшипник. Резиновые уплотнения с каждой стороны подшипника. | 60.00 | 130.00 | 53.98 |
| 3312-B-2RSR-TV | Шариковый радиально-упорный двухрядный подшипник. Конический роликовый подшипник. Угол контакта 20 градусов. Резиновые уплотнения с каждой стороны подшипника. Прочный сепаратор из полиамида. армированного стекловолокном. | 60.00 | 130.00 | 54.00 |
| 63312ZZ | Шариковый радиальный однорядный подшипник. Защитные металлические шайбы с обеих сторон. | 60.00 | 130.00 | 54.00 |
| 6-2612 КМ | Роликовый радиальный однорядный подшипник. Модифицированный контакт.. | 60.00 | 130.00 | 55.00 |
| 63312LLB | Шариковый радиальный однорядный подшипник. Уплотнение бесконтактного типа из синтетического каучука. | 60.00 | 130.00 | 53.98 |
| 63312LLU | Шариковый радиальный однорядный подшипник. Контактное резиновое уплотнение с двух сторон. | 60.00 | 130.00 | 53.98 |
Способы доставки
Отправка через ведущие транспортные и курьерские компании: ПЭК, Деловые Линии, СДЭК, Байкал-Сервис, Энергия, КИТ, ЖелДорЭкспедиция.
Самовывоз возможен напрямую со склада в Москве.
Сроки доставки
Срок зависит от региона и выбранной транспортной компании. Все заказы комплектуются и отправляются в кратчайшие сроки со склада в Москве.
Надёжность и сохранность
Вся продукция упаковывается с учётом требований транспортировки. Мы гарантируем, что подшипники и комплектующие прибудут к заказчику в полной сохранности.
Доставка в страны ЕАЭС
Мы работаем с проверенными логистическими партнёрами, что позволяет оперативно доставлять заказы в Беларусь, Казахстан, Армению и другие страны ЕАЭС.
Варианты оплаты:
Минимальная сумма заказа и скидки:
Документы и гарантии:
Да, конечно! Наши технические специалисты готовы помочь вам с подбором точного аналога или замены подшипника. Просто позвоните нам по телефону +7 (495) 104-99-04 или напишите на почту zakaz@podsnab.ru.
Для оперативной консультации подготовьте, пожалуйста, имеющиеся данные: маркировку, размеры, тип оборудования или артикул старого подшипника.
Да, конечно! Мы высоко ценим долгосрочное сотрудничество и доверие клиентов по всей России. Для постоянных клиентов действует персональная система скидок.
Условия формируются индивидуально и зависят от:
Чтобы узнать свои условия и получить максимально выгодное предложение, свяжитесь с персональным менеджером или напишите нам на почту zakaz@podsnab.ru.
Вы можете оформить заказ несколькими способами:
Для оформления заказа от юридического лица свяжитесь с нашим отделом по работе с корпоративными клиентами по телефону +7 (495) 104-99-04 или напишите на email zakaz@podsnab.ru, прикрепив реквизиты вашей организации.
Мы оперативно подготовим коммерческое предложение и выставим счет.
Возврат товара надлежащего качества возможен в течение 10 дней с момента получения, если товар не был в употреблении, сохранен товарный вид, упаковка не вскрывалась и присутствуют все сопроводительные документы.
Возврат денежных средств осуществляется в течение 10 рабочих дней после проверки товара складом.
В соответствии с законодательством возврату не подлежат подшипники надлежащего качества, если отсутствует оригинальная упаковка или имеются следы монтажа.
В случае выявления брака или гарантийного случая мы гарантируем возврат или обмен товара.
Да, гарантийный срок хранения устанавливается заводом-изготовителем и в среднем составляет 2 года при соблюдении условий хранения: сухое помещение, оригинальная упаковка и смазка.
Точный срок для конкретного типа подшипника уточняйте у наших менеджеров.
Пн–Пт: с 8:00 до 17:00 (МСК).
Сб–Вс: выходные дни.
Заказы на сайте принимаются круглосуточно. Заявки, поступившие после окончания рабочего дня, обрабатываются на следующий рабочий день.
Минимальная сумма заказа для доставки составляет 3000 рублей. Самовывоз со склада возможен на любую сумму при наличии товара.
ООО «УралТехГрупп»
ИНН: 7415093830
КПП: 772401001
ОГРН: 1167456069021
Банк: ПАО Сбербанк
Р/с: 40702810838000475273
К/с: 30101810400000000225
БИК: 044525225
У подшипника 53412FP пока нет отзывов. Вы можете стать первым покупателем, поделившимся своим мнением.