Поиск подшипника
Статьи
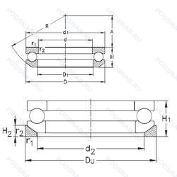
53205+U 205 — Подшипник шариковый упорный однонаправленный, модификация основного исполнения 53205, выпускается производителями: FAG, ISB, NIS, NKE, SKF.
Размер подшипника: 25x47x19 мм.
Универсальный одиночный подшипник.
Международная стандартизации ISO
53205U205
В наличии
| Обозначение | Конструктивные изменения |
|---|---|
| 53205U | Универсальный одиночный подшипник. |
| 53205 | Подшипник шариковый упорный однонаправленный. Основное конструктивное исполнение. |
| 53205J9 | Прессованный стальной сепаратор. Вращающийся элемент по центру. Незакаленный. |
| 53205A | Двухрядный радиально-упорный шарикоподшипник без отверстия для смазки. |
| 53205B | Изменения во внутренней конструкции. |
| 53205U+U205 | Универсальный одиночный подшипник. |
Модификации шарикового подшипника 53205+U 205 — это измененное основное конструктивное исполнение 53205, основные размеры (25x47x19) не отличаются.
| Обозначение | Гост | Конструктивные особенности |
|---|---|---|
| B9 | ISO | Стандартное исполнение радиально-упорных шпиндельных подшипников. |
| MT1 | ISO | Подшипник шариковый упорный однонаправленный. |
| T8 | ISO | Подшипник шариковый упорный однонаправленный. |
| MT1M | ISO | Подшипник с латунным сепаратором. центрированный по телам качения. |
| AKL.B9 | ISO | Подшипник шариковый упорный однонаправленный. |
Аналог шарикового подшипника 53205+U 205 — это подшипник такого же размера dx25,Dx47,Bx19, типа и конструкции.
| Обозначение | Конструктивные особенности | Внутренний (d) | Наружный (D) | Ширина (B) |
|---|---|---|---|---|
| KA11020-Z | Однорядный конический роликовый подшипник. щит из листовой прессованной стали с одной стороны подшипника. | 24.00 | 51.00 | 19.00 |
| 7516DLGTN | Подшипник однорядный шариковый радиальный. Отлитый под давлением защелкивающийся сепаратор из полиамида. Центрированные тела качения. Стопорное кольцо. Контактное уплотнение с двух сторон подшипника. | 25.40 | 50.80 | 19.05 |
| KA11020 | Однорядный конический роликовый подшипник. | 24.00 | 51.00 | 19.00 |
| K25X50X20 | Роликовый игольчатый подшипник. | 25.00 | 50.00 | 20.00 |
| HCOM-16T | Сферический подшипник скольжения. PTFE вкладыш. Не имеет смазочных отверстий или канавок в корпусе. | 25.40 | 50.80 | 19.84 |
| 96705 | Шариковый радиально-упорный подшипник. | 25.00 | 51.00 | 19.00 |
| NK30.5X50X17+IRZ24X34X19 | Роликовый игольчатый подшипник однорядный. Одна защитная пластина. Изменённая фаска. | 24.00 | 50.00 | 19.00 |
| 4105-AW | Шариковый упорный подшипник. Скользящая контактная поверхность из твердого хрома/Elgoglide®. | 25.00 | 50.00 | 19.00 |
| 5-18205 | Шариковый упорный одинарный подшипник. | 25.00 | 50.00 | 19.00 |
| 6-18205 | Шариковый упорный одинарный подшипник. | 25.00 | 50.00 | 19.00 |
| 4-18205 | Шариковый упорный одинарный подшипник. | 25.00 | 50.00 | 19.00 |
| 18205-К | Шариковый упорный одинарный подшипник. «Замок» (скос) на внутреннем кольце плюс массивный сепаратор из текстолита. | 25.00 | 47.00 | 19.00 |
Способы доставки
Отправка через ведущие транспортные и курьерские компании: ПЭК, Деловые Линии, СДЭК, Байкал-Сервис, Энергия, КИТ, ЖелДорЭкспедиция.
Самовывоз возможен напрямую со склада в Москве.
Сроки доставки
Срок зависит от региона и выбранной транспортной компании. Все заказы комплектуются и отправляются в кратчайшие сроки со склада в Москве.
Надёжность и сохранность
Вся продукция упаковывается с учётом требований транспортировки. Мы гарантируем, что подшипники и комплектующие прибудут к заказчику в полной сохранности.
Доставка в страны ЕАЭС
Мы работаем с проверенными логистическими партнёрами, что позволяет оперативно доставлять заказы в Беларусь, Казахстан, Армению и другие страны ЕАЭС.
Варианты оплаты:
Минимальная сумма заказа и скидки:
Документы и гарантии:
Да, конечно! Наши технические специалисты готовы помочь вам с подбором точного аналога или замены подшипника. Просто позвоните нам по телефону +7 (495) 104-99-04 или напишите на почту zakaz@podsnab.ru.
Для оперативной консультации подготовьте, пожалуйста, имеющиеся данные: маркировку, размеры, тип оборудования или артикул старого подшипника.
Да, конечно! Мы высоко ценим долгосрочное сотрудничество и доверие клиентов по всей России. Для постоянных клиентов действует персональная система скидок.
Условия формируются индивидуально и зависят от:
Чтобы узнать свои условия и получить максимально выгодное предложение, свяжитесь с персональным менеджером или напишите нам на почту zakaz@podsnab.ru.
Вы можете оформить заказ несколькими способами:
Для оформления заказа от юридического лица свяжитесь с нашим отделом по работе с корпоративными клиентами по телефону +7 (495) 104-99-04 или напишите на email zakaz@podsnab.ru, прикрепив реквизиты вашей организации.
Мы оперативно подготовим коммерческое предложение и выставим счет.
Возврат товара надлежащего качества возможен в течение 10 дней с момента получения, если товар не был в употреблении, сохранен товарный вид, упаковка не вскрывалась и присутствуют все сопроводительные документы.
Возврат денежных средств осуществляется в течение 10 рабочих дней после проверки товара складом.
В соответствии с законодательством возврату не подлежат подшипники надлежащего качества, если отсутствует оригинальная упаковка или имеются следы монтажа.
В случае выявления брака или гарантийного случая мы гарантируем возврат или обмен товара.
Да, гарантийный срок хранения устанавливается заводом-изготовителем и в среднем составляет 2 года при соблюдении условий хранения: сухое помещение, оригинальная упаковка и смазка.
Точный срок для конкретного типа подшипника уточняйте у наших менеджеров.
Пн–Пт: с 8:00 до 17:00 (МСК).
Сб–Вс: выходные дни.
Заказы на сайте принимаются круглосуточно. Заявки, поступившие после окончания рабочего дня, обрабатываются на следующий рабочий день.
Минимальная сумма заказа для доставки составляет 3000 рублей. Самовывоз со склада возможен на любую сумму при наличии товара.
ООО «УралТехГрупп»
ИНН: 7415093830
КПП: 772401001
ОГРН: 1167456069021
Банк: ПАО Сбербанк
Р/с: 40702810838000475273
К/с: 30101810400000000225
БИК: 044525225
У подшипника 53205+U 205 пока нет отзывов. Вы можете стать первым покупателем, поделившимся своим мнением.