Поиск подшипника
Статьи
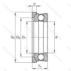
4105-AW — Шариковый упорный подшипник, модификация основного исполнения 4105, производство INA.
Размер подшипника: 25x50x19 мм.
Скользящая контактная поверхность из твердого хрома/elgoglide®.
Международная стандартизации ISO
4105AW
В наличии
| Обозначение | Конструктивные изменения |
|---|---|
| 4105 | Шариковый упорный подшипник. Основное конструктивное исполнение. |
Модификации шарикового подшипника 4105-AW — это измененное основное конструктивное исполнение 4105, основные размеры (25x50x19) не отличаются.
| Обозначение | Конструктивные особенности | Внутренний (d) | Наружный (D) | Ширина (B) |
|---|---|---|---|---|
| B9 | Подшипник шариковый упорный однонаправленный. Стандартное исполнение радиально-упорных шпиндельных подшипников. | 9.00 | 20.00 | 19.05 |
| KA11020-Z | Однорядный конический роликовый подшипник. щит из листовой прессованной стали с одной стороны подшипника. | 24.00 | 51.00 | 19.00 |
| MT1 | Подшипник шариковый упорный однонаправленный. | 25.40 | 50.80 | 19.05 |
| 53205+U 205 | Подшипник шариковый упорный однонаправленный. Универсальный одиночный подшипник. | 25.00 | 47.00 | 19.00 |
| 7516DLGTN | Подшипник однорядный шариковый радиальный. Отлитый под давлением защелкивающийся сепаратор из полиамида. Центрированные тела качения. Стопорное кольцо. Контактное уплотнение с двух сторон подшипника. | 25.40 | 50.80 | 19.05 |
| K25X50X20 | Роликовый игольчатый подшипник. | 25.00 | 50.00 | 20.00 |
| T8 | Подшипник шариковый упорный однонаправленный. | 25.40 | 50.80 | 19.05 |
| HCOM-16T | Сферический подшипник скольжения. PTFE вкладыш. Не имеет смазочных отверстий или канавок в корпусе. | 25.40 | 50.80 | 19.84 |
| MT1M | Подшипник шариковый упорный однонаправленный. Подшипник с латунным сепаратором. центрированный по телам качения. | 25.40 | 50.80 | 19.05 |
| AKL.B9 | Подшипник шариковый упорный однонаправленный. | 25.40 | 50.01 | 19.05 |
| NK30.5X50X17+IRZ24X34X19 | Роликовый игольчатый подшипник однорядный. Одна защитная пластина. Изменённая фаска. | 24.00 | 50.00 | 19.00 |
| 5-18205 | Шариковый упорный одинарный подшипник. | 25.00 | 50.00 | 19.00 |
| 6-18205 | Шариковый упорный одинарный подшипник. | 25.00 | 50.00 | 19.00 |
| 4-18205 | Шариковый упорный одинарный подшипник. | 25.00 | 50.00 | 19.00 |
| 18205-К | Шариковый упорный одинарный подшипник. «Замок» (скос) на внутреннем кольце плюс массивный сепаратор из текстолита. | 25.00 | 47.00 | 19.00 |
Способы доставки
Отправка через ведущие транспортные и курьерские компании: ПЭК, Деловые Линии, СДЭК, Байкал-Сервис, Энергия, КИТ, ЖелДорЭкспедиция.
Самовывоз возможен напрямую со склада в Москве.
Сроки доставки
Срок зависит от региона и выбранной транспортной компании. Все заказы комплектуются и отправляются в кратчайшие сроки со склада в Москве.
Надёжность и сохранность
Вся продукция упаковывается с учётом требований транспортировки. Мы гарантируем, что подшипники и комплектующие прибудут к заказчику в полной сохранности.
Доставка в страны ЕАЭС
Мы работаем с проверенными логистическими партнёрами, что позволяет оперативно доставлять заказы в Беларусь, Казахстан, Армению и другие страны ЕАЭС.
Варианты оплаты:
Минимальная сумма заказа и скидки:
Документы и гарантии:
Да, конечно! Наши технические специалисты готовы помочь вам с подбором точного аналога или замены подшипника. Просто позвоните нам по телефону +7 (495) 104-99-04 или напишите на почту zakaz@podsnab.ru.
Для оперативной консультации подготовьте, пожалуйста, имеющиеся данные: маркировку, размеры, тип оборудования или артикул старого подшипника.
Да, конечно! Мы высоко ценим долгосрочное сотрудничество и доверие клиентов по всей России. Для постоянных клиентов действует персональная система скидок.
Условия формируются индивидуально и зависят от:
Чтобы узнать свои условия и получить максимально выгодное предложение, свяжитесь с персональным менеджером или напишите нам на почту zakaz@podsnab.ru.
Вы можете оформить заказ несколькими способами:
Для оформления заказа от юридического лица свяжитесь с нашим отделом по работе с корпоративными клиентами по телефону +7 (495) 104-99-04 или напишите на email zakaz@podsnab.ru, прикрепив реквизиты вашей организации.
Мы оперативно подготовим коммерческое предложение и выставим счет.
Возврат товара надлежащего качества возможен в течение 10 дней с момента получения, если товар не был в употреблении, сохранен товарный вид, упаковка не вскрывалась и присутствуют все сопроводительные документы.
Возврат денежных средств осуществляется в течение 10 рабочих дней после проверки товара складом.
В соответствии с законодательством возврату не подлежат подшипники надлежащего качества, если отсутствует оригинальная упаковка или имеются следы монтажа.
В случае выявления брака или гарантийного случая мы гарантируем возврат или обмен товара.
Да, гарантийный срок хранения устанавливается заводом-изготовителем и в среднем составляет 2 года при соблюдении условий хранения: сухое помещение, оригинальная упаковка и смазка.
Точный срок для конкретного типа подшипника уточняйте у наших менеджеров.
Пн–Пт: с 8:00 до 17:00 (МСК).
Сб–Вс: выходные дни.
Заказы на сайте принимаются круглосуточно. Заявки, поступившие после окончания рабочего дня, обрабатываются на следующий рабочий день.
Минимальная сумма заказа для доставки составляет 3000 рублей. Самовывоз со склада возможен на любую сумму при наличии товара.
ООО «УралТехГрупп»
ИНН: 7415093830
КПП: 772401001
ОГРН: 1167456069021
Банк: ПАО Сбербанк
Р/с: 40702810838000475273
К/с: 30101810400000000225
БИК: 044525225
У подшипника 4105-AW пока нет отзывов. Вы можете стать первым покупателем, поделившимся своим мнением.