Поиск подшипника
Статьи
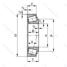
32004-X-XL — Однорядный конический роликовый подшипник, модификация основного исполнения 32004, производство FAG.
Размер подшипника: 20x42x15 мм.
Серия x-life, внешние размеры соответствуют международным стандартам.
Альтернативное обозначение: 32004-X.
Аналоги: 535410 FAG,32004X Timken,32004X/Q SKF,10R32004VC12UA SNR,32004 SNR,32004 FBJ,32004X VB014 IRB Rolamentos,32004X URB,32004 ISB,IR2038 IRB Rolamentos,32004X FLT,32004XSG KBC.
Международная стандартизации ISO
32004XXL
В наличии
| Обозначение | Конструктивные изменения |
|---|---|
| 32004XA | (Cone/Inner Race And Cup/Outer Race) Special Feature Bearing (Non-Interchangeable With Bearings Having The Same Basic Part Number). |
| 32004XJ | Однорядный конический роликовый подшипник. |
| 32004X/Q | Оптимизированная геометрия и специальная обработка контактных поверхностей. Измененные размеры границ. введенные пересмотренными стандартами ISO. |
| 32004X/VB014 | Измененные размеры границ. введенные пересмотренными стандартами ISO. Комбинация VB003 = Радиус угла при IR r1 3.3-3.7 r2 3.3-4.2 и VB016 = радиус при вершине OR r1 1.0-1.4 r2 1.0-1.9 И Q6 = Уровень вибрации ниже нормального (заменяет C6). |
| 32004X | Ширина внутреннего кольца В = общей ширине Т (только для метрических типов). |
| 32004XJG | Конический роликовый подшипник. изготовленный в соответствии с ISO. Case Hardened Steel. |
| 32004AX | Поверхность контакта скольжения сталь / сталь. |
| 32004 | Однорядный конический роликовый подшипник. Основное конструктивное исполнение. |
| 32004JR | TAPERED ROLLER BEARING CONFORMING TO ISO R355 (SUB-UNIT. METRIC SERIES). EXAMPLE/ 30206JR. |
| 32004X V014 | Измененные размеры границ. введенные пересмотренными стандартами ISO. |
| 32004YRA | Однорядный конический роликовый подшипник. |
| 32004CZ | Однорядный конический роликовый подшипник. |
| 32004X/VB016 | Присоединительные размеры не соответствуют серии размеров ISO. Corner Radius At OR r1 1.0-1.4_ r2 1.0-1.9. |
| 32004X-9X018 | Измененные размеры границ. введенные пересмотренными стандартами ISO. |
| 32004X-90KA1 | Измененные размеры границ. введенные пересмотренными стандартами ISO. Assembly Code. |
| 32004X/QVB014 | Оптимизированная геометрия и специальная обработка контактных поверхностей. Присоединительные размеры не соответствуют серии размеров ISO. Комбинация VB003 = Радиус угла при IR r1 3.3-3.7 r2 3.3-4.2 и VB016 = радиус при вершине OR r1 1.0-1.4 r2 1.0-1.9 И Q6 = Уровень вибрации ниже нормального (заменяет C6). |
| 32004XSG | Размеры границ изменены в соответствии со стандартами ISO. Case Hardened Steel. |
| 32004XR | Размеры границ изменены в соответствии со стандартами ISO. |
| 32004P5 | Размерная и рабочая точность соответствует классу допуска ISO 5. |
| 32004-X-P5 | Размерная и рабочая точность соответствует классу допуска ISO 5. Внешние размеры соответствуют международным стандартам. |
| 32004-X-H | Pressed Snap-Type Steel Cage. Hardened. External Dimensions Matched To International Standards.. H =. |
| 4T-32004XDF | Цементованная сталь. |
| 32004XF | Однорядный конический роликовый подшипник. |
Модификации конического роликового подшипника 32004-X-XL — это измененное основное конструктивное исполнение 32004, основные размеры (20x42x15) не отличаются.
| Обозначение | Гост | Конструктивные особенности |
|---|---|---|
| XAA32004X-90KA1 | ISO | Измененные размеры границ. введенные пересмотренными стандартами ISO. Assembly Code. |
| HR32004XJ | ISO | Дорожки качения наружного кольца. угол контакта и ширина наружного кольца в соответствии с ISO. Серии размеров 20 и 29 — основные размеры соответствуют ISO/R355. Для конических роликоподшипников и радиальных шарикоподшипников. |
| 441652 | ISO | Однорядный конический роликовый подшипник. |
| 441652/VB037 | ISO | Отклонения основных размеров. |
| HI-CAP32004JR | ISO | Конический роликоподшипник. соответствующий стандарту ISO R355. Код внутренней конструкции (высокая грузоподъемность). |
| 535410 | ISO | Однорядный конический роликовый подшипник. |
| 4T-32004 | ISO | Однорядный конический роликовый подшипник. |
| 4T-32004X | ISO | Размеры границ изменены в соответствии со стандартами ISO. Цементованная сталь. |
| IR2038 | ISO | Однорядный конический роликовый подшипник. |
| IR2041 | ISO | Однорядный конический роликовый подшипник. |
| 10R-32004V-12UA | ISO | Однорядный конический роликовый подшипник. |
| 535410.32004 | ISO | Однорядный конический роликовый подшипник. |
| XAA32004X | ISO | (Конус/внутренняя дорожка и чашка/наружная дорожка) Суффикс имеет два значения 1) Подшипник со специальными характеристиками (невзаимозаменяемый с подшипниками. имеющими тот же номер базовой детали). 2) Подшипник ISO с теми же граничными размерами. что и у базовой детали. но с другой внутренней геометрией. Увеличение номинальных характеристик. |
| 4T-32004XP5 | ISO | Размерная и рабочая точность соответствует классу допуска ISO 5. Размеры границ изменены в соответствии со стандартами ISO. |
| 10R32004VC12UA | ISO | Конический роликовый подшипник. Модификация внутренней конструкции. Design Change Indices. |
Аналог конического роликового подшипника 32004-X-XL — это подшипник такого же размера dx20,Dx42,Bx15, типа и конструкции.
| Обозначение | Конструктивные особенности | Внутренний (d) | Наружный (D) | Ширина (B) |
|---|---|---|---|---|
| NU2004E | Однорядный цилиндрический роликовый подшипник. Шарикоподшипник или цилиндрический роликоподшипник c увеличенной грузоподъемностью. | 20.00 | 42.00 | 14.00 |
| 3004ZZ | Подшипник шариковый двухрядный радиально-упорный. Защитные металлические шайбы с обеих сторон. | 20.00 | 42.00 | 16.00 |
| NJ2004/C3 | Однорядный цилиндрический роликовый подшипник. Внутренний зазор больше нормального. | 20.00 | 42.00 | 14.00 |
| 2007104A | Роликовый радиальный-упорный однорядный подшипник. Двухрядный радиально-упорный шарикоподшипник без отверстия для смазки. | 20.00 | 42.00 | 15.00 |
| RN204-E-MPBX | Роликовый радиальный однорядный подшипник. Повышенная грузоподъемность. | 20.00 | 41.50 | 14.00 |
| E32004J | Роликовый радиальный-упорный однорядный подшипник. Дорожки качения наружного кольца. угол контакта и ширина наружного кольца в соответствии с ISO. | 20.00 | 42.00 | 15.00 |
| X32004X/YAA32004X | Роликовый радиальный-упорный однорядный подшипник. Измененные размеры границ. введенные пересмотренными стандартами ISO. | 20.00 | 42.00 | 15.00 |
| X32004X/Y32004X | Роликовый радиальный-упорный однорядный подшипник. Измененные размеры границ. введенные пересмотренными стандартами ISO. | 20.00 | 42.00 | 15.00 |
| XAA32004X/YAA32004X | Роликовый радиальный-упорный однорядный подшипник. Измененные размеры границ. введенные пересмотренными стандартами ISO. | 20.00 | 42.00 | 15.00 |
| XAA32004X/Y32004X | Роликовый радиальный-упорный однорядный подшипник. Измененные размеры границ. введенные пересмотренными стандартами ISO. | 20.00 | 42.00 | 15.00 |
| 3004-B-2Z-TVH | Шариковый радиально-упорный подшипник. Модифицированная внутренняя конструкция. Защитные металлические шайбы с обеих сторон подшипника. Твердая клетка из полиамида. | 20.00 | 42.00 | 16.00 |
| 3004-B-2RSR-TVH | Шариковый радиально-упорный подшипник. Модифицированная внутренняя конструкция. Твердая клетка из полиамида. Резиновые уплотнения с каждой стороны подшипника. | 20.00 | 42.00 | 16.00 |
| 5-2007104 А | Роликовый радиальный-упорный однорядный подшипник. Повышенная грузоподъемность. | 20.00 | 42.00 | 15.00 |
| 5-502704 Р | Роликовый радиальный однорядный подшипник. Детали из теплоустойчивой (быстрорежущие) стали.. | 20.00 | 42.00 | 16.00 |
| 6-2007104 А | Роликовый радиальный-упорный однорядный подшипник. Повышенная грузоподъемность. | 20.00 | 42.00 | 15.00 |
Способы доставки
Отправка через ведущие транспортные и курьерские компании: ПЭК, Деловые Линии, СДЭК, Байкал-Сервис, Энергия, КИТ, ЖелДорЭкспедиция.
Самовывоз возможен напрямую со склада в Москве.
Сроки доставки
Срок зависит от региона и выбранной транспортной компании. Все заказы комплектуются и отправляются в кратчайшие сроки со склада в Москве.
Надёжность и сохранность
Вся продукция упаковывается с учётом требований транспортировки. Мы гарантируем, что подшипники и комплектующие прибудут к заказчику в полной сохранности.
Доставка в страны ЕАЭС
Мы работаем с проверенными логистическими партнёрами, что позволяет оперативно доставлять заказы в Беларусь, Казахстан, Армению и другие страны ЕАЭС.
Варианты оплаты:
Минимальная сумма заказа и скидки:
Документы и гарантии:
Да, конечно! Наши технические специалисты готовы помочь вам с подбором точного аналога или замены подшипника. Просто позвоните нам по телефону +7 (495) 104-99-04 или напишите на почту zakaz@podsnab.ru.
Для оперативной консультации подготовьте, пожалуйста, имеющиеся данные: маркировку, размеры, тип оборудования или артикул старого подшипника.
Да, конечно! Мы высоко ценим долгосрочное сотрудничество и доверие клиентов по всей России. Для постоянных клиентов действует персональная система скидок.
Условия формируются индивидуально и зависят от:
Чтобы узнать свои условия и получить максимально выгодное предложение, свяжитесь с персональным менеджером или напишите нам на почту zakaz@podsnab.ru.
Вы можете оформить заказ несколькими способами:
Для оформления заказа от юридического лица свяжитесь с нашим отделом по работе с корпоративными клиентами по телефону +7 (495) 104-99-04 или напишите на email zakaz@podsnab.ru, прикрепив реквизиты вашей организации.
Мы оперативно подготовим коммерческое предложение и выставим счет.
Возврат товара надлежащего качества возможен в течение 10 дней с момента получения, если товар не был в употреблении, сохранен товарный вид, упаковка не вскрывалась и присутствуют все сопроводительные документы.
Возврат денежных средств осуществляется в течение 10 рабочих дней после проверки товара складом.
В соответствии с законодательством возврату не подлежат подшипники надлежащего качества, если отсутствует оригинальная упаковка или имеются следы монтажа.
В случае выявления брака или гарантийного случая мы гарантируем возврат или обмен товара.
Да, гарантийный срок хранения устанавливается заводом-изготовителем и в среднем составляет 2 года при соблюдении условий хранения: сухое помещение, оригинальная упаковка и смазка.
Точный срок для конкретного типа подшипника уточняйте у наших менеджеров.
Пн–Пт: с 8:00 до 17:00 (МСК).
Сб–Вс: выходные дни.
Заказы на сайте принимаются круглосуточно. Заявки, поступившие после окончания рабочего дня, обрабатываются на следующий рабочий день.
Минимальная сумма заказа для доставки составляет 3000 рублей. Самовывоз со склада возможен на любую сумму при наличии товара.
ООО «УралТехГрупп»
ИНН: 7415093830
КПП: 772401001
ОГРН: 1167456069021
Банк: ПАО Сбербанк
Р/с: 40702810838000475273
К/с: 30101810400000000225
БИК: 044525225
У подшипника 32004-X-XL пока нет отзывов. Вы можете стать первым покупателем, поделившимся своим мнением.