Поиск подшипника
Статьи
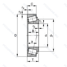
30212-XL — Однорядный конический роликовый подшипник, модификация основного исполнения 30212, производство FAG.
Размер подшипника: 60x110x23 мм.
Серия x live.
Аналоги: 30212-9X025 Timken,30212A FLT,30212A STW,30212 ISB,30212 NTB,30212 STW,30212 TAM.
Международная стандартизации ISO
30212XL
В наличии
| Обозначение | Конструктивные изменения |
|---|---|
| 30212U | Универсальный одиночный подшипник. |
| 30212A | Соответствует стандартам ISO с улучшенными характеристиками. |
| 30212J | Дорожки качения наружного кольца. угол контакта и ширина наружного кольца в соответствии с ISO. |
| 30212L | Одно механическое уплотнение. |
| 30212-90KA1 | Assembly Code. |
| 30212M-90KM1 | Подшипник с латунным сепаратором. центрированный по телам качения. |
| 30212-XL-DF-A100-140 | Серия X-Life премиум-класс. увеличиный срок службы. Два конических роликоподшипника. расположенных по схеме X. С промежуточным кольцом между наружными кольцами. Осевой зазор в мкм. |
| 30212-XL-P5 | Серия X Live. Размерная и рабочая точность соответствует классу допуска ISO 5. |
| 30212A.160.200 | Модификация внутренней конструкции. Clearance In µm. |
| 30212-A-N11CA-A100-140 | Модификация внутренней конструкции. Два Х-расположенных конических роликоподшипника. С прокладками между чашками. Осевой зазор в мкм. |
| 30212-A-N11CA-A100-14 | Модификация внутренней конструкции. Два Х-расположенных конических роликоподшипника. С прокладками между чашками. Distance In MM From Beginning Of The Rail Till The First Hole. |
| 30212J2/Q | Оптимизированная геометрия и специальная обработка контактных поверхностей. Штампованный стальной сепаратор. центрируемый по роликам. Число после J указывает на различные конструктивные исполнения сепаратора. |
| 30212AQ P5 | Измененный внутренний дизайн. Размерная и рабочая точность соответствует классу допуска ISO 5. Оптимизированная геометрия и специальная обработка контактных поверхностей. |
| 30212X/QCL7C | Присоединительные размеры не соответствуют серии размеров ISO. Высокоэффективная конструкция. |
| 30212DY | Конические роликоподшипники. произведенные в Корее и продаваемые под торговой маркой FAG. могут быть идентифицированы по суффиксу -DY/-DZ. |
| 30212-XL-DF-A75-110 | Серия X-Life премиум-класс. увеличиный срок службы. Два конических роликоподшипника. расположенных по схеме X. С промежуточным кольцом между наружными кольцами. Осевой зазор в мкм. |
| 30212J2/QW64 | Антифрикционный заполнитель. твердая смазка. Оптимизированная геометрия и специальная обработка контактных поверхностей. Штампованный стальной сепаратор. центрируемый по роликам. Число после J указывает на различные конструктивные исполнения сепаратора. |
| 30212 B22 | Измененный внутренний дизайн. |
| 30212JR | TAPERED ROLLER BEARING CONFORMING TO ISO R355 (SUB-UNIT. METRIC SERIES). EXAMPLE/ 30206JR. |
| 30212-A-N11CA | Модификация внутренней конструкции. Два Х-расположенных конических роликоподшипника. С прокладками между чашками. |
| 30212A J2 | Конический роликоподшипник с более высокой номинальной нагрузкой и более высокой предельной скоростью. Pressed Steel Cage. Rolling Element Centered. New Design For Single Row Tapered Roller Bearings. |
| 30212-H | Произведен в Китае. |
| 30212UP5 | Размерная и рабочая точность соответствует классу допуска ISO 5. Конические роликоподшипники с возможностью взаимозаменять друг друга. |
| 30212F | Сепаратор из обработанной стали или специального чугуна. |
| 30212CR | (TB-Segment) Phenolic (Composition) Fafnir Standard. |
Модификации конического роликового подшипника 30212-XL — это измененное основное конструктивное исполнение 30212, основные размеры (60x110x23) не отличаются.
| Обозначение | Гост | Конструктивные особенности |
|---|---|---|
| 397/394A | ISO | Однорядный конический роликовый подшипник. |
| 397/394AB | ISO | Однорядный конический роликовый подшипник. |
| 397/394AS | ISO | (Конус/внутренняя гонка и чашка/внешняя гонка) Различные отверстия. Наружный диаметр. Ширина или радиус отличаются от номера базовой детали. |
| 39236-99402 | ISO | Однорядный конический роликовый подшипник. |
| 397-99401 | ISO | Однорядный конический роликовый подшипник. |
| SET1020 | ISO | Однорядный конический роликовый подшипник. |
| 39236/39433 | ISO | Однорядный конический роликовый подшипник. |
| 4T-30212 | ISO | Цементованная сталь. |
| 397/394ABPREC.0 | ISO | (Cup/Outer Race) Flanged Outer Race (Non-Interchangeable With Basic Part Number). Precision Class 0. |
| VKHB2705MY | ISO | Механически обработанный латунный сепаратор. |
| HR30212J | ISO | Дорожки качения наружного кольца. угол контакта и ширина наружного кольца в соответствии с ISO. Для конических роликоподшипников и радиальных шарикоподшипников. |
| E30212J | ISO | Взаимозаменяемые кольца конического роликоподшипника. |
Аналог конического роликового подшипника 30212-XL — это подшипник такого же размера dx60,Dx110,Bx23, типа и конструкции.
| Обозначение | Конструктивные особенности | Внутренний (d) | Наружный (D) | Ширина (B) |
|---|---|---|---|---|
| 5-46212 АЛ | Шариковый радиально-упорный однорядный подшипник. Сепаратор из латуни.. Повышенная грузоподъемность. | 60.00 | 110.00 | 22.00 |
| 5-46212 Е | Шариковый радиально-упорный однорядный подшипник. Сепаратор из текстолита.. | 60.00 | 110.00 | 22.00 |
| 5-46212 К | Шариковый радиально-упорный однорядный подшипник. «Замок» (скос) на внутреннем кольце плюс массивный сепаратор из текстолита. | 60.00 | 110.00 | 22.00 |
| 5-46212 Л | Шариковый радиально-упорный однорядный подшипник. Сепаратор из латуни.. | 60.00 | 110.00 | 22.00 |
| 5-66212 Е | Шариковый радиально-упорный однорядный подшипник. Сепаратор из текстолита.. | 60.00 | 110.00 | 22.00 |
| 5-7212 А | Роликовый радиальный-упорный однорядный подшипник. Повышенная грузоподъемность. | 60.00 | 110.00 | 23.75 |
| 50212-А | Шариковый радиальный однорядный подшипник. Повышенная грузоподъемность. | 60.00 | 110.00 | 22.00 |
| 50212-АК | Шариковый радиальный однорядный подшипник. Повышенная грузоподъемность. | 60.00 | 110.00 | 22.00 |
| 50312-АК2 | Шариковый радиальный однорядный подшипник. Повышенная грузоподъемность. | 60.00 | 110.00 | 22.00 |
| 56-12212 КМ | Роликовый радиальный однорядный подшипник. Модифицированный контакт.. | 60.00 | 110.00 | 22.00 |
| 6-102212 М | Роликовый радиальный однорядный подшипник. Модифицированный контакт.. | 60.00 | 110.00 | 22.00 |
| 6-12212 КМ | Роликовый радиальный однорядный подшипник. Кольцевая проточка на середине цилиндрической наружной поверхности наружного кольца плюс три отверстия для смазки. Модифицированный контакт.. | 60.00 | 110.00 | 22.00 |
| 6-126212 Ю | Шариковый радиально-упорный однорядный подшипник. Все детали или часть деталей из нержавеющей стали.. | 60.00 | 110.00 | 22.00 |
| 6-126212 Ю1 | Шариковый радиально-упорный однорядный подшипник. Все детали или часть деталей из нержавеющей стали.. | 60.00 | 110.00 | 22.00 |
| 6-180212 Ш1У | Шариковый радиальный однорядный подшипник. Дополнительные технические требования. Нормы шумности. | 60.00 | 110.00 | 22.00 |
Способы доставки
Отправка через ведущие транспортные и курьерские компании: ПЭК, Деловые Линии, СДЭК, Байкал-Сервис, Энергия, КИТ, ЖелДорЭкспедиция.
Самовывоз возможен напрямую со склада в Москве.
Сроки доставки
Срок зависит от региона и выбранной транспортной компании. Все заказы комплектуются и отправляются в кратчайшие сроки со склада в Москве.
Надёжность и сохранность
Вся продукция упаковывается с учётом требований транспортировки. Мы гарантируем, что подшипники и комплектующие прибудут к заказчику в полной сохранности.
Доставка в страны ЕАЭС
Мы работаем с проверенными логистическими партнёрами, что позволяет оперативно доставлять заказы в Беларусь, Казахстан, Армению и другие страны ЕАЭС.
Варианты оплаты:
Минимальная сумма заказа и скидки:
Документы и гарантии:
Да, конечно! Наши технические специалисты готовы помочь вам с подбором точного аналога или замены подшипника. Просто позвоните нам по телефону +7 (495) 104-99-04 или напишите на почту zakaz@podsnab.ru.
Для оперативной консультации подготовьте, пожалуйста, имеющиеся данные: маркировку, размеры, тип оборудования или артикул старого подшипника.
Да, конечно! Мы высоко ценим долгосрочное сотрудничество и доверие клиентов по всей России. Для постоянных клиентов действует персональная система скидок.
Условия формируются индивидуально и зависят от:
Чтобы узнать свои условия и получить максимально выгодное предложение, свяжитесь с персональным менеджером или напишите нам на почту zakaz@podsnab.ru.
Вы можете оформить заказ несколькими способами:
Для оформления заказа от юридического лица свяжитесь с нашим отделом по работе с корпоративными клиентами по телефону +7 (495) 104-99-04 или напишите на email zakaz@podsnab.ru, прикрепив реквизиты вашей организации.
Мы оперативно подготовим коммерческое предложение и выставим счет.
Возврат товара надлежащего качества возможен в течение 10 дней с момента получения, если товар не был в употреблении, сохранен товарный вид, упаковка не вскрывалась и присутствуют все сопроводительные документы.
Возврат денежных средств осуществляется в течение 10 рабочих дней после проверки товара складом.
В соответствии с законодательством возврату не подлежат подшипники надлежащего качества, если отсутствует оригинальная упаковка или имеются следы монтажа.
В случае выявления брака или гарантийного случая мы гарантируем возврат или обмен товара.
Да, гарантийный срок хранения устанавливается заводом-изготовителем и в среднем составляет 2 года при соблюдении условий хранения: сухое помещение, оригинальная упаковка и смазка.
Точный срок для конкретного типа подшипника уточняйте у наших менеджеров.
Пн–Пт: с 8:00 до 17:00 (МСК).
Сб–Вс: выходные дни.
Заказы на сайте принимаются круглосуточно. Заявки, поступившие после окончания рабочего дня, обрабатываются на следующий рабочий день.
Минимальная сумма заказа для доставки составляет 3000 рублей. Самовывоз со склада возможен на любую сумму при наличии товара.
ООО «УралТехГрупп»
ИНН: 7415093830
КПП: 772401001
ОГРН: 1167456069021
Банк: ПАО Сбербанк
Р/с: 40702810838000475273
К/с: 30101810400000000225
БИК: 044525225
У подшипника 30212-XL пока нет отзывов. Вы можете стать первым покупателем, поделившимся своим мнением.