Поиск подшипника
Статьи
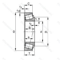
KHM88649-HM88610 — Однорядный конический роликовый подшипник, модификация основного исполнения KHM88649, производство FAG.
Размер подшипника: 34x72x25 мм.
Альтернативное обозначение: HM88649/610, HM88649/HM88610, HM88649-99401 (-70711), HM88649-99408 (-70016), KHM88649-610.
Аналоги: HM88649/HM88610 Timken,HM88649/2/610/2/QCL7A SKF,HM88649/HM88610 NSK.
Международная стандартизации ISO
KHM88649HM88610
В наличии
| Обозначение | Конструктивные изменения |
|---|---|
| KHM88649-HM88610-CZ | Однорядный конический роликовый подшипник. |
Модификации конического роликового подшипника KHM88649-HM88610 — это измененное основное конструктивное исполнение KHM88649, основные размеры (34x72x25) не отличаются.
| Обозначение | Гост | Конструктивные особенности |
|---|---|---|
| HM88649/HM88610 | ISO | Механически обработанный латунный сепаратор. |
| HM88649/2/610/2/QCL7A | ISO | Оптимизированная геометрия и специальная обработка контактных поверхностей. Standard Tolerance For Inch Cone And Cup +0.050mm. ISO Tolerance Class ABEC.9. High-Performance Design For Pinion Bearing Arrangements (Superseded By CL7C). (100% Interchangeable With Basic Designation). |
| 32207-XL | ISO | Серия X Live. |
| HR32207CN | ISO | Нормальный уровень радиального внутреннего зазора (не маркируется). |
| HR32207CJ | ISO | Стальной сепаратор из двух частей оконного типа. |
| HM88649/HM88610A | ISO | (Чаша/внешняя поверхность) отличается по наружному диаметру/радиусу/ширине от номера базовой детали. |
| HM88649/HM88611AS | ISO | (Конус/внутренняя гонка и чашка/внешняя гонка) Различные отверстия. Наружный диаметр. Ширина или радиус отличаются от номера базовой детали. |
| HR32207J | ISO | Дорожки качения наружного кольца. угол контакта и ширина наружного кольца в соответствии с ISO. Для конических роликоподшипников и радиальных шарикоподшипников. |
| 32207J2 | ISO | Штампованный стальной сепаратор. центрируемый по роликам. Число после J указывает на различные конструктивные исполнения сепаратора. |
| 32207JA | ISO | Прессованный сепаратор из незакаленной листовой стали, центрировано по внешнему кольцу. |
| HI-CAP32207JR | ISO | Конический роликоподшипник. соответствующий стандарту ISO R355. Код внутренней конструкции (высокая грузоподъемность). |
| 100035/100072C | ISO | Flanged Cup. |
| 4T-HM88649/HM88610PX1 | ISO | Специальный допуск. |
| 32207DY | ISO | Конические роликоподшипники. произведенные в Корее и продаваемые под торговой маркой FAG. могут быть идентифицированы по суффиксу -DY/-DZ. |
| 25JT5 32207-ENH | ISO | Enhanced. |
| 4T-32207 | ISO | Цементованная сталь. |
| VKHB2712MY | ISO | Механически обработанный латунный сепаратор. |
| 32207B | ISO | Конический роликовый подшипник. Угол контакта 20 градусов. |
| 32207-H | ISO | Произведен в Китае. |
| 4T-32207P5 | ISO | Размерная и рабочая точность соответствует классу допуска ISO 5. |
| 32207U | ISO | Универсальный одиночный подшипник. |
| 32207CN | ISO | Нормальный уровень радиального внутреннего зазора (не маркируется). |
Аналог конического роликового подшипника KHM88649-HM88610 — это подшипник такого же размера dx34,Dx72,Bx25, типа и конструкции.
| Обозначение | Конструктивные особенности | Внутренний (d) | Наружный (D) | Ширина (B) |
|---|---|---|---|---|
| DG3572DWRKCS27 | Шариковый радиальный однорядный подшипник. Угол контакта 20 градусов. | 35.00 | 72.00 | 26.00 |
| 6-7507 А1 | Роликовый радиальный-упорный однорядный подшипник. Повышенная грузоподъемность. | 35.00 | 72.00 | 24.25 |
| 6-7507 Х1 | Роликовый радиальный-упорный однорядный подшипник. Кольца и тела качения или только кольца (в том числе одно кольцо) из цементируемой стали.. | 35.00 | 72.00 | 24.25 |
| 7507-А1 | Роликовый радиальный-упорный однорядный подшипник. Повышенная грузоподъемность. | 35.00 | 72.00 | 24.25 |
| HM88649A/HM88610 | Роликовый радиальный-упорный однорядный подшипник. Двухрядный радиально-упорный шарикоподшипник без отверстия для смазки. | 34.92 | 72.23 | 25.40 |
| 32207F | Роликовый радиальный-упорный однорядный подшипник. Сепаратор из обработанной стали или специального чугуна. | 35.00 | 72.00 | 24.25 |
| 100034X/100072C | Роликовый радиальный-упорный однорядный подшипник. 15° Угол контакта. | 34.92 | 72.00 | 24.25 |
| HC ST3572 ALFT | Роликовый радиальный-упорный однорядный подшипник. Угол контакта 20 градусов. | 34.93 | 72.23 | 25.40 |
| LG35=1 | Шариковый радиальный однорядный подшипник. Number Of Carriages Per Rail Track. | 35.00 | 72.00 | 24.00 |
| TM-SC0791LC4/5A | Шариковый радиальный однорядный подшипник. Механически обработанный сепаратор. Внутренний радиальный зазор С4. Уплотнение из полиакрила. | 35.00 | 72.00 | 24.00 |
| BB1-1618 TN9 | Шариковый радиальный однорядный подшипник. Литой защелкивающийся сепаратор из полиамида. армированного стекловолокном 6.6. | 35.00 | 72.00 | 25.00 |
| RA105RRB | Шариковый радиальный однорядный подшипник. Два резиновых уплотнения Land Riding со сферическим наружным диаметром (B). | 33.34 | 72.00 | 25.40 |
| RA105RR | Шариковый радиальный однорядный подшипник. С выпуклыми асимметричными роликами. Обработанный сепаратор штыревого типа из медного сплава. С центральным ребром. С ребрами с двух сторон (для предотвращения падения роликов). | 33.34 | 72.00 | 25.40 |
| GRA105RRB | Шариковый радиальный однорядный подшипник. Два резиновых уплотнения Land Riding со сферическим наружным диаметром (B). | 33.34 | 72.00 | 25.40 |
| GRAE35RR | Шариковый радиальный однорядный подшипник. С выпуклыми асимметричными роликами. Обработанный сепаратор штыревого типа из медного сплава. С центральным ребром. С ребрами с двух сторон (для предотвращения падения роликов). | 35.00 | 72.00 | 25.40 |
Способы доставки
Отправка через ведущие транспортные и курьерские компании: ПЭК, Деловые Линии, СДЭК, Байкал-Сервис, Энергия, КИТ, ЖелДорЭкспедиция.
Самовывоз возможен напрямую со склада в Москве.
Сроки доставки
Срок зависит от региона и выбранной транспортной компании. Все заказы комплектуются и отправляются в кратчайшие сроки со склада в Москве.
Надёжность и сохранность
Вся продукция упаковывается с учётом требований транспортировки. Мы гарантируем, что подшипники и комплектующие прибудут к заказчику в полной сохранности.
Доставка в страны ЕАЭС
Мы работаем с проверенными логистическими партнёрами, что позволяет оперативно доставлять заказы в Беларусь, Казахстан, Армению и другие страны ЕАЭС.
Варианты оплаты:
Минимальная сумма заказа и скидки:
Документы и гарантии:
Да, конечно! Наши технические специалисты готовы помочь вам с подбором точного аналога или замены подшипника. Просто позвоните нам по телефону +7 (495) 104-99-04 или напишите на почту zakaz@podsnab.ru.
Для оперативной консультации подготовьте, пожалуйста, имеющиеся данные: маркировку, размеры, тип оборудования или артикул старого подшипника.
Да, конечно! Мы высоко ценим долгосрочное сотрудничество и доверие клиентов по всей России. Для постоянных клиентов действует персональная система скидок.
Условия формируются индивидуально и зависят от:
Чтобы узнать свои условия и получить максимально выгодное предложение, свяжитесь с персональным менеджером или напишите нам на почту zakaz@podsnab.ru.
Вы можете оформить заказ несколькими способами:
Для оформления заказа от юридического лица свяжитесь с нашим отделом по работе с корпоративными клиентами по телефону +7 (495) 104-99-04 или напишите на email zakaz@podsnab.ru, прикрепив реквизиты вашей организации.
Мы оперативно подготовим коммерческое предложение и выставим счет.
Возврат товара надлежащего качества возможен в течение 10 дней с момента получения, если товар не был в употреблении, сохранен товарный вид, упаковка не вскрывалась и присутствуют все сопроводительные документы.
Возврат денежных средств осуществляется в течение 10 рабочих дней после проверки товара складом.
В соответствии с законодательством возврату не подлежат подшипники надлежащего качества, если отсутствует оригинальная упаковка или имеются следы монтажа.
В случае выявления брака или гарантийного случая мы гарантируем возврат или обмен товара.
Да, гарантийный срок хранения устанавливается заводом-изготовителем и в среднем составляет 2 года при соблюдении условий хранения: сухое помещение, оригинальная упаковка и смазка.
Точный срок для конкретного типа подшипника уточняйте у наших менеджеров.
Пн–Пт: с 8:00 до 17:00 (МСК).
Сб–Вс: выходные дни.
Заказы на сайте принимаются круглосуточно. Заявки, поступившие после окончания рабочего дня, обрабатываются на следующий рабочий день.
Минимальная сумма заказа для доставки составляет 3000 рублей. Самовывоз со склада возможен на любую сумму при наличии товара.
ООО «УралТехГрупп»
ИНН: 7415093830
КПП: 772401001
ОГРН: 1167456069021
Банк: ПАО Сбербанк
Р/с: 40702810838000475273
К/с: 30101810400000000225
БИК: 044525225
У подшипника KHM88649-HM88610 пока нет отзывов. Вы можете стать первым покупателем, поделившимся своим мнением.