Поиск подшипника
Статьи
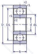
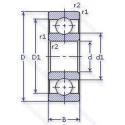
61856-MA — Подшипник однорядный шариковый радиальный, модификация основного исполнения 61856, выпускается производителями: FAG, NKE, SKF.
Размер подшипника: 280x350x33 мм.
Механически обработанный латунный сепаратор. центрирование по внешнему кольцу.
Международная стандартизации ISO
61856MA
В наличии
| Обозначение | Конструктивные изменения |
|---|---|
| 61856TN9/W64 | Литой защелкивающийся сепаратор из полиамида. армированного стекловолокном 6.6. Антифрикционный заполнитель. твердая смазка. |
| 61856 | Подшипник однорядный шариковый радиальный. Основное конструктивное исполнение. |
| 61856-M-C3 | Внутренний зазор больше нормального. Подшипник с латунным сепаратором. центрированный по телам качения. |
| 61856-HLU | Код местонахождения завода. может использоваться в стандартной комплектации. |
| 61856C3 | Внутренний зазор больше нормального. |
| 61856M | Подшипник с латунным сепаратором. центрированный по телам качения. |
| 61856K.F | Коническое отверстие. конус 1/12. Сепаратор из обработанной стали или специального чугуна. |
| 61856-C5 | Внутренний зазор подшипника больше. чем С4. |
| 61856-HLU-C3 | Внутренний зазор больше нормального. Код местонахождения завода. может использоваться в стандартной комплектации. |
| 61856-MA-C3 | Внутренний зазор больше нормального. Механически обработанный латунный сепаратор. Центрирование по внешнему кольцу. |
| 61856-S1-C3 | Внутренний зазор больше нормального. Кольца подшипников или шайбы, стабилизированные по размерам для использования при рабочих температурах до +200°C (392°F).. |
| 61856MB | Механически обработанный латунный сепаратор. направляющий по внутреннему кольцу. |
| 61856K.J21 | Коническое отверстие. конус 1/12. |
| 61856MB C3 | Внутренний зазор больше нормального. Механически обработанный латунный сепаратор. направляющий по внутреннему кольцу. |
| 61856MBS C4 S1 | Внутренний зазор подшипника больше. чем C3. Стабильность размеров при рабочих температурах до +200°C. Механически обработанный латунный сепаратор. Направляющие внутреннего кольца. Со смазочными канавками на направляющих поверхностях. |
| 61856-C2 | Внутренний зазор подшипника меньше нормального. |
| 61856M C4 | Внутренний зазор подшипника больше. чем C3. Механически обработанный латунный сепаратор .Расположенный на элементах качения. |
| 61856 2BRS | Бесконтактные лабиринтные уплотнения с обеих сторон. |
| 61856 2RS | Резиновые уплотнения с каждой стороны подшипника. |
| 61856 2URS | Специальное манжетное уплотнение с обеих сторон подшипника. |
| 61856 2Z | Защитные металлические шайбы с обеих сторон подшипника. |
| 61856 BRS | Бесконтактные лабиринтные уплотнения с одной стороны. |
| 61856 RS | Резиновое уплотнение с одной стороны. |
| 61856 URS | Подшипник однорядный шариковый радиальный. |
| 61856 Z | щит из листовой прессованной стали с одной стороны подшипника. |
Модификации шарикового подшипника 61856-MA — это измененное основное конструктивное исполнение 61856, основные размеры (280x350x33) не отличаются.
| Обозначение | Гост | Конструктивные особенности |
|---|---|---|
| 6856MB C3 | ISO | Внутренний зазор больше нормального. Обработанный латунный сепаратор. Центрированное внутреннее кольцо. |
| 6856 | ISO | Подшипник однорядный шариковый радиальный. |
| 6856M | ISO | Механически обработанный латунный сепаратор .Расположенный на элементах качения. |
| F-HC808547.KL | ISO | Подшипник однорядный шариковый радиальный. |
| HC808547-C3 | ISO | Внутренний зазор больше нормального. |
Аналог шарикового подшипника 61856-MA — это подшипник такого же размера dx280,Dx350,Bx33, типа и конструкции.
| Обозначение | Конструктивные особенности | Внутренний (d) | Наружный (D) | Ширина (B) |
|---|---|---|---|---|
| SL18-1856V C3 | Однорядный цилиндрический роликовый подшипник. Внутренний зазор больше нормального. Бессепараторный или полностью выпуклый. | 280.00 | 350.00 | 33.00 |
| SL181856-BR-E-C3 | Однорядный цилиндрический роликовый подшипник. Внутренний зазор больше нормального. Повышенная грузоподъемность. Чёрный цвет. | 280.00 | 350.00 | 33.00 |
| SL18-1856E | Однорядный цилиндрический роликовый подшипник. Повышенная грузоподъемность. | 280.00 | 350.00 | 33.00 |
| SL181856-E-BR | Однорядный цилиндрический роликовый подшипник. Повышенная грузоподъемность. Чёрный цвет. | 280.00 | 350.00 | 33.00 |
| SL181856-E-C2 | Однорядный цилиндрический роликовый подшипник. Внутренний зазор подшипника меньше нормального. Повышенная грузоподъемность. | 280.00 | 350.00 | 33.00 |
| SL181856-E-IR/T-CN/3L | Однорядный цилиндрический роликовый подшипник. Повышенная грузоподъемность. Нормальный радиальный внутренний зазор. Clearance Range Corresponding To The Lower Half Of The Actual Clearance Range. Канавки во внутреннем кольце находятся со стороны стопорного кольца. | 280.00 | 350.00 | 33.00 |
| SL18-1856C3 | Однорядный цилиндрический роликовый подшипник. Внутренний зазор больше нормального. | 280.00 | 350.00 | 33.00 |
| SL181856-E-C3 | Однорядный цилиндрический роликовый подшипник. Внутренний зазор больше нормального. Повышенная грузоподъемность. | 280.00 | 350.00 | 33.00 |
| B71856-E-TPA-P4-UL | Подшипник шариковый однорядный радиально-упорный. Универсальный монтаж и легкий преднатяг. Сепаратор из текстильной ламинированной фенольной смолы. 25° Угол контакта. Точность размеров и хода соответствует классу допуска ISO 4 (точнее. чем P5) — Abec-7. | 280.00 | 350.00 | 33.00 |
| 7856A | Шариковый радиально-упорный однорядный подшипник. Двухрядный радиально-упорный шарикоподшипник без отверстия для смазки. | 280.00 | 350.00 | 33.00 |
| 7856B | Шариковый радиально-упорный однорядный подшипник. Конический роликовый подшипник. Угол контакта 20 градусов. | 280.00 | 350.00 | 33.00 |
| 1000856-Л | Шариковый радиальный однорядный подшипник. Сепаратор из латуни.. | 280.00 | 350.00 | 33.00 |
| 1000856Л1 | Шариковый радиальный однорядный подшипник. Сепаратор из латуни.. | 280.00 | 350.00 | 33.00 |
| 26-1000856 Л1 | Шариковый радиальный однорядный подшипник. Сепаратор из латуни.. | 280.00 | 350.00 | 33.00 |
| 6-1000856-Л1 | Шариковый радиальный однорядный подшипник. Сепаратор из латуни.. | 280.00 | 350.00 | 33.00 |
Способы доставки
Отправка через ведущие транспортные и курьерские компании: ПЭК, Деловые Линии, СДЭК, Байкал-Сервис, Энергия, КИТ, ЖелДорЭкспедиция.
Самовывоз возможен напрямую со склада в Москве.
Сроки доставки
Срок зависит от региона и выбранной транспортной компании. Все заказы комплектуются и отправляются в кратчайшие сроки со склада в Москве.
Надёжность и сохранность
Вся продукция упаковывается с учётом требований транспортировки. Мы гарантируем, что подшипники и комплектующие прибудут к заказчику в полной сохранности.
Доставка в страны ЕАЭС
Мы работаем с проверенными логистическими партнёрами, что позволяет оперативно доставлять заказы в Беларусь, Казахстан, Армению и другие страны ЕАЭС.
Варианты оплаты:
Минимальная сумма заказа и скидки:
Документы и гарантии:
Да, конечно! Наши технические специалисты готовы помочь вам с подбором точного аналога или замены подшипника. Просто позвоните нам по телефону +7 (495) 104-99-04 или напишите на почту zakaz@podsnab.ru.
Для оперативной консультации подготовьте, пожалуйста, имеющиеся данные: маркировку, размеры, тип оборудования или артикул старого подшипника.
Да, конечно! Мы высоко ценим долгосрочное сотрудничество и доверие клиентов по всей России. Для постоянных клиентов действует персональная система скидок.
Условия формируются индивидуально и зависят от:
Чтобы узнать свои условия и получить максимально выгодное предложение, свяжитесь с персональным менеджером или напишите нам на почту zakaz@podsnab.ru.
Вы можете оформить заказ несколькими способами:
Для оформления заказа от юридического лица свяжитесь с нашим отделом по работе с корпоративными клиентами по телефону +7 (495) 104-99-04 или напишите на email zakaz@podsnab.ru, прикрепив реквизиты вашей организации.
Мы оперативно подготовим коммерческое предложение и выставим счет.
Возврат товара надлежащего качества возможен в течение 10 дней с момента получения, если товар не был в употреблении, сохранен товарный вид, упаковка не вскрывалась и присутствуют все сопроводительные документы.
Возврат денежных средств осуществляется в течение 10 рабочих дней после проверки товара складом.
В соответствии с законодательством возврату не подлежат подшипники надлежащего качества, если отсутствует оригинальная упаковка или имеются следы монтажа.
В случае выявления брака или гарантийного случая мы гарантируем возврат или обмен товара.
Да, гарантийный срок хранения устанавливается заводом-изготовителем и в среднем составляет 2 года при соблюдении условий хранения: сухое помещение, оригинальная упаковка и смазка.
Точный срок для конкретного типа подшипника уточняйте у наших менеджеров.
Пн–Пт: с 8:00 до 17:00 (МСК).
Сб–Вс: выходные дни.
Заказы на сайте принимаются круглосуточно. Заявки, поступившие после окончания рабочего дня, обрабатываются на следующий рабочий день.
Минимальная сумма заказа для доставки составляет 3000 рублей. Самовывоз со склада возможен на любую сумму при наличии товара.
ООО «УралТехГрупп»
ИНН: 7415093830
КПП: 772401001
ОГРН: 1167456069021
Банк: ПАО Сбербанк
Р/с: 40702810838000475273
К/с: 30101810400000000225
БИК: 044525225
У подшипника 61856-MA пока нет отзывов. Вы можете стать первым покупателем, поделившимся своим мнением.