Поиск подшипника
Статьи
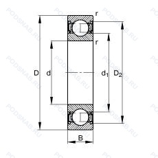
62310.2RSR — Подшипник однорядный шариковый радиальный, модификация основного исполнения 62310, выпускается производителями: FAG, SLF FRAUREUTH.
Размер подшипника: 50x110x40 мм.
Резиновые уплотнения с каждой стороны подшипника.
Аналоги: 62310-2RSR FAG,62310-2RS1 SKF,62310-2RSR NKE,62310 2RS FBJ,62310 2RS CFC.
Международная стандартизации ISO
623102RSR
В наличии
| Обозначение | Конструктивные изменения |
|---|---|
| 62310-2RS1 | Усиленные листовой сталью контактные уплотнения из акрилонитрил-бутадиенового каучука (NBR) с обеих сторон подшипника. |
| 62310 2RS C3 | Внутренний зазор больше нормального. Резиновые уплотнения с каждой стороны подшипника. |
| 62310 | Подшипник однорядный шариковый радиальный. Основное конструктивное исполнение. |
| 62310 2RS | Контактные уплотнения типа RS с обеих сторон игольчатого роликоподшипника. |
| 62310-2RS1/C3 | Внутренний зазор больше нормального. Усиленные листовой сталью контактные уплотнения из акрилонитрил-бутадиенового каучука (NBR) с обеих сторон подшипника. |
| 62310-2RSR-C3 | Внутренний зазор больше нормального. Резиновые уплотнения с каждой стороны подшипника. |
Модификации шарикового подшипника 62310.2RSR — это измененное основное конструктивное исполнение 62310, основные размеры (50x110x40) не отличаются.
| Обозначение | Гост | Конструктивные особенности |
|---|---|---|
| 4310 ATN | ISO | Подшипник однорядный шариковый радиальный. |
| BL50 | ISO | Подшипник однорядный шариковый радиальный. |
Аналог шарикового подшипника 62310.2RSR — это подшипник такого же размера dx50,Dx110,Bx40, типа и конструкции.
| Обозначение | Конструктивные особенности | Внутренний (d) | Наружный (D) | Ширина (B) |
|---|---|---|---|---|
| UK310D1 | Шариковый радиальный однорядный подшипник. Не требующий обслуживания тип. | 50.00 | 110.00 | 41.00 |
| 180610-АК2 | Шариковый радиальный однорядный подшипник. Повышенная грузоподъемность. | 50.00 | 110.00 | 40.00 |
| 2310E-2RS1KTN9 | Шариковый сферический двухрядный подшипник. Повышенная грузоподъемность. | 50.00 | 110.00 | 40.00 |
| NJ 2310 ECPH | Роликовый радиальный однорядный подшипник. Однорядный цилиндрический роликовый подшипник. | 50.00 | 110.00 | 40.00 |
| NU 2310 ECPH | Роликовый радиальный однорядный подшипник. Однорядный цилиндрический роликовый подшипник. | 50.00 | 110.00 | 40.00 |
| 42610-Л | Роликовый радиальный однорядный подшипник. Сепаратор из латуни.. | 50.00 | 110.00 | 40.00 |
| 42610-М | Роликовый радиальный однорядный подшипник. Модифицированный контакт.. | 50.00 | 110.00 | 40.00 |
| 512610-МУ | Роликовый радиальный цилиндрический подшипник. Дополнительные технические требования. Модифицированный контакт.. | 50.00 | 110.00 | 40.00 |
| 53610-Е | Роликовый радиальный двухрядный подшипник. Сепаратор из текстолита.. | 50.00 | 110.00 | 40.00 |
| 53610-К | Роликовый радиальный двухрядный подшипник. Кольцевая проточка на середине цилиндрической наружной поверхности наружного кольца плюс три отверстия для смазки. | 50.00 | 110.00 | 40.00 |
| 53610-КБ2 | Роликовый радиальный двухрядный подшипник. Сепаратор из безоловянистой бронзы.. | 50.00 | 110.00 | 40.00 |
| 53610-Л | Роликовый радиальный двухрядный подшипник. Сепаратор из латуни.. | 50.00 | 110.00 | 40.00 |
| 53610-Н | Роликовый радиальный двухрядный подшипник. Детали из теплостойкой стали. | 50.00 | 110.00 | 40.00 |
| 53610-НЕ | Роликовый радиальный двухрядный подшипник. Сепаратор из текстолита.. Детали из теплостойкой стали. | 50.00 | 110.00 | 40.00 |
| 53610-У | Роликовый радиальный двухрядный подшипник. Дополнительные технические требования. | 50.00 | 110.00 | 40.00 |
Способы доставки
Отправка через ведущие транспортные и курьерские компании: ПЭК, Деловые Линии, СДЭК, Байкал-Сервис, Энергия, КИТ, ЖелДорЭкспедиция.
Самовывоз возможен напрямую со склада в Москве.
Сроки доставки
Срок зависит от региона и выбранной транспортной компании. Все заказы комплектуются и отправляются в кратчайшие сроки со склада в Москве.
Надёжность и сохранность
Вся продукция упаковывается с учётом требований транспортировки. Мы гарантируем, что подшипники и комплектующие прибудут к заказчику в полной сохранности.
Доставка в страны ЕАЭС
Мы работаем с проверенными логистическими партнёрами, что позволяет оперативно доставлять заказы в Беларусь, Казахстан, Армению и другие страны ЕАЭС.
Варианты оплаты:
Минимальная сумма заказа и скидки:
Документы и гарантии:
Да, конечно! Наши технические специалисты готовы помочь вам с подбором точного аналога или замены подшипника. Просто позвоните нам по телефону +7 (495) 104-99-04 или напишите на почту zakaz@podsnab.ru.
Для оперативной консультации подготовьте, пожалуйста, имеющиеся данные: маркировку, размеры, тип оборудования или артикул старого подшипника.
Да, конечно! Мы высоко ценим долгосрочное сотрудничество и доверие клиентов по всей России. Для постоянных клиентов действует персональная система скидок.
Условия формируются индивидуально и зависят от:
Чтобы узнать свои условия и получить максимально выгодное предложение, свяжитесь с персональным менеджером или напишите нам на почту zakaz@podsnab.ru.
Вы можете оформить заказ несколькими способами:
Для оформления заказа от юридического лица свяжитесь с нашим отделом по работе с корпоративными клиентами по телефону +7 (495) 104-99-04 или напишите на email zakaz@podsnab.ru, прикрепив реквизиты вашей организации.
Мы оперативно подготовим коммерческое предложение и выставим счет.
Возврат товара надлежащего качества возможен в течение 10 дней с момента получения, если товар не был в употреблении, сохранен товарный вид, упаковка не вскрывалась и присутствуют все сопроводительные документы.
Возврат денежных средств осуществляется в течение 10 рабочих дней после проверки товара складом.
В соответствии с законодательством возврату не подлежат подшипники надлежащего качества, если отсутствует оригинальная упаковка или имеются следы монтажа.
В случае выявления брака или гарантийного случая мы гарантируем возврат или обмен товара.
Да, гарантийный срок хранения устанавливается заводом-изготовителем и в среднем составляет 2 года при соблюдении условий хранения: сухое помещение, оригинальная упаковка и смазка.
Точный срок для конкретного типа подшипника уточняйте у наших менеджеров.
Пн–Пт: с 8:00 до 17:00 (МСК).
Сб–Вс: выходные дни.
Заказы на сайте принимаются круглосуточно. Заявки, поступившие после окончания рабочего дня, обрабатываются на следующий рабочий день.
Минимальная сумма заказа для доставки составляет 3000 рублей. Самовывоз со склада возможен на любую сумму при наличии товара.
ООО «УралТехГрупп»
ИНН: 7415093830
КПП: 772401001
ОГРН: 1167456069021
Банк: ПАО Сбербанк
Р/с: 40702810838000475273
К/с: 30101810400000000225
БИК: 044525225
У подшипника 62310.2RSR пока нет отзывов. Вы можете стать первым покупателем, поделившимся своим мнением.