Поиск подшипника
Статьи
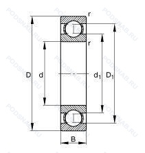
61826-2RS-Y — Подшипник однорядный шариковый радиальный, модификация основного исполнения 61826, выпускается производителями: INA, NEUTRAL.
Размер подшипника: 130x165x18 мм.
Резиновые уплотнения с каждой стороны подшипника, сепаратор из прессованной латуни. центрирование шарика.
Альтернативное обозначение: 6826 2RS Y.
Международная стандартизации ISO
618262RSY
В наличии
| Обозначение | Конструктивные изменения |
|---|---|
| 61826-2RS1/W64 | Усиленные листовой сталью контактные уплотнения из акрилонитрил-бутадиенового каучука (NBR) с обеих сторон подшипника. Антифрикционный заполнитель. твердая смазка. |
| 61826 2RS | Контактные уплотнения типа RS с обеих сторон игольчатого роликоподшипника. |
| 61826-2RS-HLU-C3 | Внутренний зазор больше нормального. Резиновые уплотнения с каждой стороны подшипника. Код местонахождения завода. может использоваться в стандартной комплектации. |
| 61826ZZ | Защитные металлические шайбы (бесконтактные уплотнения) с обеих сторон подшипника. |
| 61826-Y | Штампованный латунный фиксатор. Направляемые элементы качения. |
| 61826-2RS1 | Усиленные листовой сталью контактные уплотнения из акрилонитрил-бутадиенового каучука (NBR) с обеих сторон подшипника. |
| 61826-2RS-HLU-C2 | Внутренний зазор подшипника меньше нормального. Резиновые уплотнения с каждой стороны подшипника. Код местонахождения завода. может использоваться в стандартной комплектации. |
| 61826-2RZ | Шарикоподшипник. С уплотнением и низким коэффициентом трения с обеих сторон. Уплотнение состоит из шайбы из листовой стали с вулканизированной резиной. |
| 61826-HLU-C3 | Внутренний зазор больше нормального. Код местонахождения завода. может использоваться в стандартной комплектации. |
| 61826T | Литой защелкивающийся сепаратор из полиамида. армированного стекловолокном. |
| 61826-2Z-HLU | Зазорные уплотнения с обеих сторон подшипника.. Код местонахождения завода. может использоваться в стандартной комплектации. |
| 61826-HLU | Код местонахождения завода. может использоваться в стандартной комплектации. |
| 61826-2RS-HLU | Резиновые уплотнения с каждой стороны подшипника. Код местонахождения завода. может использоваться в стандартной комплектации. |
| 61826-2RZ-HLU | Шарикоподшипник. С уплотнением и низким коэффициентом трения с обеих сторон. Уплотнение состоит из шайбы из листовой стали с вулканизированной резиной. Код местонахождения завода. может использоваться в стандартной комплектации. |
| 61826LLU | Резиновые уплотнения с каждой стороны подшипника. |
| 61826MA | Механически обработанный латунный сепаратор. Центрирование по внешнему кольцу. |
| 61826Y C3 | Внутренний зазор больше нормального. Штампованный латунный фиксатор. Направляемые элементы качения. |
| 61826-2RSR-HLU | Резиновые уплотнения с каждой стороны подшипника. Код местонахождения завода. может использоваться в стандартной комплектации. |
| 61826 2BRS | Бесконтактные лабиринтные уплотнения с обеих сторон. |
| 61826 2URS | Специальное манжетное уплотнение с обеих сторон подшипника. |
| 61826 BRS | Бесконтактные лабиринтные уплотнения с одной стороны. |
| 61826 RS | Резиновое уплотнение с одной стороны. |
| 61826 Z | щит из листовой прессованной стали с одной стороны подшипника. |
| 61826M | Подшипник с латунным сепаратором. центрированный по телам качения. |
| 61826 2Z | Защитные металлические шайбы с обеих сторон подшипника. |
Модификации шарикового подшипника 61826-2RS-Y — это измененное основное конструктивное исполнение 61826, основные размеры (130x165x18) не отличаются.
| Обозначение | Гост | Конструктивные особенности |
|---|---|---|
| 6826 ZZ | ISO | Защитные металлические шайбы с обеих сторон. |
| 6826 ZNR | ISO | Подшипник однорядный шариковый радиальный. |
| 6826 NR | ISO | Канавка и стопорное кольцо на наружном кольце. |
| 6826LLU | ISO | Контактное резиновое уплотнение с двух сторон. |
| 6826 | ISO | Подшипник однорядный шариковый радиальный. |
| 6826 2RS | ISO | Резиновые уплотнения с каждой стороны подшипника. |
| 6826LLU/5K | ISO | Резиновые уплотнения с каждой стороны подшипника. Grease/ Kyodo Yushi / Multemp SRL (-40°C to +150°C). |
| 6826 2RS Y | ISO | Резиновые уплотнения с каждой стороны подшипника. Штампованный латунный фиксатор. Направляемые элементы качения. |
Аналог шарикового подшипника 61826-2RS-Y — это подшипник такого же размера dx130,Dx165,Bx18, типа и конструкции.
| Обозначение | Конструктивные особенности | Внутренний (d) | Наружный (D) | Ширина (B) |
|---|---|---|---|---|
| 71826 CD/HCP4A | Шариковый радиальный однорядный подшипник. Измененная или модифицированная внутренняя конструкция при неизменных основных размерах. Двухкомпонентный штампованный стальной сепаратор с направляющим кольцом. | 130.00 | 165.00 | 18.00 |
| 71826 CD/P4A | Шариковый радиальный однорядный подшипник. Двухкомпонентный штампованный стальной сепаратор с направляющим кольцом. Точность размеров в соответствии с классом допуска ISO 4. точность вращения лучше чем класс допуска ISO 4. | 130.00 | 165.00 | 18.00 |
| 6-1000826-АЛШ1 | Шариковый радиальный однорядный подшипник. Сепаратор из латуни.. Повышенная грузоподъемность. Нормы шумности. | 130.00 | 165.00 | 18.00 |
| 6826-2RZ | Шариковый радиальный однорядный подшипник. Шарикоподшипник. С уплотнением и низким коэффициентом трения с обеих сторон. Уплотнение состоит из шайбы из листовой стали с вулканизированной резиной. | 130.00 | 165.00 | 18.00 |
| 6826Z | Шариковый радиальный однорядный подшипник. щит из листовой прессованной стали с одной стороны подшипника. | 130.00 | 165.00 | 18.00 |
| 6826-2RU | Шариковый радиальный однорядный подшипник. Non Contact Type Friction Torque = Small High Speed Performance = Good Grease Sealing = Better Than ZZ-Type Dirt Resistance = Better Than ZZ-Type Water Resistance = Better Than ZZ / Inferior To 2RS Operating Temp. -30°C To + 100°C. | 130.00 | 165.00 | 18.00 |
| 6826N | Шариковый радиальный однорядный подшипник. Канавка для стопорного кольца на наружном кольце. | 130.00 | 165.00 | 18.00 |
| 6826ZZS | Шариковый радиальный однорядный подшипник. Защитные металлические шайбы с двух сторон подшипника (удерживается стопорным кольцом на внешнем кольце - обычно для миниатюрных шарикоподшипников). | 130.00 | 165.00 | 18.00 |
| 6826DD | Шариковый радиальный однорядный подшипник. Два уплотнения из PTFE. | 130.00 | 165.00 | 18.00 |
| 6826VV | Шариковый радиальный однорядный подшипник. Защитные металлические шайбы. с обеих сторон подшипника. Бесконтактное уплотнение. (лучше. чем ZZ. Можно использовать в умеренно запыленной среде). | 130.00 | 165.00 | 18.00 |
| 76-1000826 БУТ2 | Шариковый радиальный однорядный подшипник. Дополнительные технические требования. 200°. Температура отпуска. Сепаратор из безоловянистой бронзы.. | 130.00 | 165.00 | 18.00 |
| 6826LLB | Шариковый радиальный однорядный подшипник. Уплотнение бесконтактного типа из синтетического каучука. | 130.00 | 165.00 | 18.00 |
| S61826-2RS | Шариковый радиальный однорядный подшипник. Резиновые уплотнения с каждой стороны подшипника. | 130.00 | 165.00 | 18.00 |
| 1000826-Л | Шариковый радиальный однорядный подшипник. Сепаратор из латуни.. | 130.00 | 165.00 | 18.00 |
| 6-1000826 Л | Шариковый радиальный однорядный подшипник. Сепаратор из латуни.. | 130.00 | 165.00 | 18.00 |
Способы доставки
Отправка через ведущие транспортные и курьерские компании: ПЭК, Деловые Линии, СДЭК, Байкал-Сервис, Энергия, КИТ, ЖелДорЭкспедиция.
Самовывоз возможен напрямую со склада в Москве.
Сроки доставки
Срок зависит от региона и выбранной транспортной компании. Все заказы комплектуются и отправляются в кратчайшие сроки со склада в Москве.
Надёжность и сохранность
Вся продукция упаковывается с учётом требований транспортировки. Мы гарантируем, что подшипники и комплектующие прибудут к заказчику в полной сохранности.
Доставка в страны ЕАЭС
Мы работаем с проверенными логистическими партнёрами, что позволяет оперативно доставлять заказы в Беларусь, Казахстан, Армению и другие страны ЕАЭС.
Варианты оплаты:
Минимальная сумма заказа и скидки:
Документы и гарантии:
Да, конечно! Наши технические специалисты готовы помочь вам с подбором точного аналога или замены подшипника. Просто позвоните нам по телефону +7 (495) 104-99-04 или напишите на почту zakaz@podsnab.ru.
Для оперативной консультации подготовьте, пожалуйста, имеющиеся данные: маркировку, размеры, тип оборудования или артикул старого подшипника.
Да, конечно! Мы высоко ценим долгосрочное сотрудничество и доверие клиентов по всей России. Для постоянных клиентов действует персональная система скидок.
Условия формируются индивидуально и зависят от:
Чтобы узнать свои условия и получить максимально выгодное предложение, свяжитесь с персональным менеджером или напишите нам на почту zakaz@podsnab.ru.
Вы можете оформить заказ несколькими способами:
Для оформления заказа от юридического лица свяжитесь с нашим отделом по работе с корпоративными клиентами по телефону +7 (495) 104-99-04 или напишите на email zakaz@podsnab.ru, прикрепив реквизиты вашей организации.
Мы оперативно подготовим коммерческое предложение и выставим счет.
Возврат товара надлежащего качества возможен в течение 10 дней с момента получения, если товар не был в употреблении, сохранен товарный вид, упаковка не вскрывалась и присутствуют все сопроводительные документы.
Возврат денежных средств осуществляется в течение 10 рабочих дней после проверки товара складом.
В соответствии с законодательством возврату не подлежат подшипники надлежащего качества, если отсутствует оригинальная упаковка или имеются следы монтажа.
В случае выявления брака или гарантийного случая мы гарантируем возврат или обмен товара.
Да, гарантийный срок хранения устанавливается заводом-изготовителем и в среднем составляет 2 года при соблюдении условий хранения: сухое помещение, оригинальная упаковка и смазка.
Точный срок для конкретного типа подшипника уточняйте у наших менеджеров.
Пн–Пт: с 8:00 до 17:00 (МСК).
Сб–Вс: выходные дни.
Заказы на сайте принимаются круглосуточно. Заявки, поступившие после окончания рабочего дня, обрабатываются на следующий рабочий день.
Минимальная сумма заказа для доставки составляет 3000 рублей. Самовывоз со склада возможен на любую сумму при наличии товара.
ООО «УралТехГрупп»
ИНН: 7415093830
КПП: 772401001
ОГРН: 1167456069021
Банк: ПАО Сбербанк
Р/с: 40702810838000475273
К/с: 30101810400000000225
БИК: 044525225
У подшипника 61826-2RS-Y пока нет отзывов. Вы можете стать первым покупателем, поделившимся своим мнением.