Поиск подшипника
Статьи
6416-M-C3 — Подшипник однорядный шариковый радиальный, модификация основного исполнения 6416, производство FAG.
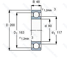
Размер подшипника: 80x200x48 мм.
Внутренний зазор больше нормального, твердый латунный сепаратор. шариковые направляющие.
Международная стандартизации ISO
6416MC3
В наличии
| Обозначение | Конструктивные изменения |
|---|---|
| 6416-C3 | Внутренний зазор больше нормального. |
| 6416/W64 | Антифрикционный заполнитель. твердая смазка. |
| 6416 ZZ | Защитные металлические шайбы с обеих сторон. |
| 6416 ZNR | Подшипник однорядный шариковый радиальный. |
| 6416 NR | Канавка под стопорное кольцо на наружном кольце с соответствующим стопорным кольцом. |
| 6416 2RS | Резиновые уплотнения с каждой стороны подшипника. |
| 6416N | Канавка под стопорное кольцо на внешнем кольце. |
| 6416 | Подшипник однорядный шариковый радиальный. Основное конструктивное исполнение. |
| 6416M | Массивный латунный сепаратор. |
| 6416M.C4 | Внутренний зазор подшипника больше. чем C3. Твердый латунный сепаратор. Шариковые направляющие. |
| 6416C4 | Внутренний зазор подшипника больше. чем C3. |
| 6416A ZZ | Axial Clearance In Non-Standardized Range (Range In µm - e.g. 3210 A20-30). Защитные металлические шайбы с обеих сторон. |
| 6416MA | Механически обработанный латунный сепаратор. Центрирование по внешнему кольцу. |
| 6416N/C3 | Внутренний зазор больше нормального. Канавка под стопорное кольцо на внешнем кольце. |
| 6416MB | Однокомпонентное внутреннее кольцо с центрированным сепаратором из механически обработанной латуни. |
| 6416A C3 | Внутренний зазор больше нормального. Axial Clearance In Non-Standardized Range (Range In µm - e.g. 3210 A20-30). |
| 6416A | Axial Clearance In Non-Standardized Range (Range In µm - e.g. 3210 A20-30). |
Модификации шарикового подшипника 6416-M-C3 — это измененное основное конструктивное исполнение 6416, основные размеры (80x200x48) не отличаются.
| Обозначение | Гост | Конструктивные особенности |
|---|---|---|
| 13P | ISO | Сеаратор из литого полиамида 6.6. армированного стекловолокном. |
Аналог шарикового подшипника 6416-M-C3 — это подшипник такого же размера dx80,Dx200,Bx48, типа и конструкции.
| Обозначение | Конструктивные особенности | Внутренний (d) | Наружный (D) | Ширина (B) |
|---|---|---|---|---|
| 6-32416-Л1 | Роликовый радиальный однорядный подшипник. Сепаратор из латуни.. | 80.00 | 200.00 | 48.00 |
| 6-46416-Е | Шариковый радиально-упорный однорядный подшипник. Сепаратор из текстолита.. | 80.00 | 200.00 | 48.00 |
| 6-46416-Л | Шариковый радиально-упорный однорядный подшипник. Сепаратор из латуни.. | 80.00 | 200.00 | 48.00 |
| 6-50416/6416.N.Р6Q6 | Шариковый радиальный однорядный подшипник. Канавка под стопорное кольцо на внешнем кольце. Детали из теплоустойчивой (быстрорежущие) стали.. | 80.00 | 200.00 | 48.00 |
| 6-66416-Л | Шариковый радиально-упорный однорядный подшипник. Сепаратор из латуни.. | 80.00 | 200.00 | 48.00 |
| 66416-Л | Шариковый радиально-упорный однорядный подшипник. Сепаратор из латуни.. | 80.00 | 200.00 | 48.00 |
| 70-416 А | Шариковый радиальный однорядный подшипник. Повышенная грузоподъемность. | 80.00 | 200.00 | 48.00 |
| 70-416 Ш2У | Шариковый радиальный однорядный подшипник. Дополнительные технические требования. Нормы шумности. | 80.00 | 200.00 | 48.00 |
| 70-50416 А | Шариковый радиальный однорядный подшипник. Повышенная грузоподъемность. | 80.00 | 200.00 | 48.00 |
| 416-А | Шариковый радиальный однорядный подшипник. Повышенная грузоподъемность. | 80.00 | 200.00 | 48.00 |
| 416-АЛ | Шариковый радиальный однорядный подшипник. Сепаратор из латуни.. Повышенная грузоподъемность. | 80.00 | 200.00 | 48.00 |
| 46416-Е | Шариковый радиально-упорный однорядный подшипник. Сепаратор из текстолита.. | 80.00 | 200.00 | 48.00 |
| 46416-Л | Шариковый радиально-упорный однорядный подшипник. Сепаратор из латуни.. | 80.00 | 200.00 | 48.00 |
| 5-416 Л | Шариковый радиальный однорядный подшипник. Сепаратор из латуни.. | 80.00 | 200.00 | 48.00 |
| 50416-А | Шариковый радиальный однорядный подшипник. Повышенная грузоподъемность. | 80.00 | 200.00 | 48.00 |
Способы доставки
Отправка через ведущие транспортные и курьерские компании: ПЭК, Деловые Линии, СДЭК, Байкал-Сервис, Энергия, КИТ, ЖелДорЭкспедиция.
Самовывоз возможен напрямую со склада в Москве.
Сроки доставки
Срок зависит от региона и выбранной транспортной компании. Все заказы комплектуются и отправляются в кратчайшие сроки со склада в Москве.
Надёжность и сохранность
Вся продукция упаковывается с учётом требований транспортировки. Мы гарантируем, что подшипники и комплектующие прибудут к заказчику в полной сохранности.
Доставка в страны ЕАЭС
Мы работаем с проверенными логистическими партнёрами, что позволяет оперативно доставлять заказы в Беларусь, Казахстан, Армению и другие страны ЕАЭС.
Варианты оплаты:
Минимальная сумма заказа и скидки:
Документы и гарантии:
Да, конечно! Наши технические специалисты готовы помочь вам с подбором точного аналога или замены подшипника. Просто позвоните нам по телефону +7 (495) 104-99-04 или напишите на почту zakaz@podsnab.ru.
Для оперативной консультации подготовьте, пожалуйста, имеющиеся данные: маркировку, размеры, тип оборудования или артикул старого подшипника.
Да, конечно! Мы высоко ценим долгосрочное сотрудничество и доверие клиентов по всей России. Для постоянных клиентов действует персональная система скидок.
Условия формируются индивидуально и зависят от:
Чтобы узнать свои условия и получить максимально выгодное предложение, свяжитесь с персональным менеджером или напишите нам на почту zakaz@podsnab.ru.
Вы можете оформить заказ несколькими способами:
Для оформления заказа от юридического лица свяжитесь с нашим отделом по работе с корпоративными клиентами по телефону +7 (495) 104-99-04 или напишите на email zakaz@podsnab.ru, прикрепив реквизиты вашей организации.
Мы оперативно подготовим коммерческое предложение и выставим счет.
Возврат товара надлежащего качества возможен в течение 10 дней с момента получения, если товар не был в употреблении, сохранен товарный вид, упаковка не вскрывалась и присутствуют все сопроводительные документы.
Возврат денежных средств осуществляется в течение 10 рабочих дней после проверки товара складом.
В соответствии с законодательством возврату не подлежат подшипники надлежащего качества, если отсутствует оригинальная упаковка или имеются следы монтажа.
В случае выявления брака или гарантийного случая мы гарантируем возврат или обмен товара.
Да, гарантийный срок хранения устанавливается заводом-изготовителем и в среднем составляет 2 года при соблюдении условий хранения: сухое помещение, оригинальная упаковка и смазка.
Точный срок для конкретного типа подшипника уточняйте у наших менеджеров.
Пн–Пт: с 8:00 до 17:00 (МСК).
Сб–Вс: выходные дни.
Заказы на сайте принимаются круглосуточно. Заявки, поступившие после окончания рабочего дня, обрабатываются на следующий рабочий день.
Минимальная сумма заказа для доставки составляет 3000 рублей. Самовывоз со склада возможен на любую сумму при наличии товара.
ООО «УралТехГрупп»
ИНН: 7415093830
КПП: 772401001
ОГРН: 1167456069021
Банк: ПАО Сбербанк
Р/с: 40702810838000475273
К/с: 30101810400000000225
БИК: 044525225
У подшипника 6416-M-C3 пока нет отзывов. Вы можете стать первым покупателем, поделившимся своим мнением.