Поиск подшипника
Статьи
N1005 — Подшипник однорядный шариковый радиальный, основное исполнение, выпускается производителями: NACHI, NTN, RHP.
Размер подшипника: 25x47x12 мм.
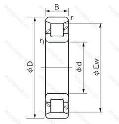
Однорядный цилиндрический роликоподшипник. Внутреннее кольцо подшипника имеет два борта, наружное — без бортов.
Альтернативное обозначение: 6005.
Аналоги: 6005-CV FAG,6005 Felstrom,6005/QE6 SKF,6005 Timken,6005 Koyo,6005 Nachi,6005 NSK,6005 SNR,6005 Steyr,6005CM NSK,6105 Hoffmann,6005 NTN,6005U1 NTN,6005 NKE,6005J GMN Paul Müller Industrie,6005 IBC Bearings,XM25 Fafnir,ELL25 RIV,6005 FLT,6005 IKS Izumoto Seiko Co., LTD,6005 ISB,6005 BM3,6005 DPI,6005 NIS,6005 PTN,6005 Bing Netherlands,6005 Neutral,6005 China.
Международная стандартизации ISO
N1005
В наличии
| Обозначение | Конструктивные изменения |
|---|---|
| N1005C3 | Внутренний зазор больше нормального. |
Модификации шарикового подшипника N1005 — это измененное основное конструктивное исполнение N1005, основные размеры (25x47x12) не отличаются.
| Обозначение | Гост | Конструктивные особенности |
|---|---|---|
| 6005 | ISO | Подшипник однорядный шариковый радиальный. |
| 6005CM | ISO | Шариковый подшипник. Специальный радиальный внутренний зазор для электродвигателей. |
| 6005/QE6 | ISO | Тихая работа. |
| 6105 | ISO | Подшипник однорядный шариковый радиальный. |
| 6005J | ISO | Прессованный стальной сепаратор. |
| ELL25 | ISO | Подшипник однорядный шариковый радиальный. |
| 6005U1 | ISO | Сепаратор из стали. |
| 6005 | ГОСТ | Подшипник однорядный шариковый радиальный. |
| 6105 | ГОСТ | Подшипник однорядный шариковый радиальный. |
Аналог шарикового подшипника N1005 — это подшипник такого же размера dx25,Dx47,Bx12, типа и конструкции.
| Обозначение | Конструктивные особенности | Внутренний (d) | Наружный (D) | Ширина (B) |
|---|---|---|---|---|
| LWLFG24BHS2 | Линейный шариковый подшипник. Тип фланца. Монтируется снизу. Высокий класс точности. Код взаимозаменяемости. | 24.00 | 40.00 | 11.00 |
| 51105P5 | Подшипник шариковый упорный однонаправленный. Размерная и рабочая точность соответствует классу допуска ISO 5. | 25.00 | 42.00 | 11.00 |
| 51105SS | Подшипник шариковый упорный однонаправленный. Две резиновые защитные шайбы. | 25.00 | 42.00 | 11.00 |
| 51105VA | Подшипник шариковый упорный однонаправленный. Нержавеющая сталь. | 25.00 | 42.00 | 11.00 |
| 8105-К | Шариковый упорный однорядный подшипник. «Замок» (скос) на внутреннем кольце плюс массивный сепаратор из текстолита. | 25.00 | 42.00 | 11.00 |
| 8105-Ю | Шариковый упорный однорядный подшипник. Все детали или часть деталей из нержавеющей стали.. | 25.00 | 42.00 | 11.00 |
| 8105-ЮТ | Шариковый упорный однорядный подшипник. Температура отпуска. 160°. Все детали или часть деталей из нержавеющей стали.. | 25.00 | 42.00 | 11.00 |
| 8105Н | Шариковый упорный однорядный подшипник. Детали из теплостойкой стали. | 25.00 | 42.00 | 11.00 |
| В0-8105 К | Шариковый упорный однорядный подшипник. «Замок» (скос) на внутреннем кольце плюс массивный сепаратор из текстолита. | 25.00 | 42.00 | 11.00 |
| ASA2540-5 | Шариковый радиально-упорный однорядный подшипник. Distance Between Beginning Of The Rail And First Hole In MM. | 25.00 | 40.00 | 13.00 |
| 6-8105 А | Шариковый упорный однорядный подшипник. Повышенная грузоподъемность. | 25.00 | 42.00 | 11.00 |
| 6-8105 НЛ1Ш1 | Шариковый упорный однорядный подшипник. Детали из теплостойкой стали. Сепаратор из латуни.. Нормы шумности. | 25.00 | 42.00 | 11.00 |
| 8105-НЛ1 | Шариковый упорный однорядный подшипник. Детали из теплостойкой стали. Сепаратор из латуни.. | 25.00 | 42.00 | 11.00 |
| 51105J | Шариковый упорный однорядный подшипник. Дорожки качения наружного кольца. угол контакта и ширина наружного кольца в соответствии с ISO. Только для тел качения. | 25.00 | 42.00 | 11.00 |
| 51105 V/HR22T2 | Шариковый упорный однорядный подшипник. Подшипник без сепаратора. С полным комплектом тел качения. | 25.00 | 42.00 | 11.00 |
Способы доставки
Отправка через ведущие транспортные и курьерские компании: ПЭК, Деловые Линии, СДЭК, Байкал-Сервис, Энергия, КИТ, ЖелДорЭкспедиция.
Самовывоз возможен напрямую со склада в Москве.
Сроки доставки
Срок зависит от региона и выбранной транспортной компании. Все заказы комплектуются и отправляются в кратчайшие сроки со склада в Москве.
Надёжность и сохранность
Вся продукция упаковывается с учётом требований транспортировки. Мы гарантируем, что подшипники и комплектующие прибудут к заказчику в полной сохранности.
Доставка в страны ЕАЭС
Мы работаем с проверенными логистическими партнёрами, что позволяет оперативно доставлять заказы в Беларусь, Казахстан, Армению и другие страны ЕАЭС.
Варианты оплаты:
Минимальная сумма заказа и скидки:
Документы и гарантии:
Да, конечно! Наши технические специалисты готовы помочь вам с подбором точного аналога или замены подшипника. Просто позвоните нам по телефону +7 (495) 104-99-04 или напишите на почту zakaz@podsnab.ru.
Для оперативной консультации подготовьте, пожалуйста, имеющиеся данные: маркировку, размеры, тип оборудования или артикул старого подшипника.
Да, конечно! Мы высоко ценим долгосрочное сотрудничество и доверие клиентов по всей России. Для постоянных клиентов действует персональная система скидок.
Условия формируются индивидуально и зависят от:
Чтобы узнать свои условия и получить максимально выгодное предложение, свяжитесь с персональным менеджером или напишите нам на почту zakaz@podsnab.ru.
Вы можете оформить заказ несколькими способами:
Для оформления заказа от юридического лица свяжитесь с нашим отделом по работе с корпоративными клиентами по телефону +7 (495) 104-99-04 или напишите на email zakaz@podsnab.ru, прикрепив реквизиты вашей организации.
Мы оперативно подготовим коммерческое предложение и выставим счет.
Возврат товара надлежащего качества возможен в течение 10 дней с момента получения, если товар не был в употреблении, сохранен товарный вид, упаковка не вскрывалась и присутствуют все сопроводительные документы.
Возврат денежных средств осуществляется в течение 10 рабочих дней после проверки товара складом.
В соответствии с законодательством возврату не подлежат подшипники надлежащего качества, если отсутствует оригинальная упаковка или имеются следы монтажа.
В случае выявления брака или гарантийного случая мы гарантируем возврат или обмен товара.
Да, гарантийный срок хранения устанавливается заводом-изготовителем и в среднем составляет 2 года при соблюдении условий хранения: сухое помещение, оригинальная упаковка и смазка.
Точный срок для конкретного типа подшипника уточняйте у наших менеджеров.
Пн–Пт: с 8:00 до 17:00 (МСК).
Сб–Вс: выходные дни.
Заказы на сайте принимаются круглосуточно. Заявки, поступившие после окончания рабочего дня, обрабатываются на следующий рабочий день.
Минимальная сумма заказа для доставки составляет 3000 рублей. Самовывоз со склада возможен на любую сумму при наличии товара.
ООО «УралТехГрупп»
ИНН: 7415093830
КПП: 772401001
ОГРН: 1167456069021
Банк: ПАО Сбербанк
Р/с: 40702810838000475273
К/с: 30101810400000000225
БИК: 044525225
У подшипника N1005 пока нет отзывов. Вы можете стать первым покупателем, поделившимся своим мнением.