Поиск подшипника
Статьи
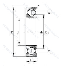
61811-2Z-C3 — Подшипник однорядный шариковый радиальный, модификация основного исполнения 61811, производство NKE.
Размер подшипника: 55x72x9 мм.
Внутренний зазор больше нормального, защитные стальные шайбы с обеих сторон.
Международная стандартизации ISO
618112ZC3
В наличии
| Обозначение | Конструктивные изменения |
|---|---|
| 61811-2RS1 | Усиленные листовой сталью контактные уплотнения из акрилонитрил-бутадиенового каучука (NBR) с обеих сторон подшипника. |
| 61811-2Z-Y | Бесконтактный уплотнительный щиток с обеих сторон (уплотнение из листового металла). Листовая латунная клетка. |
| 61811ZZ | Защитные металлические шайбы (бесконтактные уплотнения) с обеих сторон подшипника. |
| 61811-Y-C3 | Внутренний зазор больше нормального. Сепаратор из прессованной латуни. Центрирование шарика. |
| 61811-2RZ-Y-P5 | Шарикоподшипник. С уплотнением и низким коэффициентом трения с обеих сторон. Уплотнение состоит из шайбы из листовой стали с вулканизированной резиной. Размерная и рабочая точность соответствует классу допуска ISO 5. Сепаратор из прессованной латуни. Центрирование шарика. |
| 61811C3 | Внутренний зазор больше нормального. |
| 61811-2RSR | Резиновые уплотнения с каждой стороны подшипника. |
| 61811-2RSR-Y-A-C2 | Внутренний зазор подшипника меньше нормального. Модификация внутренней конструкции. Резиновые уплотнения с каждой стороны подшипника. Подшипник с сепаратором из латуни центрированный по телам качения. |
| 61811-2Z-Y-A-C3 | Внутренний зазор больше нормального. Модификация внутренней конструкции. Защитные металлические шайбы с обеих сторон. Подшипник с сепаратором из латуни центрированный по телам качения. |
| 61811-Z-Y | щит из листовой прессованной стали с одной стороны подшипника. Подшипник с сепаратором из латуни центрированный по телам качения. |
| 61811-2Z-Y-P5-A | Модификация внутренней конструкции. Защитные металлические шайбы с обеих сторон. Размерная и рабочая точность соответствует классу допуска ISO 5. Подшипник с сепаратором из латуни центрированный по телам качения. |
| 61811-2RZ | Шарикоподшипник. С уплотнением и низким коэффициентом трения с обеих сторон. Уплотнение состоит из шайбы из листовой стали с вулканизированной резиной. |
| 61811-2RSR-Y-C3 | Внутренний зазор больше нормального. Резиновые уплотнения с каждой стороны подшипника. Подшипник с сепаратором из латуни центрированный по телам качения. |
| 61811ZZ C3 | Внутренний зазор больше нормального. Защитные стальные шайбы с обеих сторон. |
| 61811-2RZ-Y-C3 | Внутренний зазор больше нормального. Шарикоподшипник. С уплотнением и низким коэффициентом трения с обеих сторон. Уплотнение состоит из шайбы из листовой стали с вулканизированной резиной. Подшипник с сепаратором из латуни центрированный по телам качения. |
| 61811EE | Резиновые уплотнения с каждой стороны подшипника. |
| 61811T | Литой защелкивающийся сепаратор из полиамида. армированного стекловолокном. |
| 61811.2ZR | Защитные металлические шайбы с обеих сторон. |
| 61811-TVHB | Moulded Polyamide Cage Snap-Type. Rolling Element Riding. Guidance By The Inner Ring. |
| 61811 2RS VA | Резиновые уплотнения с каждой стороны подшипника. Нержавеющая сталь. |
| 61811 2BRS Y | Сепаратор из прессованной латуни. Центрирование шарика. Бесконтактные лабиринтные уплотнения с обеих сторон. |
| 61811 2URS Y | Сепаратор из прессованной латуни. Центрирование шарика. Специальное манжетное уплотнение с обеих сторон подшипника. |
| 61811 BRS Y | Сепаратор из прессованной латуни. Центрирование шарика. Бесконтактные лабиринтные уплотнения с одной стороны. |
| 61811 RS Y | Сепаратор из прессованной латуни. Центрирование шарика. Резиновое уплотнение с одной стороны. |
| 61811 URS Y | Сепаратор из прессованной латуни. Центрирование шарика. |
Модификации шарикового подшипника 61811-2Z-C3 — это измененное основное конструктивное исполнение 61811, основные размеры (55x72x9) не отличаются.
| Обозначение | Гост | Конструктивные особенности |
|---|---|---|
| 6811DDU C3 | ISO | Внутренний зазор больше нормального. Резиновые уплотнения с каждой стороны подшипника. |
| 6811JR LLU/2AS | ISO | Резиновые уплотнения с каждой стороны подшипника. Клепаный сепаратор. где стандартный размер обычно приваривается точечной сваркой. LUBRICANT. SHELL OIL CO.. ALVANIA #2 GREASE. MIL-G-18709A. |
| 6811DDU/NS7S | ISO | Стандартное заполнение. Резиновые уплотнения с каждой стороны подшипника. NS Hi Lube Grease. (NS7/ Inside With Grease. Up Than 35%. Temperature Resistance -40°C To +140°C). |
| 6811ZZ/AS2 | ISO | Защитные металлические шайбы с обеих сторон. Подшипник с двумя смазочными отверстиями, расположенными под углом 180° во внешнем кольце. |
| 6811JR LLU/5K | ISO | Резиновые уплотнения с каждой стороны подшипника. Клепаный сепаратор. где стандартный размер обычно приваривается точечной сваркой. Grease/ Kyodo Yushi / Multemp SRL (-40°C to +150°C). |
| 6811ZZ CM/NS7S | ISO | Стандартное заполнение. Защитные металлические шайбы с обеих сторон. Шариковый подшипник. Специальный радиальный внутренний зазор для электродвигателей. NS Hi Lube Grease. (NS7/ Inside With Grease. Up Than 35%. Temperature Resistance -40°C To +140°C). |
| 6811JR ZZ/2AS | ISO | Защитные металлические шайбы с обеих сторон. Клепаный сепаратор. где стандартный размер обычно приваривается точечной сваркой. LUBRICANT. SHELL OIL CO.. ALVANIA #2 GREASE. MIL-G-18709A. |
| 6811 2RZ | ISO | Шарикоподшипник. С уплотнением и низким коэффициентом трения с обеих сторон. Уплотнение состоит из шайбы из листовой стали с вулканизированной резиной. |
| 6811 2RS Y | ISO | Резиновые уплотнения с каждой стороны подшипника. Штампованный латунный фиксатор. Направляемые элементы качения. |
| 6811ZZ Y | ISO | Защитные металлические шайбы с обеих сторон. Штампованный латунный фиксатор. Направляемые элементы качения. |
| 6811JR ZZ | ISO | Защитные металлические шайбы с обеих сторон. Клепаный сепаратор. где стандартный размер обычно приваривается точечной сваркой. |
| 6811DDU/AS2SJ12 | ISO | Стандартное заполнение. Резиновые уплотнения с каждой стороны подшипника. 1/4 Full. Смазка Aeroshell 7. |
| 6811JR | ISO | Клепаный сепаратор. где стандартный размер обычно приваривается точечной сваркой. |
| 6811DDU | ISO | Резиновые уплотнения с каждой стороны подшипника. |
| 6811ZZ NS7S | ISO | Стандартное заполнение. Защитные металлические шайбы с обеих сторон. NS Hi Lube Grease. (NS7/ Inside With Grease. Up Than 35%. Temperature Resistance -40°C To +140°C). |
| 6811CM | ISO | Шариковый подшипник. Специальный радиальный внутренний зазор для электродвигателей. |
| 6811JRZZ/5K | ISO | Защитные металлические шайбы с обеих сторон. Клепаный сепаратор. где стандартный размер обычно приваривается точечной сваркой. Grease/ Kyodo Yushi / Multemp SRL (-40°C to +150°C). |
| 6811VV AV2S | ISO | Lubricant. Shell Oil Co.. Alvania #2 Grease. 1/4 Full. Temperature Range = -10°C / + 110°C (Normal Temperature Grease). Защитные металлические шайбы. с обеих сторон подшипника. Бесконтактное уплотнение. (лучше. чем ZZ. Можно использовать в умеренно запыленной среде). |
| 6811LLU | ISO | Резиновые уплотнения с каждой стороны подшипника. |
| 6811JR LLU | ISO | Резиновые уплотнения с каждой стороны подшипника. Клепаный сепаратор. где стандартный размер обычно приваривается точечной сваркой. |
Аналог шарикового подшипника 61811-2Z-C3 — это подшипник такого же размера dx55,Dx72,Bx9, типа и конструкции.
| Обозначение | Конструктивные особенности | Внутренний (d) | Наружный (D) | Ширина (B) |
|---|---|---|---|---|
| W 61811 | Шариковый радиальный подшипник. Нержавеющая сталь. | 55.00 | 72.00 | 9.00 |
| W 61811-2Z | Шариковый радиальный подшипник. Защитные металлические шайбы с обеих сторон подшипника. Нержавеющая сталь. | 55.00 | 72.00 | 9.00 |
| W 61811-2RZ | Шариковый радиальный подшипник. Шарикоподшипник. С уплотнением и низким коэффициентом трения с обеих сторон. Уплотнение состоит из шайбы из листовой стали с вулканизированной резиной. Нержавеющая сталь. | 55.00 | 72.00 | 9.00 |
| 71811 CD/HCP4A | Шариковый радиальный однорядный подшипник. Измененная или модифицированная внутренняя конструкция при неизменных основных размерах. Двухкомпонентный штампованный стальной сепаратор с направляющим кольцом. | 55.00 | 72.00 | 9.00 |
| 71811 CD/P4A | Шариковый радиальный однорядный подшипник. Двухкомпонентный штампованный стальной сепаратор с направляющим кольцом. Точность размеров в соответствии с классом допуска ISO 4. точность вращения лучше чем класс допуска ISO 4. | 55.00 | 72.00 | 9.00 |
| F-569987.01 | Шариковый радиальный однорядный подшипник. Design. | 55.00 | 72.00 | 9.00 |
| SS 61811-ZZ | Шариковый радиальный однорядный подшипник. Защитные металлические шайбы с обеих сторон. | 55.00 | 72.00 | 9.00 |
| 6811-2RD | Шариковый радиальный однорядный подшипник. Облегченное контактное уплотнение с двух сторон.. | 55.00 | 72.00 | 9.00 |
| 6811-2RU | Шариковый радиальный однорядный подшипник. Non Contact Type Friction Torque = Small High Speed Performance = Good Grease Sealing = Better Than ZZ-Type Dirt Resistance = Better Than ZZ-Type Water Resistance = Better Than ZZ / Inferior To 2RS Operating Temp. -30°C To + 100°C. | 55.00 | 72.00 | 9.00 |
| 6811Z | Шариковый радиальный однорядный подшипник. щит из листовой прессованной стали с одной стороны подшипника. | 55.00 | 72.00 | 9.00 |
| 6811N | Шариковый радиальный однорядный подшипник. Канавка для стопорного кольца на наружном кольце. | 55.00 | 72.00 | 9.00 |
| 6811LLB | Шариковый радиальный однорядный подшипник. Уплотнение бесконтактного типа из синтетического каучука. | 55.00 | 72.00 | 9.00 |
| 6811LU | Шариковый радиальный однорядный подшипник. Двухкромочное нитриловое контактное уплотнение. | 55.00 | 72.00 | 9.00 |
| 1000811-АЕ25 | Шариковый радиальный однорядный подшипник. Повышенная грузоподъемность. Сепаратор из пластических материалов.. | 55.00 | 72.00 | 9.00 |
| 1000811.2RS | Шариковый радиальный однорядный подшипник. Резиновые уплотнения с каждой стороны подшипника. | 55.00 | 72.00 | 9.00 |
Способы доставки
Отправка через ведущие транспортные и курьерские компании: ПЭК, Деловые Линии, СДЭК, Байкал-Сервис, Энергия, КИТ, ЖелДорЭкспедиция.
Самовывоз возможен напрямую со склада в Москве.
Сроки доставки
Срок зависит от региона и выбранной транспортной компании. Все заказы комплектуются и отправляются в кратчайшие сроки со склада в Москве.
Надёжность и сохранность
Вся продукция упаковывается с учётом требований транспортировки. Мы гарантируем, что подшипники и комплектующие прибудут к заказчику в полной сохранности.
Доставка в страны ЕАЭС
Мы работаем с проверенными логистическими партнёрами, что позволяет оперативно доставлять заказы в Беларусь, Казахстан, Армению и другие страны ЕАЭС.
Варианты оплаты:
Минимальная сумма заказа и скидки:
Документы и гарантии:
Да, конечно! Наши технические специалисты готовы помочь вам с подбором точного аналога или замены подшипника. Просто позвоните нам по телефону +7 (495) 104-99-04 или напишите на почту zakaz@podsnab.ru.
Для оперативной консультации подготовьте, пожалуйста, имеющиеся данные: маркировку, размеры, тип оборудования или артикул старого подшипника.
Да, конечно! Мы высоко ценим долгосрочное сотрудничество и доверие клиентов по всей России. Для постоянных клиентов действует персональная система скидок.
Условия формируются индивидуально и зависят от:
Чтобы узнать свои условия и получить максимально выгодное предложение, свяжитесь с персональным менеджером или напишите нам на почту zakaz@podsnab.ru.
Вы можете оформить заказ несколькими способами:
Для оформления заказа от юридического лица свяжитесь с нашим отделом по работе с корпоративными клиентами по телефону +7 (495) 104-99-04 или напишите на email zakaz@podsnab.ru, прикрепив реквизиты вашей организации.
Мы оперативно подготовим коммерческое предложение и выставим счет.
Возврат товара надлежащего качества возможен в течение 10 дней с момента получения, если товар не был в употреблении, сохранен товарный вид, упаковка не вскрывалась и присутствуют все сопроводительные документы.
Возврат денежных средств осуществляется в течение 10 рабочих дней после проверки товара складом.
В соответствии с законодательством возврату не подлежат подшипники надлежащего качества, если отсутствует оригинальная упаковка или имеются следы монтажа.
В случае выявления брака или гарантийного случая мы гарантируем возврат или обмен товара.
Да, гарантийный срок хранения устанавливается заводом-изготовителем и в среднем составляет 2 года при соблюдении условий хранения: сухое помещение, оригинальная упаковка и смазка.
Точный срок для конкретного типа подшипника уточняйте у наших менеджеров.
Пн–Пт: с 8:00 до 17:00 (МСК).
Сб–Вс: выходные дни.
Заказы на сайте принимаются круглосуточно. Заявки, поступившие после окончания рабочего дня, обрабатываются на следующий рабочий день.
Минимальная сумма заказа для доставки составляет 3000 рублей. Самовывоз со склада возможен на любую сумму при наличии товара.
ООО «УралТехГрупп»
ИНН: 7415093830
КПП: 772401001
ОГРН: 1167456069021
Банк: ПАО Сбербанк
Р/с: 40702810838000475273
К/с: 30101810400000000225
БИК: 044525225
У подшипника 61811-2Z-C3 пока нет отзывов. Вы можете стать первым покупателем, поделившимся своим мнением.